只发PCB电路相关44 随时更新~~
一、高频电路布线的十大绝招
如果数字逻辑电路的频率达到或者超过45MHZ~50MHZ,而且工作在这个频率之上的电路已经占到了整个电子系统一定的份量(比如说1/3),通常就称为高频电路。高频电路设计是一个非常复杂的设计过程,其布线对整个设计至关重要!
1 多层板布线
高频电路往往集成度较高,布线密度大,采用多层板既是布线所必须,也是降低干扰的有效手段。在PCB Layout阶段,合理的选择一定层数的印制板尺寸,能充分利用中间层来设置屏蔽,更好地实现就近接地,并有效地降低寄生电感和缩短信号的传输长度,同时还能大幅度地降低信号的交叉干扰等,所有这些方法都对高频电路的可靠性有利。有资料显示,同种材料时,四层板要比双面板的噪声低20dB。
但是,同时也存在一个问题,PCB半层数越高,制造工艺越复杂,单位成本也就越高,这就要求我们在进行PCB Layout时,除了选择合适的层数的PCB板,还需要进行合理的元器件布局规划,并采用正确的布线规则来完成设计。
2 高速电子器件管脚间的引线弯折越少越好
高频电路布线的引线最好采用全直线,需要转折,可用45度折线或者圆弧转折。这种要求在低频电路中仅仅用于提高铜箔的固着强度,而在高频电路中,满足这一要求却可以减少高频信号对外的发射和相互间的耦合。
3 高频电路器件管脚间的引线越短越好
信号的辐射强度是和信号线的走线长度成正比的,高频的信号引线越长,它就越容易耦合到靠近它的元器件上去,所以对于诸如信号的时钟、晶振、DDR的数据、LVDS线、USB线、HDMI线等高频信号线都是要求尽可能的走线越短越好。
4 高频电路器件管脚间的引线层间交替越少越好
所谓“引线的层间交替越少越好”是指元件连接过程中所用的过孔(Via)越少越好。据侧,一个过孔可带来约0.5pF的分布电容,减少过孔数能显著提高速度和减少数据出错的可能性。
5 注意信号线近距离平行走线引入的“串扰”
高频电路布线要注意信号线近距离平行走线所引入的“串扰”,串扰是指没有直接连接的信号线之间的耦合现象。
由于高频信号沿着传输线是以电磁波的形式传输的,信号线会起到天线的作用,电磁场的能量会在传输线的周围发射,信号之间由于电磁场的相互耦合而产生的不期望的噪声信号称为串扰(Crosstalk)。PCB板层的参数、信号线的间距、驱动端和接收端的电气特性以及信号线端接方式对串扰都有一定的影响。所以为了减少高频信号的串扰,在布线的时候要求尽可能的做到以下几点:
- 在布线空间允许的条件下,在串扰较严重的两条线之间插入一条地线或地平面,可以起到隔离的作用而减少串扰。当信号线周围的空间本身就存在时变的电磁场时,若无法避免平行分布,可在平行信号线的反面布置大面积“地”来大幅减少干扰。
- 在布线空间许可的前提下,加大相邻信号线间的间距,减小信号线的平行长度,时钟线尽量与关键信号线垂直而不要平行。如果同一层内的平行走线几乎无法避免,在相邻两个层,走线的方向务必却为相互垂直。
- 在数字电路中,通常的时钟信号都是边沿变化快的信号,对外串扰大。所以在设计中,时钟线宜用地线包围起来并多打地线孔来减少分布电容,从而减少串扰。对高频信号时钟尽量使用低电压差分时钟信号并包地方式,需要注意包地打孔的完整性。
- 闲置不用的输入端不要悬空,而是将其接地或接电源(电源在高频信号回路中也是地),因为悬空的线有可能等效于发射天线,接地就能抑制发射。实践证明,用这种办法消除串扰有时能立即见效。
6 集成电路块的电源引脚增加高频退藕电容
每个集成电路块的电源引脚就近增一个高频退藕电容。增加电源引脚的高频退藕电容,可以有效地抑制电源引脚上的高频谐波形成干扰。
7 高频数字信号的地线和模拟信号地线做隔离
模拟地线、数字地线等接往公共地线时要用高频扼流磁珠连接或者直接隔离并选择合适的地方单点互联。高频数字信号的地线的地电位一般是不一致的,两者直接常常存在一定的电压差,而且,高频数字信号的地线还常常带有非常丰富的高频信号的谐波分量,当直接连接数字信号地线和模拟信号地线时,高频信号的谐波就会通过地线耦合的方式对模拟信号进行干扰。所以通常情况下,对高频数字信号的地线和模拟信号的地线是要做隔离的,可以采用在合适位置单点互联的方式,或者采用高频扼流磁珠互联的方式。
8 避免走线形成的环路
各类高频信号走线尽量不要形成环路,若无法避免则应使环路面积尽量小。
9 必须保证良好的信号阻抗匹配
信号在传输的过程中,当阻抗不匹配的时候,信号就会在传输通道中发生信号的反射,反射会使合成信号形成过冲,导致信号在逻辑门限附近波动。
消除反射的根本办法是使传输信号的阻抗良好匹配,由于负载阻抗与传输线的特性阻抗相差越大反射也越大,所以应尽可能使信号传输线的特性阻抗与负载阻抗相等。同时还要注意PCB上的传输线不能出现突变或拐角,尽量保持传输线各点阻抗连续,否则在传输线各段之间也将会出现反射。
这就要求在进行高速PCB布线时,必须要遵守以下布线规则:
- USB布线规则。要求USB信号差分走线,线宽10mil,线距6mil,地线和信号线距6mil。
- HDMI布线规则。要求HDMI信号差分走线,线宽10mil,线距6mil,每两组HDMI差分信号对的间距超过20mil。
- LVDS布线规则。要求LVDS信号差分走线,线宽7mil,线距6mil,目的是控制HDMI的差分信号对阻抗为100+-15%欧姆
- DDR布线规则。DDR1走线要求信号尽量不走过孔,信号线等宽,线与线等距,走线必须满足2W原则,以减少信号间的串扰,对DDR2及以上的高速器件,还要求高频数据走线等长,以保证信号的阻抗匹配。
10 保持信号传输的完整性
保持信号传输的完整性,防止由于地线分割引起的“地弹现象”。
二、浅析单片机IO口输入的高阻态
我们都知道单片机的双向IO口既能输入也能做输出,推挽输出时IO口能通过内部上下MOS管开关切换能输出高低电平,高阻态输入时,IO口内部上下MOS管都关闭,IO口工作在高阻态的输入模式下,那么高阻态是个什么样的概念呢?
下图是常见的IO的内部框图。

当IO口处于高阻态时,我们也将其称为浮空输入状态,此时其电平是不确定的,既不是高电平也不是低电平。我们可以想象成,单片机在检测IO口的电平高低时,相当于在CPU里面有一个类似电压表的东西,并且这个电压表内阻很大,假设内阻为100MΩ(示意图如下)。在这里,我们可以把这个电压表的内阻称为这个IO口此时的输入电阻。

现在设想,当我不小心用手碰到了IO端口,而由于人体本身就是阻值很大的导体,周围有很多电磁波干扰,手上可能存在一些很微弱的电流,这个时候,电压表的读数就会发生变化,单片机读取的电平高低就会变。高阻态表现出来的结果就是外界很小的干扰,都可能导致读取的电平变化,甚至即使没有碰这个IO口,它每次读取的结果也可能不一样,因为外界的电磁波等可能会干扰到IO口。IO口输入端不使用时,可通过电阻单独连接到 VDD或 VSS。
为什么双向IO口输入的时候要求是高阻态呢?
我们假设现在有一种输入设备,等效电路如下图。内部开关上下切换,它就会输出高低电平给到单片机的IO口,IO口通过引脚内部电压表可以检测出来输入的是高电平还是低电平。但是这个设备驱动能力很弱,连LED也驱动不了。设备里的100kΩ,可以叫做设备的输出电阻(同样也可以近似认为是输出阻抗)。

如果我们采用内部上拉的方式做输入检测的话,如下图,让这个设备输出低电平,然后连接单片机的IO口。这时,5V经过IO口内部10kΩ上拉电阻到达IO口,再到装置内部的100kΩ电阻,通过开关接到GND。根据分压原理,IO口上读到的电压值大概是4.55V,于是单片机读取的是高电平。而事实上,设备是想输出低电平告知单片机。这里单片机管脚作为输入功能,却干扰了外界装置的输出值,相当于单片机的这个IO口也在输出。

如果我们将IO口的输入状态设置为高阻状态,且没有外接上下拉电阻,内部的两个上下MOS管都是断开的,对外部呈现高阻态
从下图中可以看出,装置输出的电平能被准确的读取到单片机中。之所以能准确读取,就是因为设备输出电阻比单片机IO口的输入电阻要小。有人可能会说,如果把设备中的电阻换成1000MΩ,这个时候这个单片机又不能准确读取电平了。但是一般情况下,我们不需要考虑这么极端。如果是理想的高阻态,其输入阻抗应该是无穷大,而这有点像超导体一样比较特殊。一般情况下认为导线电阻几乎为0,所以同样也认为高阻态输入电阻是无穷大。

总的来说,就是高阻态情况下,IO口输入电阻很大,而不容易干扰那些输出电阻较大、驱动能力弱的装置输出到IO口上的电平。
三、解析开关电源的功能电路
开关电源的电路组成
开关电源的主要电路是由输入电磁干扰滤波器(EMI)、整流滤波电路、功率变换电路、PWM控制器电路、输出整流滤波电路组成。辅助电路有输入过欠压保护电路、输出过欠压保护电路、输出过流保护电路、输出短路保护电路等。
开关电源的电路组成方框图如下:

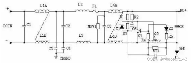
输入电路的原理及常见电路
1 AC 输入整流滤波电路原理:

①防雷电路:当有雷击,产生高压经电网导入电源时,由MOV1、MOV2、MOV3:F1、F2、F3、FDG1 组成的电路进行保护。当加在压敏电阻两端的电压超过其工作电压时,其阻值降低,使高压能量消耗在压敏电阻上,若电流过大,F1、F2、F3 会烧毁保护后级电路。
②输入滤波电路:C1、L1、C2、C3组成的双π型滤波网络主要是对输入电源的电磁噪声及杂波信号进行抑制,防止对电源干扰,同时也防止电源本身产生的高频杂波对电网干扰。当电源开启瞬间,要对 C5充电,由于瞬间电流大,加RT1(热敏电阻)就能有效的防止浪涌电流。因瞬时能量全消耗在RT1电阻上,一定时间后温度升高后RT1阻值减小(RT1是负温系数元件),这时它消耗的能量非常小,后级电路可正常工作。
③整流滤波电路:交流电压经BRG1整流后,经C5滤波后得到较为纯净的直流电压。若C5容量变小,输出的交流纹波将增大。
2 DC 输入滤波电路原理:

①输入滤波电路:C1、L1、C2组成的双π型滤波网络主要是对输入电源的电磁噪声及杂波信号进行抑制,防止对电源干扰,同时也防止电源本身产生的高频杂波对电网干扰。C3、C4 为安规电容,L2、L3为差模电感。
② R1、R2、R3、Z1、C6、Q1、Z2、R4、R5、Q2、RT1、C7组成抗浪涌电路。在起机的瞬间,由于 C6的存在Q2不导通,电流经RT1构成回路。当C6上的电压充至Z1的稳压值时Q2导通。如果C8漏电或后级电路短路现象,在起机的瞬间电流在RT1上产生的压降增大,Q1导通使 Q2没有栅极电压不导通,RT1将会在很短的时间烧毁,以保护后级电路。
功率变换电路
1 MOS管的工作原理:
目前应用最广泛的绝缘栅场效应管是MOSFET(MOS管),是利用半导体表面的电声效应进行工作的。也称为表面场效应器件。由于它的栅极处于不导电状态,所以输入电阻可以大大提高,最高可达105欧姆,MOS管是利用栅源电压的大小,来改变半导体表面感生电荷的多少,从而控制漏极电流的大小。
2 常见的原理图:

3 工作原理:
R4、C3、R5、R6、C4、D1、D2组成缓冲器,和开关MOS管并接,使开关管电压应力减少,EMI减少,不发生二次击穿。在开关管Q1关断时,变压器的原边线圈易产生尖峰电压和尖峰电流,这些元件组合一起,能很好地吸收尖峰电压和电流。从R3测得的电流峰值信号参与当前工作周波的占空比控制,因此是当前工作周波的电流限制。
当R5上的电压达到1V时,UC3842停止工作,开关管Q1立即关断。R1和Q1中的结电容CGS、CGD一起组成RC网络,电容的充放电直接影响着开关管的开关速度。R1过小,易引起振荡,电磁干扰也会很大;R1过大,会降低开关管的开关速度。Z1通常将MOS管的GS电压限制在18V以下,从而保护了MOS管。
Q1的栅极受控电压为锯形波,当其占空比越大时,Q1导通时间越长,变压器所储存的能量也就越多;当Q1截止时,变压器通过D1、D2、R5、R4、C3释放能量,同时也达到了磁场复位的目的,为变压器的下一次存储、传递能量做好了准备。IC根据输出电压和电流时刻调整着⑥脚锯形波占空比的大小,从而稳定了整机的输出电流和电压。C4和R6为尖峰电压吸收回路。
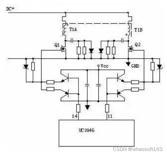
4 推挽式功率变换电路:
Q1和Q2将轮流导通。

5 有驱动变压器的功率变换电路:
T2为驱动变压器,T1为开关变压器,TR1为电流环。

输出整流滤波电路
1 正激式整流电路:

T1为开关变压器,其初极和次极的相位同相。D1为整流二极管,D2为续流二极管,R1、C1、R2、C2为削尖峰电路。L1为续流电感,C4、L2、C5组成π型滤波器。
2 反激式整流电路:

T1为开关变压器,其初极和次极的相位相反。D1为整流二极管,R1、C1为削尖峰电路。L1为续流电感,R2为假负载,C4、L2、C5组成π型滤波器。
3 同步整流电路:

工作原理:当变压器次级上端为正时,电流经 C2、R5、R6、R7使Q2导通,电路构成回路,Q2 为整流管。Q1栅极由于处于反偏而截止。当变压器次级下端为正时,电流经C3、R4、R2使 Q1导通,Q1为续流管。Q2栅极由于处于反偏而截止。L2为续流电感,C6、L1、C7组成π 型滤波器。R1、C1、R9、C4为削尖峰电路。
稳压环路原理
1 反馈电路原理图:

2 工作原理:
当输出 U0升高,经取样电阻R7、R8、R10、VR1分压后,U1③脚电压升高,当其超过U1②脚基准电压后 U1①脚输出高电平,使Q1导通,光耦OT1发光二极管发光,光电三极管导通,UC3842①脚电位相应变低,从而改变U1⑥脚输出占空比减小,U0降低。当输出 U0降低时,U1③脚电压降低,当其低过U1②脚基准电压后U1①脚输出低电平,Q1不导通,光耦OT1发光二极管不发光,光电三极管不导通,UC3842①脚电位升高,从而改变U1⑥脚输出占空比增大,U0降低。周而复始,从而使输出电压保持稳定。调节VR1可改变输出电压值。
反馈环路是影响开关电源稳定性的重要电路。如反馈电阻电容错、漏、虚焊等,会产生自激振荡,故障现象为:波形异常,空、满载振荡,输出电压不稳定等。
短路保护电路
1、在输出端短路的情况下,PWM控制电路能够把输出电流限制在一个安全范围内,它可以用多种方法来实现限流电路,当功率限流在短路时不起作用时,只有另增设一部分电路。
2、短路保护电路通常有两种,下图是小功率短路保护电路,其原理简述如下:

当输出电路短路,输出电压消失,光耦OT1不导通,UC3842①脚电压上升至5V左右,R1与R2的分压超过TL431基准,使之导通,UC3842⑦脚VCC电位被拉低,IC停止工作。UC3842停止工作后①脚电位消失,TL431不导通UC3842⑦脚电位上升,UC3842重新启动,周而复始。当短路现象消失后,电路可以自动恢复成正常工作状态。
3、下图是中功率短路保护电路,其原理简述如下:

当输出短路,UC3842①脚电压上升,U1 ③脚电位高于②脚时,比较器翻转①脚输出高电位,给 C1充电,当C1两端电压超过⑤脚基准电压时 U1⑦脚输出低电位,UC3842①脚低于1V,UCC3842 停止工作,输出电压为0V,周而复始,当短路消失后电路正常工作。R2、C1是充放电时间常数,阻值不对时短路保护不起作用。
4、下图是常见的限流、短路保护电路。其工作原理简述如下:

当输出电路短路或过流,变压器原边电流增大,R3 两端电压降增大,③脚电压升高,UC3842⑥脚输出占空比逐渐增大,③脚电压超过1V时,UC3842关闭无输出。
5、下图是用电流互感器取样电流的保护电路,有着功耗小,但成本高和电路较为复杂,其工作原理简述如下:

输出电路短路或电流过大,TR1次级线圈感应的电压就越高,当UC3842③脚超过1伏,UC3842停止工作,周而复始,当短路或过载消失,电路自行恢复。
输出端限流保护

上图是常见的输出端限流保护电路,其工作原理简述如上图:当输出电流过大时,RS(锰铜丝)两端电压上升,U1③脚电压高于②脚基准电压,U1①脚输出高电压,Q1导通,光耦发生光电效应,UC3842①脚电压降低,输出电压降低,从而达到输出过载限流的目的。
输出过压保护电路的原理
输出过压保护电路的作用是:当输出电压超过设计值时,把输出电压限定在一安全值的范围内。当开关电源内部稳压环路出现故障或者由于用户操作不当引起输出过压现象时,过压保护电路进行保护以防止损坏后级用电设备。应用最为普遍的过压保护电路有如下几种:
1 可控硅触发保护电路:

如上图,当Uo1输出升高,稳压管(Z3)击穿导通,可控硅(SCR1)的控制端得到触发电压,因此可控硅导通。Uo2电压对地短路,过流保护电路或短路保护电路就会工作,停止整个电源电路的工作。当输出过压现象排除,可控硅的控制端触发电压通过R对地泄放,可控硅恢复断开状态。
2 光电耦合保护电路:

如上图,当Uo有过压现象时,稳压管击穿导通,经光耦(OT2)R6到地产生电流流过,光电耦合器的发光二极管发光,从而使光电耦合器的光敏三极管导通。Q1基极得电导通, 3842的③脚电降低,使IC关闭,停止整个电源的工作,Uo为零,周而复始。
3 输出限压保护电路:
输出限压保护电路如下图,当输出电压升高,稳压管导通光耦导通,Q1基极有驱动电压而道通,UC3842③电压升高,输出降低,稳压管不导通,UC3842③电压降低,输出电压升高。周而复始,输出电压将稳定在一范围内(取决于稳压管的稳压值)。

4 输出过压锁死电路:

图A的工作原理是,当输出电压Uo升高,稳压管导通,光耦导通,Q2基极得电导通,由于Q2的导通Q1基极电压降低也导通,Vcc电压经R1、Q1、R2使Q2始终导通,UC3842③脚始终是高电平而停止工作。在图B中,UO升高U1③脚电压升高,①脚输出高电平,由于D1、R1的存在,U1①脚始终输出高电平Q1始终导通,UC3842①脚始终是低电平而停止工作。正反馈?
功率因数校正电路(PFC)
1 原理示意图:

2 工作原理:
输入电压经L1、L2、L3等组成的EMI滤波器,BRG1整流一路送PFC电感,另一路经R1、R2分压后送入PFC控制器作为输入电压的取样,用以调整控制信号的占空比,即改变Q1的导通和关断时间,稳定PFC输出电压。L4是PFC电感,它在Q1导通时储存能量,在Q1关断时施放能量。D1是启动二极管。D2是PFC整流二极管,C6、C7滤波。PFC电压一路送后级电路,另一路经R3、R4分压后送入PFC控制器作为PFC输出电压的取样,用以调整控制信号的占空比,稳定PFC输出电压。
输入过欠压保护
1 原理图:

2 工作原理:
AC输入和DC输入的开关电源的输入过欠压保护原理大致相同。保护电路的取样电压均来自输入滤波后的电压。取样电压分为两路,一路经R1、R2、R3、R4分压后输入比较器3脚,如取样电压高于2脚基准电压,比较器1脚输出高电平去控制主控制器使其关断,电源无输出。另一路经R7、R8、R9、R10分压后输入比较器6脚,如取样电压低于5脚基准电压,比较器7脚输出高电平去控制主控制器使其关断,电源无输出。
四、芯片附近0.1uF电容的作用
电容思维导图如下:

电容有四大作用:去耦、耦合(隔直通交)、滤波、储能。今天我们主要谈论去耦作用。
电容封装

相信大家都用过这几种电容,板子上最多的是多层陶瓷电容。
钽电容:主要用在电源电路中,博主被它炸过很多次......
去耦电容

这是 STM32F103 最小系统原理图,STM32F103VET6 需要五路 3.3V 供电,他的 3.3V 一般来源于 LDO(低压差线性稳压器),比如 LM1117。
5V转3.3V的电路:

LDO 比 DC-DC 的方式(TPS5430)更能提供稳定的电压,但对芯片来说依旧不够,我们需要在芯片供电引脚旁边加上 0.1uF 的去耦电容,让电压中的高频交流部分从电容走到地,从而芯片可以获得稳定的直流电压。因此,去耦电容的摆放需要尽量靠近芯片管脚。
为什么是 0.1uF ?
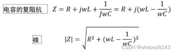
分析电源完整性的时候我们常用的电容模型如下图所示:

ESR 是电容的串联等效电阻,ESL 是电容的串联等效电感,C 才是真正的理想电容。ESR 和 ESL 是由电容的制造工艺和材料决定的,没法消除。ESR 影响电源的纹波,ESL 影响电容的滤波频率特性。
因此,有如下公式:

当频率很低的时候是电容起作用,而频率高到一定的时候电感的作用就不可忽视了,再高的时候电感就起主导作用了。电容就失去滤波的作用了。所以,高频的时候电容就不是单纯的电容了。实际电容的滤波曲线如下图所示。

参见上图,我们想要的最好的滤波效果是在“谷”底,就是曲线凹进去的尖尖,在这个尖尖的时候,滤波效果做好,能够滤除这个频段的干扰,但是,当频率很高的时候,这个时候0.1uF电容个滤波效果就没有0.01uF好了,以此类推,频率再高,选用的滤波电容的量级还要变小。
因此有时候可以采用多阻值电容并联的方式,获得最好的滤波效果。
426

被折叠的 条评论
为什么被折叠?



