工程师画PCB的时候,难免会遇到一些连接器件,在中国,由于一些原因,很多时候,这些连接器件很难像国外那样,能向厂家索要机械尺寸文档,所以很多时候,都需要手拿游标卡尺去量。这样就造成,一来我们不知道连接器的管脚接线,很容易连接错误;二来自己测量的,总有误差,最后画出来的PCB接插件按不上去。接插件的标准化与否和尺寸标准图是否完全,我看这就是中国与国外的差距之一。不单在芯片方面,而是在这些细节方面我们做得也不好。
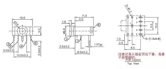
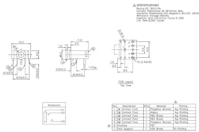
耳机插座尺寸

这是我们在电子市场上买到的3.5mm立体声耳机插座。它的机械尺寸如下:

从耳机插座底面的管脚旁边会有①②③④⑤的编号,对应尺寸图。
一般来说耳机采用3段式的插头,插头直径一般有3.5mm和2.5mm,不同直径的插头对应不同直径孔的耳机插座,所以“公”和“母”要对应.

根据三段式的耳机插头的接线,就可以确定耳机插座的连接:

1 脚接地,2脚接右声道(Right),5脚接左声道(Left)。在耳机接头没插入插座的时候,2脚和3脚,4脚和5脚是接在一起的,而一旦接头插入插座 的时候,2脚和3脚,4脚和5脚会分开。所以从系统可靠性的角度来说,3脚和4脚应该接地,这样的话,耳机没插的时候,左右声道输入接地,系统输入为0。 很多时候,我们都会把不用的3脚4脚悬空,那么2脚和5脚也是悬空的,这样带来的风险就是, 万一会从外界串入一个大电流,会从2脚和5脚传到板子上,从而会烧毁芯片。
本耳机插座的尺寸图:(点击可放大看)

耳机接头除了有三段式之外,还有四段式,四段式比三段式加多了一个话筒/接听键,国标(大部分手机)从头到尾(尾巴是有线那边)的定义是:左声道、右声道、MIC、地。要注意iphone的四段式耳机接头的顺序是不一样的,从头(尖)到尾是左声道、右声道、地、MIC。

一般手机立体声耳机接头


单声道耳机插座
单声道耳机插座也可以用作输入。要注意的是A为地,B应该接输入端,而F端应该接地。在没有耳机接头接入的时候,B脚和F脚是连在一起的,这样保证,输入接地,输入信号为0。当有耳机接头接入的时候,B脚和F脚分离,F脚与A接连在一起。
DC电源输入插座尺寸

这是我们通常使用的DC电源输入插座。尺寸如下:(点击可放大看)

这个DC电源插座是对应内径2.1mm,外径5.5的插头。

外径5.5mm,内径2.1mm,长约10mm

电源极性:内正外负
要注意的是插头一般是内正外负的,但也不排除少数自己做的插头是反的,所以保险起见,最好使用前用万用表量一下,免得烧毁芯片。

DC电源插座接线
DC电源插座的2脚和3脚在插头没有插进的时候是连在一起的,当插头插进的时候,3脚与2脚分开。所以3脚和1脚应该连地。
本DC电源输入插座的尺寸图:(点击可放大看)

USB接口插座引脚
USB是英文Universal Serial Bus的缩写,中文含义是“通用串行总线”。
USB的版本:
第一代:USB 1.0/1.1的最大传输速率为12Mbps。1996年推出。
第二代:USB 2.0的最大传输速率高达480Mbps。USB 1.0/1.1与USB 2.0的接口是相互兼容的。
第三代:USB 3.0 最大传输速率5Gbps, 向下兼容USB 1.0/1.1/2.0
画PCB板的时候要知道USB的引脚排列。以下均为插座或插头的前视图,即将插座或插头面向自己。
USB-A型插座是用在主机上的,USB-B型插座是用在外设上的。
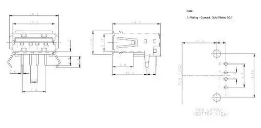
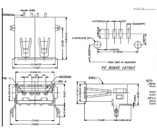
USB A型插座和插头:

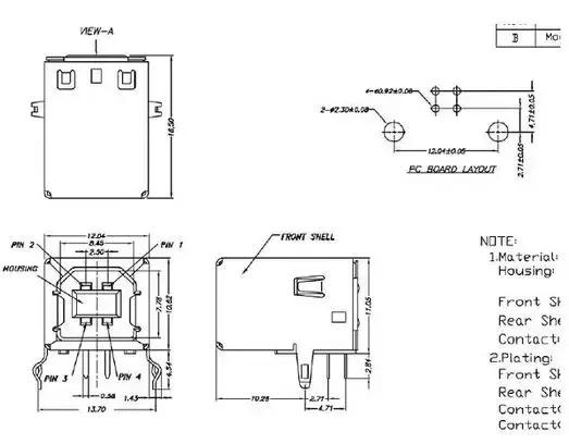
USB B型插座和插头:


USB-B型插座是用在外设上的

本USB B型母头插座的尺寸图:(点击可放大看)

USB A-B型引脚功能:

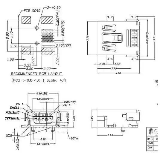
USB mini-B 插座和插头:

USB mini-B型引脚功能:

关于插座插头的机械尺寸请参考USB标准上的典型机械尺寸,更可靠的是以连接器生产厂的尺寸为准。
USB A型插座DIP直插:

USB A型插座SMT贴片:

USB B型插座DIP直插:

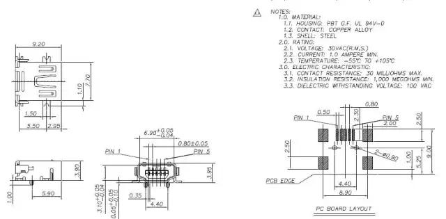
USB Mini-B型插座贴片:

画好的USB Mini-B Protel封装库

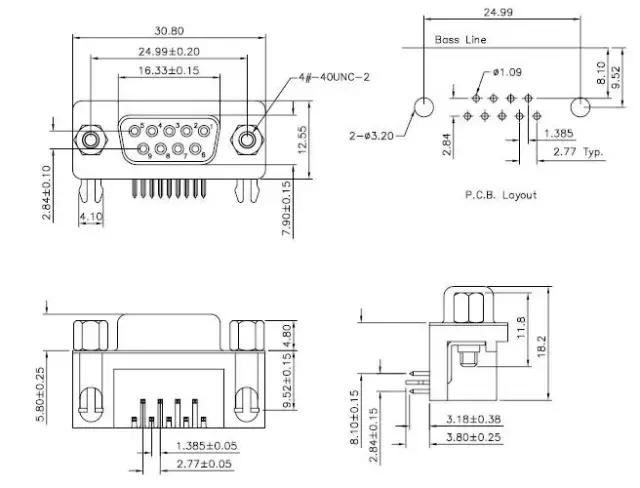
DB9 串口母口插座

我们经常会在开发板上用到这样的DB9串口母头插座。它的尺寸如下:

要认真看清楚DB9母口表面的数字标示。

通常母口的数字要与串口线上公接头的数字对上。
作为主设备上(如计算机)的PCB板上一般放置公头(针),而从设备(如开发板)一般放置母头(孔)。这样做的好处就是,减少主设备的接头损坏次数,毕竟公头比母头还是结实很多。
连 接两个设备的串口要用串口线,由于很多设备的多样性,所以串口线公-公、公母、母母的串口线都有,这里要注意,串口的2,3脚的连接,拿计算机与单片机通 信作为例子,RS232要同通信的话,PC_RXD连接MCU_TXD,PC_TXD连接MCU_RXD。直连和交叉的串口线都有,但要对应上面这个连接 关系。
串口线上基本都没有标注2脚和3脚两头是直连还是交叉,所以一个比较好的做法就是以后用过的串口线上都挂一个写明直连还是交叉的标牌,这样就避免每次用串口线都抓瞎,最后导致串口连不上。
本DB9 串口母头的尺寸图:

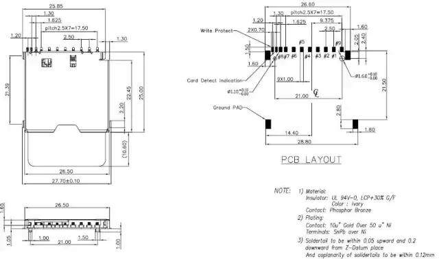
SD卡插座尺寸图

上图是我们一般在电子市场上买到的SD卡座。其外观尺寸图如下:

PCB尺寸图如下:

8脚旁边的两个脚是没用的,而G1,G2,G3,G4是固定脚,这四个脚也是与SD卡座的金属外壳是连在一起的,最好是接地,因为SD卡要用手来插拔,难免会把静电带到卡座上,如果这几个固定管脚连上地的话,静电就会通过这几个脚留回地,而不会对其他功能管脚有损害。
SD卡座的尺寸图:


SD卡的接线图(G5为8脚旁边的那两个没用管脚)
本文详细介绍了PCB设计中常见连接器件的尺寸和接线规范,包括耳机插座、DC电源输入插座、USB接口、DB9串口母口插座和SD卡插座。对于每个器件,不仅提供了机械尺寸,还明确了接线方式,强调了正确连接以避免潜在风险的重要性。
7897

被折叠的 条评论
为什么被折叠?



