存储器概述
基本概念
- 存储元: 即存储二进制的电子元件,每个存储元可存1bit
- 存储单元: 每个存储单元存放一串二进制代码
- 存储字: 存储单元中二进制代码的组合
- 存储字长: 存储单元中二进制代码的位数
- 机器字长: 计算机能一次处理的二进制代码长度
- 指令字长: 指令的二进制长度

MAR位数对应着存储单元的个数
MDR位数和存储字长相等
2
10
=
1024
=
1
K
2^{10}=1024=1K
210=1024=1KMAR位数=PC位数
存储器层次结构
现代计算机要求存储系统满足大容量、高速度和低成本三项基本要求
由干制造工艺限制,很难在同一种存储器中都达到这些要求,三者不可兼得,为此采用分层(级)存储体系
并通过管理软件和辅助硬件将不同性能的存储器组合成有机的整体,称为计算机的存储层次或存储体系

[概念] 高速缓存 (Cache)
又称快存,用速度较快的存储器构成,可在2ns内可完成一次数据存取,目前容量一般为几MB左右,用来临时存放指令和数据。
[概念] 主存
用来存放运行期间的大量程序和数据,目前容量在几GB左右,速度稍慢,可在10ns内完成一次存取
[概念] 辅存 (即辅助存储器,又称外存储器,简称外存)
一般由磁表面存储器、光存储器构成,用来存放系统程序、大型文件、数据库等,目前容量在数百GB左右
速度为ms级。
[概念] 虚拟存储器
现代计算机通常采用cache一主存一辅存层次结构。
在CPU和主存之间增加一个高速缓冲存储器,由纯硬件实现,提高CPU访问程序和数据的速度
主存一辅存采用虚拟存储器技术,由软件和硬件实现,扩充主存的容量。
[补充] 三种存储器构成三级存储器管理,各级职能和要求不同
Cache追求速度,以和CPU速度匹配
辅存追求容量大,
主存介于两者之间,对容量,速度都有一定要求

存储器分类
[概念] 按构成存储器的器件和存储介质分类
可分为磁介质存储器、电子介质存储器、纸介质存储器、光介质存储器等

[概念] 按存取方式分类
可分为随机存储器
(Random Access Memory, RAM)
只读存储器 (Read Only Memory, ROM)
串行访问存储器 (Sequential Access Memory,SAM)

[概念] 按在计算机中的作用分类
可分为主存储器 (简称主存,又称内存)
辅助存储器(简称外存或辅存)
缓冲存储器(简称缓存) 等。
[概念] 按信息的可保护性分类
可分为易失性存储器和非易失性存储器
RAM都是易失性存储器
ROM都是非易失性存储器
性能指标
[概念] 存储器存取时间
从存储器读出/写入一个存储单元信息,或从存储器读出/写入一次信息
(信息可能是一个字节或一个字) 所需要的平均时间,称为存储器的取数时间/存数时间
[概念] 存储器存取周期
存储器进行一次完整的读写操作所需要的全部时间,称为存取周期。具体地说,存取周期是连续启
动两个独立的存储器操作(如两个连续的读操作)之间所需要的最小时间间隔。一般大于存取时间
[概念]存储器存取带宽
单位时间可写入存储器或从存储器取出的信息的最大数量,称为数据传输率或称为存储器传输带宽
单位为字节/秒 (B/s,Bps) 或位/秒 (b/s,bps).

主存系统模型和结构
存储元结构
| 操作/状态 | 写1 | 读1 | 写0 | 读0 |
|---|---|---|---|---|
| 地址线和MOS管 | 高电压接通MOS管 | 高电压接通MOS管 | 高电压接通MOS管 | 高电压接通MOS管 |
| 数据线 | 高电压(主动) | 高电压(被动) | 低电压(主动) | 低电压(被动) |
| 电容 | 充电 | 放电 | 稳态 | 稳态 |

利用存储元构成存储体

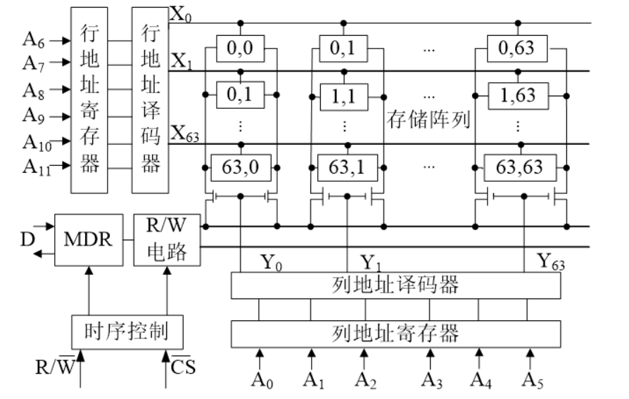
主存结构: 包括存储体,MAR,MDR,时序控制逻辑



主存寻址
[概念] 寻址方式/编址方式: 前提每个存储单元有一个地址
- 按字节寻址: 每个存储单元里面有一个字节,相当于为每个字节分配一个地址
- 按字寻址: 一个字包含多个存储单元,为每个字分配一个地址
- 按半字寻址: 一个字包含多个存储单元,为半个字分配一个地址
- 按双字寻址: 一个字包含多个存储单元,为两个字分配一个地址
[概念] 数据存储方式
- 大端方式: 高位数据存放在低位地址上
- 小端方式: 低位数据存放在低位地址上
例子


总容量为1KB
- 按字节寻址: 1K个单元,每个单元1B
- 按字寻址: 256个单元,每个单元4B
- 按半字寻址: 512个单元,每个单元2B
- 按双字寻址: 128个单元,每个单元8B
数据存储方式
01234567H
RAM和ROM
RAM概念
RAM (Random Access Memory)
被称为随机存取存储器。可以向 RAM 写入数据,也可以从 RAM 读出数据
RAM 的一个明显的特点是: 它是易失性存储器
一般来说RAM有两种: SRAM、DRAM
SRAM
SRAM 存储1个位,需要 6 个晶体管,因此 SRAM 存储器的集成度低,但读写的速度快,所以价格贵。因为速度快SRAM 经常用作 Cache
DRAM
DRAM单个位的构成简单,集成度高,容量大,但需要刷新电路,读写速度比静态存储器慢,价格低廉。特别是价格低廉,使动态存储器成为计算机中使用最多的存储器
RAM对比
Dynamid Random Access Memory

MOS管接通
- 写入1: 数据线高压,电容存储电荷
- 写入0:数据线OV,电容不会存储电荷
- 读出1:电容放电,数据线上有电
- 读出0: 电容不放电,所以数据线上没有电
Static Random Access Memory

- 读/写1: 左高右低
- 读/写0: 左低右高
SRAM和DRAM的对比
| 类型 | SRAM | DRAM |
|---|---|---|
| 用途 | Cache | 内存 |
| 破坏性读出 | 否 | 是 |
| 数据是否再生 | 否 | 是 |
| 运行速度 | 快 | 慢 |
| 集成度 | 低 | 高 |
| 发热量 | 大 | 小 |
| 存储成本 | 高 | 低 |
| 是否易失 | 断电易失 | 断电易失 |
| 是否需要刷新送行列地址 | 不需要同时 | 需要异步 |
DRAM刷新
DRAM的地址复用技术

对n位行地址、m位列地址,仅需要2+2m根选择线,适合容量大的存储芯片
引入位片式结构之后如何刷新? 在什么时候刷新?
刷新方式
利用硬件重新写入电容,占用1个存取周期
刷新周期: 2ms(每2ms之内重新写入)
刷新方式: 按行刷新! 每次刷新一行存储单元
集中刷新
假设DRAM内部结构排列成128x128的形式,存取周期0.5us,那么2ms内共 2ms/0.5us = 4000 个周期
是在信息保存允许的时间范围内,集中一段时间对所有基本存储单元一行一行地顺序进行刷新,这段时间称为刷新时间。刷新时间=存储矩阵行数x存取周期 (刷新一行所需要的时间)

分散刷新
假设DRAM内部结构排列成128x128的形式,存取周期0.5us,,那么2ms内共 2ms/0.5us = 4000 个周期
分散刷新是每隔一段时间刷新一次,把刷新操作分散到每个存取周期内进行,此时系统的存取周期
t
C
t_C
tC。被分为两段,前半段时间
t
A
t_A
tA,进行读写操作或保持,后半段时间
t
R
t_R
tR,进行刷新操作,即
t
C
=
t
A
+
t
R
t_C=t_A+t_R
tC=tA+tR,刷新操作与CPU操作无关。在一个系统存取周期内刷新存储矩阵中的一行。

异步刷新
假设DRAM内部结构排列成128x128的形式,存取周期0.5us,那么2ms内共 2ms/0.5us = 4000 个周期
异步刷新则是结合前两种刷新方式,在一个指令周期中,利用CPU不进行访问存储器操作时进行刷新。先根据
刷新的行数对刷新间隔(如2ms) 进行分割,分割后的每段时间中,再分成两部分,前一段时间用于读/写或保持,后一段时间用于刷新。

ROM
ROM (Read Olny Memory)
ROM 是非易失型存储器,工作时需要电源,当电源消失,存储的信息不会丢失,所以 ROM 可以保存需要长久保存的信息,如程序代码。
-
MROM
狭义的ROM单指**掩膜型只读存储器 (MROM,Mask ROM)**在制造ROM存储知阵时,如果生产量较大,一般要根据对存储内容的要求设计掩膜版,用这种工艺制作出来的ROM就叫作掩膜POM。这是中生产一家按一定的信息模式生产的存有固定信息的ROM,用户只能选用而无法修改原有的信息。 -
PROM
**可编程式只读存储器(PROM,Programmable ROM)**是一种每个比特都由熔丝或反熔丝的状态决定数据内容的ROM这种存储器用作永久存放程序之用。常用于电子游戏机、电子词典等预存固定数据或程序的各式电子产品之上。 -
EPROM
可擦除可编程式只读存储器(EPROM,Erasable Programmable ROM) 由以色列工程师多夫·弗罗曼发明,允许用户写入信息,之后用某种方法擦除数据,可进行多次重写
UVEPROM (ultraviolet rays)–用紫外线照射8~20分钟,擦除所有信息
EEPROM(也常记为E2PROM,第一个E是Electricaly,第二个E是Erasable) --可用"电擦除"的方式,擦除特定的字 -
FPROM
**闪速存储器(FPROM,Flash PROM)**是冈富士雄在东艺公司工作时发明的,也称快闪存储器或闪存,是一种电可擦除的非易失性只读存储器,允许在操作中被多次擦或写。这种技术主要用于一般性数据存储,以及在电脑与其他数字产品间交换传输数据,如储存卡与闪存盘闪存是一种特殊的、以宏模块擦写的EPROM。比较起来,EPROM价格便宜、集成度高,E2PROM电可擦洗重写,FPROM较E2PROM快,且具备RAM的功能。 -
SSD
固态硬盘 (Solid State Drives)
由控制单元+存储单元(Flash芯片)构成,与闪速存储器的核心区别在于控制单元不一样,但存储介质都类似,可进行多次快速擦除重写。SSD速度快、功耗低、价格高。目前个人电脑上常用SSD取代传统的机械硬盘
本文围绕存储器展开,介绍了其基本概念、层次结构、分类和性能指标。阐述主存系统模型和结构,包括存储元结构与寻址方式。详细对比了RAM和ROM,如SRAM与DRAM特点,DRAM的刷新方式,还介绍了多种ROM类型,如MROM、PROM等及固态硬盘。
2298

被折叠的 条评论
为什么被折叠?



