目录
2.AR光学透视与VR visual see through对比
一、背景介绍
1.多摄像头场景
1.目前主流VR眼镜已搭载4-6颗摄像头,未来苹果MR预计搭载12-15颗摄像头。参考典型需要多颗摄像头配合工作的场景,车载的环视全视、安防监控多路摄像头,设计基于消费电子平台的多路摄像头硬件方案,满足带宽、时间同步、tuning效果等方面的需求。
2.考虑眼镜形态的续航与体验,高通规划未来MR为分体形态,SOC分布式计算设计,通过无线由手机提供算力。


2.AR光学透视与VR visual see through对比


1.肉眼视觉效果,OST有透过率损失,而且外加遮光罩会进一步降低透过率,降低色彩对比等等视觉效果。
2.虚实融合算法处理,VST可由算法二次处理,通过OST标定实现虚拟画面与现实画面的融合
3.延迟,VST需ISP处理、反畸变、OST标定矫正、显示等几个步骤,存在画面延迟
如果未来可以量产MR产品,VST在效果上有明显取代OST的优势
二、VR眼镜参考设计
1.易瞳科技2016年VMG-PROV
FPGA承担ISP功能,处理摄像头画面,包含AE、AWB、CCM、HDR等核心功能。
FPGA输出的视频流和IMU输出的数据流,通过USB传送PC端,完成6DOF和虚实融合计算后 ,通过HDMI将显示画面推至display模块。
典型分体式VR/AR架构,显示部分和主机采用USB/DP/HDMI实现数据传输。
三、安卓camera调试
1.dmesg
1.adb shell dmesg --help 查看输出模式。常用adb shell dmesg -c,打印安卓内核调试信息

2.查看摄像头状态,图中两颗摄像头分别挂在5口和8口I2C,sensor地址0X1A
![]()
2.dev
adb shell ls dev,此处枚举I2C、media、video等节点

四、多路摄像头硬件架构
1.RK3588介绍
1.RK3588最多支持6路mipi camera,其中4路D-PHY,2路D/C混合PHY
| D-PHY 4组 | 2lane 2.5Gbps/s | 可将2组2lane合成1组4lane D-PHY |
| D/C PHY D-PHY模式 2组 | 4lane 2.5Gbps/s | D/C混合PHY,D和C模式二选一,实际D-PHY只能用2lane,C-PHY未使用过未知 |
| D/C PHY C-PHY模式 2组 | 3lane 2.5Gbps/s |
2.提供最多9组I2C
3.提供2组USB OTG 3.0,USB OTG表示可以做host也可以做device;提供2组USB HOST
4.提供1组HDMI IN

4.RK3588具有两颗ISP,最大支持分辨率如下

2.硬件架构方案框图
1.框图:我还没画详细原理图,所以未标注reset等I/O口和power口,仅标注最核心的MIPI、I2C、和实现功能的GPIO。
图中勘误:LED driver I2C地址0X63,I2C未标注

2.“XXXX”芯片具有ISP和图像merge处理能力,支持3组D-PHY RX、1组D-PHY TX,1组D-PHY RX/TX混合二选一。最多4组RX1组TX,将4路mipi合成1路输出。
XXXX具有DSP,可独立运行并输出mipi数据,常见使用方式,camera连在XXXX上,XXXX输出部分加UVC桥接IC,作为安检闸机、人脸支付的模块。

此方案借用原厂RK3588+XXXX的demo,demo方案中camera5-camera8的I2C挂在RK3588上,XXXX本身并未和RK3588有I2C连接,这种设计导致XXXX和RK3588的平台捆绑性非常强,其他平台没有可复制的意义,换用其他平台将放弃此方案。
XXXX支持2组I2C master,和1组I2C master/slave混合二选一。

常规接法是camera I2C挂在XXXX,XXXX I2C挂在RK3588,RK3588将整颗XXXX部分枚举成1颗camera media设备。
3.FPGA部分承担ISP和图像merger,此方案借用原厂demo,原厂demo分为3部分组成,简述分别是(1)camera数据输入和处理,(2)中控IC,(3)HDMI输出。行业产品和车载、无人机等多摄像头领域均有此产品的应用。
此方案将FPGA部分封装为UVC模块,适合后续在不同应用上移植。
4路camera的I2C和mipi挂在第(1)部分上,实现mipi数据接收,mipi数据解析,debayer转换为RGB888格式,图像merger。

第(2)部分接收已经转为RGB888的数据,通过frame buffer,转换为36bit RGB,并将数据发送至第(3)部分HDMI
个人理解frame buffer的意义,是为了将数据格式转为适合显示模块使用的格式。

第(3)部分HDMI输出,已经过验证可以通过HDMI将画面传输至RK3588并显示
本框图计划使用UVC协议,因此本模块后续可变更为UVC协议桥接IC,如cypress USB、realtek USB。

4.接入RK3588的camera涉及I2C复用,下图sensor规格书表示2种I2C地址设置0X34、0X20。数据读写位不能当作新地址使用,实际也从来没见过修改读写位地址,默认都是“0”可写
图删了,注意到有水印
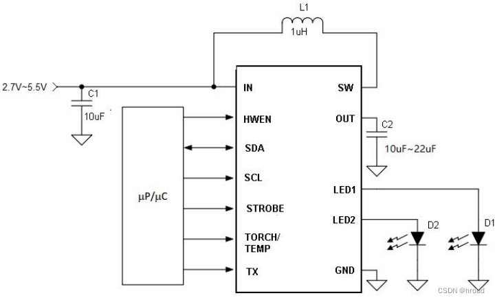
5.camera3-4,camera9-11涉及LED灯配合工作。进一步拓展可能有dot projector/speckle projector配合工作,driver原理相同。
LED driver支持3种模式:flash mode、torch mode(火炬,常亮?)、IR mode(暂称为闪烁模式,由strobe驱动)
μp、μc指MPU、MCU平台等。LED driver通过I2C与平台连接

LED driver strobe介绍:通过strobe发出脉冲信号,触发LED driver点亮LED灯
![]()

strobe接入电压要求。
![]()
LED灯的亮度工作电流由寄存器调控

6.摄像头硬同步 FSIN:frame sync input
以1颗sensor或平台作为master,trigger其他slave sensor同步曝光

这张图表示每次执行FSIN时,接收信号的slave sensor都会同步执行曝光操作或数据读出readout操作,integration包含exposure和前后数据清空数据读取时间。

7.总结:目前外挂多摄像头场景,核心解决方案为FPGA,将4路sensor画面融合,然后接入HDMI/UVC等模块,将数据流传输给平台。
基于上述FPGA+中控+HDMI/UVC方案,如果选用兼具ISP和UVC功能的IC,可将sensor I2C全部接到后面ISP UVC上,借用成熟的ISP实现更佳的图像效果。同时ISP UVC IC的固件也更适合做图像二次开发。

目前调研方案ISP+UVC这颗IC仅有1路I2C,但了解到sensor是可以通过OTP修改成原厂2种地址以外的地址,上述demo中实际已有1个I2C挂3个不同地址的同颗sensor。
文章探讨了多摄像头在VR眼镜中的应用,比较了AR光学透视与VR视觉透视的优缺点。介绍了易瞳科技的VR参考设计,其中FPGA承担ISP功能。此外,文章详细阐述了安卓相机调试方法和RK3588芯片在多路摄像头硬件架构中的角色,强调了FPGA在处理多传感器数据和图像融合中的重要性。


4663

被折叠的 条评论
为什么被折叠?



