最近在做一个多租户的云SAAS软件自助服务平台,途中遇到很多问题,我会将一些心得、体会逐渐分享出来,和大家一起探讨。这是本系列的第一篇文章。
大家知道,要做一个全自助服务的SAAS云平台是比较复杂的,稍微有些漏洞,就会被不法分子钻漏洞,牵涉到一些金钱上的纠纷。因此,一开始的设计就比较重要了。说到云自助服务平台,可能和网上购物、在线商城有些类似,但里面提供的是相关服务,还是有些区别的,我在这里先讲几个概念:
- 产品:产品即服务,即是提供给用户的服务。产品有单价,有些产品是基础产品,用户购买正式产品必须免费提供的,产品可以提供给用户进行试用。
- 模块:产品包括很多模块,有些模块是必然会提供给用户的,比如 操作人员管理、操作日志 等,还有些模块是可选的,用户针对自己的情况进行购买,类似增值服务,比如移动端、企业主页等。另外还有些一次性的服务,比如系统数据对接,硬件设备购买等;
- 服务:用户所能享受到的服务,有一定的使用期限;
- 订单:用户根据所拥有的 服务 所下的订单(而不是产品哦,为什么?);
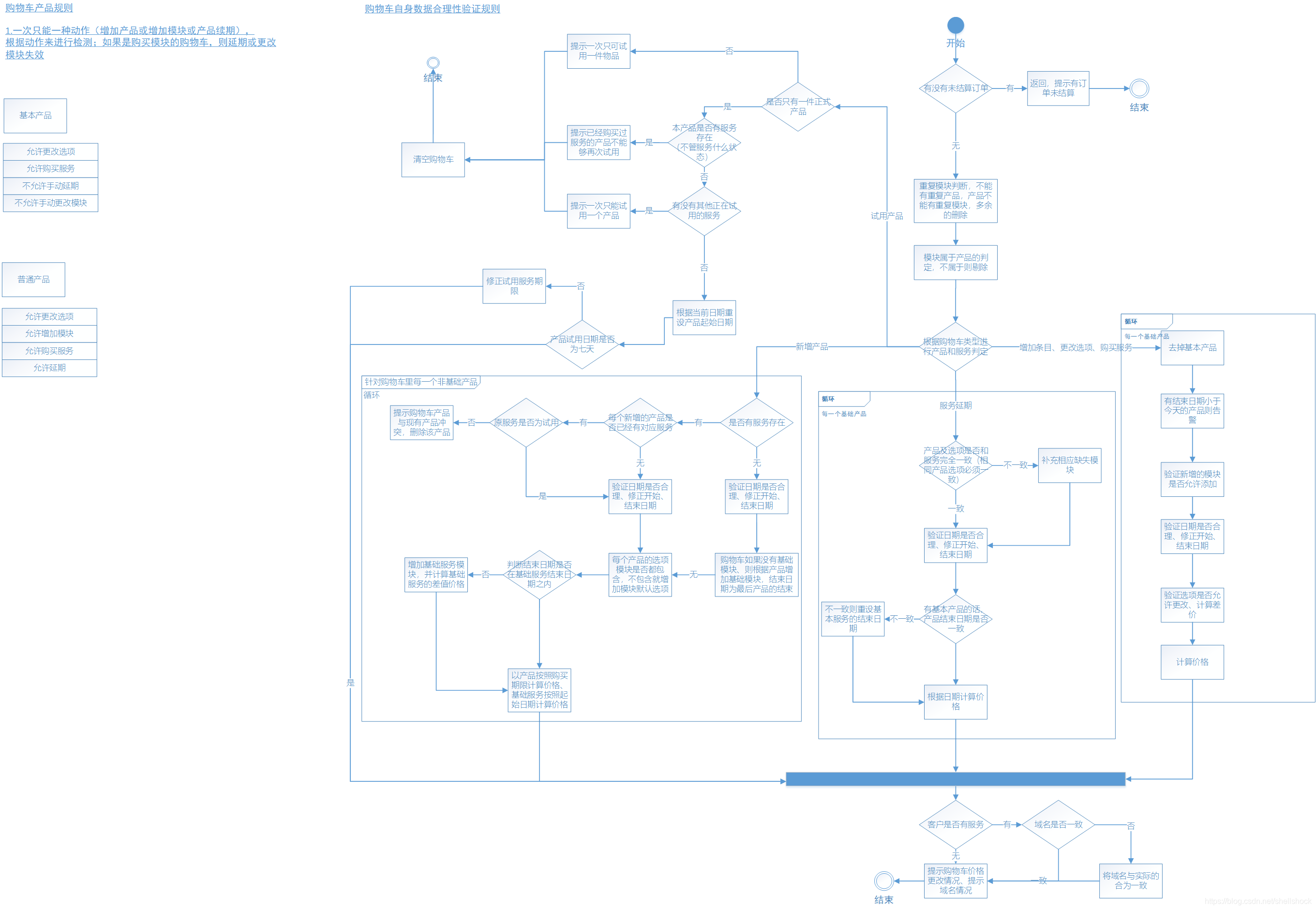
- 购物车:在用户订单生成前先把产品放在购物车里,购物车有很多类别,有的购物车是对目前服务进行的延期,有些是把试用的产品转为正式,有些是对现有服务模块的增删,牵涉到追加购买等。购物车操作频繁、需要做非常多的校验,要和已经购买的服务做无缝的对接,这也是云SAAS产品和普通电商很大不同的地方。到了订单阶段,就相对比较简单了,生成订单后将购物车清空、可以生成多张订单,支付的时候再做一遍校验。
总体的概念流程是 服务->产品->购物车->订单->服务
上一张购物车验证规则的流程图

一些类(还没有全部完成):

对实体类的操作大都采用工厂方式:

购物车类代码:
public class UserCart
{
public string UserId { get; set; }
/// <summary>
/// 设置域名
/// </summary>
public string ServiceIndentify { get; set; }
public OrderType OrderType { get; set; }
public IList<UserCartProduct> UserCartProducts { get; set; }
public float TotalPrice
{
get
{
if (OrderType == OrderType.Experience)
{
return 0;
}
else
{
return UserCartProducts.Sum(p => p.Price);
}
}
}
public virtual IList<UserCartProduct> UserCartProduct { get; set; }
}
public class UserCartProduct
{
public string ProductId { get; set; }
public int ProductBasePrice { get; set; }
public Period Period { get; set; }
public DateTime StartDate { get; set; }
public DateTime EndDate { get; set; }
public IList<string> UserCartProductBasicModules { get; set; }
public IList<UserCartAddtionalModule> UserCartProductAddtionalModules { get; set; }
public IList<UserCartAddtionalService> UserCartAddtionalServices { get; set; }
public IList<UserCartOption> UserCartOptions { get; set; }
public float Price
{
get
{
return ProductBasePrice
+ UserCartProductAddtionalModules.Sum(m => m.UintPrice.GetPriceByPeriod(Period))
+ UserCartAddtionalServices.Sum(m => m.UintPrice.GetPriceByPeriod(new Period(PeriodType.Times, m.Quantity)))
+ UserCartOptions.Sum(m => m.UintPrice.GetPriceByPeriod(Period));
}
}
public virtual UserCart UserCart { get; set; }
}
public class ModuleBase
{
public string ModuleId { get; set; }
public PeriodPrice UintPrice { get; set; }
}
public class UserCartAddtionalModule: ModuleBase
{
}
public class UserCartAddtionalService : ModuleBase
{
public int Quantity { get; set; }
}
public class UserCartOption: ModuleBase
{
public string CheckId { get; set; }
public string OriginCheckedId { get; set; }
public PeriodPrice OriginPeriodPrice { get; set; }
}
其他类类似。
大家对这块有什么好的意见和建议,希望能够提出来。
SAAS云平台搭建札记系列文章:
SAAS云平台搭建札记: (一)浅论SAAS多租户自助云服务平台的产品、服务和订单
本文介绍了一个多租户的云SAAS软件自助服务平台的设计思路,包括产品、服务、订单等核心概念及其相互关系,并通过代码示例展示了购物车类的设计。
1829

被折叠的 条评论
为什么被折叠?



