SDH信号的帧结构和复用步骤
2. SDH信号的帧结构和复用步骤
目标:
- 掌握STM-N信号的帧结构(以STM-1信号的帧结构为例)。
- 掌握STM-N信号帧中各部分结构所起的大致作用。
- 掌握2Mbit/s、34Mbit/s、140Mbit/s复用进STM-N信号的全过程。
- 掌握复用和映射的概念。
1.1 SDH信号——STM-N的帧结构
SDH信号需要什么样的帧结构呢?
STM-N信号帧结构的安排应尽可能使支路低速信号在一帧内均匀地、有规律的排列。为什么呢?因为这样便于实现支路低速信号的分/插、复用和交换,说到底就为了方便的从高速SDH信号中直接上/下低速支路信号。鉴于此,ITU-T规定了STM-N的帧是以字节(8bit)为单位的矩形块状帧结构,如图1-1所示。

图1-1所 STM-N 帧结构图
诀窍:
块状帧是什么呢?
为了便于对信号进行分析,往往将信号的帧结构等效为块状帧结构,这不是SDH信号所特有的,PDH信号、ATM信号,分组交换的数据包,它们的帧结构都算是块状帧。例如,E1信号的帧是32个字节组成的1行×32列的块状帧,ATM信号是53个字节构成的块状帧。将信号的帧结构等效为块状,仅仅是为了分析的方便。
从上图看出STM-N的信号是9行×270×N列的帧结构。此处的N与STM-N的N相一致,取值范围:1,4,16,64……,表示此信号由N个STM-1信号通过字节间插复用而成。由此可知,STM-1信号的帧结构是9行×270列的块状帧,由上图看出,当N个STM-1信号通过字节间插复用成STM-N信号时,仅仅是将STM-1信号的列按字节间插复用,行数恒定为9行。
我们知道,信号在线路上传输时是一个bit一个bit地进行传输的,那么这个块状帧是怎样在线路上进行传输的呢?难道是将整个块都送上线路同时传输吗?当然不是这样传输,STM-N信号的传输也遵循按比特的传输方式。那么先传哪些比特后传哪些比特呢?SDH信号帧传输的原则是:帧结构中的字节(8bit)从左到右,从上到下一个字节一个字节(一个比特一个比特)的传输,传完一行再传下一行,传完一帧再传下一帧。
STM-N信号的帧频(也就是每秒传送的帧数)是多少呢?ITU-T规定对于任何级别的STM-N帧,帧频是8000帧/秒,也就是帧长或帧周期为恒定的125μs。8000帧/秒听起来很耳熟,对了,PDH的E1信号也是8000帧/秒。
这里需要注意到的是:帧周期的恒定是SDH信号的一大特点,任何级别的STM-N帧它的帧频都是8000帧/秒。想想看PDH不同等级信号的帧周期是否恒定?由于帧周期的恒定使STM-N信号的速率有其规律性。例如STM-4的传输数速恒定的等于STM-1信号传输数速的4倍,STM-16恒定等于STM-4的4倍,等于STM-1的16倍。而PDH中的E2信号速率≠E1信号速率的4倍。SDH信号的这种规律性使高速SDH信号直接分/插出低速SDH信号成为可能,特别适用于大容量的传输情况。
想一想:
- STM-N帧中单独一个字节的比特传输速率是多少?
- STM-N的帧频为8000帧/秒,这就是说信号帧中某一特定字节每秒被传送8000次,那么该字节的比特速率是8000×8bit=64kbit/s。这个数字是不是也很眼熟,64kbit/s是一路数字电话的传输速率。
从图2-1中看出,STM-N的帧结构由3部分组成:段开销,包括再生段开销(RSOH)和复用段开销(MSOH);管理单元指针(AU-PTR);信息净负荷(payload)。下面我们讲述这三大部分的功能。
(1)信息净负荷(payload)
是在STM-N帧结构中存放将由STM-N传送的各种信息码块的地方。信息净负荷区相当于STM-N这辆运货车的车箱,车箱内装载的货物就是经过打包的低速信号——待运输的货物。为了实时监测货物(打包的低速信号)在传输过程中是否有损坏,在将低速信号打包的过程中加入了监控开销字节——通道开销(POH)字节。POH作为净负荷的一部分与信息码块一起装载在STM-N这辆货车上在SDH网中传送,它负责对打包的货物(低速信号)进行通道性能监视、管理和控制(有点儿类似于传感器)。
技术细节:
何谓通道?
举例说明,STM-1信号可复用进63×2Mbit/s的信号,那么换一种说法可将STM-1信号看成一条传输大道,那么在这条大路上又分成了63条小路,每条小路通过相应速率的低速信号,那么每一条小路就相当于一个低速信号通道,通道开销的作用就可以看成监控这些小路的传送状况了。这63个2M通道复合成了STM-1信号这条大路——此处可称为“段”了。现在你明白了吧,所谓通道指相应的低速支路信号,POH的功能就是监测这些低速支路信号在由STM-N这辆货车承载,在SDH网上运输时的性能。
信息净负荷并不等于有效负荷,因为信息净负荷中存放的是经过打包的低速信号,即将低速信号加上了相应的POH。
(2)段开销(SOH)
是为了保证信息净负荷正常、灵活传送所必须附加的供网络运行、管理和维护(OAM)使用的字节。例如段开销可进行对STM-N这辆运货车中的所有货物在运输中是否有损坏进行监控,而POH的作用是当车上有货物损坏时,通过它来判定具体是哪一件货物出现损坏。也就是说SOH完成对货物整体的监控,POH是完成对某一件特定的货物进行监控。当然,SOH和POH还有一些管理功能。
段开销又分为再生段开销(RSOH)和复用段开销(MSOH),分别对相应的段层进行监控。我们讲过段其实也相当于一条大的传输通道,RSOH和MSOH的作用也就是对这一条大的传输通道进行监控。
那么,RSOH和MSOH的区别是什么呢?简单的讲二者的区别在于监管的范围不同。举个简单的例子,若光纤上传输的是2.5G信号,那么,RSOH监控的是STM-16整体的传输性能,而MSOH则是监控STM-16信号中每一个STM-1的性能情况。
技术细节:
RSOH、MSOH、POH提供了对SDH信号的层层细化的监控功能。例如2.5G系统,RSOH监控的是整个STM-16的信号传输状态;MSOH监控的是STM-16中每一个STM-1信号的传输状态;POH则是监控每一个STM-1中每一个打包了的低速支路信号(例如2Mbit/s)的传输状态。这样通过开销的层层监管功能,使你可以方便地从宏观(整体)和微观(个体)的角度来监控信号的传输状态,便于分析、定位。
再生段开销在STM-N帧中的位置是第一到第三行的第一到第9×N列,共3×9×N个字节;复用段开销在STM-N帧中的位置是第5到第9行的第一到第9×N列,共5×9×N个字节。与PDH信号的帧结构相比较,段开销丰富是SDH信号帧结构的一个重要的特点。
(3)管理单元指针(AU-PTR)
管理单元指针位于STM-N帧中第4行的9×N列,共9×N个字节,AU-PTR起什么作用呢?我们讲过SDH能够从高速信号中直接分/插出低速支路信号(例如2Mbit/s),为什么会这样呢?这是因为低速支路信号在高速SDH信号帧中的位置有预见性,也就是有规律性。预见性的实现就在于SDH帧结构中指针开销字节功能。AU-PTR是用来指示信息净负荷的第一个字节在STM-N帧内的准确位置的指示符,以便收端能根据这个位置指示符的值(指针值)正确分离信息净负荷。这句话怎样理解呢?若仓库中以堆为单位存放了很多货物,每堆货物中的各件货物(低速支路信号)的摆放是有规律性的(字节间插复用),那么若要定位仓库中某件货物的位置就只要知道这堆货物的具体位置就可以了,也就是说只要知道这堆货物的第一件货物放在哪儿,然后通过本堆货物摆放位置的规律性,就可以直接定位出本堆货物中任一件货物的准确位置,这样就可以直接从仓库中搬运(直接分/插)某一件特定货物(低速支路信号)。AU-PTR的作用就是指示这堆货物中第一件货物的位置。
其实指针有高、低阶之分,高阶指针是AU-PTR,低阶指针是TU-PTR(支路单元指针),TU-PTR的作用类似于AU-PTR,只不过所指示的货物堆更小一些而已。
1.2 SDH的复用结构和步骤
SDH的复用包括两种情况:一种是低阶的SDH信号复用成高阶SDH信号;另一种是低速支路信号(例如2Mbit/s、34Mbit/s、140Mbit/s)复用成SDH信号STM-N。
第一种情况在前面已有所提及,复用主要通过字节间插复用方式来完成的,复用的个数是4合一,即4×STM-1→STM-4,4×STM-4→STM-16。在复用过程中保持帧频不变(8000帧/秒),这就意味着高一级的STM-N信号速率是低一级的STM-N信号速率的4倍。在进行字节间插复用过程中,各帧的信息净负荷和指针字节按原值进行间插复用,而段开销则会有些取舍。在复用成的STM-N帧中,SOH并不是所有低阶SDH帧中的段开销间插复用而成,而是舍弃了一些低阶帧中的段开销,其具体的复用方法在下一节中讲述。
第二种情况用得最多的就是将PDH信号复用进STM-N信号中去。
传统的将低速信号复用成高速信号的方法有两种:
(1)比特塞入法(又叫做码速调整法)
这种方法利用固定位置的比特塞入指示来显示塞入的比特是否载有信号数据,允许被复用的净负荷有较大的频率差异(异步复用)。它的缺点是因为存在一个比特塞入和去塞入的过程(码速调整),而不能将支路信号直接接入高速复用信号或从高速信号中分出低速支路信号,也就是说不能直接从高速信号中上/下低速支路信号,要一级一级的进行。这种比特塞入法就是PDH的复用方式。
(2)固定位置映射法
这种方法利用低速信号在高速信号中的相对固定的位置来携带低速同步信号,要求低速信号与高速信号同步,也就是说帧频相一致。它的特点在于可方便的从高速信号中直接上/下低速支路信号,但当高速信号和低速信号间出现频差和相差(不同步)时,要用125μs(8000帧/秒)缓存器来进行频率校正和相位对准,导致信号较大延时和滑动损伤。
从上面看出这两种复用方式都有一些缺陷,比特塞入法无法直接从高速信号中上/下低速支路信号;固定位置映射法引入的信号时延过大。
SDH网的兼容性要求SDH的复用方式既能满足异步复用(例如:将PDH信号复用进STM-N),又能满足同步复用(例如STM-1→STM-4),而且能方便地由高速STM-N信号分/插出低速信号,同时不造成较大的信号时延和滑动损伤,这就要求SDH需采用自己独特的一套复用步骤和复用结构。在这种复用结构中,通过指针调整定位技术来取代125μs缓存器用以校正支路信号频差和实现相位对准,各种业务信号复用进STM-N帧的过程都要经历映射(相当于信号打包)、定位(相当于指针调整)、复用(相当于字节间插复用)三个步骤。
ITU-T规定了一整套完整的复用结构(也就是复用路线),通过这些路线可将PDH的3个系列的数字信号以多种方法复用成STM-N信号。ITU-T规定的复用路线如图1-2。

图1-2 G.709复用映射结构
从图1-2中可以看到此复用结构包括了一些基本的复用单元:C-容器、VC-虚容器、TU-支路单元、TUG-支路单元组、AU-管理单元、AUG-管理单元组,这些复用单元的下标表示与此复用单元相应的信号级别。在图中从一个有效负荷到STM-N的复用路线不是唯一的,有多条路线(也就是说有多种复用方法)。例如:2Mbit/s的信号有两条复用路线,也就是说可用两种方法复用成STM-N信号。不知你注意到没有,8Mbit/s的PDH信号是无法复用成STM-N信号的。
尽管一种信号复用成SDH的STM-N信号的路线有多种,但是对于一个国家或地区则必须使复用路线唯一化。我国的光同步传输网技术体制规定了以2Mbit/s信号为基础的PDH系列作为SDH的有效负荷,并选用AU-4的复用路线,其结构见图1-3所示。

图1-3 我国的SDH基本复用映射结构
下面我们分别讲述2Mbit/s、34Mbit/s、140Mbit/s的PDH信号是如何复用进STM-N信号中的。
1.2.1 140Mbit/s复用进STM-N信号
(1)首先将140Mbit/s的PDH信号经过码速调整(比特塞入法)适配进C4,C4是用来装载140Mbit/s的PDH信号的标准信息结构。参与SDH复用的各种速率的业务信号都应首先通过码速调整适配技术装进一个与信号速率级别相对应的标准容器:2Mbit/s——C12、34Mbit/s——C3、140Mbit/s——C4。容器的主要作用就是进行速率调整。140Mbit/s的信号装入C4也就相当于将其打了个包封,使140Mbit/s信号的速率调整为标准的C4速率。C4的帧结构是以字节为单位的块状帧,帧频是8000帧/秒,也就是说经过速率适配,140Mbit/s的信号在适配成C4信号时已经与SDH传输网同步了。这个过程也就相当于C4装入异步140Mbit/s的信号。C4的帧结构如图1-4所示。

1-4 C4的帧结构图
C4信号的帧有260列×9行(PDH信号在复用进STM-N中时,其块状帧一直保持是9行),那么E4信号适配速率后的信号速率(也就是C4信号的速率)为:8000帧/秒×9行×260列×8bit=149.760Mbit/s。所谓对异步信号进行速率适配,其实际含义就是指当异步信号的速率在一定范围内变动时,通过码速调整可将其速率转换为标准速率。在这里,E4信号的速率范围是139.264Mbit/s±15ppm(G.703规范标准)=(139.261-139.266)Mbit/s,那么通过速率适配可将这个速率范围的E4信号,调整成标准的C4速率149.760Mbit/s,也就是说能够装入C4容器。
怎样进行E4信号的速率调整呢?
可将C4的基帧(9行×260列)划分为9个子帧,每个子帧占一行。每个子帧又可以13个字节为一个单位,分成20个单位(20个13字节块)。每个子帧的20个13字节块的第1个字节依次为:W、X、Y、Y、Y、X、Y、Y、Y、X、Y、Y、Y、X、Y、Y、Y、X、Y、Z,共20个字节,每个13字节块的第2到第13字节放的是140Mbit/s的信息比特。见图1-5:

图1-5 C-4的子帧结构
E4信号的速率适配就是通过9个子帧的共180个13字节块的首字节来实现。那么怎么实现的呢?一个子帧中每个13字节块的后12个字节均为W字节再加上第一个13字节的第一个字节也是W字节共241个W字节、5个X字节、13个Y字节、1个Z字节。各字节的比特内容见图2-5。那么一个子帧的组成是:
C4子帧=241W+13Y+5X+1Z=260个字节=(1934I+S)+5C+130R+10O=2080bit
一个C4子帧总计有8×260=2080bit,其分配是:
信息比特I:1934;固定塞入比特R:130;开销比特O:10;调整控制比特C:5;调整机会比特S:1。
C比特主要用来控制相应的调整机会比特S,当CCCCC=00000时,S=I;当CCCCC=11111时,S=R。分别令S为I或S为R,可算出C-4容器能容纳的信息速率的上限和下限。
当S=I时,C-4能容纳的信息速率最大,C-4max=(1934+1)×9×8000=139.320Mbit/s;当S=R时,C-4能容纳的信息速率最小,C-4min=(1934+0)×9×8000=139.248Mbit/s。也就是说C-4容器能容纳的E4信号的速率范围是139.248Mbit/s -139.32Mbit/s。而符合G.703规范的E4信号速率范围是139.261Mbit/s-139.266Mbit/s,这样,C4容器就可以装载速率在一定范围内的E4信号,也就是可以对符合G.703规范的E4信号进行速率适配,适配后为标准C4速率--149.760Mbit/s。
(2)为了能够对140Mbit/s的通道信号进行监控,在复用过程中要在C4的块状帧前加上一列通道开销字节(高阶通道开销VC4-POH),此时信号成为VC4信息结构,见图1-6所示。

图1-6 VC4结构图
VC4是与140Mbit/sPDH信号相对应的标准虚容器,此过程相当于对C4信号再打一个包封,将对通道进行监控管理的开销(POH)打入包封中去,以实现对通道信号的实时监控。
虚容器(VC)的包封速率也是与SDH网络同步的,不同的VC(例如与2Mbit/s相对应的VC12、与34Mbit/s相对应的VC3)是相互同步的,而虚容器内部却允许装载来自不同容器的异步净负荷。虚容器这种信息结构在SDH网络传输中保持其完整性不变,也就是可将其看成独立的单位(货包),十分灵活和方便地在通道中任一点插入或取出,进行同步复用和交叉连接处理。
其实,从高速信号中直接定位上/下的是相应信号的VC这个信号包,然后通过打包/拆包来上/下低速支路信号。
在将C4打包成VC4时,要加入9个开销字节,位于VC4帧的第一列,这时VC4的帧结构,就成了9行×261列。从中发现了什么没有?STM-N的帧结构中,信息净负荷为9行×261×N列,当为STM-1时,即为9行×261列,现在你明白了吧!VC4其实就是STM-1帧的信息净负荷。将PDH信号经打包成C,再加上相应的通道开销而成VC这种信息结构,这个过程就叫映射。
(3)货物都打成了标准的包封,现在就可以往STM-N这辆车上装载了。装载的位置是其信息净负荷区。在装载货物(VC)的时候会出现这样一个问题,当货物装载的速度和货车等待装载的时间(STM-N的帧周期125μs)不一致时,就会使货物在车箱内的位置“浮动”,那么在收端怎样才能正确分离货物包呢?SDH采用在VC4前附加一个管理单元指针(AU-PTR)来解决这个问题。此时信号由VC4变成了管理单元AU-4这种信息结构,见图1-7所示。

图1-7 AU-4结构图
AU-4这种信息结构已初具STM-1信号的雏形——9行×270列,只不过缺少SOH部分而已,这种信息结构其实也算是将VC4信息包再加了一个包封——AU-4。
管理单元为高阶通道层和复用段层提供适配功能,由高阶VC和AU指针组成。AU指针的作用是指明高阶VC在STM帧中的位置。通过指针的作用,允许高阶VC在STM帧内浮动,即允许VC4和AU-4有一定的频偏和相差;简单而言,容忍VC4的速率和AU-4包封速率(装载速率)有一定的差异。这个过程形象的看,就是允许货物的装载速度与车辆的等待时间有一定的时间差异。这种差异性不会影响收端正确的定位、分离VC4。尽管货物包可能在车箱内(信息净负荷区)“浮动”,但是AU-PTR本身在STM帧内的位置是固定的。(为什么?)AU-PTR不在净负荷区,而是和段开销在一起。这就保证了收端能正确的在相应位置找到AU-PTR,进而通过AU指针定位VC4的位置,进而从STM-N信号中分离出VC4。
一个或多个在STM帧中占用固定位置的AU组成AUG--管理单元组。
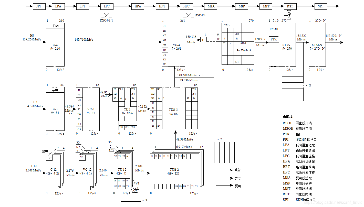
只剩下最后一步了,将AUG加上相应的SOH合成STM-1信号,N个STM-1信号通过字节间插复用成STM-N信号。140Mbit/s→STM-N的复用全过程见第二节后的附图。
1.2.2 34Mbit/s复用进STM-N信号
(1)同样34Mbit/s的信号先经过码速调整将其适配到相应的标准容器-C3中,然后加上相应的通道开销C3打包成VC3,此时的帧结构是9行×85列。为了便于收端定位VC3,以便能将它从高速信号中直接拆离出来,在VC3的帧上加了3个字节的指针--TU-PTR(支路单元指针),注意AU-PTR是9个字节。此时的信息结构是支路单元TU-3(与34Mbit/s的信号相应的信息结构),支路单元提供低阶通道层(低阶VC,例如VC3)和高阶通道层之间的桥梁,也就是高阶通道(高阶VC)拆分成低阶通道(低阶VC),或低阶通道复用成高阶通道的中间过渡信息结构。C3、VC3的帧结构见第二节后的附图。
那么支路单元指针起什么作用呢?TU-PTR用以指示低阶VC的起点在支路单元TU中的具体位置。与AU-PTR很类似,AU-PTR是指示VC4起点在STM帧中的具体位置,实际上二者的工作机理也很类似。我们可以将TU类比成一个小的AU-4,那么在装载低阶VC到TU中时也就要有一个定位的过程--加入TU-PTR的过程。
此时的帧结构TU3如图1-8所示。

图1-8 装入TU-PTR后的TU3 结构图
(2)TU3的帧结构有点残缺,先将其缺口部分补上,成图1-9所示的帧结构。

图1-9 填补缺口后的TU3 帧结构图
图中R为塞入的伪随机信息,这时的信息结构为TUG3——支路单元组。
(3)三个TUG3通过字节间插复用方式,复合成C4信号结构,复合过程见图1-10所示。

图1-10 C4帧结构图
因为TUG3是9行×86列的信息结构,所以3个TUG3通过字节间插复用方式复合后的信息结构是9行×258列的块状帧结构,而C4是9行×260列的块状帧结构。于是在3×TUG3的合成结构前面加两列塞入比特,使其成为C4的信息结构。
(4)这时剩下的工作就是将C4→STM-N中去了,过程同前面所讲的将140Mbit/s信号复用进STM-N信号的过程类似:C4→VC4→AU-4→AUG→STM-N。
想一想:
此处有两个指针AU-PTR和TU-PTR,为什么要两个?两个指针提供了两级定位功能,AU-PTR使收端正确定位、分离VC4;而VC4可装载3个VC3,TU-PTR则相应的定位每个VC3起点的具体位置。从而,在接收端通过AU-PTR定位到相应的VC4,又通过TU-PTR定位到相应的VC3。
1.2.3 2Mbit/s复用进STM-N信号
当前运用得最多的复用方式是将2Mbit/s信号复用进STM-N信号中,它也是PDH信号复用进SDH信号最复杂的一种复用方式。
(1)首先,将2Mbit/s的PDH信号经过速率适配装载到对应的标准容器C12中,为了便于速率的适配采用了复帧的概念,即将4个C12基帧组成一个复帧。C12的基帧帧频也是8000帧/秒,那么C12复帧的帧频就成了2000帧/秒。见第二节后的附图。
那么,为什么要使用复帧呢?采用复帧纯粹是为了码速适配的方便。例如若E1信号的速率是标准的2.048Mbit/s,那么装入C12时正好是每个基帧装入32个字节(256比特)有效信息,为什么?因为C12帧频8000帧/秒,PCM30/32[E1]信号也是8000帧/秒。但当E1信号的速率不是标准速率2.048Mbit/s时,那么装入每个C12的平均比特数就不是整数。例如:E1速率是2.046Mbit/s时,那么将此信号装入C12基帧时平均每帧装入的比特数是:(2.046×106bit/秒)/(8000帧/秒)=255.75bit有效信息,比特数不是整数,因此无法进行装入。若此时取4个基帧为一个复帧,那么正好一个复帧装入的比特数为:(2.046×106bit/秒)/(2000帧/秒)=1023bit,可在前三个基帧每帧装入256bit(32字节)有效信息,在第4帧装入255个bit的有效信息,这样就可将此速率的E1信号完整的适配进C12中去。那么是怎样对E1信号进行速率适配(也就是怎样将其装入C12)的呢?C12基帧结构是9×4-2个字节的带缺口的块状帧,4个基帧组成一个复帧,C12复帧结构和字节安排如图2-11所
|
| Y | W | W |
| G | W | W |
| G | W | W |
| M | N | W |
| W | W | W | W | W | W | W | W | W | W | W | W | W | W | W | W |
| W | 第一个C-12基帧结构 9×4-2=32W +2Y | W | W | 第二个C-12基帧结构 9×4-2=32W +1Y +1G | W | W | 第三个C-12基帧结构 9×4-2= 32W +1Y+1G | W | W | 第四个C-12基帧结构 9×4-2 =31W+1Y+ 1M+1N | W | ||||
| W |
|
| W | W |
|
| W | W |
|
| W | W |
|
| W |
| W |
|
| W | W |
|
| W | W |
|
| W | W |
|
| W |
| W |
|
| W | W |
|
| W | W |
|
| W | W |
|
| W |
| W |
|
| W | W |
|
| W | W |
|
| W | W |
|
| W |
| W |
|
| W | W |
|
| W | W |
|
| W | W |
|
| W |
| W | W | Y |
| W | W | Y |
| W | W | Y |
| W | W | Y |
|
每格为一个字节(8bit),各字节的比特类别:
W=I I I I I I I I Y=RRRRRRRR G=C1C2OOOORR
M=C1C2RRRRRS1 N=S2 I I I I I I I
I :信息比特 R:塞入比特: O:开销比特
C1:负调整控制比特 S1:负调整位置 C1=0 S1=I;C1=1 S1=R*
C2:正调整控制比特 S2:正调整位置 C2=0 S2=I;C2=1 S2=R*
R*表示调整比特,在收端去调整时,应忽略调整比特的值,复帧周期为125×4=500μs。
C-12复帧结构和字节安排
复帧中的各字节的内容见图2-11所示 ,一个复帧共有:C12复帧=4(9×4-2)=136字节=127W+5Y+2G+1M+1N=(1023I+S1+S2)+3C1+49R+8O=1088bit,其中负、正调整控制比特C1、C2分别控制负、正调整机会S1、S2。当C1C1C1=000时,S1放有效信息比特I,而C1C1C1=111时,S1放塞入比特R,C2以同样方式控制S2。
那么复帧可容纳有效信息负荷的允许速率范围是:
C-12复帧max=(1023+1+1)×2000=2.050Mbit/s
C-12复帧min=(1023+0+0)×2000=2.046Mbit/s
也就是说当E1信号适配进C12时,只要E1信号的速率范围在2.046Mbit/s--2.050Mbit/s 的范围内,就可以将其装载进标准的C12容器中,实质上就是经过码速调整将其速率调整成标准的C12速率——2.176Mbit/s。
技术细节:
从第二节后的附图看,一个复帧的4个C12基帧是并行搁在一起的,这4个基帧在复用成STM-1信号时,不是复用在同一帧STM-1信号中的,而是复用在连续的4帧STM-1中。这样为正确分离2Mbit/s的信号就有必要知道每个基帧在复帧中的位置即在复帧中的第几个基帧。
(2)为了在SDH网的传输中能实时监测任 一个2Mbit/s通道信号的性能,需将C12再打包——加入相应的通道开销(低阶通道开销),使其成为VC12的信息结构。见第二节后的附图,此处LP-POH(低阶通道开销)是加在每个基帧左上角的缺口上的,一个复帧有一组低阶通道开销,共4个字节:V5、J2、N2、K4。因为VC可看成一个独立的实体,因此我们以后对2Mbit/s的业务的调配是以VC12为单位的。
一组通道开销监测的是整个复帧在网络上传输的状态,想想看一个C12复帧装载多少帧2Mbit/s的信号?一个C12复帧装载的是4帧PCM30/32的信号,因此,一组LP-POH监控的是4帧PCM30/32信号的传输状态。
(3)为了使收端能正确定位VC12的帧,在VC12复帧的4个缺口上再加上4个字节的TU-PTR ,这时信号的信息结构就变成了TU12,9行×4列。TU-PTR指示复帧中第一个VC12的起点在TU12复帧中的具体位置。
(4)3个TU12经过字节间插复用合成TUG-2,此时的帧结构是9行×12列。
(5)7个TUG-2经过字节间插复用合成TUG3的信息结构。请注意7个TUG-2合成的信息结构是9行×84列,为满足TUG3的信息结构9行×86列,则需在7个TUG-2合成的信息结构前加入两列固定塞入比特。如图1-12所示。

图1-12 TUG3的信息结构
(6)TUG3信息结构再复用进STM-N中的步骤则与前面所讲的一样。
技术细节:
从140Mbit/s的信号复用进STM-N信号的过程可以看出,一个STM-N最多可承载N个140Mbit/s,一个STM-1信号只可以复用进1个140Mbit/s的信号,此时STM-1信号的容量为64个2Mbit/s的信号。
同样的从34Mbit/s的信号复用进STM-1信号,STM-1可容纳3个34Mbit/s的信号,此时STM-1信号的容量为48×2Mbit/s。。
从2Mbit/s信号复用进STM-1信号,STM-1可容纳3×7×3=63个2Mbit/s信号。
从上可看出,从140Mbit/s和从2Mbit/s复用进SDH的STM-N中,信号利用率较高。而从34Mbit/s复用进STM-N,一个STM-1只能容纳48个2Mbit/s的信号,利用率较低。
从2Mbit/s复用进STM-N信号的复用步骤可以看出3个TU12复用成一个TUG2,7个TUG2复用成一个TUG3,3个TUG3复用进一个VC4,一个VC4复用进1个STM-1,也就是说2Mbit/s的复用结构是3-7-3结构。由于复用的方式是字节间插方式,所在在一个VC4中的63个VC12的排列方式不是顺序来排列的。头一个TU12的序号和紧跟其后的TU12的序号相差21。
有个计算同-个VC4中不同位置TU12的序号的公式:
VC12序号=TUG3编号+(TUG2编号-1)×3+(TU12编号-1)×21。TU12的位置在VC4帧中相邻是指TUG3编号相同,TUG2编号相同,而TU12编号相差为1的两个TU12。
这个公式在用SDH传输分析仪进行相关测试时会用得到。想想看序号相邻的两个TU12在VC4帧中的排列位置有何共性?
注:此处指的编号是指VC4帧中的位置编号,TUG3编号范围:1~3;TUG2编号范围:1~7;TU12编号范围:1~3。TU12序号是指本TU12是VC4帧63个TU12的按复用先后顺序的第几个TU12。见图1-13。

图1-13 VC4中TUG3、TUG2、TU12的排放结构
以上讲述了中国所使用的PDH数字系列复用到STM-N帧中的方法和步骤,对这方面的内容希望你能理解,因为它是你以后提高维护设备能力的最基本的知识,也是接下来深入学习SDH原理的基础。
1.3 映射、定位和复用的概念
在将低速支路信号复用成STM-N信号时,要经过3个步骤:映射、定位、复用。
定位是指通过指针调整,使指针的值时刻指向低阶VC帧的起点在TU净负荷中或高阶VC帧的起点在AU净负荷中的具体位置,使收端能据此正确地分离相应的VC,这部分内容在下一节中将详细论述。
复用的概念比较简单,复用是一种使多个低阶通道层的信号适配进高阶通道层(例如TU12(×3)→TUG2(×7)→TUG3(×3)→VC4)或把多个高阶通道层信号适配进复用层的过程(例如AU-4(×1)→AUG(×N)→STM-N)。复用也就是通过字节间插方式把TU组织进高阶VC或把AU组织进STM-N的过程。由于经过TU和AU指针处理后的各VC支路信号已相位同步,因此该复用过程是同步复用,复用原理与数据的串并变换相类似。
想一想:
PDH140Mbit/s、34Mbit/s、2Mbit/s信号适配进标准容器的方式是什么装入方式?
一般都属于异步装入方式,因为要经过相应的塞入比特进行码速调整才能装入。例如,在将2Mbit/s的信号适配进C12时,不能保证每个C12正好装入的是一个E1帧。
好,我们重点讲一下映射的概念。
映射是一种在SDH网络边界处(例如SDH/PDH边界处),将支路信号适配进虚容器的过程。象我们经常使用的将各种速率(140Mbit/s、34Mbit/s、2Mbit/s)信号先经过码速调整,分别装入到各自相应的标准容器中,再加上相应的低阶或高阶的通道开销,形成各自相对应的虚容器的过程。
为了适应各种不同的网络应用情况,有异步、比特同步、字节同步三种映射方法与浮动VC和锁定TU两种模式。
1.异步映射
异步映射对映射信号的结构无任何限制(信号有无帧结构均可),也无需与网络同步(例如PDH信号与SDH网不完全同步)。利用码速调整将信号适配进VC的映射方法。在映射时通过比特塞入将其打包成与SDH网络同步的VC信息包,在解映射时,去除这些塞入比特,恢复出原信号的速率,也就是恢复出原信号的定时。因此说低速信号在SDH网中传输有定时透明性,即在SDH网边界处收发两端的此信号速率相一致(定时信号相一致)。
此种映射方法可从高速信号中(STM-N)中直接分/插出一定速率级别的低速信号(例如2Mbit/s、34Mbit/s、140Mbit/s)。因为映射的最基本的不可分割单位是这些低速信号,所以分/插出来的低速信号的最低级别也就是相应的这些数率级别的低速信号。
2.比特同步映射
此种映射是对支路信号的结构无任何限制,但要求低速支路信号与网同步(例如E1信号保证8000帧/秒),无需通过码速调整即可将低速支路信号打包成相应的VC的映射方法,注意:VC时刻都是与网同步的。原则上讲此种映射方法可从高速信号中直接分/插出任意速率的低速信号,因为在STM-N信号中可精确定位到VC,由于此种映射是以比特为单位的同步映射,那么在VC中可以精确的定位到你所要分/插的低速信号具体的那一个比特的位置上,这样理论上就可以分/插出所需的那些比特,由此根据所需分/插的比特不同,可上/下不同速率的低速支路信号。 异步映射将低速支路信号定位到VC一级后就不能再深入细化的定位了,所以拆包后只能分出VC相应速率级别的低速支路信号。 比特同步映射类似于将以比特为单位的低速信号(与网同步)进行比特间插复用进VC中,在VC中每个比特的位置是可预见的。
3.字节同步映射
字节同步映射是一种要求映射信号具有字节为单位的块状帧结构,并与网同步,无需任何速率调整即可将信息字节装入VC内规定位置的映射方式。在这种情况下,信号的每一个字节在VC中的位置是可预见的(有规律性),也就相当于将信号按字节间插方式复用进VC中,那么从STM-N中可直接下VC,而在VC中由于各字节位置的可预见性,于是可直接提取指定的字节出来。所以,此种映射方式就可以直接从STM-N信号中上/下64kbit/s或N×64kbit/s的低速支路信号。为什么呢?因为VC的帧频是8000帧/秒,而一个字节为8bit,若从每个VC中固定的提取N个字节的低速支路信号,那么该信号速率就是N×64kbit/s。
4.浮动VC模式
浮动VC模式指VC净负荷在TU内的位置不固定,由TU-PTR指示VC起点的一种工作方式。它采用了TU-PTR和AU-PTR两层指针来容纳VC净负荷与STM-N帧的频差和相差,引入的信号时延最小(约10μs)。
采用浮动模式时,VC帧内可安排VC-POH,可进行通道级别的端对端性能监控。三种映射方法都能以浮动模式工作。前面讲的映射方法:2Mbit/s、34Mbit/s、140Mbit/s映射进相应的VC,就是异步映射浮动模式。
5.锁定TU模式
锁定TU模式是一种信息净负荷与网同步并处于TU帧内的固定位置,因而无需TU-PTR来定位的工作模式。PDH基群只有比特同步和字节同步两种映射方法才能采用锁定模式。
锁定模式省去了TU-PTR,且在TU和TUG内无VC-POH,采用125μs的滑动缓存器使VC净负荷与STM-N信号同步。这样引入信号时延大,且不能进行端对端的通道级别的性能监测。
综上所述,三种映射方法和两类工作模式共可组合成五种映射方式,我们着重讲一讲当前最通用的异步映射浮动模式的特点。
异步映射浮动模式最适用于异步/准同步信号映射,包括将PDH通道映射进SDH通道的应用,能直接上/下低速PDH信号,但是不能直接上/下PDH信号中的64kbit/s信号。异步映射接口简单,引入映射时延少,可适应各种结构和特性的数字信号,是一种最通用的映射方式,也是PDH向SDH过渡期内必不可少的一种映射方式。当前各厂家的设备绝大多数采用的是异步映射浮动模式。
浮动字节同步映射接口复杂但能直接上/下64kbit/s和N ×64kbit/s信号,主要用于不需要一次群接口的数字交换机互连和两个需直接处理64kbit/s和N×64kbit/s业务的节点间的SDH连接。
到这里为止,本节的内容就基本讲完了,在结束之前再强调一下,PDH各级别速率的信号和SDH复用中的信息结构的一一对应关系:2Mbit/s——C12——VC12——TU12;34Mbit/s——C3——VC3——TU3;140Mbit/s——C4——VC4——AU4;通常在指PDH各级别速率的信号时,也可用相应的信息结构来表示,例如用VC12表示PDH的2Mbit/s信号。
想一想:
想想看这一节都学了些什么?
学习了STM-N的帧结构及其各个组成部分的用法。
学习了PDH各速率级别信号复用进STM-N信号的方法和步骤,以及各种信息结构大致的作用——C、VC、TU、TUG、AU、AUG。
学习了对2Mbit/s、140Mbit/s信号进行速率适配的方法。
复用、映射的基本概念。
本节的重点是上述1和2,这些内容你都掌握了吗?
附图 我国SDH复用结构示意图

小结
本节主要讲述了SDH帧的结构及其各主要部分的作用,讲述了PDH(2M、34M、140M)信号复用进STM-N帧的大致步骤。
习题
- 2M复用在VC4中的位置是第二个TUG3、第三个TUG2、第一个TU12,那么该2M的时隙序号为 。
- STM-1可复用进 个2M信号, 个34M信号, 个140M信号。
SDH信号帧结构与复用步骤详解
5370





