二进制和四进制低功耗选择电路的设计与实现—— 基于单电子晶体管
摘要
本文介绍了单电子晶体管(SET)低功耗算术 & 逻辑选择单元的性能分析。SET作为一种低功耗器件,能够实现仅用 CMOS电路几乎无法达到的新功能。文中设计并验证了高效的 SET 4:1多路复用器,并提出了四进制选择电路。同时,还验证了一位全加器、与门、或门和异或门。仿真采用了SPICE仿真软件、OrCAD和MATLAB。与CMOS相比,单电子晶体管尺寸更小,运行速度更高,且功耗更低。
关键词 —库仑阻塞,单电子晶体管,SPICE仿真软件,互补金属氧化物半导体。
I. 引言
A. 互补金属氧化物半导体技术的功耗限制
功率相关的能量和热问题现在在电子领域中处于核心地位系统设计。在高性能应用中,温度会影响集成密度、性能、可靠性、功耗和成本。对于电池供电的嵌入式系统,能耗直接决定了系统的使用寿命。历史上,功耗危机通过转向新技术得以解决,这些技术提高了每次操作的能量效率,从而实现了密度和最终性能的提升。功率和热问题是在20世纪60年代用半导体器件取代真空管以及在20世纪90年代用互补金属氧化物半导体(CMOS)取代双极结型晶体管(BJT)的主要动因之一。CMOS是当今主流的制造技术。随着集成电路(IC)集成度的进一步提高,它将达到制造、功耗和热极限;可能很快将需要向一种截然不同的技术过渡[8]。
B. 单电子晶体管
单电子晶体管是一种纳米器件,由于其低功耗和尺寸可扩展性集成的优势,为未来的超大规模集成电路(ULSI)提供了巨大的潜力。
单电子晶体管器件的基本示意图如图1所示,其中导电岛夹在两个隧道结之间。SET是一种四端器件。It 具有源极和漏极,以及两个独立的栅极。其中一个栅极的功能类似于 CMOS晶体管栅极,另一个栅极则专门用作背栅以实现控制功能。
单电子晶体管由一个小的导电岛组成,该导电岛通过隧道结与源极和漏极引线相连,并通过电容耦合与一个或多个栅极相连[3]。
II. 电路设计、操作与仿真结果
本文讨论了四位算术与逻辑选择单元,首先介绍了4:1 多路复用器,在设计了4:1 MUX之后,提出了一位算术与逻辑选择单元,并讨论了多种四操作,包括三种逻辑操作,如异或门、与[I],或[5] 门& 以及设计并讨论了一种算术功能,即一位全加器&。最后,提出了完整的四位算术& 逻辑选择单元的构想。
A. 4:1 多路复用器的设计与仿真结果
本文提出了一种多路复用器,它不仅适合作为独立电路,还可用于设计本文提出的算术& 逻辑选择单元。图2描绘了所提出多路复用器的单电子电路。最终电路由31个隧道结、69个电容器、35个岛节点以及仅一个电压{v3}组成,仅使用值为16毫伏的电压源。
我们使用的设计方法结合了自下而上和自上而下的混合技术。特别是,我们采用了自下而上的设计方法,如相关参考文献中所述的反相器、与门和或门。
设计4:1多路复用器需要四个输入11、12、13、14以及两条选择线。图3表示4:1多路复用器的框图。
图2展示了使用SECS仿真器设计的4:1多路复用器的原理图,其中包含两个非门、三个或门和四个与门。该电路采用三个两输入或门而非一个四输入或门来设计。这样做的原因是,经测试发现四输入或门在组合形成大型网络时无法正常工作,因此不适合用于我们提出的4位算术与逻辑选择电路。
多路复用器的输入命名为“11”、“12”、“13”和“14”,控制信号命名为“SI”和“S2”。每个输入通过一个与门传递到或门,为方便起见,这些与门根据所连接的输入分别命名为“与门1”、“与门2”、“与门3”和“与门4”。在最后两级逻辑的互连中,我们使用了或功能,因此将或门命名为“或门1”、“或门2”和“或门3”。“或门1”的输入来自“与门1”和“与门2”的输出,“或门2”的输入来自“与门3”和“与门4”的输出。“或门3”的输入则来自“或门1”和“或门2”的输出。本文所述电路的低电平和高电平输入逻辑值分别为0伏特和0.016伏特。
的输入)
B. 一位算术 & 逻辑选择电路单元的设计
图12 显示了使用 4:1 多路复用器的单比特算术与逻辑选择单元的门级电路图,该单元将执行三个逻辑和一个算术操作。
使用该单比特算术与逻辑选择单元,可以设计出四位算术与逻辑选择单元,其框图如图14所示。在设计算术 & 逻辑选择单元时,我们需要三种逻辑操作、一种算术操作以及一个4:1多路复用器。
| 操作 | S1 | S0 |
|---|---|---|
| XOR | 0 | 0 |
| AND | 0 | 1 |
| OR | 1 | 0 |
| ADD | 1 | 1 |
表II. 算术 & 逻辑选择单元
C. 四位算术 & 逻辑选择单元的设计
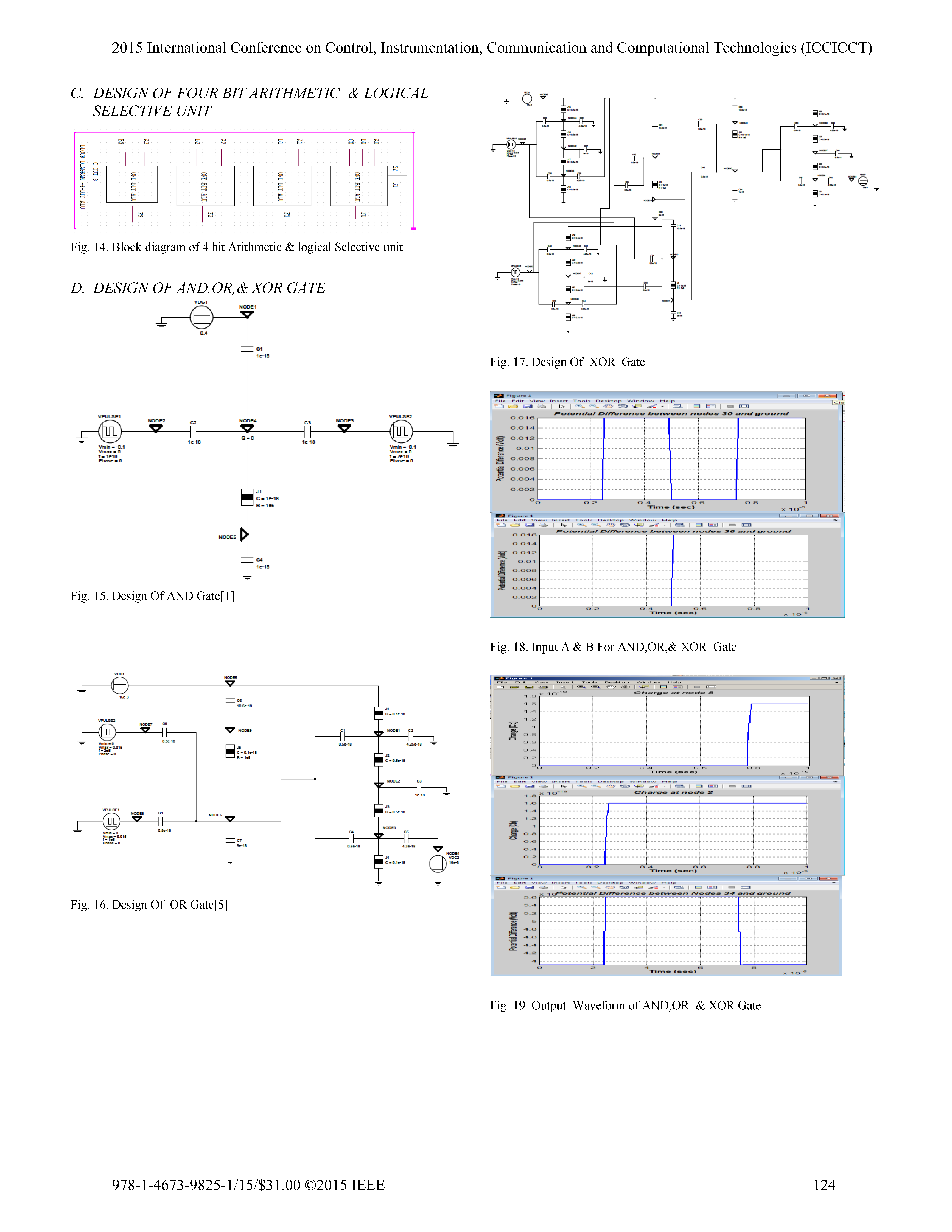
D. 与、或、异或门的设计
E. 使用两个半加器设计全加器
图20展示了使用两个半加器构成的单比特全加器的框图表示,图21展示了半加器电路图和半加器的结果。
| 序号 | A | B | SUM | 进位 |
|---|---|---|---|---|
| 1 | 0 | 0 | 0 | 0 |
| 2 | 0 | 1 | 1 | 0 |
| 3 | 1 | 0 | 1 | 0 |
| 4 | 1 | 1 | 0 | 1 |
表 III. 半加器
| A | B | C | SUM | 进位 |
|---|---|---|---|---|
| 0 | 0 | 0 | 0 | 0 |
| 0 | 0 | 1 | 1 | 0 |
| 0 | 1 | 0 | 1 | 0 |
| 0 | 1 | 1 | 0 | 1 |
| 1 | 0 | 0 | 1 | 0 |
| 1 | 0 | 1 | 0 | 1 |
| 1 | 1 | 0 | 0 | 1 |
| 1 | 1 | 1 | 1 | 1 |
表 IV. 全加器真值表
F. 基于单电子晶体管的四进制 4:1 选择电路设计
图22 显示了基于单电子晶体管的四进制4:1选择电路的 proposed 框图。该概念采用了四进制逻辑。通过使用四进制逻辑的概念,与二进制选择电路相比,4:1 选择电路所需的选择线数量更少,因为在二进制中需要两条选择线,而在四进制中仅需一条选择线。因此,复杂性和互连将自动减少,最终功耗也会更低。
III. 性能评估
| 电路特性 | 实现的多路复用器 | 互补多路复用器[4] |
|---|---|---|
| 使用的模拟器 | SIMON | — |
| 多路复用器输出 | 正常 | 互补 |
| 结点 | 31 | 48 |
| 电容器 | 69 | 27 |
| 逻辑1的电压 | 0.016 V | 0.1 V |
| 逻辑0的电压 | 0 V | 0 V |
| 电源 | 16 mV | 0.115 V, 0.113 V, 0.1 V, 0.083 V |
| 使用的设备 | SET | SET |
| 功率消耗 (eV/s) | 0.087 | 0.5 |
表 V. 实现的多路复用器与互补多路复用器比较
表V给出了4:1多路复用器的对比分析,其中所实现的多路复用器所需的隧道结和节点数量更少。此外,由于所实现的多路复用器的功耗低于互补型多路复用器,因此如果我们将此多路复用器用于算术和逻辑选择电路,自然会需要更少的功率。
| 序号 | 频率 (Hz) | 电源电压 (V) | 电路 | 功率 (eV/s) | 能量 (J) |
|---|---|---|---|---|---|
| 1 | 1e9 | 0.05 | 与门 | 2.2e-21 | 1.37e-2 |
| 2 | 1e10 | 0.09 | 与门 | 2.5e-19 | 1.56e0 |
| 3 | 1e11 | 0.1 | 与门 | 2.5e-19 | 1.56e0 |
| 4 | 1e12 | 0.3 | 与门 | 2.5e-19 | 1.56e0 |
| 5 | 1e13 | 0.7 | 与门 | 2.1e-19 | 1.31e0 |
| 6 | 1e14 | 0.8 | 与门 | 2.5e-19 | 1.56e0 |
表 VI. 与门的频率、功率和电源电压分析参数
表VI给出了与门的参数分析,其中与门在不同的电源电压组合和频率下进行了测试。图23显示了电源电压与频率之间的变化关系,表明二者之间存在线性关系;而图24显示了电源电压与功率之间的变化关系,随着电源电压增加,电路的功耗并非呈线性变化,对于某些值功耗上升,而对于某些值可能保持恒定或下降,这归因于电容C4,其值随频率以及电源电压的变化而变化。例如在此情况下,C4的值相对于电源电压分别为10.5e-18、0.2e-18、0.2e-18、0.3e-18、1e-18、5.5e-18,如表VI所示。由此可以非常清楚地看出,如果我们对电容器C4的值做一些调整,则功耗可以被控制。利用这一概念,可以实现具有更低功耗的更大电路。
IV. 结论
本文提出了一种基于单电子晶体管的低功耗算术与逻辑选择单元的设计。通过使用高效的4:1多路复用器,设计出了一位低功耗算术与逻辑选择单元;该高效的4:1多路复用器电路包含31个隧道结、69个电容器和35个岛屿(量子点),其功耗仅为0.087电子伏特/秒,电源电压仅为16毫伏,这是该设计的独特特点。因此,这种四位算术与逻辑选择单元将具有低功耗的优势,该思路被提出。
5021

被折叠的 条评论
为什么被折叠?



