低温有机朗肯循环电站在变工况条件下的热力学分析
摘要
本文针对由低品位热源驱动的50千瓦有机朗肯循环(ORC)发电装置开展了一项实验研究。热水锅炉和太阳能热系统被用作提供温度在65至95摄氏度范围内的热水的低品位热源。在有机朗肯循环模块中,一台双螺杆压缩机被改装为膨胀机,并在实验中测试了其在变工况下的膨胀效率。本研究旨在评估有机朗肯循环系统,并获取其在变工况运行条件下的性能图谱从热力学第一定律和第二定律的角度来看典型年份的情况。在最佳运行条件下,最大发电量和热效率分别为46.5千瓦和6.52%。最高㶲效率达到36.3%,㶲分析表明蒸发压力和冷凝压力是影响㶲流和㶲效率的关键参数。此外,通过拟合不同月份获取的实际电厂数据,建立了一个经验模型,可用来以可接受的精度预测净输出功率和热效率。最后,作为示例,该经验模型被用于分析太阳能驱动的有机朗肯循环系统的性能。
关键词 :有机朗肯循环,变工况运行条件,双螺杆膨胀机,㶲,经验模型
符号表
| 符号 | 含义 |
|---|---|
| ORC | 有机朗肯循环 |
| VFD | 变频驱动器 |
| Rpm | 转每分钟 |
| T | 温度(°C) |
| P | 压力(巴) |
| W | 功率(千瓦) |
| Q | 传热速率(千瓦) |
| E | 㶲率(千瓦) |
| M | 质量流量(千克/秒,吨/小时) |
| H | 比焓(kJ/kg) |
| cp | 定压比热容 水的(kJ/kg/K) |
| S | 比熵(kJ/kg/K) |
| G | 太阳辐照度 |
下标
| 下标 | 含义 |
|---|---|
| tot | 总计 |
| in | 入口 |
| out | 出口 |
| ev | 蒸发器 |
| cond | 冷凝器 |
| pre | 预热器 |
| hw | 热水 |
| cw | 冷却水 |
| wf | 工作流体 |
| exp | 膨胀机 |
| pump | 泵 |
| 0 | 参考死态 |
| meas | 测量 |
| ex | 㶲 |
| net | 净功率 |
| th | 热 |
| amb | 环境 |
| Su | 过热 |
1. 引言
近年来,基于有机朗肯循环(ORC)的发电系统在回收低温热源热量方面已成为研究热点。与其他热力循环如蒸汽朗肯循环、卡林纳循环、斯特林循环、三重闪蒸循环相比,ORC技术在利用低品质热源时具有投资和维护成本较低、复杂性较小、规模更小以及更高的可靠性和灵活性等优势[1]。已有大量关于ORC系统的研究报道,应用于工业废热、地热能、太阳能、发动机排气、生物质能等领域。这些热源在ORC应用中的温度范围广泛,从60到350°C不等。高温和中温热源通常在150至350°C之间,是有机朗肯循环电站最理想的热源。由于温差较大,其热效率相对较高(高温ORC系统的热效率约为15%‐25%,中温ORC系统的热效率约为10%‐15% [2, 3])。温度在60‐‐150°C范围内的低温热源在工业废热和地热中最为常见。尽管其热效率较低(约5%‐10% [4]) 限制了其应用,但在电价较高且热源回路成本较低的应用场景中具有优势。
Bernardo Peris 等人 [5]研究了有机朗肯循环在陶瓷工业中用于低品位废热回收的应用。该可行性研究考虑了电价和设备支出,结果表明投资回收期为4.63年,经济上是可接受的。
在某些应用中,例如工业废热和太阳能 [6], ,热源和冷却条件会随着工艺过程和环境条件而变化。变化的运行工况被定义为变工况,这将影响ORC性能并使控制策略复杂化。Sylvain Quoilin 等人 [7]开发了一个小型有机朗肯循环系统的动态模型。该模型用于比较不同控制策略在变化的热源流量和温度下的表现。结果表明,优化蒸发温度策略可获得最高的整体效率。Manente 等人 [8]提出了一种变工况动态模型,以寻找使发电量最大化的最优运行策略。该模型考虑了环境温度和地热流体温度的变化。魏东红 等人 [9]提出了两个动态模型,用于表征系统在瞬态过程中的行为。这些模型可用于控制与诊断系统设计,以避免非理想工况。Jian Song 等人 [10]对采用径向流入式涡轮机的有机朗肯循环系统进行了变工况参数化设计和变工况分析,理论结果表明热源和冷却水的入口温度对系统有显著影响。
在有机朗肯循环系统中,膨胀机的选择是一个重要问题。需要考虑多个因素,例如发电厂的规模、工作流体的压力比以及运行工况的稳定性 [11]。适用于有机朗肯循环系统的膨胀机包括涡轮机械或容积式机械,如涡旋膨胀机 [12], 、螺杆膨胀机和往复式活塞膨胀机[13]。由于成本低、膨胀比高、可接受的等熵效率以及对两相流体的耐受性,容积式膨胀机在小型系统中更受青睐 [11, 14]。在各种类型的容积式膨胀机中,双螺杆膨胀机已广泛应用于发电量为 10‐200千瓦的有机朗肯循环电站。Iva Papes 等人 [15]对双螺杆膨胀机进行了三维计算流体动力学分析,以研究其在不同压力比和转速下的性能。结果表明,进气口处的节流损失导致了最大的压降,且在较低转速和较高压力比下,泄漏流对质量流量的影响更大。许颂纬 等人 [16]对封闭式双螺杆膨胀机在不同供气压力和压力比下的性能进行了实验研究。结果表明,螺杆膨胀机有机朗肯循环可在广泛的热源和冷源条件下以令人满意的效率运行。
有机朗肯循环系统是一种利用低品位热能进行发电的有前景的技术。然而,目前很少有研究关注有机朗肯循环系统在变工况条件下的热力学分析,特别是针对典型年度内热源条件和季节性环境温度变化的情况。本研究对一个50千瓦有机朗肯循环电站进行了测试,以表征其在变工况条件下的性能。测试内容包括净输出功率、热效率和㶲效率被选为评价指标。通过拟合运行数据,已开发并验证了一个用于描述有机朗肯循环系统性能的模型。该模型可用于预测特定运行工况下的净输出功率和热效率。
本文的其余部分组织如下。第2节描述了有机朗肯循环系统,并介绍了各主要设备的参数。第3节提出了性能分析所用的热力学方程及实验步骤的方法。第4节讨论了实验结果并提出了经验模型。最后一节得出了主要结论。
2. 有机朗肯循环电站的描述
2.1 热源和冷源
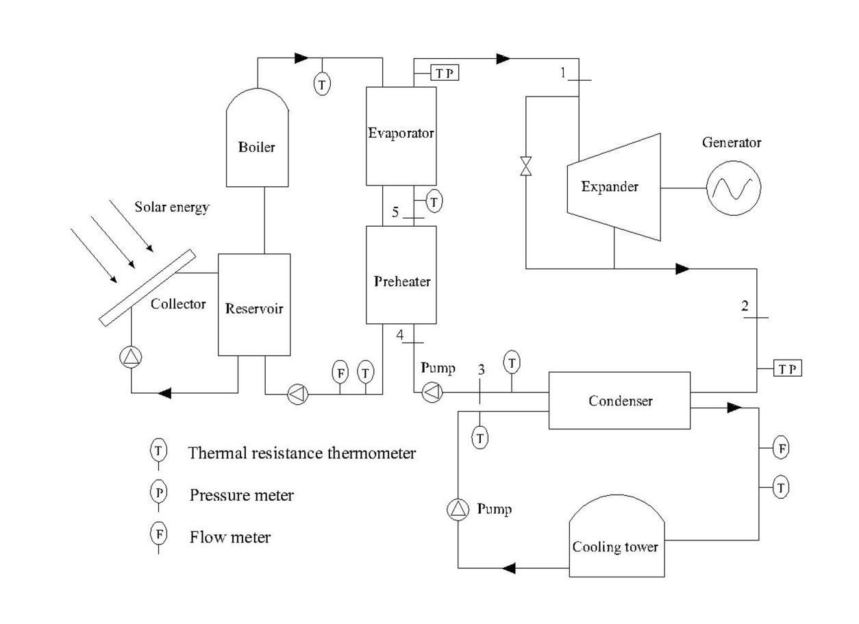
图1显示了在中国北京建造的50千瓦有机朗肯循环电站的示意图。该有机朗肯循环系统由低温热源驱动,热源包括太阳能集热子系统和热水锅炉。当太阳能不足以提供足够的热能时,将采用热水锅炉作为辅助热源。它们可提供65至95摄氏度的热水。采用冷却能力为1.1兆瓦的机械通风冷却塔作为冷源。根据这种冷却方式,冷却水温度受环境温度影响较大,并随季节性和每日变化而波动。
2.2 有机朗肯循环模块的部件
图2展示了由我们的团队设计的有机朗肯循环原型。预期的发电效益和部件参数是基于设计工况确定的。设计参数列于表1中。有机工质回路主要由预热器、蒸发器、与同步发电机耦合的双螺杆膨胀机、带变频驱动器(VFD)的工质泵、相关测量设备和数据采集系统组成。
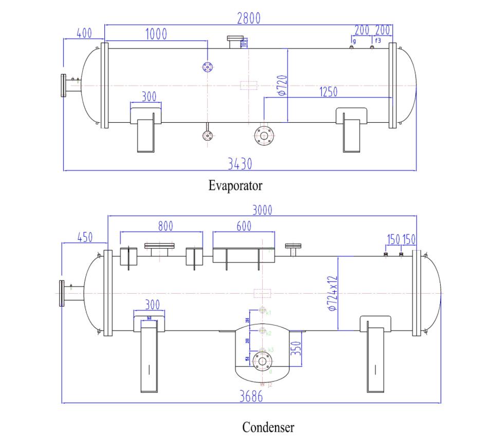
已开发出一种由预热器和蒸发器串联组成的热回收装置,用于从热源中进行余热回收。预热器和蒸发器均为壳管式换热器。在预热器中,有机工质在管内流动并被加热至其饱和温度。在蒸发器中,有机工质在管外池内沸腾,并利用潜热完成汽化过程。该结构可将热回收过程分别在对应的换热器中划分为升温与汽化两个阶段。冷凝器的结构与蒸发器类似,实际中在冷凝器下方设置了储液器,以确保后续工质泵的稳定运行。换热器的设计参数列于表2。蒸发器和冷凝器的详细几何尺寸及管束结构见图3。考虑到发电厂的规模及运行工况的变化,系统中采用了双螺杆膨胀机。该双螺杆膨胀机是由改装的螺杆压缩机经若干改进措施而成。止回阀已被移除,且膨胀机壳体经过重新设计,以减少流体进入吸气腔时的节流损失。由于双螺杆膨胀机可容忍两相流体,润滑油被适当地与有机工质混合。
按质量分数10%的比例,将其通过蒸发器与高速蒸汽一同注入膨胀机。在此配置下,省去了油分离器、储罐、冷却器和循环泵。与喷油式膨胀机润滑系统相比,这种集成润滑方法可降低投资和维护成本[17]。双螺杆膨胀机的参数列于表3中。该膨胀机耦合至一台连接到本地电网的异步发电机。该发电机可提供三相380V交流电,频率为50赫兹频率。由于发电机具有两个磁极,因此当发电机与电网并联运行时,膨胀机的转速必须为1500转/分钟,以避免使用齿轮箱。
给水泵为多级离心泵,在2950转/分钟时泵扬程为12巴,体积流量为20 m3/h。该泵连接有变频驱动器,以便手动或自动控制工作流体的流量。
一种名为TY‐1的等熵有机流体被用作有机朗肯循环系统中的工作流体。该流体不可燃,其臭氧消耗潜能值为0.043,全球变暖潜能值为2000。详细的热力学性质见表4。
2.3 测量装置和数据采集
如图1所示,实验中测量了各种热力参数。采用铂电阻温度计监测温度。使用超声波流量计测量热水和冷却水的流量。采用三相功率计测量发电量。给水泵的功耗通过直接测量获得变频驱动器。仪器的量程和精度见表5。所有实验数据均由连接到个人计算机的安捷伦‐34972A数据采集记录仪每30秒间隔自动采集和记录。
计算参数的不确定性由以下表达式给出:。根据每个测量参数的不确定性,计算参数的不确定性列于表6中。
$$
U_y = \sqrt{\sum_i \left(\frac{\partial y}{\partial x_i} \cdot U_{x_i}\right)^2}
$$
3. 方法
3.1 性能评估
图4显示了由四个热力学过程组成的有机朗肯循环系统的温熵图。吸热过程包括预热(状态4到5)、蒸发(状态5到1’)和过热(状态1’到1)。有机工质在恒定的亚临界压力下被热源加热,并以过热或饱和蒸汽的状态离开蒸发器。随后在多变过程中膨胀做功(状态1到2)。在冷凝过程(状态2到3)中,排气在恒定压力下被冷却。在闭合循环中,可应用热力学第一定律和热力学第二定律来分析有机朗肯循环系统。为简化计算,给出以下假设:
1) 忽略换热器向环境的热损失。换热器和连接管道均包裹有保温材料,因此热损失非常小,可以忽略不计。
2) 忽略换热器和连接管道中的压降。
3) 当系统达到稳态时获得计算点。本文不涉及瞬态性能的研究。
从热源吸收的热功率 $Q_{tot}$ 和有机工质的质量流量 $m_{wf}$ 可表示为:
$$
Q_{tot} = Q_{pre} + Q_{ev} + Q_{su} = m_{hw} \cdot c_p \cdot (T_{hw,in} - T_{hw,out}) \tag{1}
$$
$$
Q_{tot} = m_{wf} \cdot (h_1 - h_4) \tag{2}
$$
其中 $c_p$ 是水的平均比热容(kJ/kg/K);$m_{hw}$ 是热水质量流量 (kg/s);$T_{hw,in}$ 和 $T_{hw,out}$ 分别是蒸发器入口处的热水供应温度和热水出口预热器出口的温度。
双螺杆膨胀机的效率可以定义为实际轴功率输出与理想轴功率(公式(3))及其等熵效率和机械效率已被考虑。
$$
\eta_{shaft} = \frac{W_{meas}}{m_{wf} \cdot (h_1 - h_{2s}) \cdot \eta_d \cdot \eta_e} \tag{3}
$$
其中 $h_{2s}$ 表示膨胀机出口(温熵图中的状态2s)的比焓等熵膨胀过程;$W_{meas}$ 表示实测发电量(kW);$\eta_d$ 和 $\eta_e$ 是皮带传动效率和发电机效率。根据规格说明的发电机,$\eta_d$ 和 $\eta_e$ 分别为0.95和0.9。
工作压比定义为:
$$
\pi = \frac{P_{ev}}{P_{cond}} \tag{4}
$$
其中 $P_{ev}$ 是蒸发压力,可视为膨胀机的吸气压力连接管道和吸气腔中的压降和流动损失被忽略。$P_{cond}$ 是冷凝压力并视为膨胀机的背压。
排热量由冷源确定为:
$$
Q_{cond} = m_{cw} \cdot c_p \cdot (T_{cw,in} - T_{cw,out}) \tag{5}
$$
循环中每个部件的㶲率和㶲损率定义如下:
$$
E = m \cdot [(h - h_0) - T_0(s - s_0)] \tag{6}
$$
$$
I = \sum (1 - \frac{T_0}{T_j}) \cdot Q_j + \sum W_j - (E_{in} - E_{out}) \tag{7}
$$
其中下标0表示在$T_0=285.5 K$和$P_0= 1$巴时的参考状态。
为了评估系统性能,采用了热效率和㶲效率计算公式如下:
$$
\eta_{th} = \frac{W_{meas} - W_p}{Q_{tot}} = \frac{W_{net}}{Q_{tot}} \tag{8}
$$
$$
\eta_{ex} = \frac{W_{meas} - W_p}{E_{tot}} = \frac{W_{meas} - W_p}{Q_{tot} \cdot (1 - \frac{T_0}{T_{hw}})} \tag{9}
$$
其中 $E_{tot}$ 是热水提供的总㶲率;$T_{hw}$ 是热水平均温度并定义为 $T_{hw} = (T_{hw,in} + T_{hw,out})/2$。
3.2 实验步骤
在四个不同月份(即六月、八月、十月和11月)的典型日子里进行了实验,以测试系统性能随环境温度的变化情况。每次实验中,冷却水流量保持在设计值,因此有机朗肯循环装置的冷却条件可视为恒定。通过控制锅炉负荷来模拟热水温度的波动。热水和工作流体的流量由控制系统进行控制和调节。各变量的操作范围列于表7。
在有机朗肯循环机组启动期间,保持热水温度和流量为恒定值,并逐渐增加工作流体的流量以对系统进行预热。当双螺杆膨胀机的转速达到1500转/分钟时,发电机接入电网供电。随后改变热水入口温度和流量,以模拟变工况条件。测试系统性能,并收集和记录稳态数据。
4. 结果与讨论
基于四个月份的实验数据,本节展示了有机朗肯循环模块在变工况运行条件下的运行特性。可变运行参数主要考虑工作流体的过热、热源流量以及热源和冷源的温度变化。选取净输出功率、热效率和㶲效率作为变工况性能的评价指标。
4.1 过热对有机朗肯循环性能的负面影响
在实验中,通过将给水泵设置为20至50 Hz的变频,将流体的过热度控制在0.5 °C至19.2 °C范围内。为了公平比较,热水和冷却水的运行参数保持恒定值。研究发现,过热对ORC性能有负面影响。如图5 (a)所示,随着过热度的增加,热效率和净输出功率均呈下降趋势。造成这一结果主要有两个原因:(1)对于双螺杆膨胀机而言,在恒定转速下其容积流量是固定的。当过热度增加时,蒸汽密度降低,导致质量流量和膨胀机两端的压力比减小;(2)与沸腾传热相比,过热蒸汽与热水之间的传热速率较低。如图5 (b)所示,当过热度从0.5 °C增加到19.2 °C时,预热器和蒸发器中的传热速率从704.4 kW降至480.5 kW,输出功率从44.1 kW降至27.2 kW。
为了降低过热度,工作流体的流量应能适应热源条件。在有机朗肯循环原型的控制策略中,给水泵的转速由变频驱动器通过微处理器自动控制,微处理器接收来自蒸发器内工作流体液位的监测信号。这样,当热源条件增强时,泵的频率将升高,蒸发器内的液位将被控制至接近铜管顶部的高度。因此,全部传热面积将浸没在有机工质中,从而使过热保持在较低水平。
热效率和净输出功率。(b) 吸收的热量和压力比)
4.2 热源和冷源变化对有机朗肯循环性能的影响
4.2.1 热水流量的变化
在实验中,研究了热水流量对有机朗肯循环性能的影响。如图6所示,随着热水流量的增加,输出功率和有机朗肯循环效率均呈上升趋势。对于特定的热水供应温度,较高的热水流量会增强换热器中的传热过程。图7绘制了热水质量流量为20 t/h和30 t/h时预热器和蒸发器内的传热曲线。在相同的热水供应温度、热水出口温度条件下,较高的热水质量流量下,蒸发温度和吸热量均有所提高,这解释了有机朗肯循环性能的提升。
值得注意的是,随着热水质量流量的增加,热效率的增长速率逐渐减缓。可以推断,对于预热器和蒸发器而言,当达到一定的热水流量时,换热器的设计容量将被满足,此时吸热量难以继续保持高速增长。此外,随着吸热量的增加,给水泵的功耗也将上升。在实际应用中,若热水泵专为有机朗肯循环系统配置,则需考虑泵的功耗;当换热器达到设计容量后,继续增加热水流量并不经济。
4.2.2 循环温升的变化
在实验中,有机朗肯循环系统在四个不同月份的性能波动明显。这主要是由于环境条件变化,导致热水与冷却水之间的温差不同所致。表8列出了评估的有机朗肯循环系统在七月、八月和十月变工况下的热力学特性。这些数据根据这三个月份的不同冷却条件分为三组。因此,这些实验数据可分别代表夏季、秋季(春季)和冬季运行工况。为了公平比较,热水流量设定为40 吨/小时。
图8显示了在不同冷却水进口温度下,有机工质的质量流量和蒸发压力随热水进口温度的变化情况。需要注意的是,冷却条件对蒸发器中的流量和蒸发压力几乎无影响,这两个重要参数由热水进口温度决定。较高的蒸发压力和质量流量将导致膨胀机内更大的焓降,有利于 ORC性能。
图9显示了净输出功率随热水和冷却水温度的变化情况。一方面,在所有冷却条件下,净输出功率均随热水入口温度的升高而呈正比增加。针对不同的冷却条件,热水温度存在确保有机朗肯循环系统安全运行的合理边界。以冬季冷却条件为例,当热水入口温度从65.5 摄氏度变化到90 摄氏度时,净输出功率从15.5 千瓦增加到46.5千瓦。超出该量程后,发电机运行将存在风险过载或反向功率和电流。对于夏季运行工况,热水入口温度的允许范围为75°C至95°C甚至更高。另一方面,在所有情况下,净输出功率均受到冷却水进口温度的显著影响。例如,当进入有机朗肯循环机组的热水温度为85°C时,冷却条件由冬季变为夏季,输出功率从43.2 kW下降至19.2 kW。当热水入口温度保持在75°C时,下降幅度甚至达到80.43%。这一事实将导致有机朗肯循环性能在一年中产生波动,并提醒人们有机朗肯循环机组的最大容量应基于冬季运行工况进行设计。否则,将出现过载并损坏发电机。
如图10所示,与净输出功率类似,热效率随热水进口温度的升高而增加,随冷却水进口温度的升高而降低。在冬季运行工况下,当热水进口温度最高时,热效率达到最大值6.52%。该值预计将随着温升的进一步增大而继续提高。
显然,提高循环温升将改善ORC性能,但热源和冷源温度的影响却大不相同。有机朗肯循环机组似乎对后者更为敏感。例如,在冬季冷却条件下,当热水进口温度升高1°C,或在热水进口温度保持85°C时冷却水温度降低1°C,输出功率分别平均增加约1.35 kW和1.61 kW。
作为有机朗肯循环系统中最重要的部件,双螺杆膨胀机的性能与运行工况密切相关。图 11显示了双螺杆膨胀机的性能。
图11显示了双螺杆膨胀机的性能:(a) 轴功率 (b) 膨胀效率随压力比的变化关系。
低温有机朗肯循环电站在变工况条件下的热力学分析
4. 结果与讨论(续)
4.2.2 循环温升的变化(续)
膨胀机在转速为1500转/分钟、冷凝压力为3.5巴时,其轴功率随压力比的变化关系。如图11(a)所示,轴功率在膨胀机的压力比范围内几乎呈线性增长。当压力比为rp= 3.64时,达到最大值59千瓦。对于双螺杆膨胀机,在恒定转速下扫气容积比固定,因此由于蒸发压力升高导致更高的压力比,将使蒸汽密度增大,并有更多工质流过膨胀机,从而产生更高的轴功率输出。
双膨胀机的膨胀效率与压力比之间存在更复杂的关系。从图11(b)可以看出,当工作压比与内建膨胀比不同时,会出现欠膨胀或过膨胀现象,从而导致能量损失并降低膨胀效率。效率曲线在压力比接近3.2时达到最大值67.5%,该值略高于内建容积比。在夏季运行工况下,由于环境温度较高,膨胀机处于欠膨胀状态,效率显著降低。在冬季工况下,由于背压较低,更容易实现较高的膨胀机效率。尽管过膨胀会使膨胀机效率偏离最大值,但建议双螺杆膨胀机在过膨胀状态下运行,以获得更高的轴功率输出和更高稳定性[18]。
4.3 㶲分析
在有机朗肯循环系统的实际工作过程中,不可避免地会发生由不可逆过程引起的熵产生,从而降低有用功输出。内部不可逆性主要由膨胀机中的多变膨胀和管道中的摩擦,而外部不可逆性主要由传热过程引起。为了说明各部件中的㶲损,采用冬季冷却条件下热水进口温度为85.1°C时的系统特性进行分析,并在表9中给出了不同状态下的热力学性质。
总㶲输入为125.2千瓦,其中34.5%可转化为输出功率,15.7%被冷源排出。其余49.8%在各个部件中耗散,如图12所示。在㶲损图中,膨胀机的㶲损失占比最高,达38.1%。对于双螺杆膨胀机,不可逆性主要由欠膨胀或过膨胀、摩擦、泄漏以及向环境散热引起。预热器、蒸发器和冷凝器中的㶲损总计占㶲损失的53.2%。
蒸发压力和冷凝压力是影响有机朗肯循环系统㶲流的关键参数。基于所收集的数据,已计算出不同运行工况下的㶲流,并展示了其随蒸发压力和冷凝压力的变化情况,如图13所示。可以看出,随着蒸发压力的增加,㶲流迅速增大,而㶲效率在33.8%至36.3%的狭窄范围内变化。在恒定冷凝压力条件下,当压力比与内置容积比匹配时,达到最佳㶲效率。至于冷凝压力,其对㶲效率有显著影响。当冷凝压力在不同月份变化时,㶲效率从19.8%提高到34.5%。如上所述,压力比对双膨胀机的膨胀效率具有重要作用。
冷凝压力降低时,膨胀机中的㶲损失会减少。同时,与压力相对应的蒸发和冷凝温度会影响传热过程中的温差,从而导致换热器中的不可逆性。在较低的冷凝温度下,注入冷源的㶲要少得多。
4.4 性能预测
4.4.1 有机朗肯循环模块的经验模型
有机朗肯循环系统的净输出功率和热效率受多个独立运行参数的影响。当这些参数在实际运行中发生变化时,为了控制策略和安全运行,预测系统性能具有重要意义。利用六月、八月和十月的实验数据,建立了包含两个回归方程的经验模型,用于预测净输出功率(千瓦)(公式(10))和热效率(%)(公式(11))。该方程选取的三个自变量为热水进口温度 $T_{hw,in}$(摄氏度)、热水质量流量 $m_{hw}$(吨/小时)和冷却水进口温度 $T_{cw,in}$(摄氏度),因为这三个参数对系统性能具有显著影响。
$$
W_{net} = a_0 + a_1 \cdot T_{hw,in} + a_2 \cdot T_{cw,in} + a_3 \cdot \ln(m_{hw}) \tag{10}
$$
$$
\eta_{th} = b_0 + b_1 \cdot T_{hw,in} + b_2 \cdot T_{cw,in} + b_3 \cdot \ln(m_{hw}) \tag{11}
$$
这两个方程的拟合系数列于表10中。回归方程形式的选择基于因变量与各影响参数之间的曲线形状(图6和图8‐10)。回归方程的统计参数如表11所示。同时,为了验证该经验模型,使用了11月的实验值($T_{cw,in}= 13 °C$)与计算值进行比较。如图14所示,净输出功率和热效率的所有数值与实验值的误差均在 ±7.5%范围内,证实了该经验模型在预测系统性能方面具有良好的精度。该经验模型可应用于同类型的有机朗肯循环系统。是否适用于其他类型的有机朗肯循环系统仍有待进一步研究。该预测模型的应用存在以下一些限制:
- 有机朗肯循环系统必须具有相同的部件类型、相似的机械结构和相同的工作流体。
- 工作流体的过热应保持在5摄氏度以下。当过热超过该值时,预测模型将高估结果。
- 热源温度应在60至100°C范围内。
在设计相同类型的其他有机朗肯循环系统时,可根据背景应用的运行工况,利用该模型计算净输出功率和热效率。在运行阶段,该模型还可作为监控功能,通过实时采集和处理运行数据,当实际运行输出功率与计算值出现偏差时,检测系统故障。
4.4.2 在太阳能驱动的有机朗肯循环系统中的应用
该经验模型可用于映射有机朗肯循环机组在不同运行工况下的性能。当有机朗肯循环模块在实际应用中与其他热力系统集成时,该经验模型将有助于优化运行参数以提高效益。
在发电厂中,可通过足够数量的太阳能集热器替代热水锅炉,从而构成太阳能驱动的有机朗肯循环系统。该系统受环境条件影响较大,且系统热效率应同时考虑太阳能集热器效率和有机朗肯循环效率[19]。太阳能集热器的效率可用公式(12)描述。
$$
\eta_{collector} = \eta_0 - a_1 \cdot \frac{(T_{hw} - T_{amb})}{G} - a_2 \cdot \frac{(T_{hw} - T_{amb})^2}{G} \tag{12}
$$
基于先前研究[20]的$\eta_0$参数,$a_1,a_2$的值分别为0.730、1.26 W/m²/K和0.0041 W/m²/K²。
可以看出,太阳能集热器效率在较高的热水温度和较低的环境温度下会降低,这与之前讨论的有机朗肯循环子系统相反。太阳能驱动有机朗肯循环的系统热效率可通过公式(11)和公式(12)结合计算得出。
图15显示了在集热器上不同太阳辐照度(G)条件下,太阳能驱动的有机朗肯循环系统效率随热水温度和环境温度的变化关系。该结果可用于一年中变工况下系统效率的优化。可以看出,在高太阳辐照度(正午)时,无论环境温度如何,系统效率随热水温度呈单调变化,提高热水温度有利于系统运行。在低太阳辐照度(早晨或下午)时,系统效率与热水温度和环境温度相关。在低温环境下,系统效率随着热水温度的升高而降低,因此宜采用较低的热水温度运行。相反,在高温环境下,较高的热水温度可提高系统效率。
5. 结论
本文对利用低品位热源的50千瓦有机朗肯循环电站进行了热力学分析。太阳能集热系统和热水锅炉作为热源,提供温度范围为65至95摄氏度的热水。通过结合热力学第一定律和第二定律,评估了系统在变工况下的运行性能。根据本研究结果得出的主要结论如下:
(1) 本文量化了变工况条件下运行参数对系统性能的影响程度。为提高有机朗肯循环性能,建议蒸发器出口蒸汽处于饱和状态。由于冷却水入口温度对系统性能具有显著影响,系统性能在典型年度内变化较大。根据实验数据汇总,在冬季运行工况下温升最大时,实现了46.5千瓦的最大净输出功率和6.52%的热效率。
(2) 双螺杆膨胀机已被证明在较宽的操作范围内可行。膨胀机上的压力比对膨胀效率有很大影响。最大值67.5%在压力比约为3.2时达到,略高于内建容积比。建议在有机朗肯循环系统中采用过膨胀运行工况,以获得更高的功率输出和稳定性。
(3) 膨胀机中的㶲损占㶲损失的百分比最大。蒸发压力对㶲流有显著影响,而冷凝压力在确定㶲效率方面起着重要作用。在压力比约为3.2时,达到的最大㶲效率为36.3%。
(4) 借助实验数据,建立了净输出功率和热效率的经验公式,以可接受的精度预测变工况下的ORC性能。利用该模型对太阳能驱动的有机朗肯循环系统进行了估算,并提出了每日和年度运行的控制策略建议。
3286

被折叠的 条评论
为什么被折叠?



