目录
默认外加正弦信号
功率放大电路的基本要求:
(1)输出功率要尽可能大
(2)效率要高
(3)非线性失真要小
(4)功率器件的散热要好
1. 甲类功率放大电路
-
特点:无论是否有输入信号,BJT三极管始终处于导通状态,所以消耗功率大,效率低
-
电路举例

三极管工作在放大区; v b e ≈ 0.6 V v_{be} \approx 0.6V vbe≈0.6V; V C E S ≈ 0.2 V V_{CES} \approx 0.2V VCES≈0.2V
- 工作过程
设 v i v_i vi为正弦波,若 v i v_i vi处于正向最大值时刚好使三极管处于临界饱和状态,则 v c e v_{ce} vce等于饱和压降, v o v_o vo两端电压达到最大值且不失真的 V C C − V C E S V_{CC} - V_{CES} VCC−VCES;若 v i v_i vi再大一点,三极管就会在输入比较大的时候进入饱和状态,产生饱和失真。
若 v i v_i vi处于负向最大值时刚好使三极管处于临界截止状态,则 i E = 0 i_{E} = 0 iE=0,此时流过负载的电压为电流源电压 I b i a s I_{bias} Ibias;若 v i v_i vi再小一点,三极管就会进入截止状态,产生截止失真。 - 输出电流曲线及静态工作点

2. 乙类功率放大电路
特点:只有在输入信号来临时,BJT三极管才导通。
(1) 基本乙类放大电路

(2) 乙类双电源互补对称电路
- 电路举例

- 工作过程
当正弦输入信号 v i v_i vi 为正值且大于 0.7 v 0.7v 0.7v 时,T1 导通,T2 截止,此时电路为共集电极放大电路(电压跟随器);当 v i v_i vi 为负值时与此情况相反。
当输入电压 v i v_i vi很大时,输出功率也很大。此时BJT三极管处于放大区和饱和区的临界,所以 V C E V_{CE} VCE可以用饱和压降代替, - 参数计算
以下功率全为平均功率
① a. 输出功率
P o = 1 2 V o m 2 R L P_o = \frac{1}{2}\frac{V_{om}^2}{R_L} Po=21RLVom2
① b. 最大输出功率
P o = 1 2 ( V C C − V C E S ) 2 R L P_o = \frac{1}{2} \frac{(V_{CC}-V_{CES})^2}{R_L} Po=21RL(VCC−VCES)2
① c. 最大输出功率(忽略BJT的饱和压降 V C E S V_{CES} VCES)
P o m = 1 2 V C C 2 R L P_{om} = \frac{1}{2} \frac{V_{CC}^2}{R_L} Pom=21RLVCC2
② T 1 和 T 2 T_1和T_2 T1和T2的总管耗
P T = 2 R L ( V C C V o m π − V o m 2 4 ) P_T = \frac{2}{R_L}(\frac{V_{CC}V_{om}}{\pi} - \frac{V_{om}^2}{4}) PT=RL2(πVCCVom−4Vom2)
两管的管耗相同,除以2即为各管耗
当输入信号= 0.6 V C C 0.6V_{CC} 0.6VCC时,管耗最大。
③ a. 直流电源供给的功率
P
v
=
2
V
C
C
V
o
m
π
R
L
P_v = \frac{2V_{CC}V_{om}}{\pi R_L}
Pv=πRL2VCCVom
③ b. 直流电源供给的最大功率
P
v
m
=
P
o
m
+
P
v
P_{vm} = P_{om} + P_v
Pvm=Pom+Pv
④ 效率
η
=
P
o
P
v
\eta = \frac{P_o}{P_v}
η=PvPo
效率最大为78.5%
3. 甲乙类互补对称功率放大电路
(1) 基本甲乙类功率放大电路

(2) 甲乙类双电源互补对称电路
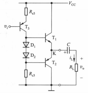
-
电路图
①

-
工作过程
静态时,调节 R e 3 , R c 3 R_{e3},R_{c3} Re3,Rc3,使电路上下对称,输出的 v o = 0 v_o = 0 vo=0, i C 1 = i C 2 i_{C1} = i_{C2} iC1=iC2, i L = 0 i_L = 0 iL=0
动态时, -
参数计算
由于放大电路的部分与乙类双电源功率放大电路的工作情况类似,没有了交越失真,即使 v i v_i vi很小也能被放大,所以其参数计算的公式与其相同。
(3) 甲乙类单电源互补对称电路
-
电路图

-
工作过程
-
参数计算
4. BJT的选择
不能让BJT三极管烧坏
① 最大管耗
一
个
B
J
T
的
最
大
允
许
管
耗
>
0.2
P
o
m
一个BJT的最大允许管耗>0.2P_{om}
一个BJT的最大允许管耗>0.2Pom
原因:当
V
o
m
=
0.6
V
C
C
V_{om} = 0.6V_{CC}
Vom=0.6VCC时,管耗最大,并且等于0.2倍的
P
o
m
P_{om}
Pom,为了不烧坏BJT三极管,所以选择BJT三极管时应选承受能力大于此值的管子。
② 反向击穿电压
∣ V ( B R ) C E O ∣ > 2 V C C |V_{(BR)CEO}| > 2V_{CC} ∣V(BR)CEO∣>2VCC
③ 最大电流
I C M > V C C R L I_{CM}>\frac{V_{CC}}{R_L} ICM>RLVCC
本文详细介绍了甲类、乙类及甲乙类功率放大电路的特点、工作原理与参数计算方法,并探讨了BJT的选择标准,包括最大管耗、反向击穿电压及最大电流等关键指标。
9385

被折叠的 条评论
为什么被折叠?



