目录
一、DMA直接存储器存取
DMA简介
DMA(Direct Memory Access)直接存储器存取
DMA可以提供外设和存储器【各外设的数据寄存器DR 与 运行内存SRAM和程序存储器Flash】或者存储器和存储器之间的高速数据传输,无须CPU干预,节省了CPU的资源
12个独立可配置的通道: DMA1(7个通道), DMA2(5个通道)
每个通道都支持软件触发【存储器到存储器】和特定的硬件触发【ADC数据寄存器、串口的数据寄存器、定时器寄存器等】
二、存储器映像

ROM的存储单元采用的是浮栅场效应管,断电可以长期保留电子,E2PROM是电可擦除。FLASH和E2PROM类似,但是E2PROM是以字节为单元进行擦除,而FLASH可以以扇区为单位
程序存储器Flash,又称为主闪存,运行程序一般是从主闪存开始运行
例如OLED_Font.h文件,里面定义了const类型的字库,会存储在Flash中,节省SRAM空间
系统存储器和选项字节的存储介质也是Flash
选项字节里面存储的是Flash的读保护,写保护,还有看门狗的配置
RAM的读取速度与该数据单元的位置无关,存储单元采用双稳态触发器或电容。可以分为动态和静态,动态的存储单元是电容,需要周期性的充电(刷新)以保存数据,静态的速度要快,存储单元是双稳态的触发器,存储容量比动态的少,因为发热高。
外设寄存器的存储介质也是SRAM
计算机系统组成部分:运算器,控制器,存储器,输入设备,输出设备。【CPU=运算器+控制器】

STM32的CPU是32位:总线的最大寻址范围是4GB,所以最大只支持4GB的存储器
(2^ 32B=2^32/1024/1024/1024=4GB)
地址0存储器的内容取决于Boot0/1引脚,即可以把想要最初执行的程序映射放到0位置上,可选择Flash程序存储器或BootLoader系统存储器或SRAM
通过存储器映像可知,查找某个寄存器的地址,首先查找该寄存器所在外设的起始地址,然后查找该寄存器的偏移。寄存器的地址=外设寄存器偏移+外设起始地址
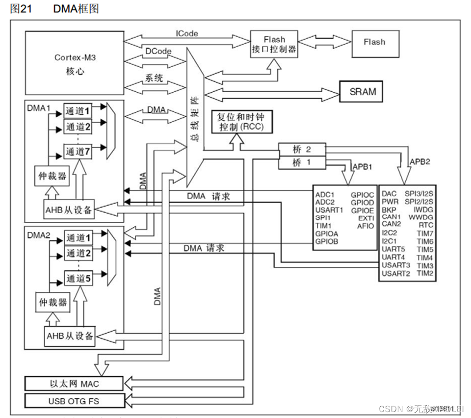
三、DMA的框图

总线矩阵的左侧为主动单元,右侧为被动单元,主动单元可以访问右边被动单元的存储器
内核有Dcode和系统总线,可以访问右边的存储器,Dcode是专门访问Flash
DMA仲裁器,由于DMA总线只有一条,而DMA有7个通道,根据优先级使用,起调度作用
总线矩阵也有仲裁器,当CPU和DMA访问同一个地址时进行仲裁
AHB从设备是DMA的寄存器,所以DMA既是主动单元也是被动单元,作为主动单元可以访问其他外设的寄存器,作为被动单元,CPU可以对DMA进行配置
DMA请求:图中都是硬件触发DMA转运,由ADC外设或串口外设触发等
stm32系统结构图看做CPU和存储器,各个外设可以看做寄存器,寄存器是存储器的一种。CPU可以对存储器进行读写,同样的可以对寄存器读写,通过寄存器的数据位控制外设状态
Flash存储器是只读存储器的一种,所以DMA目的地址一般不写该地址,SRAM是运行内存,可以读写,外设的数据寄存器都是可读可写
四、DMA基本结构

方向是控制源地址和目的地址
存储器到存储器包含两种:Flash到SRAM和SRAM到SRAM
Flash不可以作为目的地址。
数据宽度:字节8位、半字16位、字32位
地址是否自增:在ADC扫描模式用DMA进行转运时,ADC的数据寄存器就不需要地址自增
传输计数器:指定总共需要转运几次,是自减计数器,当减到0时,源数据的地址(在自增的情况下)就会恢复到最初的地址
自动重装器:当传输计数器减到0的时候,传输计数器是否自动恢复到最初的值
决定转运的模式: 单次模式or循环模式【循环模式一般是配合ADC的扫描模式+连续转换】
M2M决定是软件触发还是硬件触发
硬件触发一般与外设有关,如定时器中断,ADC转换完成,串口接受到数据等
软件触发一般用于存储器到存储器的转运,该软件触发和外部中断、ADC的软件触发不一样,不是开启一次触发一次,而是以最快的速度完成转运(即执行到自动重装器为0)【注意:软件触发和自动重装器的循环模式不能同时使用】
写传输计数器时,必须先关闭开关控制
五、DMA请求(触发源)

每个通道都支持软件触发和特定的硬件触发,硬件触发与外设有关,可以是ADC,TIM,USART,SPI,I2C,如果硬件触发就需要开启相应的DMA输出,例如:ADC_DMACmd()。而软件触发就执行DMA_SetCurrDataCounter()需要配置传递的个数以及传递的通道
每个通道的硬件触发源都是不一样的
开关控制是EN位,EN位置1表示开启该通道
六、数据宽度与对齐

数据宽度:
小到大,高位补0
大到小,高位舍弃
关于数据宽度
0x01表示十六进制,一共8位,用uint_8接收
0x2000 0000 是十六进制,一共32位,用uint_32接收
七、存储器到存储器的DMA转运

开启DMA时钟。
初始化DMA。包括:起始站点的地址、传输的数据宽度、地址是否自增;目标站点的地址、传输的数据宽度、地址是否自增;传输方向;传输计数器的设置;是否自动重装计数器;触发方式和优先级的选择。
选择DMA通道。
使能DMA。
7.1程序
7.1.1接线图

7.1.2程序代码
DMA.c
#include "stm32f10x.h" // Device header
uint16_t MyDMA_Size;
void MyDMA_Init(uint32_t AddrA, uint32_t AddrB, uint16_t Size)
{
MyDMA_Size = Size;
RCC_AHBPeriphClockCmd(RCC_AHBPeriph_DMA1, ENABLE);//DMA1在AHB总线下
DMA_InitTypeDef DMA_InitStructure;
DMA_InitStructure.DMA_PeripheralBaseAddr = AddrA;//起始地址
DMA_InitStructure.DMA_PeripheralDataSize = DMA_PeripheralDataSize_Byte;//数据宽度
DMA_InitStructure.DMA_PeripheralInc = DMA_PeripheralInc_Enable;//是否自增
DMA_InitStructure.DMA_MemoryBaseAddr = AddrB;//此处地址不是固定的,通过动态读取变量的地址值
DMA_InitStructure.DMA_MemoryDataSize = DMA_MemoryDataSize_Byte;
DMA_InitStructure.DMA_MemoryInc = DMA_MemoryInc_Enable;
DMA_InitStructure.DMA_DIR = DMA_DIR_PeripheralSRC;//指定外设站点是目的地还是源地址,Peripheral=外设站点。DST=destination目的地,SRC源地址
DMA_InitStructure.DMA_BufferSize = Size;//缓冲区大小=传输计数器
DMA_InitStructure.DMA_Mode = DMA_Mode_Normal;//是否自动重装
DMA_InitStructure.DMA_M2M = DMA_M2M_Enable;//m2m输出1开启软件触发
DMA_InitStructure.DMA_Priority = DMA_Priority_Medium;//转运的优先级
DMA_Init(DMA1_Channel1, &DMA_InitStructure);//选择DMA1的通道1,软件触发任意通道都行
DMA_Cmd(DMA1_Channel1, DISABLE);//先失能,调用MyDMA_Transfer才开始转运
}
//ADC单次转换需要写代码去触发ADC开始,DMA单次模式,需要开关控制器以写入传输计数器
//ADC循环转换只需要在初始化的时候开启一次,DMA循环模式,不需要开关控制器以写入传输计数器
void MyDMA_Transfer(void)
{
//写传输计数器时,必须先关闭开关控制
DMA_Cmd(DMA1_Channel1, DISABLE);
DMA_SetCurrDataCounter(DMA1_Channel1, MyDMA_Size);//给传输计数器写数据
DMA_Cmd(DMA1_Channel1, ENABLE);
while (DMA_GetFlagStatus(DMA1_FLAG_TC1) == RESET);//等待转运完成,参数DMA1_FLAG_TC1是转运完成标志位
DMA_ClearFlag(DMA1_FLAG_TC1);
}
main.c
#include "stm32f10x.h" // Device header
#include "Delay.h"
#include "OLED.h"
#include "MyDMA.h"
uint8_t DataA[] = {0x01, 0x02, 0x03, 0x04};
uint8_t DataB[] = {0, 0, 0, 0};
int main(void)
{
OLED_Init();
MyDMA_Init((uint32_t)DataA, (uint32_t)DataB, 4);
OLED_ShowString(1, 1, "DataA");
OLED_ShowString(3, 1, "DataB");
OLED_ShowHexNum(1, 8, (uint32_t)DataA, 8);//展示变量的地址
OLED_ShowHexNum(3, 8, (uint32_t)DataB, 8);
while (1)
{
DataA[0] ++;
DataA[1] ++;
DataA[2] ++;
DataA[3] ++;
OLED_ShowHexNum(2, 1, DataA[0], 2);
OLED_ShowHexNum(2, 4, DataA[1], 2);
OLED_ShowHexNum(2, 7, DataA[2], 2);
OLED_ShowHexNum(2, 10, DataA[3], 2);
OLED_ShowHexNum(4, 1, DataB[0], 2);
OLED_ShowHexNum(4, 4, DataB[1], 2);
OLED_ShowHexNum(4, 7, DataB[2], 2);
OLED_ShowHexNum(4, 10, DataB[3], 2);
Delay_ms(1000);
MyDMA_Transfer();
OLED_ShowHexNum(2, 1, DataA[0], 2);
OLED_ShowHexNum(2, 4, DataA[1], 2);
OLED_ShowHexNum(2, 7, DataA[2], 2);
OLED_ShowHexNum(2, 10, DataA[3], 2);
OLED_ShowHexNum(4, 1, DataB[0], 2);
OLED_ShowHexNum(4, 4, DataB[1], 2);
OLED_ShowHexNum(4, 7, DataB[2], 2);
OLED_ShowHexNum(4, 10, DataB[3], 2);
Delay_ms(1000);
}
}
八、ADC转换和DMA转运数据

选择ADC转换模式:连续转换,扫描模式。
初始化ADC。
初始化DMA。
使能DMA。
设置DMA触发方式为:ADC硬件触发。
使能ADC。
ADC校准。
8.1程序
8.1.1接线图

8.1.2程序代码
AD.c
#include "stm32f10x.h" // Device header
uint16_t AD_Value[4];//定义在SRAM里面的变量
void AD_Init(void)
{
RCC_APB2PeriphClockCmd(RCC_APB2Periph_ADC1, ENABLE);
RCC_APB2PeriphClockCmd(RCC_APB2Periph_GPIOA, ENABLE);
RCC_AHBPeriphClockCmd(RCC_AHBPeriph_DMA1, ENABLE);
RCC_ADCCLKConfig(RCC_PCLK2_Div6);
GPIO_InitTypeDef GPIO_InitStructure;
GPIO_InitStructure.GPIO_Mode = GPIO_Mode_AIN;
GPIO_InitStructure.GPIO_Pin = GPIO_Pin_0 | GPIO_Pin_1 | GPIO_Pin_2 | GPIO_Pin_3;
GPIO_InitStructure.GPIO_Speed = GPIO_Speed_50MHz;
GPIO_Init(GPIOA, &GPIO_InitStructure);
//配置通道与序列
ADC_RegularChannelConfig(ADC1, ADC_Channel_0, 1, ADC_SampleTime_55Cycles5);
ADC_RegularChannelConfig(ADC1, ADC_Channel_1, 2, ADC_SampleTime_55Cycles5);
ADC_RegularChannelConfig(ADC1, ADC_Channel_2, 3, ADC_SampleTime_55Cycles5);
ADC_RegularChannelConfig(ADC1, ADC_Channel_3, 4, ADC_SampleTime_55Cycles5);
ADC_InitTypeDef ADC_InitStructure;
ADC_InitStructure.ADC_Mode = ADC_Mode_Independent;
ADC_InitStructure.ADC_DataAlign = ADC_DataAlign_Right;
ADC_InitStructure.ADC_ExternalTrigConv = ADC_ExternalTrigConv_None;
ADC_InitStructure.ADC_ContinuousConvMode = ENABLE;//连续扫描,只要一次触发
ADC_InitStructure.ADC_ScanConvMode = ENABLE;//扫描模式
ADC_InitStructure.ADC_NbrOfChannel = 4;//扫描通道个数
ADC_Init(ADC1, &ADC_InitStructure);
DMA_InitTypeDef DMA_InitStructure;
DMA_InitStructure.DMA_PeripheralBaseAddr = (uint32_t)&ADC1->DR;
DMA_InitStructure.DMA_PeripheralDataSize = DMA_PeripheralDataSize_HalfWord;//半字传输
DMA_InitStructure.DMA_PeripheralInc = DMA_PeripheralInc_Disable;
DMA_InitStructure.DMA_MemoryBaseAddr = (uint32_t)AD_Value;//如果变量为地址值,需要强制转化为uint32_t
DMA_InitStructure.DMA_MemoryDataSize = DMA_MemoryDataSize_HalfWord;
DMA_InitStructure.DMA_MemoryInc = DMA_MemoryInc_Enable;
DMA_InitStructure.DMA_DIR = DMA_DIR_PeripheralSRC;
DMA_InitStructure.DMA_BufferSize = 4;
DMA_InitStructure.DMA_Mode = DMA_Mode_Circular;//循环模式
DMA_InitStructure.DMA_M2M = DMA_M2M_Disable;//硬件触发
DMA_InitStructure.DMA_Priority = DMA_Priority_Medium;
DMA_Init(DMA1_Channel1, &DMA_InitStructure);//ADC1的硬件触发只能是DMA1通道上
DMA_Cmd(DMA1_Channel1, ENABLE);
ADC_DMACmd(ADC1, ENABLE);//硬件触发需要打开通道
ADC_Cmd(ADC1, ENABLE);//开启ADC到DMA的输出
//固定校准
ADC_ResetCalibration(ADC1);
while (ADC_GetResetCalibrationStatus(ADC1) == SET);
ADC_StartCalibration(ADC1);
while (ADC_GetCalibrationStatus(ADC1) == SET);
ADC_SoftwareStartConvCmd(ADC1, ENABLE);
}
main.c
#include "stm32f10x.h" // Device header
#include "Delay.h"
#include "OLED.h"
#include "AD.h"
int main(void)
{
OLED_Init();
AD_Init();
OLED_ShowString(1, 1, "AD0:");
OLED_ShowString(2, 1, "AD1:");
OLED_ShowString(3, 1, "AD2:");
OLED_ShowString(4, 1, "AD3:");
while (1)
{
OLED_ShowNum(1, 5, AD_Value[0], 4);
OLED_ShowNum(2, 5, AD_Value[1], 4);
OLED_ShowNum(3, 5, AD_Value[2], 4);
OLED_ShowNum(4, 5, AD_Value[3], 4);
Delay_ms(100);
}
}
参考视频:江科大自化协
文章详细介绍了STM32中的DMA机制,包括直接存储器存取的概念、存储器映像的原理、DMA的结构和基本配置,以及如何进行存储器到存储器的数据转运。此外,还讨论了ADC转换和DMA转运数据的流程,强调了不同模式下的配置和触发源选择。
1533

被折叠的 条评论
为什么被折叠?



