stm32f103c8t6
一、引脚定义图

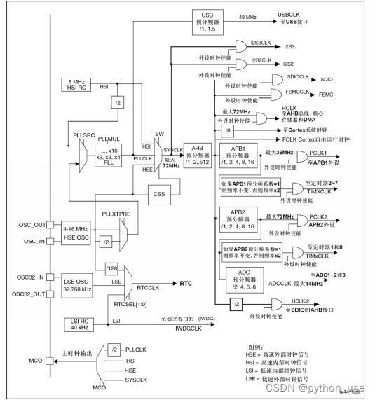
二、时钟树

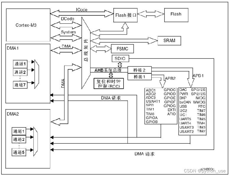
三、系统结构图
四、启动配置
(有时候不小心短接VCC和GND,芯片会锁住,可以BOOT0拉高试试(用跳线帽接))
五、最小系统原理图
可用于PCB设计

六、常见折腾人bug
1.RCC开启时钟错误,例如 RCC_APB2PeriphClockCmd(RCC_APB2Periph_GPIOB, ENABLE); 写成 RCC_APB1PeriphClockCmd(RCC_APB2Periph_GPIOB, ENABLE); 这个函数是有说明的,可以看看vscode显示的函数信息再写!
2.工作环境问题。不要放在磁场较强的地方。我的笔记本电脑的边沿处有两块磁铁,某次调试程序把单片机放在了上面,程序现象死活出不来,后来换了个位置,一切正常。
3.焊接问题
当单片机无法重启或者jlink cannot attach cpu时候,检查一下自己的复位电路!!!我为了省事,100nF对地电容没焊接,导致一堆问题
STM32F407xx






本文介绍了STM32F103C8T6单片机的引脚定义、时钟树设置、启动配置注意事项,包括可能遇到的短路问题。还探讨了RCC时钟配置错误以及工作环境对单片机的影响。
1733





