七位数码管
回忆上次内容
- 上次回顾了
- 指示灯
- 辉光管
- 并了解了 驱动(driver)
- 驱动 就是
- 控制设备 工作的人(模块)
- 驱动 就是
- 辉光管离我们的生活很远了

- 辉光管
- 离我们生活 太远
- 有没有
- 生活中 更近一些的东西 呢?
- 一种 数字显示方式
- 很常见
发展过程
- 1970年代
- 国外开始广泛使用

- 逐步应用到
- 电子钟表
- 电子琴
- 计算器
- 养生壶
数码管
- 计算器

具体应用
- 显示面板中 经常见到

- 豆浆机

- 健身器械
- 测量器械
配合 LED
- Led
- 可以显示 开关
- 数码管
- 可以显示 数字

- 这是什么原理呢?
7-Segment
- 数码管 全称
- 7-segment 七段数码管
- 总共由 7个 发光二极管 组成

- 接收 7-bit 输入信号

- 不同的数字
- 需要点亮
- 不同的LED组合
- 需要点亮
显示原理
- 不同的数字
- 点亮 不同的LED组合

- 七段数码管(7-segment)
- 对应真值表

- 如何才能 驱动(drive)
- 这个 设备(device) 呢?
字型编码

- 就可以得到7位数码管的字型

- 这种输出设备如何驱动呢?
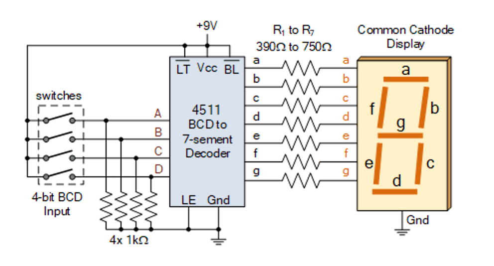
数码管驱动电路
- 使用4511 作为 驱动(driver)

- 很多应用就是显示固定的数字
- 非常明确好用
具体应用
- 回忆起
- 担心赶不上 300路末班 的心情
- 黑夜里 看见 发光二极管
- 真是 太开心了

-
当时 57路 转 300路
- 再叠加 早晚高峰
- 真的 不容易!!!
-
4511 为什么能驱动呢?
4511 原理
- 需要 实现 输入4-bit bcd码
- 输出 7-bit字型信息码
- 需要构建如下真值表

电路实现
- 使用 逻辑门
- 实现 真值表
- 集成在 一个模块 中
- 形成 驱动(driver) 电路

- 使用 硬(Hard)编码(Coded) 驱动
- 直接蚀刻成驱动芯片
- 显示的数字
- 可以变化 吗?
使用单片机软解码
- 选用80c51芯片
- 一个8-bit的io口(PA口)
- 负责输出具体的字型
- 另一个8-bit的io口(PB口)
- 利用6-bit 负责选片
- 设置所选择的具体数码管
- 然后输出

- 51单边机 比4511贵得多
- 不过功能更强大
步入生活
- 应用7-seg的地方 越来越多

- 街头 开始
- 能够 看到 数码管的设备

- 这样 数码管的字形
- 就可以设置了
- 而且可以报时
高分辨率时代
- 即使今天
- 到了 高分辨率 液晶时代

- 这种数码管风格的 显示方法
- 还是 那么硬核
总结
- 这次回顾了 7-seg
- 七位数码管
- 可以显示数字
- 甚至是十六进制数字

-
能否让 七位数码管
- 将26个字母
- 全部都显示出来 呢?🤔
- 将26个字母
-
我们下次再说!👋
-
蓝桥->https://www.lanqiao.cn/courses/3584
-
github->https://github.com/overmind1980/oeasy-python-tutorial
-
gitee->https://gitee.com/overmind1980/oeasypython
7-segment数码管由7个LED组成,用于显示数字。通过不同的LED组合显示不同数字,4511芯片常用于驱动数码管,实现4-bitBCD码到7-bit字型信息码的转换。单片机如80c51则可以提供更灵活的软解码方式来控制数码管,不仅显示数字,还能显示更多内容。
891

被折叠的 条评论
为什么被折叠?



