✅作者简介:热爱数据处理、数学建模、仿真设计、论文复现、算法创新的Matlab仿真开发者。
🍎更多Matlab代码及仿真咨询内容点击主页 🔗:Matlab科研工作室
🍊个人信条:格物致知,期刊达人。
🔥 内容介绍
微电网作为一种新型电力系统架构,其规模相对较小,结构复杂多样,且高比例可再生能源接入导致系统运行的动态特性更为复杂。因此,保证微电网的瞬态稳定性至关重要。电力系统稳定器 (Power System Stabilizer, PSS) 和静态 VAR 补偿器 (Static VAR Compensator, SVC) 作为两种重要的电力系统稳定控制设备,在提高微电网瞬态稳定性方面发挥着关键作用。本文将深入探讨 PSS 和 SVC 的工作原理,并分析其在微电网中提升瞬态稳定性的机理及相互作用。
一、 微电网瞬态稳定性面临的挑战
相比于传统大电网,微电网的瞬态稳定性面临着更为严峻的挑战:
-
高比例可再生能源接入: 风力发电和光伏发电等可再生能源具有间歇性和波动性,其出力变化会对系统频率和电压产生显著影响,降低系统阻尼,从而恶化瞬态稳定性。
-
弱连接和低惯量: 微电网通常采用分布式发电模式,发电机组规模较小,系统惯性较低,对扰动响应较慢,容易造成系统频率和电压大幅度波动,增加失去同步的风险。
-
网络结构复杂: 微电网的网络结构更为复杂,包含多种类型的发电机组、负载和储能设备,系统运行状态难以预测,对控制策略的准确性和及时性要求更高。
-
保护装置的协调性: 微电网保护装置的协调性差会导致系统出现错误动作,加剧系统扰动,降低瞬态稳定性。
二、 电力系统稳定器 (PSS) 的作用机理
PSS 是一种基于负反馈控制的装置,其主要功能是增强发电机组的阻尼特性,抑制低频振荡,提高系统稳定性。PSS 通过检测发电机转速或功率偏差等信号,产生一个附加的励磁控制信号,作用于励磁系统,从而调节发电机的励磁电压,改变发电机的输出功率,最终提高系统的阻尼比,抑制低频振荡,避免系统失去同步。
PSS 的设计需要仔细考虑微网的具体特性,包括系统频率、电压、功率等参数,以及不同类型的发电机组的特性。先进的 PSS 设计通常采用先进的控制算法,例如模糊控制、神经网络控制等,以提高其适应性和鲁棒性。
三、 静态 VAR 补偿器 (SVC) 的作用机理
SVC 是一种基于电力电子技术的快速响应的无功功率补偿装置,其主要功能是调节系统电压,提高系统功率因数,改善系统电压稳定性。SVC 通过控制其内部的电力电子开关器件,快速调节其无功功率输出,从而补偿系统无功功率的波动,稳定系统电压。
在微电网中,SVC 的作用尤为重要。它可以有效地抑制由可再生能源出力波动引起的电压波动,提高系统电压稳定性,并改善电力系统的动态性能。此外,SVC 还可以通过协调控制与 PSS 共同作用,进一步提高系统瞬态稳定性。
四、 PSS 和 SVC 的协同作用
PSS 和 SVC 的联合应用可以显著增强微电网的瞬态稳定性。两者之间存在着协同作用:
-
互补作用: PSS 主要针对系统频率和功率的稳定控制,而 SVC 主要针对系统电压的稳定控制,两者互补,共同维护系统稳定运行。
-
增强阻尼作用: SVC 通过调节电压,间接影响发电机转子运动,与 PSS 共同增强系统阻尼,抑制低频振荡。
-
提高控制精度: PSS 和 SVC 联合控制可以提高控制精度,更有效地抑制系统扰动,缩短系统恢复稳定所需的时间。
-
改善系统动态特性: PSS 和 SVC 的联合应用可以改善微电网的动态特性,提高系统对各种扰动的适应能力。
五、 结论
在微电网中,PSS 和 SVC 作为两种重要的电力系统稳定控制设备,在提高瞬态稳定性方面发挥着关键作用。它们通过各自的控制策略,以及协同作用,有效地抑制系统低频振荡,稳定系统电压和频率,提高系统对各种扰动的适应能力。未来的研究方向应该着重于开发更先进的 PSS 和 SVC 控制算法,以及研究两者之间更有效的协调控制策略,以进一步提高微电网的瞬态稳定性,确保微电网的安全可靠运行。 同时,考虑微电网的特殊性,开发针对微电网特点的保护策略,也至关重要,以避免保护装置误动作加剧系统不稳定。 此外,深入研究不同类型的可再生能源对系统稳定性的影响,并提出相应的应对措施,也是未来研究的重要方向。
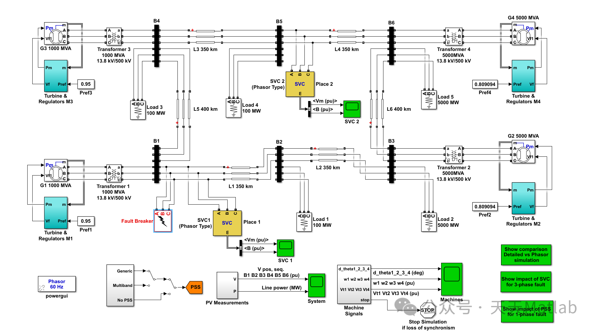
⛳️ 运行结果



🔗 参考文献
🎈 部分理论引用网络文献,若有侵权联系博主删除
🎁私信完整代码和数据获取及仿真定制
擅长领域:
🌈 各类智能优化算法改进及应用
生产调度、经济调度、装配线调度、充电优化、车间调度、发车优化、水库调度、三维装箱、物流选址、货位优化、公交排班优化、充电桩布局优化、车间布局优化、集装箱船配载优化、水泵组合优化、解医疗资源分配优化、设施布局优化、可视域基站和无人机选址优化、背包问题、 风电场布局、时隙分配优化、 最佳分布式发电单元分配、多阶段管道维修、 工厂-中心-需求点三级选址问题、 应急生活物质配送中心选址、 基站选址、 道路灯柱布置、 枢纽节点部署、 输电线路台风监测装置、 集装箱调度、 机组优化、 投资优化组合、云服务器组合优化、 天线线性阵列分布优化、CVRP问题、VRPPD问题、多中心VRP问题、多层网络的VRP问题、多中心多车型的VRP问题、 动态VRP问题、双层车辆路径规划(2E-VRP)、充电车辆路径规划(EVRP)、油电混合车辆路径规划、混合流水车间问题、 订单拆分调度问题、 公交车的调度排班优化问题、航班摆渡车辆调度问题、选址路径规划问题、港口调度、港口岸桥调度、停机位分配、机场航班调度、泄漏源定位
🌈 机器学习和深度学习时序、回归、分类、聚类和降维
2.1 bp时序、回归预测和分类
2.2 ENS声神经网络时序、回归预测和分类
2.3 SVM/CNN-SVM/LSSVM/RVM支持向量机系列时序、回归预测和分类
2.4 CNN|TCN|GCN卷积神经网络系列时序、回归预测和分类
2.5 ELM/KELM/RELM/DELM极限学习机系列时序、回归预测和分类
2.6 GRU/Bi-GRU/CNN-GRU/CNN-BiGRU门控神经网络时序、回归预测和分类
2.7 ELMAN递归神经网络时序、回归\预测和分类
2.8 LSTM/BiLSTM/CNN-LSTM/CNN-BiLSTM/长短记忆神经网络系列时序、回归预测和分类
2.9 RBF径向基神经网络时序、回归预测和分类
2.10 DBN深度置信网络时序、回归预测和分类
2.11 FNN模糊神经网络时序、回归预测
2.12 RF随机森林时序、回归预测和分类
2.13 BLS宽度学习时序、回归预测和分类
2.14 PNN脉冲神经网络分类
2.15 模糊小波神经网络预测和分类
2.16 时序、回归预测和分类
2.17 时序、回归预测预测和分类
2.18 XGBOOST集成学习时序、回归预测预测和分类
2.19 Transform各类组合时序、回归预测预测和分类
方向涵盖风电预测、光伏预测、电池寿命预测、辐射源识别、交通流预测、负荷预测、股价预测、PM2.5浓度预测、电池健康状态预测、用电量预测、水体光学参数反演、NLOS信号识别、地铁停车精准预测、变压器故障诊断
🌈图像处理方面
图像识别、图像分割、图像检测、图像隐藏、图像配准、图像拼接、图像融合、图像增强、图像压缩感知
🌈 路径规划方面
旅行商问题(TSP)、车辆路径问题(VRP、MVRP、CVRP、VRPTW等)、无人机三维路径规划、无人机协同、无人机编队、机器人路径规划、栅格地图路径规划、多式联运运输问题、 充电车辆路径规划(EVRP)、 双层车辆路径规划(2E-VRP)、 油电混合车辆路径规划、 船舶航迹规划、 全路径规划规划、 仓储巡逻
🌈 无人机应用方面
无人机路径规划、无人机控制、无人机编队、无人机协同、无人机任务分配、无人机安全通信轨迹在线优化、车辆协同无人机路径规划
🌈 通信方面
传感器部署优化、通信协议优化、路由优化、目标定位优化、Dv-Hop定位优化、Leach协议优化、WSN覆盖优化、组播优化、RSSI定位优化、水声通信、通信上传下载分配
🌈 信号处理方面
信号识别、信号加密、信号去噪、信号增强、雷达信号处理、信号水印嵌入提取、肌电信号、脑电信号、信号配时优化、心电信号、DOA估计、编码译码、变分模态分解、管道泄漏、滤波器、数字信号处理+传输+分析+去噪、数字信号调制、误码率、信号估计、DTMF、信号检测
🌈电力系统方面
微电网优化、无功优化、配电网重构、储能配置、有序充电、MPPT优化、家庭用电
🌈 元胞自动机方面
交通流 人群疏散 病毒扩散 晶体生长 金属腐蚀
🌈 雷达方面
卡尔曼滤波跟踪、航迹关联、航迹融合、SOC估计、阵列优化、NLOS识别
🌈 车间调度
零等待流水车间调度问题NWFSP 、 置换流水车间调度问题PFSP、 混合流水车间调度问题HFSP 、零空闲流水车间调度问题NIFSP、分布式置换流水车间调度问题 DPFSP、阻塞流水车间调度问题BFSP
👇
1988

被折叠的 条评论
为什么被折叠?



