✅作者简介:热爱科研的Matlab仿真开发者,擅长数据处理、建模仿真、程序设计、完整代码获取、论文复现及科研仿真。
🍎 往期回顾关注个人主页:Matlab科研工作室
🍊个人信条:格物致知,完整Matlab代码及仿真咨询内容私信。
🔥 内容介绍
随着电力系统规模的不断大,两区域互联电力系统已成为现代电力网络的重要组成部分。自动发电控制(Automatic Generation Control,AGC)作为维持电力系统频率稳定和区域间功率交换平衡的关键技术,在两区域系统中发挥着核心作用。当任何一个区域出现突然的负荷变化时,准确测量两个区域共享的功率,对于及时调整发电计划、维持系统稳定运行至关重要。若无法精确掌握共享功率,可能导致系统频率波动、联络线功率过载,甚至引发大面积停电事故。因此,深入研究两区域系统在区域负荷突变情况下共享功率的测量方法具有重要的理论和现实意义。
二、两区域系统自动发电控制原理概述
2.1 两区域系统结构特点
两区域系统由两个相对独立的子系统通过联络线相互连接而成。每个区域内部包含发电设备、输电网络和负荷中心,区域内的发电功率用于满足本区域的负荷需求,同时通过联络线与另一区域进行功率交换。联络线作为两区域功率传输的通道,其功率大小和方向反映了两个区域之间的功率平衡关系。两区域系统的这种结构设计,能够实现资源共享、提高供电可靠性和运行经济性,但也增加了系统运行控制的复杂性,尤其是在区域负荷发生突变时,需要精确协调两区域的发电和功率传输。
2.2 自动发电控制基本功能
自动发电控制的主要功能是通过调节发电机组的出力,维持电力系统频率在额定值附近,并确保区域间的功率交换按照计划进行。在两区域系统中,AGC 实时监测系统频率偏差和联络线功率偏差,根据预先设定的控制策略,向各区域内的发电机组发送调节信号。当系统频率降低时,AGC 会增加发电机组的有功出力;频率升高时,则减少出力。对于联络线功率,若实际功率与计划功率存在偏差,AGC 会调整相关区域的发电计划,使联络线功率恢复到预定值,从而实现两区域之间的功率平衡,保障系统的稳定运行。
三、区域负荷突变对共享功率的影响
3.1 负荷突变的类型与特性
区域负荷突变主要包括阶跃性突变和冲击性突变。阶跃性突变是指负荷在短时间内突然增加或减少到一个新的稳定值,例如大型工业设备的启动或停止;冲击性突变则是负荷在极短时间内产生大幅度的波动,随后迅速恢复或进入新的稳定状态,如雷电导致的短路故障引起的负荷瞬间变化。这些负荷突变具有变化速度快、幅度大的特点,会对两区域系统的功率平衡产生强烈干扰,导致联络线功率发生剧烈变化,进而影响系统频率和稳定性。
3.2 共享功率变化分析
当一个区域发生负荷突变时,两区域之间的共享功率会立即做出响应。以某区域负荷突然增加为例,该区域内的发电设备在短时间内无法完全满足新增负荷需求,此时需要通过联络线从另一区域获取功率支援,联络线功率会迅速增大,功率方向指向负荷增加的区域。而另一区域由于向外输出功率,其内部发电设备需要相应增加出力,以维持本区域的功率平衡。若负荷突变幅度较大,可能会超出联络线的传输容量限制,或导致系统频率严重偏离额定值,威胁电力系统的安全稳定运行。因此,准确测量这种情况下的共享功率,是实现快速有效控制的前提。
四、两区域系统共享功率测量方法

4.2 基于状态估计的间接测量法
间接测量法基于电力系统状态估计理论,通过采集系统中多个节点的电压幅值、相位以及支路电流等信息,利用状态估计算法(如加权最小二乘法、卡尔曼滤波法等)计算出系统的运行状态,进而得到联络线的共享功率。这种方法不需要在联络线上额外安装大量的功率传感器,降低了硬件成本,同时能够综合考虑系统中其他因素的影响,对功率进行更全面的估计。然而,间接测量法依赖于准确的系统模型和测量数据,若模型参数不准确或测量数据存在误差,会导致状态估计结果偏差,影响共享功率测量的精度。此外,状态估计算法的计算复杂度较高,对计算设备的性能要求也相对较高。
4.3 基于同步相量测量技术(PMU)的测量法
同步相量测量技术利用全球定位系统(GPS)提供的精确时间同步信号,能够实现对电力系统各节点电压和电流相量的同步测量。在两区域系统中,通过在联络线两端及关键节点安装 PMU 装置,可实时获取高精度的电压和电流相量数据。基于这些同步相量数据,能够快速准确地计算出联络线的功率大小和方向,并且可以监测功率的动态变化过程。PMU 测量法具有测量精度高、实时性强、能够反映系统动态特性等优点,特别适用于区域负荷突变等快速变化的场景。但 PMU 设备价格昂贵,且需要建立可靠的通信网络来传输大量的测量数据,增加了系统建设和运行成本。
五、测量数据处理与误差分析
5.1 数据滤波与降噪
由于测量过程中不可避免地会受到噪声干扰,如电磁干扰、通信噪声等,需要对采集到的测量数据进行滤波与降噪处理。常用的滤波方法包括低通滤波、中值滤波和卡尔曼滤波等。低通滤波可以有效滤除高频噪声,适用于去除测量信号中的高频干扰;中值滤波对椒盐噪声有较好的抑制作用,能够保留信号的边缘信息;卡尔曼滤波则是一种基于状态空间模型的最优估计算法,能够在存在噪声的情况下,对信号进行实时的最优估计,提高测量数据的准确性和可靠性。通过合理选择滤波方法,对测量数据进行预处理,可减少噪声对共享功率测量结果的影响。
5.2 误差来源与分析
共享功率测量误差主要来源于测量设备误差、系统模型误差和数据处理误差。测量设备误差包括功率传感器的精度限制、PMU 装置的测量误差等,这些误差会直接影响测量数据的准确性。系统模型误差是由于实际电力系统的复杂性,难以建立完全准确的数学模型,模型参数的不准确会导致基于模型的间接测量法产生误差。数据处理误差则是在数据采集、传输和计算过程中,由于采样频率不足、数据丢失、计算方法的近似等原因引起的误差。深入分析这些误差来源,有助于采取针对性的措施来减小误差,提高共享功率测量的精度。
5.3 误差修正与补偿
针对不同的误差来源,可以采取相应的误差修正与补偿措施。对于测量设备误差,可定期对功率传感器、PMU 装置等进行校准和维护,提高设备的测量精度;在系统模型误差方面,可通过不断优化系统模型,利用实际测量数据对模型参数进行在线辨识和修正,使模型更接近实际系统。在数据处理环节,可采用更精确的计算方法,增加数据采样频率,加强数据传输的可靠性,减少数据丢失和误差积累。通过综合运用这些误差修正与补偿方法,能够有效提高共享功率测量的准确性。
六、提高测量准确性的策略
6.1 优化测量设备配置
合理配置测量设备是提高共享功率测量准确性的基础。在联络线关键位置安装高精度、可靠性强的功率传感器和 PMU 装置,确保能够全面、准确地获取联络线功率信息。同时,根据系统的实际需求和运行特点,确定合适的测量设备数量和安装位置,避免测量盲区。例如,在联络线较长或功率变化较大的区段,适当增加测量点,以提高测量数据的完整性和准确性。此外,还应加强对测量设备的日常维护和管理,定期进行检测和校准,及时更换老化或损坏的设备,保证测量设备始终处于良好的工作状态。
6.2 改进测量算法与模型
不断改进测量算法和系统模型是提高测量准确性的关键。对于基于状态估计的间接测量法,研究更先进的状态估计算法,如结合人工智能技术的智能状态估计算法,提高算法对复杂系统的适应性和估计精度。在系统模型方面,考虑更多的实际因素,如线路参数的频率特性、变压器的非理想特性等,建立更精确的电力系统模型。对于基于 PMU 的测量法,优化相量计算和功率计算算法,提高计算速度和准确性。通过持续改进测量算法和模型,能够更好地适应两区域系统在负荷突变情况下的复杂运行状态,提高共享功率测量的精度。
6.3 加强数据通信与融合
可靠的数据通信和有效的数据融合是保障测量准确性的重要环节。建立高速、稳定的数据通信网络,确保测量数据能够及时、准确地传输到控制中心。采用先进的数据传输协议和技术,提高数据传输的可靠性和抗干扰能力,减少数据丢失和误码率。在数据融合方面,将不同测量方法获取的数据进行融合处理,充分发挥各测量方法的优势。例如,将基于功率传感器的直接测量数据与基于状态估计的间接测量数据进行融合,利用直接测量数据的高精度来修正间接测量数据的误差,同时利用间接测量数据的全面性来补充直接测量数据的不足,从而提高共享功率测量的准确性和可靠性。
七、结论与展望
7.1 研究成果总结
本研究围绕两区域系统自动发电控制中区域负荷突变时共享功率的测量问题,阐述了两区域系统自动发电控制原理,分析了区域负荷突变对共享功率的影响,详细介绍了基于功率传感器的直接测量法、基于状态估计的间接测量法和基于同步相量测量技术的测量方法,并对测量数据处理、误差分析以及提高测量准确性的策略进行了深入探讨。研究表明,不同的测量方法各有优缺点,在实际应用中需要根据系统特点和需求选择合适的测量方法,并通过优化测量设备配置、改进测量算法与模型、加强数据通信与融合等措施,提高共享功率测量的准确性,为两区域系统在负荷突变情况下的稳定运行提供有力支持。
7.2 未来研究方向
未来的研究可以从以下几个方面展开。一是随着电力系统向智能化、数字化方向发展,探索将人工智能、大数据等新兴技术应用于共享功率测量领域,如利用深度学习算法对测量数据进行分析和预测,提高测量的智能化水平和准确性。二是研究适应新型电力系统(如含高比例新能源的两区域系统)特点的共享功率测量方法,考虑新能源发电的间歇性、波动性对测量的影响,提出相应的解决方案。三是加强对测量设备的研发,降低设备成本,提高设备的集成度和可靠性,推动高精度、低成本测量设备的广泛应用。此外,还可以开展国际间的合作与交流,借鉴先进的测量技术和经验,共同促进两区域系统共享功率测量技术的发展。
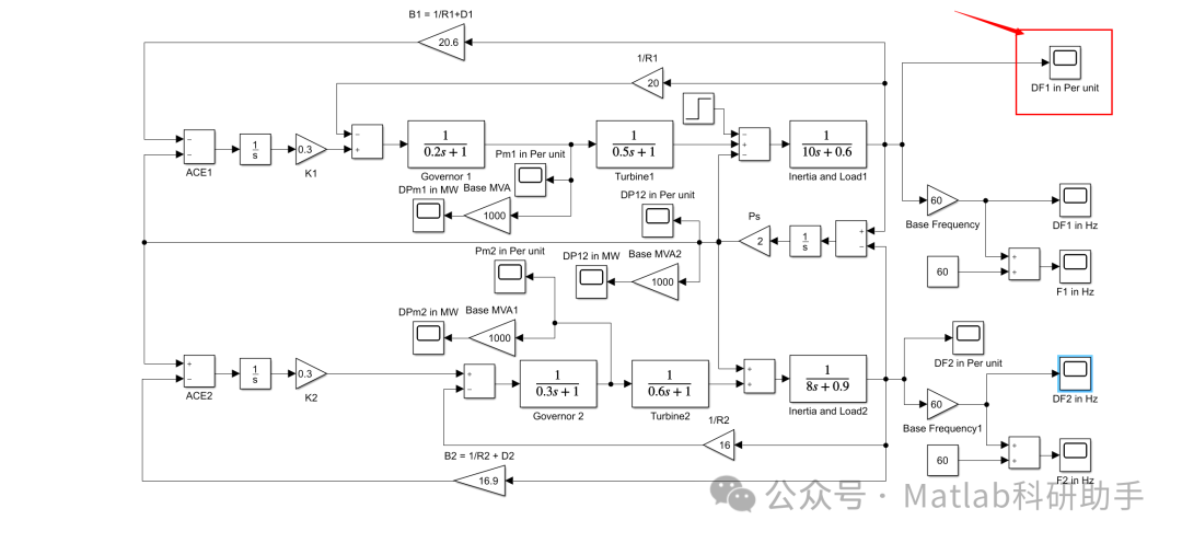
⛳️ 运行结果


🔗 参考文献
[1] 刘波,郭昆丽,冉媛,等.基于MATLAB新型电力系统稳定器的仿真研究[J].广东电力, 2018, 31(3):7.DOI:10.3969/j.issn.1007-290X.2018.003.012.
[2] 武昱.分布式发电系统仿真及其控制策略研究[D].重庆大学,2015.
[3] 吴佳思,张步涵,李枚,等.双馈异步风力发电系统低电压穿越控制策略仿真研究[C]//湖北省电工技术学会学术年会,"智能电网"暨"电机能效提升"发展论坛.2013.
📣 部分代码
🎈 部分理论引用网络文献,若有侵权联系博主删除
👇 关注我领取海量matlab电子书和数学建模资料
🏆团队擅长辅导定制多种科研领域MATLAB仿真,助力科研梦:
🌈 各类智能优化算法改进及应用
生产调度、经济调度、装配线调度、充电优化、车间调度、发车优化、水库调度、三维装箱、物流选址、货位优化、公交排班优化、充电桩布局优化、车间布局优化、集装箱船配载优化、水泵组合优化、解医疗资源分配优化、设施布局优化、可视域基站和无人机选址优化、背包问题、 风电场布局、时隙分配优化、 最佳分布式发电单元分配、多阶段管道维修、 工厂-中心-需求点三级选址问题、 应急生活物质配送中心选址、 基站选址、 道路灯柱布置、 枢纽节点部署、 输电线路台风监测装置、 集装箱调度、 机组优化、 投资优化组合、云服务器组合优化、 天线线性阵列分布优化、CVRP问题、VRPPD问题、多中心VRP问题、多层网络的VRP问题、多中心多车型的VRP问题、 动态VRP问题、双层车辆路径规划(2E-VRP)、充电车辆路径规划(EVRP)、油电混合车辆路径规划、混合流水车间问题、 订单拆分调度问题、 公交车的调度排班优化问题、航班摆渡车辆调度问题、选址路径规划问题、港口调度、港口岸桥调度、停机位分配、机场航班调度、泄漏源定位
🌈 机器学习和深度学习时序、回归、分类、聚类和降维
2.1 bp时序、回归预测和分类
2.2 ENS声神经网络时序、回归预测和分类
2.3 SVM/CNN-SVM/LSSVM/RVM支持向量机系列时序、回归预测和分类
2.4 CNN|TCN|GCN卷积神经网络系列时序、回归预测和分类
2.5 ELM/KELM/RELM/DELM极限学习机系列时序、回归预测和分类
2.6 GRU/Bi-GRU/CNN-GRU/CNN-BiGRU门控神经网络时序、回归预测和分类
2.7 ELMAN递归神经网络时序、回归\预测和分类
2.8 LSTM/BiLSTM/CNN-LSTM/CNN-BiLSTM/长短记忆神经网络系列时序、回归预测和分类
2.9 RBF径向基神经网络时序、回归预测和分类
2.10 DBN深度置信网络时序、回归预测和分类
2.11 FNN模糊神经网络时序、回归预测
2.12 RF随机森林时序、回归预测和分类
2.13 BLS宽度学习时序、回归预测和分类
2.14 PNN脉冲神经网络分类
2.15 模糊小波神经网络预测和分类
2.16 时序、回归预测和分类
2.17 时序、回归预测预测和分类
2.18 XGBOOST集成学习时序、回归预测预测和分类
2.19 Transform各类组合时序、回归预测预测和分类
方向涵盖风电预测、光伏预测、电池寿命预测、辐射源识别、交通流预测、负荷预测、股价预测、PM2.5浓度预测、电池健康状态预测、用电量预测、水体光学参数反演、NLOS信号识别、地铁停车精准预测、变压器故障诊断
🌈图像处理方面
图像识别、图像分割、图像检测、图像隐藏、图像配准、图像拼接、图像融合、图像增强、图像压缩感知
🌈 路径规划方面
旅行商问题(TSP)、车辆路径问题(VRP、MVRP、CVRP、VRPTW等)、无人机三维路径规划、无人机协同、无人机编队、机器人路径规划、栅格地图路径规划、多式联运运输问题、 充电车辆路径规划(EVRP)、 双层车辆路径规划(2E-VRP)、 油电混合车辆路径规划、 船舶航迹规划、 全路径规划规划、 仓储巡逻
🌈 无人机应用方面
无人机路径规划、无人机控制、无人机编队、无人机协同、无人机任务分配、无人机安全通信轨迹在线优化、车辆协同无人机路径规划
🌈 通信方面
传感器部署优化、通信协议优化、路由优化、目标定位优化、Dv-Hop定位优化、Leach协议优化、WSN覆盖优化、组播优化、RSSI定位优化、水声通信、通信上传下载分配
🌈 信号处理方面
信号识别、信号加密、信号去噪、信号增强、雷达信号处理、信号水印嵌入提取、肌电信号、脑电信号、信号配时优化、心电信号、DOA估计、编码译码、变分模态分解、管道泄漏、滤波器、数字信号处理+传输+分析+去噪、数字信号调制、误码率、信号估计、DTMF、信号检测
🌈电力系统方面
微电网优化、无功优化、配电网重构、储能配置、有序充电、MPPT优化、家庭用电
🌈 元胞自动机方面
交通流 人群疏散 病毒扩散 晶体生长 金属腐蚀
🌈 雷达方面
卡尔曼滤波跟踪、航迹关联、航迹融合、SOC估计、阵列优化、NLOS识别
🌈 车间调度
零等待流水车间调度问题NWFSP 、 置换流水车间调度问题PFSP、 混合流水车间调度问题HFSP 、零空闲流水车间调度问题NIFSP、分布式置换流水车间调度问题 DPFSP、阻塞流水车间调度问题BFSP
👇
两区域系统负荷突变时共享功率测量研究
825

被折叠的 条评论
为什么被折叠?



