选型手册:20-33GHz 四级单片中等功率放大器—CHA3092-99F

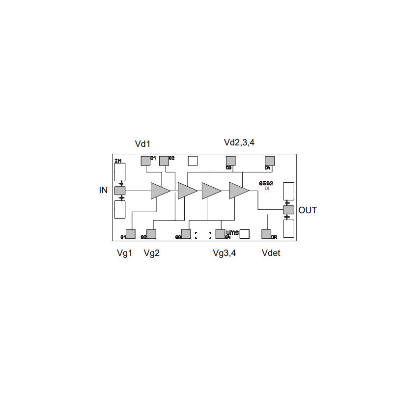
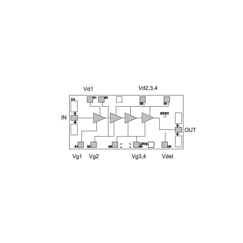
CHA3092-99F功率放大器性能介绍

CHA3092-99F

       CHA3092-99F 拥有着非凡的“力量”,能够将微弱的信号放大 22 倍,让原本难以察觉的信号变得清晰可见。它的“力量”不仅强大,而且持久稳定,即使是在 20-33GHz 的宽广频率范围内,它也能保持精准的放大效果,不偏离一丝一毫。

增益: 22 dB ± 1.0 dB
输出功率: 1 dB 压缩点 20 dBm,3 dB 压缩点 23 dBm
线性度: 三阶交调点 29 dBm
效率: 饱和功率附加效率 10%
输入/输出匹配: 输入 VSWR 2.0:1,输出 VSWR 3.0:1
噪声系数: 10.0 dB

CHA3395-98F
CHA6652-98F
CHA2441-QAG
CHA3395-QDG
CHA6652-QXG
CHA6356-QXG
CHA6682-QKB
CHA6682-98F
CHA2293-99F
CHA3409-98F
CHA2362-98F
CHA8362-99F
CHA6653-98F
CHA6653-QXG
CHA3396-QDG
CHA6354-QQA
CHA6357-QKB

===== TEST FINISHED OK ===== [dragon@localhost ova_temp]$ export LIBGUESTFS_BACKEND=direct [dragon@localhost ova_temp]$ export LIBGUESTFS_DEBUG=1 [dragon@localhost ova_temp]$ sudo -E virt-v2v -i disk win2003-disk1.vmdk -o local -os ~/vms/win2003/ libguestfs: create: flags = 0, handle = 0x5628d0bb1710, program = virt-v2v libguestfs: create: flags = 0, handle = 0x5628d0bb1da0, program = virt-v2v [ 0.0] Opening the source -i disk win2003-disk1.vmdk libguestfs: create: flags = 0, handle = 0x5628d0bb43f0, program = virt-v2v libguestfs: command: run: qemu-img --help | grep -sqE -- '\binfo\b.*-U\b' libguestfs: command: run: qemu-img libguestfs: command: run: \ info libguestfs: command: run: \ -U libguestfs: command: run: \ --output json libguestfs: command: run: \ ./win2003-disk1.vmdk libguestfs: parse_json: qemu-img info JSON output:\n{\n "virtual-size": 42949672960,\n "filename": "./win2003-disk1.vmdk",\n "cluster-size": 65536,\n "format": "vmdk",\n "actual-size": 2682425344,\n "format-specific": {\n "type": "vmdk",\n "data": {\n "cid": 2370822867,\n "parent-cid": 4294967295,\n "create-type": "streamOptimized",\n "extents": [\n {\n "compressed": true,\n "virtual-size": 42949672960,\n "filename": "./win2003-disk1.vmdk",\n "cluster-size": 65536,\n "format": ""\n }\n ]\n }\n },\n "dirty-flag": false\n}\n\n [ 0.0] Creating an overlay to protect the source from being modified libguestfs: create: flags = 0, handle = 0x5628d0bb5ab0, program = virt-v2v libguestfs: command: run: qemu-img --help | grep -sqE -- '\binfo\b.*-U\b' libguestfs: command: run: qemu-img libguestfs: command: run: \ info libguestfs: command: run: \ -U libguestfs: command: run: \ --output json libguestfs: command: run: \ /var/tmp/v2vovl4d77de.qcow2 libguestfs: parse_json: qemu-img info JSON output:\n{\n "backing-filename-format": "vmdk",\n "virtual-size": 42949672960,\n "filename": "/var/tmp/v2vovl4d77de.qcow2",\n "cluster-size": 65536,\n "format": "qcow2",\n "actual-size": 200704,\n "format-specific": {\n "type": "qcow2",\n "data": {\n "compat": "1.1",\n "lazy-refcounts": false,\n "refcount-bits": 16,\n "corrupt": false\n }\n },\n "full-backing-filename": "/home/dragon/ova_temp/win2003-disk1.vmdk",\n "backing-filename": "/home/dragon/ova_temp/win2003-disk1.vmdk",\n "dirty-flag": false\n}\n\n libguestfs: create: flags = 0, handle = 0x5628d0bb72d0, program = virt-v2v libguestfs: command: run: qemu-img --help | grep -sqE -- '\binfo\b.*-U\b' libguestfs: command: run: qemu-img libguestfs: command: run: \ info libguestfs: command: run: \ -U libguestfs: command: run: \ --output json libguestfs: command: run: \ /var/tmp/v2vovl4d77de.qcow2 libguestfs: parse_json: qemu-img info JSON output:\n{\n "backing-filename-format": "vmdk",\n "virtual-size": 42949672960,\n "filename": "/var/tmp/v2vovl4d77de.qcow2",\n "cluster-size": 65536,\n "format": "qcow2",\n "actual-size": 200704,\n "format-specific": {\n "type": "qcow2",\n "data": {\n "compat": "1.1",\n "lazy-refcounts": false,\n "refcount-bits": 16,\n "corrupt": false\n }\n },\n "full-backing-filename": "/home/dragon/ova_temp/win2003-disk1.vmdk",\n "backing-filename": "/home/dragon/ova_temp/win2003-disk1.vmdk",\n "dirty-flag": false\n}\n\n [ 0.1] Opening the overlay libguestfs: create: flags = 0, handle = 0x5628d0bb99f0, program = virt-v2v libguestfs: launch: program=virt-v2v libguestfs: launch: identifier=v2v libguestfs: launch: version=1.40.2libvirt libguestfs: launch: backend registered: unix libguestfs: launch: backend registered: uml libguestfs: launch: backend registered: libvirt libguestfs: launch: backend registered: direct libguestfs: launch: backend=direct libguestfs: launch: tmpdir=/tmp/libguestfssJzX3j libguestfs: launch: umask=0022 libguestfs: launch: euid=0 libguestfs: begin building supermin appliance libguestfs: run supermin libguestfs: command: run: /usr/bin/supermin libguestfs: command: run: \ --build libguestfs: command: run: \ --verbose libguestfs: command: run: \ --if-newer libguestfs: command: run: \ --lock /var/tmp/.guestfs-0/lock libguestfs: command: run: \ --copy-kernel libguestfs: command: run: \ -f ext2 libguestfs: command: run: \ --host-cpu x86_64 libguestfs: command: run: \ /usr/lib64/guestfs/supermin.d libguestfs: command: run: \ -o /var/tmp/.guestfs-0/appliance.d supermin: version: 5.1.19 supermin: rpm: detected RPM version 4.15 supermin: package handler: fedora/rpm supermin: acquiring lock on /var/tmp/.guestfs-0/lock supermin: if-newer: output does not need rebuilding libguestfs: finished building supermin appliance libguestfs: begin testing qemu features libguestfs: checking for previously cached test results of /usr/bin/qemu-kvm, in /var/tmp/.guestfs-0 libguestfs: loading previously cached test results libguestfs: qemu version: 4.1 libguestfs: qemu mandatory locking: yes libguestfs: qemu KVM: enabled libguestfs: finished testing qemu features /usr/bin/qemu-kvm \ -global virtio-blk-pci.scsi=off \ -no-user-config \ -enable-fips \ -nodefaults \ -display none \ -machine accel=kvm:tcg \ -cpu host \ -m 2150 \ -no-reboot \ -rtc driftfix=slew \ -no-hpet \ -global kvm-pit.lost_tick_policy=discard \ -kernel /var/tmp/.guestfs-0/appliance.d/kernel \ -initrd /var/tmp/.guestfs-0/appliance.d/initrd \ -object rng-random,filename=/dev/urandom,id=rng0 \ -device virtio-rng-pci,rng=rng0 \ -device virtio-scsi-pci,id=scsi \ -drive file=/var/tmp/v2vovl4d77de.qcow2,cache=unsafe,format=qcow2,copy-on-read=on,discard=unmap,id=hd0,if=none \ -device scsi-hd,drive=hd0 \ -drive file=/var/tmp/.guestfs-0/appliance.d/root,snapshot=on,id=appliance,cache=unsafe,if=none,format=raw \ -device scsi-hd,drive=appliance \ -device virtio-serial-pci \ -serial stdio \ -device sga \ -chardev socket,path=/tmp/libguestfsMJl3al/guestfsd.sock,id=channel0 \ -device virtserialport,chardev=channel0,name=org.libguestfs.channel.0 \ -netdev user,id=usernet,net=169.254.0.0/16 \ -device virtio-net-pci,netdev=usernet \ -append "panic=1 console=ttyS0 edd=off udevtimeout=6000 udev.event-timeout=6000 no_timer_check printk.time=1 cgroup_disable=memory usbcore.nousb cryptomgr.notests tsc=reliable 8250.nr_uarts=1 root=/dev/sdb selinux=0 guestfs_verbose=1 guestfs_network=1 TERM=xterm guestfs_identifier=v2v" qemu-kvm: Parameter 'type' expects a netdev backend type libguestfs: child_cleanup: 0x5628d0bb99f0: child process died libguestfs: sending SIGTERM to process 222751 virt-v2v: error: libguestfs error: guestfs_launch failed, see earlier error messages If reporting bugs, run virt-v2v with debugging enabled and include the complete output: virt-v2v -v -x [...] libguestfs: closing guestfs handle 0x5628d0bb99f0 (state 0) libguestfs: command: run: rm libguestfs: command: run: \ -rf /tmp/libguestfssJzX3j libguestfs: command: run: rm libguestfs: command: run: \ -rf /tmp/libguestfsMJl3al libguestfs: closing guestfs handle 0x5628d0bb72d0 (state 0) libguestfs: closing guestfs handle 0x5628d0bb5ab0 (state 0) libguestfs: closing guestfs handle 0x5628d0bb43f0 (state 0) libguestfs: closing guestfs handle 0x5628d0bb1da0 (state 0) libguestfs: closing guestfs handle 0x5628d0bb1710 (state 0) [dragon@localhost ova_temp]$
11-04
评论
添加红包

请填写红包祝福语或标题

红包个数最小为10个

红包金额最低5元

当前余额3.43前往充值 >
需支付:10.00
成就一亿技术人!
领取后你会自动成为博主和红包主的粉丝 规则
hope_wisdom
发出的红包
实付
使用余额支付
点击重新获取
扫码支付
钱包余额 0

抵扣说明:

1.余额是钱包充值的虚拟货币,按照1:1的比例进行支付金额的抵扣。
2.余额无法直接购买下载,可以购买VIP、付费专栏及课程。

余额充值