
CHM1080-98F
宽带 RF 性能: 71-86GHz
-11dB 转换增益
40dB 2LO 隔离
10dBm 输入功率 (1dB 压缩点)
DC 偏置: Vd=3.5V @Id=90mA
芯片尺寸: 3.43x1.5x0.07mm
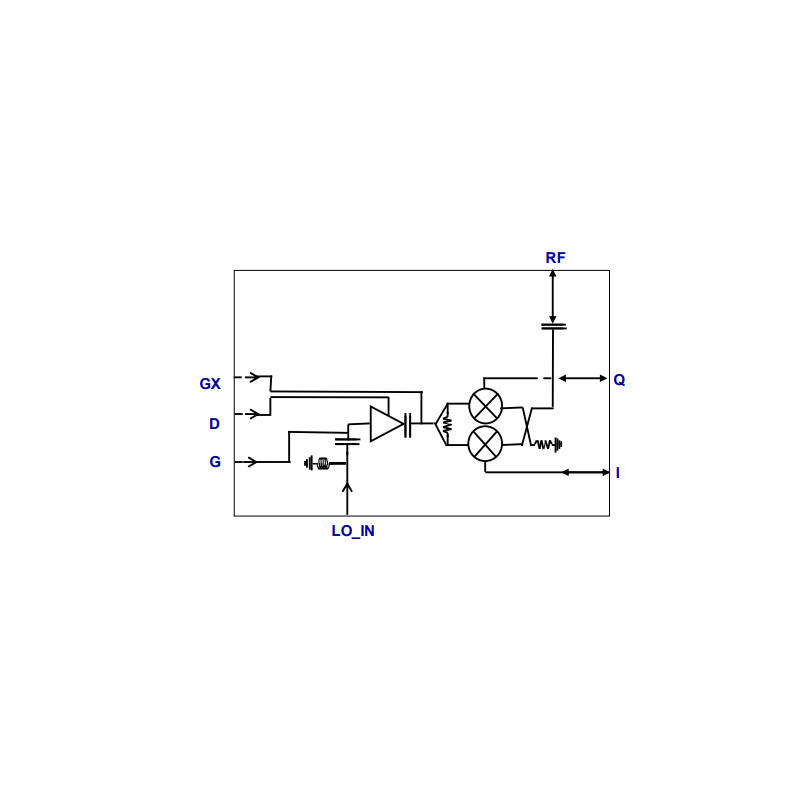
CHM1080-98F 的主要功能是混频,它可以将射频信号与本地振荡器 (LO) 信号进行混合,从而产生新的频率信号。这个过程可以用于上变频或下变频,也就是将信号频率提高或降低。
CHM1270a98F
CHM2378a99F
CHM2179b98F
CHX2193-FAB
CHX2095a99F
CHX2193-99F
CHX2089-99F
CHX2092a99F
CHX1191-QDG
CHX2090-QDG
CHX2090-99F
CHX1191-98F
CHU3377-98F
CHX3068-QDG
CHX2091-99F
116

被折叠的 条评论
为什么被折叠?



