含风电的两区域系统二次调频控制仿真,AGC调频模型,一点
一、引言
随着可再生能源的快速发展,风力发电作为绿色能源的重要组成部分,已经广泛应用于电力系统中。然而,风力发电的间歇性和波动性给电力系统的稳定运行带来了挑战。为了确保电力系统的频率稳定和电能质量,二次调频控制技术显得尤为重要。本文将针对含风电的两区域系统进行二次调频控制的仿真研究,重点探讨自动发电控制(AGC)调频模型的应用。
二、两区域电力系统模型
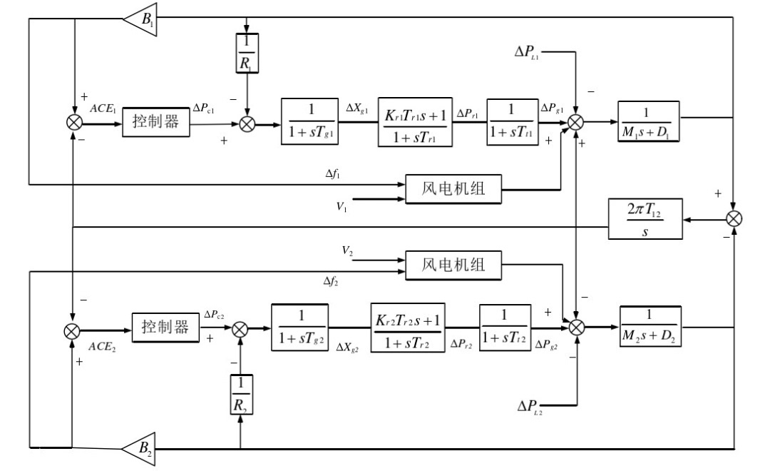
两区域电力系统模型由两个相互连接的电力网络组成,每个区域包含发电机组、负荷以及风电场。其中,风电场的输出功率受到风速的影响,具有不确定性和波动性。
三、二次调频控制技术

二次调频控制是电力系统频率控制的重要手段,它通过调整发电机的输出功率来补偿负荷的波动,维持系统频率的稳定。在含风电的两区域系统中,二次调频控制需要考虑到风电的随机性和波动性,以及不同区域之间的耦合关系。
四、AGC调频模型
自动发电控制(AGC)调频模型是二次调频控制的核心部分。该模型能够根据电力系统的实时运行状态,自动调整发电机的输出功率,以实现频率的稳定。在含风电的两区域系统中,AGC模型需要考虑到风电的预测信息,以及不同区域之间的功率交换。
五、仿真研究
本文采用数字仿真方法,对含风电的两区域系统进行二次调频控制的仿真研究。首先,建立两区域电力系统的数学模型,包括发电机组、负荷和风电场的模型。其次,构建AGC调频模型,并设置合适的参数。然后,通过仿真软件进行仿真实验,模拟不同工况下的电力系统运行情况。最后,分析仿真结果,评估二次调频控制的性能和效果。
六、结论

通过仿真研究,我们可以得出以下结论:
- AGC调频模型在含风电的两区域系统中具有良好的适用性,能够有效地补偿负荷的波动和风电的随机性,维持系统频率的稳定。
- 在风电预测信息的基础上,AGC模型能够更好地调整发电机的输出功率,提高系统的运行效率和稳定性。
- 不同区域之间的耦合关系对二次调频控制的效果有一定影响,需要考虑到区域之间的功率交换和协调控制。
本文的研究为含风电的两区域系统的二次调频控制提供了有价值的参考和指导,对于提高电力系统的运行效率和稳定性具有重要意义。
2377

被折叠的 条评论
为什么被折叠?



