在电子电路领域,运算放大器是极为关键的元件,它具有同相输入端和反相输入端,其输出端与输入端的极性关系决定了放大器的类型。当输入端的极性和输出端为同一极性时,便是同相放大器;反之,若输入端与输出端极性相反,则称为反相放大器。
运算放大器既能够接成同相放大,也可接成反相放大,那么究竟选用同相放大还是反相放大更为合适呢?这需要深入探究二者的特点及差异。
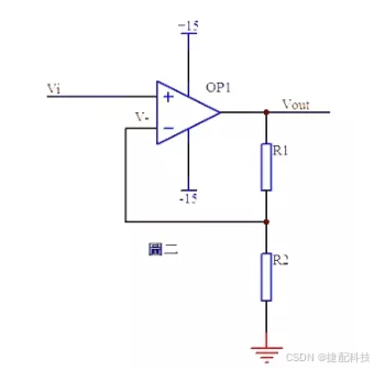
先看同相放大器,其具有显著优点:输入阻抗与运放自身的输入阻抗相当,近乎无穷大,并且输入电阻的取值大小对输入阻抗并无影响。然而,它也存在一些不足。其放大电路不存在虚地,这就导致了较大的共模电压,使得抗干扰能力相对较弱,所以在应用时要求运放具备较高的共模抑制比。此外,同相放大器的放大倍数只能大于 1,这在一定程度上限制了其应用场景。

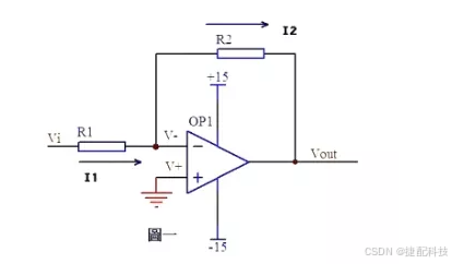
再看反相放大器,它的优点是两个输入端电位始终近似为零,同相端接地,反相端虚地,仅有差模信号,这赋予了它较强的抗干扰能力。但它的缺点是输入阻抗极小,其值等于信号到输入端的串联电阻的阻值。

从增益计算公式来看,二者也有所不同,并且相位相反。在对比二者时,主要可从输入输出阻抗和共模抗干扰这几个关键方面考量。
在输入阻抗方面,若电路对输入阻抗要求极高,例如在一些高阻抗信号源的处理电路中,同相放大器无疑是首选。因为其接近无穷大的输入阻抗能够最大程度地减少对信号源的负载影响,保证信号的完整性和准确性。
而在共模抗干扰和输入信号范围方面,如果对输入阻抗要求不高且对相位没有特定要求,反相放大器则更具优势。由于反相放大器只存在差模信号,抗干扰能力强,其输入信号范围不受运放共模输入电压范围的限制,能够处理更大范围的输入信号。例如在一些对共模干扰较为敏感且输入信号幅度变化较大的音频处理电路中,反相放大器往往能发挥更好的效果。
另外,在设计过程中,当要求放大倍数相同的情况下,应尽量选择数值小的电阻配合。这是因为较小的电阻可以有效减小输入偏置电流的影响以及分布电容的影响,有利于提高电路的稳定性和精度。不过,如果对功耗有较为严格的限制,那么就需要在电阻数值上进行折中考虑,权衡稳定性、精度与功耗之间的关系。
总之,在选择同相放大器还是反相放大器时,需要综合考虑电路的具体需求,包括输入阻抗要求、抗干扰能力、输入信号范围、放大倍数、功耗等多方面因素,从而确定最适合的放大模式,以实现电子电路的高效、稳定运行。
284






