>> 芯小二的下午茶 <<
专注芯片,应用系统,行销技能的公众号
储能系列第四篇;整个系列估计会有20~30篇;
通过前几篇文章,对储能,储能电池,储能电池管理功能以及具体的储能接线有了认识;
今天我们看下两轮车锂电池管理系统的电路图,然后做一些分析;
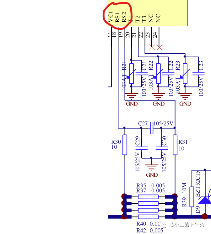
如下图是基于中颖SH367309的电路图;整体上,分为左侧的电池接口电路,下侧的温度采样及充放电保护,右侧的通信,以及上侧的采样;

大家对应这个框图,就更好理解各电路的作用了

+PCB layout示意图

一、电压采样及滤波电路

如下是SH367309内部采样用的ADC的特性,可以看到采用了Sigma-Delta类型ADC,采样速率很低,10Hz;

这里可能会有疑问,最上面的电池,串联电压不是会到48V或以上吗?ADC能承受这么高的电压;
快速先解答下,这里涉及到共模电压和差模电压的概念,ADC输入通道其实会选择电池的上下2端作为输入,所以ADC的输入电压就是电池电压


先不做进一步的展开;
二、电流采样电路
下面的R35/37/40/42是采样电阻,经过滤波器之后进入芯片的RS1/RS2的电流采样端

如下是锰铜的照片, 也有叫分流器的,阻值低,可以通过的电流大;

R35/37/40/42是5毫欧的电阻并联,也就是1.25毫欧;

如果按20A电流计算,电阻电压有25mV;如果电流是100mA,电压就是0.125mV (125uV);
这个对电流采样ADC要求还是高的,可以看到是16bit的ADC
三、充放电控制及保护
如下图,可以看到Q2和Q3两个N-MOS,背靠背的接在一起(漏级D连在一起);为什么要这样做的一个考虑,是MOS内部存在寄生二极管,为了保证控制的绝对可控;

四、其他电路
注入温度采集,电池电压采集,以及和主控MCU的通信,可以从图中自行分析;
下篇再介绍AFE的一些核心参数;
本文所参考的SH367309资料,可以关注公众号,回复"SH367309” 获取
欢迎关注公众号,一起深入芯片产业链;

芯小二的下午茶
聚焦芯片小二日常,每周一杯下午茶,打造芯片小二的黄埔学院;
公众号
1万+





