首发公众号。

南京沁恒微
http://www.wch.cn
南京沁恒微电子股份有限公司是一家集成电路设计公司,成立于2004年,公司位于江苏南京;
依赖于其在接口方面及模拟的优势,其推出了集成USB,以太网,触摸的BLE SoC;如下图;


看了其官方的资料,产品有几大特点
-
支持5V供电及3.3V供电,兼容5V I//O及3.3V IO;

-
内置USB2.0及TouchKey外设

-
自研RISC-V内核

-
产品资料非常全面
与一般的过程芯片不同,沁恒在产品的资料,配套开发板,开发工具,方面很全面;
而且其数据手册里面的电气参数非常详细,举个例子,针对功耗,情况如下:


当然,其产品也存在一些不合理的地方,比如其匹配的RAM资源,512KB Flash的配置,只提供了18KB的SRAM;
这个资源和市场上主流的64KB的SRAM还是差别比较大;做许多的应用,会受到制约;

凌思微电子
凌思微是成立时间不长,2019年成立,目前还没有可访问官网;
第一次看到产品资料,最具特点的是-100dBm@1Mbps的灵敏度;这在业内应该算是顶级的;

除去灵敏度,其产品的功耗特性也算国内一流,是一颗高性能的蓝牙数据透传芯;

在竞争激烈的市场,LE501x的性能指标还是让工程师眼睛一亮;

泰凌微
https://www.telink-semi.com
作为国内低功耗蓝牙龙头,泰凌微之前产品线基本全系列基于私有32位RISC核,软件开发难是开发者吐槽比较多的;
另一方面,泰凌微产品线一直全BLE,经典蓝牙缺失;
TLSR951x的发布,完美的对泰凌的产品线进行了补充;
TLSR951x基于RISC-V处理器,经典蓝牙&蓝牙5.2双模,最高主频96MHz,配置256KB SRAM + 最大2MB Flash;值得一提的是,芯片支持5V供电,以及125°C的高温;

TLSR951x系列,聚焦在耳机,高端可穿戴,高端人机交互领域;

Ambiq
https://ambiq.com/
Ambiq的MCU以其最低的功耗在业内文明;
2019年,Ambiq发布基于CEVA IP的低功耗蓝牙芯片;最大特性还是依赖其SPOT专利技术(Subthreshold Power Optimized Technology),即低功耗;

除去功耗外,Appollo 3 Blue还提供了一个Stepper Motor Controller;
基于Appolo 3 Blue的低功耗特性,以及96MHz的高主频,FPU,其主推语音检测、可穿戴方面的应用;
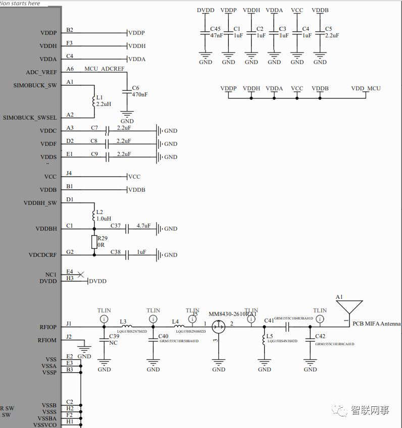
Appollo 3 Blue的另一方面则是高复杂设计以及高成本;如下图是其电路设计,尤其电源以及RF匹配部分;


InPlay, 櫈群微
https://www.inplay-tech.cn
Inplay是很典型的软硬一体设计的蓝牙芯片公司的代表;
针对资产管理,实时定位推出的NanoBeacon,IN100芯片;通过OTP烧录相关配置信息,芯片上电及按信标运行;
IN100支持1.1V~3.6V电池供电,DFN8(2.5mm*2.0mm)的超小封装等特点;
针对低延时无线组网推出的IN618,主推应用游戏外设,低延时无线音频,工业机器人,智能教室;
IN618提供了96KB的大SRAM,以及音频处理引擎;

~~ “交个朋友” ~~

往期精彩文章

本文介绍了南京沁恒微、凌思微电子、泰凌微、Ambiq和InPlay五家公司的蓝牙芯片产品。各具特色的蓝牙芯在功耗、灵敏度、性能和应用场景上各有优势。例如,沁恒微的BLE SoC集成了USB和触摸功能,而Ambiq的Apollo 3 Blue芯片以其低功耗和高主频适用于语音检测和可穿戴设备。
5万+

被折叠的 条评论
为什么被折叠?



