本文要说的是4G模组Air724UG的SD卡操作详细解析,以供大家参考,扩充知识点。
一、SD 卡概述
SD卡在物联网设备中,经常用于存储较大文件的容器载体。本文介绍如何用 Air724UG开发板,和PC端搭建一个基于SD卡存储文件的功能演示。
SDIO(Secure Digital Input and Output)全称为安全数字输入输出接口,在协议上和SPI类似是一种串行的硬件接口,通信的双方一个作为 HOST,另一端是 Device,所有的通信都是由 HOST 端发送命令开始的,Device 端只要解析相应的命令,就可以正常通信了。比较常见的应用是用来外接 SD 卡或者 MicroSD Card(也叫 TF 卡)。
二、演示功能概述
本教程教你如何在开发板上使用SD卡读写文件。
功能定义:
1) 开发板读取 SD 卡大小信息
2) 开发板读取 SD 文件
3) 复制 SD 卡文件到开发板中
三、准备硬件环境
3.1 Air724UG
使用 EVB_Air724 开发板,如下图所示:

此开发板的详细使用说明参考:
https://docs.openluat.com/air724ug/
Air724UG 产品手册 中的《EVB_Air724UG_AXX 开发板使用说明》,写这篇文章时最新版本的使用说明为:《EVB_Air724UG_A14 开发板使用说明》;开发板使用过程中遇到任何问题,可以直接参考这份使用说明文档。
api文档:
https://doc.openluat.com/wiki/21?wiki_page_id=2068
3.2 PC 电脑
WIN7以及以上版本的WINDOWS系统。
3.3 数据通信线
USB转安卓数据线。
3.4 SD 卡
支持的SD卡最大容量为32GB;
3.5 组装硬件环境
USB数据线插入USB口,另一端与电脑相连,拨码开关全部拨到 ON,串口切换开关选择UART1,USB 供电的 4V 对应开关拨至ON档,SD卡放入SD插槽中并锁死,如下图所示。

四、准备软件环境
4.1 安装驱动程序
驱动下载地址如下,直接安装即可。
https://docs.openluat.com/Luatools/
USB驱动程序:
下载驱动压缩包,解压后,根据电脑配置安装对应驱动,如 64 位操作系统选择如下所示

安装成功后,将开发板连接到电脑 USB 口,开机后会在设备管理器中虚拟出 3 个虚拟串口,如下则 USB 驱动安装完成。
4.2 安装工具 Luatools
要想烧录固件到 4G 模组中,需要用到的调试工具:Luatools;
详细使用说明参考:
Luatools 工具使用说明:
https://docs.openluat.com/Luatools/
Luatools 工具集具备以下几大核心功能:
-
一键获取最新固件:自动连接服务器,轻松下载最新的模组固件。
-
固件与脚本烧录:便捷地将固件及脚本文件烧录至目标模组中。
-
串口日志管理:实时查看模组通过串口输出的日志信息,并支持保存功能。
-
串口调试助手:提供简洁的串口调试界面,满足基本的串口通信测试需求。
Luatools 下载之后, 无需安装, 解压到你的硬盘,点击 Luatools_v3.exe 运行即可。
Luatools 支持最新固件获取、固件打包、项目管理、trace 打印、单机烧录等功能。
4.3 脚本和固件下载
程序源码下载
脚本源码见附件。
https://gitee.com/openLuat/LuatOS-Air724UG/tree/master/script_LuaTask/demo/sdCard
固件下载
下载底层固件,并解压
链接:
https://docs.openluat.com/air724ug/luatos/firmware/
如下图所示,红框的是我们要使用到的

4.4 下载固件和脚本到开发板中
打开 Luatools,开发板上电开机,如开机成功 Luatools 会打印如下信息。

点击项目管理测试选项。

进入管理界面,如下图所示。

-
点击选择文件,选择底层固件,具体路径在 4.2 项目中的解压为文件中,我的文件放在 D:\luatOS\Air724 路径中

-
点击增加脚本或资源文件,如下图所示。

-
点击下载底层和脚本,下载完成如下图所示。

五、开发板接口说明
5.1 SDIO 硬件通道对应的接口如下:

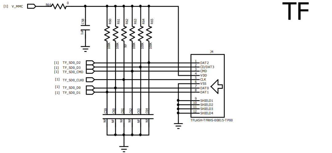
5.2 SD 卡部分原理图


5.3 SD 卡安装位置

六、脚本代码说明
6.1 testSdCard.lua
本代码为 SD 卡程序脚本,系统启动先判断是否有SD 卡,如果挂载成功,打印总容量(单位为 KB),并且遍历读取 SD 卡根目录下的最多 10 个文件或者文件夹。复制 SD 卡的 pwron.mp3 文件,到开发板根目录,并且播放开发板根目录下的 pwron.mp3 文件。

6.2 main.lua
本代码为主程序脚本,系统启动后首先会对 4G 网络进行配置,然后加载测试模块。
七、开机调试
7.1 开发板开机
连接好硬件并下载固件后,启动 Luatools 软件,系统运行信息将显示在界面中。红框中为开发板连接到 PC 机后正常打印的信息,如下图所示。

7.2 SD 卡调试
读取 SD 卡信息
显示 SD 卡中的文件和大小

7.3 MP3 文件处理
复制 mp3 文件到开发板,完成后在开发板上播放 mp3,如下图所示。

分享完毕。
2838

被折叠的 条评论
为什么被折叠?



