阳台是一个半封闭的生态系统,在其上种植绿色植物,可有效地净化室内空气,改善居住环境,增加生活情调。植物生长对环境、肥料等有特定要求,居民可能因缺乏绿色植物的种植知识,或因工作繁忙,长期不在家,不能实时照料植物生长,从而造成植物的死亡。
本次由开发者设计的阳台生态控制系统,是以基质培养的绿色植物所在的半封闭阳台系统为研究对象,设计基于 Arduino Uno WiFi + 机智云的远程环境控制系统。系统通过传感器实时采集温度、湿度、光照等环境参数,通过 WiFi 无线网络上传机智云服务器。

用户通过手机等移动终端下载应用 APP,访问机智云服务器,实时了解系统的环境参数,通过远程启动灌溉、补光、关窗等操作调节环境参数。系统采用无线连接的WiFi +云服务器的形式,不需布线和支付移动费用,整个硬件系统经济实用,可应用在城市居民的阳台植物种植上。
阳台环境监测控制系统
阳台植物生态监测控制系统由环境感知模块、环境调整控制模块、环境参数显示模块和环境调节执行模块四部分构成。

环境感知模块包括土壤湿度传感器、温度传感器、光照强度传感器等,用于实时采集生态环境系统参数数据;环境调整控制模块是整个系统的核心,采用 Arduino Uno 开发板,一方面实时接收感知模块的数据,上传物联网云服务器,另一方面接收远程控制指令,下发执行模块;调节执行模块由灌溉控制电机、开窗控制电机等组成;环境参数显示模块由 LCD 显示器、远程移动终端构成。
系统硬件组成
1、Arduino 控制板

选用 Arduino Uno 开发板作为系统控制核心,开发板通过 WIFI 扩展模块连接网络。微控制器采用的是Atmel的ATmega328。Arduino Uno 开发板通过输入输出通道接受温度、湿度、光照传感器采集的环境参数信号,通过 I2C 接口驱动在 LCD 显示屏上显示。
移动终端通过机智云发来的远程指令和智能控制策略,驱动补光、灌溉电机、开窗电机等,调节生态系统环境。将传感器上传的参数通过 WIFI模块,上传到机智云服务器,供移动终端远程访问。
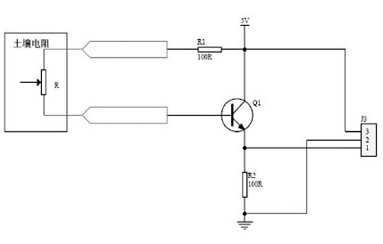
2、土壤湿度传感器 RB-02S047A


3、温度传感器 DHT11


4、光照传感器 GY-30


5、WiFi模块 ESP8266


软件设计及主要工作流程
系统通过联网云服务平台接受系统传感器上传的参数,供远程客户访问;接受远程客户下达的命令,发送给 Arduino 控制器,通过执行模块调节系统环境参数。平台向开发者提供 API 接口,为开发者提供数据处理和存储服务。
本系统采用机智云开发平台,它向开发者提供了非常方便的智能硬件开发框架和云服务功能。在平台上可以直接定义产品和进行设备端开发调试,并提供应用开发、产品测试、云端开发、数据服务功能,覆盖智能硬件的全生命周期服务。
创建虚拟设备
在机智云创建开发者帐号,输入物理地址创建新产品,输入产品数据点,创建产品数据信息。

应用开发
硬件层面上,机智云提供已经烧录 GAgent(固件)的通讯模块,实现上层应用(APP 应用、机智云云端)到设备的双向数据通讯,以及配置入网、发现绑定。软件层面,机智云提供开发框架代码实现了底层通信协议的解析封包,通信数据与传感器数据的转换,并供开发 API 接口。在本系统设计中,在代码框架事件处理逻辑中添加环境传感器、电机、水泵等控制函数。
当设备侦听到云端或 APP 端的数据后,代码将数据转换成事件通知应用层设备。下发设备数据是 APP、云端控制设备,经过云端直接下发给 GAgent。上报设备数据通过系统中设备主动上报当前状态,当设备 MCU 收到 WIFI 模组控制产生的状态变化,设备 MCU 立刻主动上报当前状态,发送频率不受限制。
远程控制端APP开发

机智云的 Android 平台 SDK 封装了手机与机智云智能硬件的通讯过程,手机与云端的通讯过程。提供配置入网、发现、连接、控制、心跳、状态上报、报警通知等。APP 开源框架提供用户注册登录、配置设备入网、设备发现控制、消息推送等功能。

系统测试
本系统在阳台实训室测试时,阳台已经装入宽带并提供 WIFI 环境,控制板通过 WIFI 接入网络。首先,打开手机 APP,读取阳台的温度、土壤湿度、光照环境参数,检测温度、湿度和光照传感器是否正常工作,也可远程通过Arduino 终端节点控制照明灯、浇水和开窗继电器的开关。
系统总结
通过设计和实验室模拟测试,基于 Arduino +机智云的阳台生态控制系统可有效地实现远程控制阳台生态系统环境,具有安全可靠、扩展性强和经济的优点。该系统具有很强的可实施性,在城市具有很大的应用空间,并有较好的社会效益和经济效益。

本文介绍了一种基于ArduinoUnoWiFi和机智云的阳台生态控制系统。该系统利用传感器收集环境数据并通过WiFi上传至云端,用户可通过手机APP远程监控并调整阳台植物生长环境。
3437

被折叠的 条评论
为什么被折叠?



