LC选频放大器
收音机的选台功能,就是选出特定频率的波形,进行放大。将LC并联网络作为共射极放大电路的集电极负载,可以形成LC谐振选频放大器。根据LC并联网络的频率特性,在输入信号的频率为谐振频率时,由于LC并联网络阻抗最大,所以电压的放大倍数最大,并且没有相位移动。对于其余频率的信号,电压放大倍数比较小,且有相位移动。此放大电路具备选频功能,因此可以称为LC谐振选频放大器。

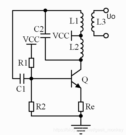
不难看出L1两端的电压就是正弦波,输出电压可以直接从L1引出。在一些应用场合,为了减小负载的变化对于波形的干扰,往往借助电感之间的互感现象,从L2上引出输出端。这种做法的工作原理类似于变压器。
LC正弦波发生器
将LC谐振选频放大器的输出的一部分,连接到输入端,用反馈电压取代输入电压,即可形成正反馈,构成LC正弦波振荡器。反馈电压只需输出电压的一部分,而非全部,比如可以考虑把电容或者电感分成两部分,从中选择一部分来引出反馈电压。如下图将使用L1与L22个电感的电路,被称为电感三点式正弦波发生器。

在不考虑L3与L1互感的情况下,计算电路的谐振频率时,电感为L1与L2的串联以及相互之间的互感。可以表示为L=L1+L2+2M。两个电感之间的这一点连接VCC,并不是GND(存在连接GND的接电路设计方法),对于高频变化量来说,直流电源电压也相当于是动态的地,或者叫做“交流地”。
本文介绍了LC谐振选频放大器的原理,它利用LC并联网络在谐振频率下放大特定频率信号,实现收音机的选台功能。此外,通过将放大器的输出部分反馈到输入端,形成正反馈,可以构成LC正弦波振荡器,用于产生稳定的正弦波信号。
3781

被折叠的 条评论
为什么被折叠?



