建立工程文件
1、点击file-new-project=pcbproject即可创建一个新的工程文件

2、在右侧右击刚刚创建的工程标题然后点击save project即可将工程文件保存在自己选定的文件路径下,文件名可自行更改

3、创建新的原理图工程文件,点击刚刚创建的项目,然后选择add new to project-schematic完成该步操作,如下图


4、根据喜好可关闭图中网格和右下题注释,先点击propreties然后点击visible grid输入框右侧的眼睛即可关闭图中网格,再点击page options中title block旁边的小框即可关闭题注

绘制原理图
安装元件库
点击右侧的library,然后再依次点击library…-installed-install from file,之后在文件夹中找到需要的库即可



添加芯片


绘制网络编号
1、放置排针


2、添加引脚,可以点击如图选项然后点击,或者快捷键ctrl+w也可以;然后点击引脚拉长然后点击右键即可成功创建引脚


4、成图

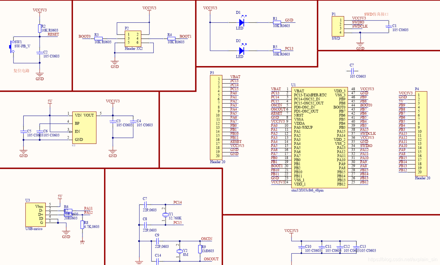
最小系统的电路原理图
成图如下

参考资料
https://blog.youkuaiyun.com/qq_45652400/article/details/109588587
PCB工程文件建立与原理图绘制
1384

被折叠的 条评论
为什么被折叠?



