在电磁兼容(EMC)测试中,电源端口的传导发射测量是评价设备电磁干扰水平的重要环节。本文针对工科医(工业、科学、医疗)类设备的电源端口,系统介绍三种常用的传导发射测试方法,并结合实测数据对比分析其适用性与一致性。
一、测量设备与基本概念
1.对称(差模)电压 symmetric (differential mode) voltage
指出现在两线电路之间的射频骚扰向量电压 -如单相输电线之间。如果用Va表示其中一个电源端子与地之间的电压矢量,Vb表示另一个电源端子与地之间的电压矢量,那么对称电压即差模电压为Va与Vb矢量之差,即Va-Vb。
2.不对称(共模)电压 asymmetric (commen mode) voltage
指出现在两电源端子电气中点与地之间的射频骚扰电压。有时也称为共模电压,其值为Va与Vb矢量之和的一半,即(Va+Vb)/2。
3.非对称(V端子)电压 unsymmetric (V-terminal) voltage
指Va或Vb矢量电压的幅度。该电压用V型人工电源网络来测量。
二、人工电源网络(AMN)概述
人工电源网络是传导发射测试中的关键设备,主要作用包括:
- 在射频范围内向EUT提供稳定阻抗;
- 将供电电源上的无用射频信号隔离开;
- 将EUT骚扰电压耦合到测量接收机。

AMN的分类:
V型AMN:用于测量非对称电压;
Δ型AMN:用于分别耦合共模电压和差模电压。
AMN通常设有三个端口:电源输入端、EUT连接端和骚扰输出端。

三、测试方法详解
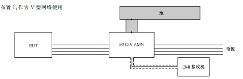
1. V-AMN法(标准方法)
适用于大多数工科医设备的交流电源端口传导发射测量。



2. V-AMN作为电压探头使用
当EUT额定电流超过AMN容量时,可将V-AMN作为电压探头使用,适用于现场测量或大电流设备。


3. 高阻抗电压探头法
适用于无法使用V-AMN的电源转换器或其他特殊情况。电压探头的分压系数应在9kHz~30MHZ内的50Ω系统进行校准;电压探头用来测量电源线(如L/N)与参考地之间的电压;测量电源端口时将供电电源上的无用射频信号隔离开。

四、测试结果与对比分析
底噪对比

满足限值-6dB要求,稳定性高。

底噪水平依赖于供电电源的骚扰隔离效果。

同样依赖电源隔离,若隔离不足则底噪易超标。
是否采取有效滤波电源供电端口的骚扰电压信号示例


实测案例
案例1:某灯控产品
使用V-AMN法与V-AMN作探头法测试结果高度一致,部分频段略有波动,但仍具可比性。



案例2:某工控产品
V-AMN法与高阻抗探头法结果基本可比,但后者受电源质量影响显著。



五、测试注意事项
- 用高阻抗电压探头以及V-AMN做电压探头法测试时,需要将供电电源骚扰信号有效隔离开;
- 用高阻抗电压探头法测量时,连接探头的导线、被测电源线和参考地之间形成的环路尽可能小,以减少强磁场的影响;
- V-AMN做电压探头法测试时,AMN的电源输入引脚应使用绝缘保护盖或其他方法以确保安全;
- 参考地:可以通过一个长宽比不超过3的宽金属片将 EUT 连接到通大地的建筑物导电结构上(金属水管、中央取暖管道、避雷器接地线、钢筋混凝土结构和钢梁),电源的安全地线和中线不适宜用做参考地。
六、结论与标准建议
从以上测试结果得出:
- V-AMN法和V-AMN做电压探头法测试结果一致性很高,在某些频段有些许波动,但是有可比性;
- V-AMN法和高阻抗电压探头法测试结果有一定的可比性,但要取决于供电电源的骚扰隔离,电源骚扰隔离不够,导致底噪超标,无法准确测量EUT的干扰信号。
- 对于现场测试(电流比较大的,实验室没有合适的AMN的),可推荐使用V-AMN做电压探头法进行测量。
工科医产品标准(GB 4824,cispr11):——应优先使用V-AMN法测量
- 可采用V-AMN法和高阻抗电压探头法测量低电压交流端口的骚扰电压;
- 对额定输出功率大于20kVA的电源转换器,可用V-AMN做电压探头法进行测量。
6万+

被折叠的 条评论
为什么被折叠?



