第1章 绪论
单选题
-
数据在计算机的存储器中表示时,逻辑上相邻的两个元素对应的物理地址也是相邻的,这种存储结构称之为________。
- B. 顺序存储结构
-
算法指的是________。
- D. 求解特定问题的指令有限序列
-
下面程序段的时间复杂度为:________。
for(i=1;i<=n;++i) for(j=1;j<=n;++j) s+=a[i][j];- D. O(n²)
-
设数据结构S=(D,R),其中D={1,2,3,4},R={<1,2>,<2,3>,❤️,4>},则数据结构S属于________。
- B. 线性结构
-
设部门的上级领导下级的数据结构S=(D,R),其中D={a,b,c,d,e},R={ a领导b a领导c,b领导d b领导 e },则数据结构S属于________。
- C. 树结构
-
以下数据结构中,________是线性结构。
- A. 字符串
-
在数据结构中,从逻辑上可以把数据结构分为________。
- C. 线性结构和非线性结构
-
某算法的语句执行频度为(n²+nlog₂n+3n+8),其时间复杂度为________。
- C. O(n²)
-
算法的时间复杂度取决于________。
- D. A和B
-
设数据结构S=(DR),其中D={1234},R={<12><23><34><41>},则数据结构S是( )。
- C. 图结构
-
算法分析的两个主要方面是( )。
- B. 时间复杂度和空间复杂度
-
抽象数据类型的三个组成部分分别是( )。
- C. 数据对象、数据关系、基本操作
-
以下程序段中语句“m++;”的语句频度是( )。
int m=0; for(i=1;i<=n;i++) for(j=1;j<=2*i;j++) m++;- A. n(n+1)
-
链式存储的存储结构所占存储空间( )。
- A. 分为两部分,一部分存放结点值,另一部分存放表示结点间关系的指针
填空题
- 数据结构是相互之间存在一种或多种特定关系的数据元素的集合。
- 线性结构中元素之间存在一对一关系,树结构中元素之间存在一对多关系,图结构中元素之间存在多对多关系。
- 链式存储结构为了表示结点之间的关系,通常需要给每个结点附加指针字段,用于存放后继元素的存储地址。
- 抽象数据类型一般指由用户定义的、表示应用问题的数学模型,以及定义在这个模型上的一组操作的总称。具体包括3个部分:数据对象、数据关系、基本操作。
- 算法的5个特征是有穷性、确定性、可行性、输入、输出。
- 顺序存储结构中数据元素之间的逻辑关系是由存储地址表示的,链式存储结构中数据元素之间的逻辑关系是由指针表示的。
简答题
-
简述逻辑结构的四种基本关系并画出它们的关系图。
- 集合结构:数据元素之间除了“属于同一集合”的关系外,别无其他关系。
- 线性结构:数据元素之间存在一对一的关系。
- 树结构:数据元素之间存在一对多的关系。
- 图结构或网状结构:数据元素之间存在多对多的关系。

-
存储结构有哪两种基本的存储方法实现?
- 顺序存储结构
顺序存储结构是借助元素在存储器中的相对位置来表示数据元素之间的逻辑关系,通
常借助程序设计语言的数组类型来描述。 - 链式存储结构
顺序存储结构要求所有的元素依次存放在一片连续的存储空间中,而链式存储结构,
无需占用一整块存储空间。但为了表示结点之间的关系,需要给每个结点附加指针字段,用
于存放后继元素的存储地址。所以链式存储结构通常借助于程序设计语言的指针类型来描述。
- 顺序存储结构
-
简述算法的定义与特性。
- 定义:算法是为了解决某问题而规定的一个有限长的操作序列。
- 特性:有穷性、确定性、可行性、输入、输出。
第2章 线性表
单选题
-
以下叙述正确的是( )。
- B. 顺序表可以实现随机存取。
-
线性表(a1a2…an)以链式方式存储时,访问第i个位置上的元素的时间复杂度为( )。
- B. O(n)
-
线性表的顺序存储结构是一种( )的存储结构。
- A. 随机存取
-
线性表在( )情况下适用于使用链式结构存储。
- B. 需要不断对线性表进行插入、删除操作。
-
以下属于顺序表的优点的是( )。
- C. 存储密度大。
-
下列叙述错误的是( )。
- D. 线性表的链式存储结构优于顺序存储结构。
填空题
- 顺序表中逻辑上相邻的元素物理位置一定相邻,单链表中逻辑上相邻的元素物理位置不一定相邻。
- 若一个长度为n的顺序表中,在第i个位置(1≤i≤n)插入一个新的元素共需要移动n-i+1个元素;若一个长度为n的顺序表中,删除第i个元素(1≤i≤n)时需向前移动n-i个元素。
- 已知顺序表中第一个元素的存储地址是1000,每个元素的长度为4,则第7个元素的存储地址是1024。
- 向一个有200个元素的顺序表中插入一个新元素并保持原来顺序不变,平均要移动的元素个数为100。
- 在一个以L为头指针的单循环链表中,p指针指向链尾的条件是p->next == L。
判断题
-
线性表中每个元素都有一个前驱和一个后继。( )
- 错
-
线性表中所有元素的数据类型必须相同。( )
- 对
-
顺序表结构适宜于进行随机存取,而链表适宜于进行顺序存取。( )
- 对
-
单链表可以实现随机存取。( )
- 错
-
线性表若采用链式存储结构时,其存储结点的地址可以连续,也可以不连续。( )
- 对
-
线性表的顺序存储结构优于链式存储结构。( )
- 错
-
进行插入删除操作时,在链表中比在顺序表中效率高。( )
- 对
-
在顺序表中,逻辑上相邻的元素物理位置上不一定相邻。( )
- 错
-
若频繁地对线性表进行插入和删除操作,该线性表采用链式存储结构更合适。( )
- 对
简答题
-
简述线性结构的特点。
- 存在唯一的一个被称作“第一个”的数据元素;
- 存在唯一的一个被称作“最后一个”的数据元素;
- 除第一个外,集合中的每一个数据元素均只有一个前驱;
- 除最后一个外,集合中的每一个数据元素均只有一个后继。
-
简述顺序表和链表的主要优缺点。
- 顺序表优点:支持随机存取,存储密度大。缺点:插入和删除操作效率低,存储空间不灵活。
- 链表优点:插入和删除操作效率高,存储空间灵活。缺点:不支持随机存取,存储密度低。
标准答案:
(1)顺序表的优点是可以随机存取元素,存储密度高,结构简单;缺点是需要一片地址连续的存储空间,不便于插入和删除元素(需要移动大量的元素),表的容量不便扩充。(2)链表的优点是便于结点的插入和删除(只需要修改指针域,不需要移动结点),表的容量扩充十分方便;缺点是不能进行随机存取,只能顺序访问,另外每个结点上增加指针域,导致存储密度较低。
综合题
-
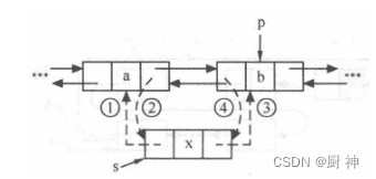
请用代码描述如下单链表的插入操作,将s所指结点插入到结点a和b之间。

s->next = p->next; p->next = s; -
请用代码描述如下单链表的删除操作,将结点b删除。

b=p->next; p->next = b->next; delete b;
3.请用代码描述

//普通版
a=p->prior
b=p
x=s
x->prior=a
a->next=x
x->next=b
b->prior=x
//复杂版,想高级一点,不运行前三行,不写变量直接套娃
s->prior=p->prior
p->prior->next=s
s->next=p
p->prior=s
- 删除p的所指节点b

a=p->prior
b=p
c=p->next
a->next=c
c->pre=a
delete b
//复杂版
p->prior->next=p->next;
p->next->prior=p->prior;
第3章 栈和队列
一、单选题
- . 栈在( D,递归+表达式求值+括号匹配 )中有所应用。
- 栈和队列的共同点是( C. 只允许在端点处插入和删除元素 )。
- 最大容量为n的循环队列,队尾指针是rear,队头是front,则判断队空和队满的条件,正确的是( B. 队空:
rear==front;队满:(rear+1)%n==front; )。 - 下列说法中符合队列性质的是( D. 只能在一边插入和另一边删除 )。
- 设一个队列的入队序列为d,c,b,a,则队列的输出序列是( B.dcba)。
- 若用一个大小为6的数组实现循环队列,且当前rear和front的值分别为0和3,当从队列中删除一个元素,再插入两个元素后,rear和front的值分别为( C. 2和4 )。
- 为解决计算机主机与打印机间速度不匹配问题,通常设一个打印数据缓冲区。主机将要输出的数据依次写入该缓冲区,而打印机则依次从该缓冲区中取出数据。该缓冲区的逻辑结构应该是( A. 队列 )。
- 若一个栈以数组V[1…n]存储,初始栈顶指针top设为n+1,则元素x进栈的正确操作是( C top–;V[top]=x; )。
- 若一个栈以数组V[1…n]存储,初始栈顶指针top设为0,则元素x进栈的正确操作是( A. top++; V[top]=x; )。
- 若已知一个栈的入栈序列是1,2,3,…,n,其输出序列为p1,p2,p3,…,pn,若p1=n,则pi为( C. n-i +1)。
- 设计一个判别表达式中左、右括号是否配对出现的算法,采用( C. 栈 )数据结构最佳。
- 一个栈的入栈序列是a,b,c,d,e, 且在入栈过程中可出栈,则栈的不可能的输出序列是( C. dceab )。
- 队列是限定在( C.队尾)处进行插入操作的线性表。
- 设栈S和队列Q的初始状态为空,元素e1,e2,e3,e4,e5,e6依次进入栈S,一个元素出栈后即进入Q,若6个元素出队的序列是e2,e4,e3,e6,e5,e1,则栈S的容量至少应该是( B3 )。
- 若元素a,b,c,d,e,f依次进栈,允许进栈、出栈操作交替进行,但不允许连续三次进行出栈工作,则不可能得到的出栈序列是( D.afedcb )。
二、判断题
3. 队列是一种插入与删除操作分别在表的两端进行的线性表,是一种先进后出的线性结构。( × )
4. 循环队列属于队列的链式存储结构。( × ) (是队列的顺序存储结构)
5. 若输入序列为1,2,3,4,5,6,则通过一个栈可以输出序列3,1,5,6,4,2。( × )
6. 一个递归算法必须包括终止条件和递归部分。( √ )
三、简答题:
栈是一种先进后出(LIFO)的线性数据结构,只允许在表的一端进行插入和删除操作,即栈顶端。栈的特点是后进入的元素先出来,它可以通过顺序存储结构或链式存储结构实现。常见的应用包括递归调用、表达式求值、括号匹配等。
队列是一种先进先出(FIFO)的线性数据结构,插入操作在队尾进行,删除操作在队头进行,只能在表的两端进行操作。队列的特点是先进入的元素先出来,它同样可以通过顺序存储结构或链式存储结构实现。常见的应用包括任务调度、缓冲区管理等。
标准答案:
(1)栈的定义:限定仅在表尾进行插入或删除操作的线性表;
栈的特点:后进先出(或先进后出)。
(2)队列的定义:只允许在表的一端进行插入,在另一端删除的线性表;
队列的特点:先进先出
四、算法分析题:
1.顺序栈入栈操作
Status Push(SqStack &S, SElemType e)
{
if (S.top-S.base == S.stacksize) return ERROR; // 判断栈满的条件
*S.top++=e; // 将e入栈,栈顶指针top上移
return OK;
}
2、顺序栈的出栈操作
Status Pop(SqStack &S, SElemType &e)
{
if(S.top == S.base) return ERROR; // 判断栈空的条件
e = *(--S.top); // 用e返回栈顶元素,栈顶指针top下移
return OK;
}
3、用顺序栈S将一个非负的十进制整数转换成与其等值的二
进制数输出
void conversion(int N)
{
InitStack(S);
while(N)
{
Push(S, N % 2); // ①将N % 2入栈
N = N / 2;
}
while(!StackEmpty(S))
{
Pop(S, e); // ②从栈中出栈,得到二进制数的每一位
cout << e;
}
}
4、循环队列的入队操作
Status EnQueue(SqQueue &Q, QElemType e)
{
if((rear+1)%MAXQSIZE==Q.front)return ERROR;
Q.base[Q.rear]=e;
Q.rear=(Q.rear+1)%MAXQSIZE;
Return OK
}
5、 循环队列的出队操作
Status DeQueue(SqQueue &Q, QElemType &e)
{
if(Q.rear==Q.front)return ERROR;
e=Q.base[Q.front];
Q.front=(Q,front+1)%MAXQSIZE;
Return OK
}
第4章 串、数组和广义表
一、单选题
- 下面说法不正确的是(C. 广义表的表头总是一个广义表)。
- 两个串相等必有串长度相等且(B. 串中各位置字符均对应相等)。
- 设有两个串p和q,求q在p中首次出现的位置的运算称作(B. 模式匹配)。
- 已知串S=“abcaba”的next数组为(C. 011123)。
解析:
- abcaba -->000121 (就是比较每个字符和首部是否相等)
- 000121 每个加1------> 111232
- 111232 向右移一位:011123
- 得到结果011123
- 下面表述正确的是(A. 串是一种特殊的线性表)。
- 对于n阶对称矩阵,如果采用压缩存储,需要(B. n(n+1)/2)个存储单元。
- 对特殊矩阵进行压缩存储目的是(C. 节省存储空间)。
- 设一维数组中有n个元素,则读取第i个数组元素的平均时间复杂度为(C. O(1))。
- 数组A[0…7,0…9]的每个元素占3个字节,将其按行列先次序存储在起始地址为1000的内存单元中,则元素A[7,4]的起始地址是(D. 1222)。
- 数组A[0…5,0…6]的每个元素占五个字节,将其按行优先次序存储在起始地址为1000的内存单元中,则元素A[5,5]的地址是(B. 1200)。
- 假设二维数组A[1…60,1…70]以列序为主序顺序存储,其基地址是10000,每个元素占2个存储单元,则元素A[32,58]的存储地址是(B. 16902)。
- 设广义表L=((a,b,c)),则L的长度和深度分别为(C 1和2)。
解析:长度为第一层的所有元素个数(1),深度为一共几层括号(2)
- 对广义表L=((a,b),(c,d),(e,f))执行操作GetTail(GetTail(L))的结果是(B.((e,f)))。
二、填空题
- 若矩阵中的所有元素均满足aij=aji,则称此矩阵为 对称矩阵。
- 数组A[0…7,0…8]的每个元素占4个字节,分别将其按行优先、列优先次序存储在起始地址为1000的内存单元中,则元素A[3,6]的地址是1132 和1204。
- 模式串P=“abaabcac”的next函数值序列为 011223012。
- 设字符串S=‘You︺did︺a︺very︺good︺job!’,其长度是24。
- 子串“ture”在主串“datastructure”中的位置 10。
- 设串S=“abcde”,其长度是 5。
- 已知广义表L=((a,b),(c,d)),则head(L)是 (a,b) ,tail(L)是 ((c,d)) ,长度为 2 ,深度为 2。
- 广义表((a,b,c,d))的表头是 (a,b,c,d) ,表尾是 () 。
- 已知广义表C= (a,(b,A),B),则其长度是 3 ,深度是 2 。
- 利用KMP算法进行模式匹配时,模式串t=“abcabaa”的next函数值是 0111232。
三、判断题
- 串是一种数据对象和操作都特殊的线性表。(√)
- KMP算法的特点是在模式匹配时指示主串的指针不会变小。(√)
- 数组可看成线性结构的一种推广,因此与线性表一样,可以对它进行插入,删除等操作。(×)
- 数组和广义表不属于线性结构。(×)
- 二维数组A[-3…5,0…10]中共有80个元素。(×)
- 稀疏矩阵和特殊矩阵压缩存储后均可以实现随机存取。(×)
- 数组元素的下标值越大,存取时间越长。(×)
- 子串在主串中的位置以子串的第一个字符在主串中的位置来表示。(√)
- KMP算法可以在O(m+n)的时间数量级上完成串的模式匹配操作。(√)
- 对n阶矩阵,若矩阵中的元素在i>=j时均满足aij为0或为常数,则称此矩阵为下三角矩阵。(x)
- 一个广义表的表头总是一个广义表。(×)
四、简答题
- 串的模式匹配是指子串的定位操作,即求子串在主串的位置(也就是子串的第一个字符在主串中的位置)。
- 两种模式匹配算法:BF算法、KMP算法
五、算法分析题
1、BF算法:
int Index_BF(SString S, SString T, int pos) {
int i = pos;
int j = 1;
while (i <= S.length && j <= T.length) { // ① 两个串均未比较到串尾
if (S.ch[i] == T.ch[j]) { // ② 继续比较后续字符
i++;
j++;
} else {
i = i - j + 2; // ④ 指针回溯重新开始匹配
j = 1;
}
}
if (j > T.length) // ⑤ 匹配成功,返回位置序号
return i - T.length;
else
return 0; // ⑥ 匹配失败,返回0
}
2、KMP算法:
int Index_KMP(SString S, SString T, int pos) {
int i = pos;
int j = 1;
while (i <= S.length && j <= T.length) { // ① 两个串均未比较到串尾
if (j == 0 || S.ch[i] == T.ch[j]) { // ② 继续比较后续字符
i++;
j++;
} else {
j = T.next[j]; // ④ 子串向右滑动至第next[j]个位置
}
}
if (j > T.length) // ⑤ 匹配成功,返回位置序号
return i - T.length;
else
return 0; // ⑥ 匹配失败,返回0
}
一、单选题
- 设哈夫曼树中有199个结点,则该哈夫曼树中有(B100)个叶子结点
解析:哈夫曼树只有度(每个节点孩子数)为2和0的节点,以满二叉树为例,叶子节点有2(n)个,总结点数有2(n+1)-1个,2(n+1)-1=2(n)*2+1,2(n)=((2(n+1)-1)+1)/2
当总结点=n,叶子结点数有(n+1)/2 ,
当叶子结点= n,总结点数有2n-1
2.下述编码中哪一个不是前缀码(B. (0,1,00,11))
解析:前缀码是指,画出的图形中不存在节点之间为父子关系
3.一棵完全二叉树上有1001个结点,其中叶子结点的个数是(D. 501)

log2(1001)=9,1001-(29-1)=490
(29-490)/2+490=501
4.深度为h的完全二叉树最多有**(D. 2^h-1**)个结点
5. 若一棵二叉树具有10个度为2的结点,5个度为1的结点,则度为0的结点个数是B 11
解析:n0=n2+1记住就行
6. 由3个结点可以构成(D5)种不同形态的二叉树
7. B. 只有一个结点的二叉树的度为0
8. 二叉树的第i层上最多含有结点数为(C.2i-1)
9. 一个具有1025个结点的完全二叉树的高h为(A. 11)
10. 一个具有1025个结点的二叉树的高h为C.11至1025之间
二、填空题
-
具有32个结点的完全二叉树的深度为6
-
深度为5的二叉树至多有31个结点
-
二叉树的第5层至多有16个结点。
-
已知二叉树前序为ABDEGCF,中序为DBGEACF,则后序一定是DGEBFCA。
-
一棵有4个叶子结点的哈夫曼树共有7个结点。
-
给定一组数据{6,2,7,10,3,12},以它权值构造一棵哈夫曼树,则树的深度为5,带权路径长度WPL的值为96。

-
已知一棵二叉树的中序遍历序列为ABCDEFGHIJK,后序遍历序列为
ACDBGJKIHFE,则先序序列是EBADCFHGIKJ。 -
具有n个结点的二叉树的二叉链表中具有n+1个空的指针域。
-
已知一个完全二叉树的第5层只有7个结点,则该二叉树共有11个叶子结点。
(2^(5-1)=16,第五层本来有16个结点,但是有16-7+1=8没有子节点,所以有7+8/2=11个叶子结点)
三、判断题
1.哈夫曼编码是前缀编码。(√)
2.一棵具有n个叶子结点的哈夫曼树共有2n-1个结点。(√)
3.哈夫曼树是带权路径长度最短的树,路径上权值较大的结点离根较近。(√)
4.二叉树中每个结点的两棵子树无左右之分。(×)
5.由二叉树的先序序列和后序序列,能够唯一地确定一棵二叉树。(×)
6.任何一棵二叉树中至少有一个结点的度为2。(×)
7.完全二叉树一定存在度为1的结点。(×)
8.二叉树是度为2的有序树。(×)
9.给定一棵树,可以找到唯一的一棵二叉树与之对应。(√)
10.二叉树中每个结点的两棵子树是有序的。(√)
11.二叉树的先序遍历序列中,任意一个结点均处在其孩子结点的前面。(√)
12.森林的中序遍历与其对应的二叉树的后序遍历相同。(×)
四、综合题

-
先序遍历:ABCDEFGHIJKL, 中序遍历:DCEBFAIHGKJL, 后序遍历:DECFBIHKLJGA

-
先序遍历:ABDHEIJCFLGMN, 中序遍历:HDBIEJAFCLMGN, 后序遍历:HDIJEBLFMNFCA
-
先序遍历:ABCDEFGH, 中序遍历:DCEBAFHG

后序遍历:DECBHGFA
4. 已知一棵二叉树的后序遍历序列为CDBFEA,中序遍历序列为CBDAFE,请
画出对应的二叉树,并写出其先序遍历序列

先序遍历:ABCDEF
5. 哈夫曼编码

A: 01, B: 10, C: 000, D: 001, E: 11, WPL = 78
6. 数据传输长度最短的编码:C: 000,S:001,E:01,A:10,T:11

WPL=55
STATE:00111101101
SEAT:001011011
ACT:1000011
TEA:110110
CAT:0001011
SET:0010111
A:10
EAT:011011
7. 写出先根后根

先根遍历:ABDEIJFGKHC, 后根遍历:BIJEFKGHDCA
一、单选题
- 具有n个顶点的无向图最多有具有(D. n(n-1)/2)条边。
解析:最多,所以是每个结点都和其余n-1个结点相连,有n*(n-1)个边 无向图为n*(n-1) /2 ,因为重复边,要除以2
有向图为n*(n-1) ,没有重复边
- 具有n个顶点的有向图最多有具有(B.n(n-1))条边
- 下面的(B. 拓扑排序)方法可以判断出一个有向图是否有环。
- B. 每个顶点的度等于其入度与出度之和
- 在一个无向图中,所有顶点的度数之和等于图的边数的(A. 2)倍
解析:一个边连接两个顶点,,所以是边*2
6.在一个有向图中,所有顶点的入度之和等于所有顶点的出度之和的(B1)倍。
解析:入度之和=出度之和
- 关键路径是事件结点网络中(A. 从源点到汇点的最长路径)
- 错误: B. 任何一个关键活动提前完成,整个工程也将提前完成
- 具有4个顶点的有向完全图,具有(B 12)条边
- 设连通图G的顶点数为n,则G的生成树的边数为A. n-1
解析:树的顶点数= 边数+1
- 若一个图的边集为
{<1,2>,<1,4>,<2,5>,<3,1>,<3,5>,<4,5>},对该图进行拓扑排序得到的顶点序列正确的是B. 3,1,2,4,5
解析:每次找入度为0的顶点,输出,然后删除这个顶点和连接这个顶点的边,继续找入度为0的
- 若采用邻接矩阵法存储一个n个顶点的无向图,则该邻接矩阵是一个D. 对称矩阵
二、填空题
1.在一个具有4个顶点的无向完全图中,包含有6条边。
2.具有5个顶点的有向图最多有20条边。
三、判断题
1.任一个AOE网中至少有一条关键路径,且是从源点到汇点的路径中最短的一条。(×)
2.在n个结点的无向图中,若边数大于n-1,则该图必存在回路。(√)
3.无向图的邻接矩阵不一定是对称矩阵。(×)
4.对一个连通图进行一次深度优先搜索可以访遍图中的所有顶点。(√)
5.若有向图中存在拓扑序列,则该图必定不存在回路。(√)
6.迪杰斯特拉(Dijkstra)算法可用于求解图中某顶点到其余各顶点的最短路径。(√)
7.一个无向图有n个顶点,e条边,则所有顶点的度数之和为2e。(√)
四、综合题
1.请写出以顶点V1为初始源点遍历下图所示的有向图所得到的深度优先遍历DFS序列和广度优先遍历BFS序列。

- 深度优先遍历:V1,V4,V3,V6,V5,V2,V7
- 广度优先遍历:V1,V3,V4,V6,V5,V2,V7
2.对于如下图所示的连通图,请分别画出其用普利姆算法(Prim)和克鲁斯卡
尔算法(Kruskal)构造最小生成树的全过程(分步骤画)。

普利姆算法
克鲁斯卡尔算法:

3.写出如下AOV-网的拓扑排序序列,任意写出两种即可。

-
一种拓扑排序序列:ACEBHDFGI
-
另一种拓扑排序序列:CEHABDFGI
4.求出下图所示的AOE网中每个顶点的最早发生时间Ve和最晚发生时间Vl,并求出其关键路径,计算工程完工的最短时间是多少天?

-
Ve 和 Vl 表格如下:
| 顶点 | 最早发生时间 Ve | 最晚发生时间 Vl |
|---|---|---|
| 1 | 0 | 0 |
| 2 | 3 | 3 |
| 3 | 4 | 6 |
| 4 | 10 | 10 |
| 5 | 8 | 9 |
| 6 | 14 | 14 |
- 关键路径为:1 ->a1->2->a3->4->a8->6
- 工程完工的最短时间为 14 天
解析:最早发生时间就是从起点到终点找所有连接和中最大的
最晚发生时间就是从终点到起点找结点数-边值(差值)最小的
vl - ve == 0 的活动为关键活动,关键活动跟状态连起来就为关键路径。
第7章 查找
一、单选题
-
对n个元素的表做顺序查找时,若查找每个元素的概率相同,则平均查找长度为( )。
- C. (n+1)/2
-
适用于折半查找的表的存储方式及元素排列要求为( )。
- D. 顺序方式存储,元素有序
-
折半查找有序表(4,6,10,12,20,30,50,70,88,100)。若查找表中元素58,则它将依次与表中( )比较大小,查找结果是失败。
- A. 20 70 30 50
-
对22个记录的有序表作折半查找,当查找失败时,至多需要比较( )次关键字。
- C. 5
-
分别以下列序列构造二叉排序树,与用其它三个序列所构造的结果不同的是( )。
- C (100,60,80,90,120,110,130)
解析:二叉排序树为左边比父类小,右边比父类大,每次从根节点开始找
- 设哈希表长为14,哈希函数是H(key)=key%11,表中已有数据的关键字为15,38,61,84共四个,现要将关键字为49的元素加到表中,用二次探测法解决冲突,则放入的位置是( )。
- D. 9
解析:二次探测法,为二次幂,12,22,32,42,累加 线性探测为1 2 3 4 5 6线性累加
- 衡量查找算法效率的主要标准是( )。
- C. 平均查找长度
二、填空题
- 计算哈希地址时若产生冲突,可以采用开放定址法和链地址法解决冲突。
- 在长度为500的有序表中进行折半查找,查找不成功时和给定值进行比较的关键字个数最多为9。
解析:log以2为底500的对数=9
三、综合题
- 已知如下11个数据元素的有序表(05,13,19,21,37,56,64,75,80,88,92),请画出其“折半查找”到数据“37”的全过程。
三种求mid方法:
mid=(left+right)/2
mid=left+(right-left)/2
mid=(left+right)>>1
当使用(left+right)/2,且low=1,high=11时:
- 第一步:中间位置为56,与37比较,37<56,继续在左半部分查找。
- 第二步:中间位置为19,与37比较,37>19,继续在右半部分查找。
- 第三步:中间位置为37,查找成功。
当low=0,high=10,且mid=(low+high)/2时:

- 已知一组关键字为(47,7,29,11,16,92,22,8,3),散列函数为H(key)=key%11,用线性探测法处理冲突。设表长为11,试构造这组关键字的散列表,并写出查找每个关键字的比较次数,最后计算查找成功时的平均查找长度(四舍五入保留一位小数)。
| 散列地址 | 0 | 1 | 2 | 3 | 4 | 5 | 6 | 7 | 8 | 9 | 10 |
|---|---|---|---|---|---|---|---|---|---|---|---|
| 关键字 | 11 | 22 | 47 | 92 | 16 | 3 | 7 | 29 | 8 | ||
| 比较次数 | 1 | 2 | 1 | 1 | 1 | 4 | 1 | 2 | 2 |
计算查找成功时的平均查找长度:
ASL=15/9=1.7
第8章 排序
一、单选题
1、从未排序序列中依次取出元素与已排序序列中的元素进行比较,将其放入已排序序列的正确位置上的方法,这种排序方法称为( )。
C.插入排序
2、从未排序序列中挑选元素,并将其依次放入已排序序列(初始时为空)的一端的方法,称为( )。
D.选择排序
3、对n个不同的关键字由小到大进行冒泡排序,在下列( )情况下比较的次数最多。
B.从大到小排列好的
4、对n个不同的排序码进行冒泡排序,在元素无序的情况下比较的次数最多为( )。
D.n(n-1)/2
5、下面( )方法是一种借助多关键字排序的思想对单逻辑关键字进行排序的方法。
D.基数排序
6、若一组记录的排序码为(46, 79,56,38,40,84),则利用快速排序的方法,以第一个记录为基准得到的一次划分结果为( )。
方法一:
快速排序–插入空位:C.40,38,46,56,79,84
| 1 | 2 | 3 | 4 | 5 | 6 |
|---|---|---|---|---|---|
| 46 | 79 | 56 | 38 | 40 | 84 |
| 40 | 79 | 56 | 38 | 40 | 84 |
| 40 | 38 | 56 | 38 | 79 | 84 |
| 40 | 38 | 46 | 56 | 79 | 84 |
- i=1,j=6,从j开始,找比46小的,找到40,4放到i=1位置
- i=1,j=5,轮到i,找比46大的,找到79,79放到j=5位置
- i=2,j=5,轮到j,找比46小的,找到38,38放到i=2位置
- i=2,j=4,轮到i,找比46大的,找到56,56放到j=4的位置
- i=3,j=4,轮到j,找比46小的,跟i交会,结束,将46放到ij3的位置
方法二:快速排序–替换 :A. 38 40 46 56 79 84
| 1 | 2 | 3 | 4 | 5 | 6 |
|---|---|---|---|---|---|
| 46 | 40 | 56 | 38 | 79 | 84 |
| 46 | 40 | 38 | 56 | 79 | 84 |
| 38 | 40 | 46 | 56 | 79 | 84 |
- i=1,j=6,从j开始,找比46小的,找到40,j=5
- i=1,j=5,轮到i,找比46大的,找到79,i=2,i和j交换
- i=2,j=5,轮到j,找比46小的,找到38,j=4
- i=2,j=4,轮到i,找比46大的,找到56,i=3,i和j交换
- i=3,j=4,轮到j,找比46小的,跟i交会,结束,基准值和i交换
7、下列关键字序列中,( )是堆。
D.16,23,53,31,94,72
8、堆排序是一种( )排序。
B.选择
9、堆的形状是一棵( )。
C.完全二叉树
10、下列排序算法中,( )不属于选择排序。
A.希尔排序
11、下列排序算法中不稳定的是( )。
D.快速排序
二、综合题
设待排序的关键字序列为{12,2,16,30,28,10,16*,20,6,18},试分别写出使用以下排序方法,每趟排序结束后关键字序列的状态。
①直接插入排序
[2 12] 16 30 28 10 16* 20 6 18
[2 12 16] 30 28 10 16* 20 6 18
[2 12 16 30] 28 10 16* 20 6 18
[2 12 16 28 30] 10 16* 20 6 18
[2 10 12 16 28 30] 16* 20 6 18
[2 10 12 16 16* 28 30] 20 6 18
[2 10 12 16 16* 20 28 30] 6 18
[2 6 10 12 16 16* 20 28 30] 18
[2 6 10 12 16 16* 18 20 28 30]
②希尔排序
10 2 16 6 18 12 16* 20 30 28 (增量选取5)
6 2 12 10 18 16 16* 20 30 28 (增量选取3)
2 6 10 12 16 16* 18 20 28 30 (增量选取1)
③简单选择排序
[2],12,16,6,30…
[2,6],12,16,30,29
[2,6,10,]…
[2,6,10,12],…
[2 6 10 12 16 16* 18 20 28 30]
一直取最小/最大 和后面的交换位置
④ 冒泡排序
2 12 16 28 10 16* 20 6 18 [30]
2 12 16 10 16* 20 6 18 [28 30]
2 12 10 16 16* 6 18 [20 28 30]
2 10 12 16 6 16* [18 20 28 30]
2 10 12 6 16 [16* 18 20 28 30]
2 10 6 12 [16 16* 18 20 28 30]
2 6 10 [12 16 16* 18 20 28 30]
2 6 10 12 16 16* 18 20 28 30]
⑤快速排序
12 [6 2 10] 12 [28 30 16* 20 16 18]
6 [2] 6 [10] 12 [28 30 16* 20 16 18 ]
28 2 6 10 12 [18 16 16* 20 ] 28 [30 ]
18 2 6 10 12 [16* 16] 18 [20] 28 30
16* 2 6 10 12 16* [16] 18 20 28 30
1488





