汽车可变流量水泵与涡流磁耦合的概念验证
摘要
本文介绍了验证一种新型磁耦合拓扑结构在汽车水泵中直接应用的步骤。从分析研究出发,建立了用于有限元仿真的二维模型,并通过构建原型测试其性能,验证了模型的有效性。该拓扑结构基于涡流耦合技术,可根据所需的发动机工作温度调节传输功率。与电机驱动水泵相比,该技术消耗的电流更少,因为其主要泵送动力源为内燃机。另一优势是残余转矩运行模式,即在缺失电力的情况下利用永磁体产生的磁性实现功能,这在发生电力故障时可有效防止发动机过热。本文结果验证了该装置可控性的概念,并指出了提升机器性能的关键点,从而为后续开发和未来工作提供了支持。
索引词 —执行器,涡流耦合,转矩控制,可变流量水泵。
一、引言
近年来,减少车辆温室气体排放的努力不断加强。根据美国环境保护署(EPA)和忧思科学家联盟(UCS)的数据,交通运输是美国空气污染的最大单一来源,估计一辆普通乘用车每年排放约4.6公吨的二氧化碳[1]。
电力推进系统似乎正成为显著减少温室气体排放的有利策略。然而,它仍然受到电池技术和充电基础设施的限制。与此同时,在短期内,最可行的降低温室气体排放并改善燃油消耗的方法是提高内燃机效率[2],[3]。
效率的提升是通过多年来引入新型机电设备[4]实现的,例如智能恒温阀[5]和基于电动机[6]–[8]及粘性技术[9]的变速水泵。
对于配备电动机的泵,更常见的是将其应用于商用车辆[10],这可以在最大电压为16.0Vdc时,电流消耗可达36.5A,流量达到210.0升/分钟,压力为0.55bar[11]。优点是能够精确控制并保持叶轮转速恒定。缺点是缺乏对电力故障的保护,且其应用受到电流消耗的限制。
鉴于电动机应用中的功率限制以及采用粘性技术生产泵的复杂性,人们一直在寻求一种能够提供低电能消耗并允许灵活控制制冷剂流体流量的技术替代方案。
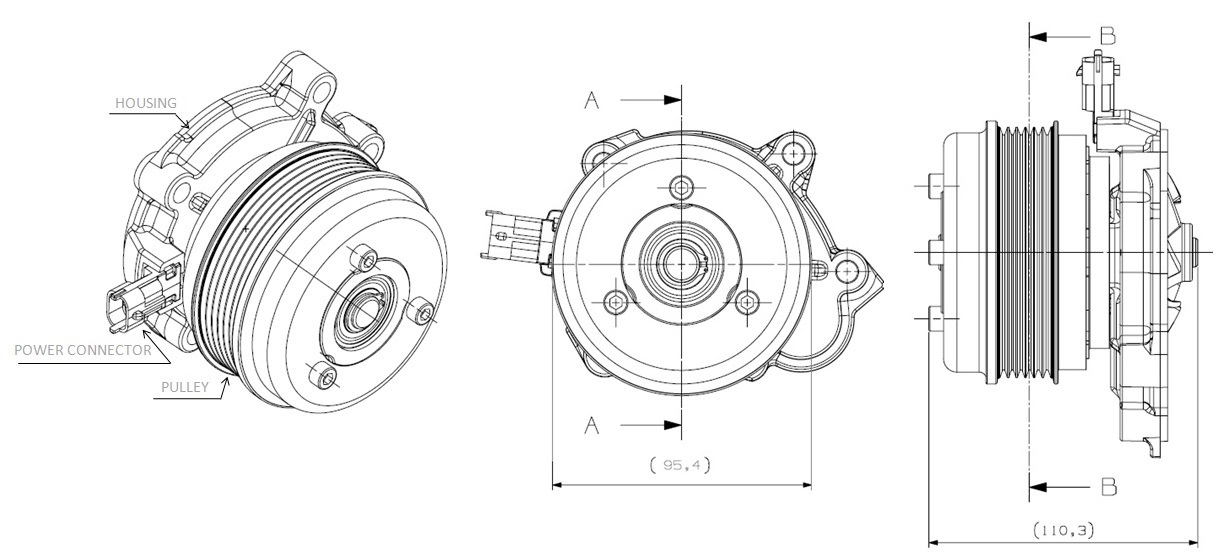
降低电能消耗的方法是通过皮带将装置与车辆发动机(曲轴)连接,并通过磁力调节传递给水泵的转矩量,从而直接影响流量。图1展示了该装置的外部视图,突出显示了电气连接器、皮带轮(与曲轴皮带轮的传动比为1:1.47,最高转速7000转/分钟)以及铝制外壳。
皮带轮(鼓轮)由铁磁材料(SAE1020)制成,具有双重功能:容纳皮带以接收机械功率,并允许涡流在工作区域中循环。正是由于涡流产生的磁场与联轴转子磁极中的磁场相互作用,从而实现了扭矩传递。
II. 涡流耦合理论
当交变磁场作用于铁磁材料时,会产生感应涡流。其传播取决于磁导率 µr和电阻 ρ。
感应电流分布通过麦克斯韦方程所示关系产生磁场。
转矩由磁极的磁场与电枢反应相互作用而产生。该技术的主要优势在于实现稳定扭矩传递。
关于涡流耦合的完整二维理论在六十年代初期已建立,该理论假设铁磁材料中的感应电流 J呈正弦分布,且其传播方向为轴向。轴线方向由图2给出。另一个重要方面是在每极磁通量计算[12]–[14]中引入了铁磁材料的非线性。
公式(1)[14]表示涡流分布,其中Jzmax是感应电流考虑的最大幅值,ω是磁场频率,λ是交变磁场的波长,α−1是穿透深度常数。可以看出,穿透深度沿径向(y方向)。
$$ Jz= Jz \max e^{-\alpha y} \cdot \cos(\omega t - \frac{2\pi}{\lambda} x - \alpha y) $$
铁磁材料的非线性可以通过(2)[14]表示。
$$ (\mu \mu_0)^{1/4} H = 0.97 H^{0.77} $$
公式(3)[14]是与电功率损耗相关的每极磁通量(φac)的最终表达式。
$$ \varphi_{ac} = \propto \cdot W^{0.35} L \rho^{0.325} \omega^{0.675} $$
已知机械功率密度(W/m²)的表达式基于电机结构,例如有源部分面积直径 D和极长 L,可以写出(4)[14]。
$$ W_{mec} = \frac{P_{mec}}{S_{active}} = \frac{2\pi n T}{\pi D L} = \frac{2nT}{DL} $$
考虑到 $ w = 2\pi n p $ 且所有机械功率等于电损耗,可以根据滑差速度(n)估算产生特定转矩(T)所需的 φac,如(5)和(6)[14]所示。
$$ \varphi_{ac} = \propto \cdot L \left( \frac{2nT}{DL} \right)^{0.35} \rho^{0.325} (2\pi n p)^{-0.675} $$
$$ \varphi_{ac} = \propto \cdot \left( \rho^{0.325} L^{0.65} D^{0.35} p^{0.67} \right) T^{0.35} n^{-0.325} $$
将 M定义为电机常数,如(7)所示,最终表达式如(8)[14]所示。
$$ M = \left( \rho^{0.325} L^{0.65} D^{0.35} p^{0.67} \right) $$
$$ \varphi_{ac} = \propto \cdot M T^{0.35} n^{-0.325} $$
三、电机概念
该电机概念通过向冷却系统添加可控性以实现节能,根据发动机需求调节液态冷却剂流量。所选的涡流耦合拓扑结构具有高功率传输和输出轴低转矩脉动的特点。该耦合器的主要部件包括由均匀铁磁材料制成的损耗鼓筒,以及用于产生磁通量的励磁线圈(一种电磁铁),通过转子极在鼓轮中感应电流。
关于该主题的最新研究[15]提出了一种能够显著调节传递扭矩的拓扑结构,但其建议将电磁铁安装在皮带轮(鼓轮)所在的位置。这是一项有趣的研究,可为未来的改进提供基础。其直径明显小于本文所提出的方案,并且通过一个300匝的电磁铁即可产生较大的转矩,最大功耗为10.0A。此外,它还通过改变电流方向来调节传输至输出轴的功率。
作为起点,本次开发以机械泵为基准。图3展示了作为基准的泵,并突出了其主要部件。
为了比较各装置的性能,保留了高亮显示的部件,其中皮带轮的外径保持不变,但轴向尺寸增加以形成电机的工作区域。通过这种方式,原型的构造能够在可用空间内加入磁力耦合装置,并使其完全被皮带轮包围。
起点是研究由戴维斯[14]描述的伦德尔电机。采用部分交错结构,以便于原型的制造,并因其相较于感应式耦合具有更优的性能。由于应用需求,提出了一些改进措施,例如引入永磁体(用于产生残余扭矩)以及通过实施固定励磁线圈设计来实现电刷消除。图4a显示了所提出的电机的纵向截面视图,而图4b突出了联轴转子的主要特征。图5展示了用于原型装配的已加工部件和选定的永磁体。每个部件均用数字编号,并在表I中列出。
A. 机器子集
为了更好地理解电机结构,可将其分为三个子集。第一个子集由电磁体和铁磁钢结构组成,该结构称为基座,也压紧在铝制外壳上。电磁体呈环形,位于电机中部,环绕在铁磁钢结构周围。这是一个固定子集,用于安装转子联轴轴承,如图6a所示。
第二个子集如图6b所示,由叶轮、轴、主轴承和转子联轴器组成。通过不锈钢件与轴之间的机械连接,将转子联轴器的运动传递给叶轮。主轴承使轴能够旋转,并被压紧在铝制外壳上以确保正确的对中。最后,两个联轴转子轴承负责转子的对中和运动。
最后一个子集包括鼓轮、法兰和连接到主轴的轴承,从而隔离皮带轮的运动。该子集由图6c表示。
由图6所示的子集在机械上是相互隔离的。第一个子集与第二个子集之间的空间称为下气隙,第二个子集与第三个子集之间的空间称为上气隙。后者是联轴器磁极与鼓筒内表面之间的气隙,构成电机的工作区域。在此结构中,移动联轴转子的唯一方式是通过磁性。通过设置下气隙,避免了使用换向器来提供电磁场。图7a突出显示了电机的一些部件,并标明了它们的位置。
为了更好地说明这种拓扑结构,图7b给出了一个沿45°截取的剖切,从而呈现出一对磁极的侧视图。C3和C4半径之间的差值为0.25毫米,形成下气隙。上气隙由C5和C6半径之差构成,同样为0.25毫米。最初,这些值被作为空隙的取值,因为它们是原型制造可行的极限,便于任何可能的修改。
B. 电机启动
当皮带轮开始运动时,电机被激活,该运动由曲轴(内燃机)带动。皮带轮通过皮带与发动机曲轴相连,机械功率由此传递至水泵。假设电磁体(螺线管)施加了最大电流,则磁通量穿过转子极(φac)时,在工作区域(皮带轮内表面)感应出最大量的涡流。由于感应出电流,磁极与涡流之间的力相互作用使联轴转子子集运动,而联轴转子子集与叶轮相连。
皮带轮速度无法控制,因为它跟随发动机转速(曲轴)变化。随着发动机转速的增加,可用的输入功率也成比例增加。
由于涡流耦合是一种异步电机,叶轮转速低于皮带轮速度。输出轴与输入轴速度之间的差值即为滑差速度,它代表了鼓轮中的损耗功率。
C. 联轴器转子
表II:N42SH 在 20°C下的特性。
| 特性 | Unit | Min. | Nom. | Max. |
|---|---|---|---|---|
| Br | mT | 1280 | 1310 | 1340 |
| HcB | kA/m | 955 | 987 | 1019 |
| HcJ | kA/m | 1592 | - | - |
| 最大磁能积 | kJ/m³ | 310 | 330 | 350 |
耦合转子子集由十六个永磁体组成。它被压装在两个轴承上,以确保正确的对准和运动。表II列出了所选磁体在应用环境高温条件下的主要参数,其中Br为剩余磁感应强度,HcB为矫顽力,HcJ为内禀矫顽力,BHmax为最大磁能积。
转子通过不锈钢部件与主轴机械连接,从而将电磁传递的转矩用于驱动叶轮。为了更好地理解,请参见图8a,该图为去除皮带轮后的径向视图,重点展示了永磁体的定位。
磁体。这种定位在图8b中更为明显。图8c是二维仿真的结果,显示了永磁体的横向极化以及磁极的形成。永磁体布置在磁极之间,该设计还有助于减少通过转子极的漏磁通。
D. 电磁体
电磁体位于第一个子集内,周围环绕着该装置的铁磁基座,如图9a所示。为了确保其绝缘性,设计了一个厚度为1.2毫米的塑料线轴来容纳它。进行了一些初步研究,以最大化可用空间内的安匝关系,结论是采用AWG23导线为最佳选择。在原型中,成功制作了一个具有376匝的螺线管,电阻为4.9Ω,如图9b所示。
考虑到铜质部分的公称直径Fc等于0.574 mm,并采用约8.5 A/mm²的电流密度,可得到额定电流为(9)。
$$ i_{nom} = \pi \left( \frac{F_c}{2} \right)^2 \cdot J = \pi \left( \frac{0.574}{2} \right)^2 \cdot (8.5) = 2.20(A) $$
采用12.0Vdc作为供电系统的限值:
$$ i_{sol} = \frac{12}{4.9} = 2.44(A) $$
因此,$ i_{sol} > i_{nom} $ 能够为电磁铁提供所需的额定电流。
E. 运行模式
该电机的设计旨在实现总流量控制,并在发生故障时,利用磁体产生的磁场作为安全措施继续运行。为此,三种运行模式与施加到电磁铁上的电流方向直接相关,进而与其极化相关。
连接到一个可调电压源,第一种控制模式认为,当向电磁铁施加正向电流时,工作区域中的磁通量开始被控制,以增加扭矩传递。图10a展示了电磁体(φsol)产生的磁通量与永磁体(φmag)产生的磁通量之间的关系。在图的左上方,可以观察到仅保留永磁体和鼓轮可见时,针对一对磁极所进行的三维仿真结果。可以看到鼓筒内表面附近的磁通量密度模块 |B|约为1.2T。在此配置中,电机工作区域(φsol+φmag) 内的磁场相互叠加。因此,仿真结果显示出鼓筒内表面几乎完全呈绿色(范围在0.9T至1.3T之间),表明具有高场强。
改变电流方向后,发现出现相反行为,即底部的磁动势增加,永磁体产生的磁性流经该处。此时,扭矩传递被关闭,叶轮运动停止。此模式如图10b所示,可以看出鼓筒内表面完全呈蓝色,表示低于0.1T。
第三种也是最后一种工作模式发生在电磁铁中的电流消失时。永磁体(φmag)产生的磁通量在上、下磁路之间分配。由于上、下气隙相等,估计有一半的磁通量保留在工作区域中,通过残余扭矩感应电流并传递功率。在图10c中,磁体区域观察到更高浓度的磁通量(绿色),而中心区域则缺失涡流(蓝色)。相比之下,这种情况介于前两种模式所呈现结果之间。
四、磁通量仿真
为了研究该电机的行为,在对其仿真时,力求在保持其拓扑结构的同时简化设计。
从分析研究的角度来看,最重要的元素主要是构成 M电机常数的变量。参见表III,其中联轴转子直径(Dr)或工作区域,L为交错极长度(在 x轴上的深度),ρSAE表示SAE1020铁的电阻率,p为电机的极对数,lg表示气隙(磁极表面与鼓筒内表面之间的距离Dr),最后是永磁体(N42SH)的尺寸。注意,深度 L与永磁体长度具有相同的值。
表III:电机主要变量及其对应值。
| Item | 值 | 单位 |
|---|---|---|
| Dr(极面直径) | 88.5 | mm |
| L | 16.0 | mm |
| ρ SAE(SAE1020 20 °C) | 1.72e-7 | Ohms |
| p(极对) | 8.0 | 对 |
| lg(气隙) | 0.25 | mm |
| N42SH(长x高x宽) | 16x4x6 | mm |
工作区域(x轴)的长度与永磁体长度一致,考虑到转子的交错部分负责大部分的扭矩传递,这一点通过三维仿真结果(图11)得以验证,并由Davis[13],[14]发表的研究证明。
简化后,可以计算电机常数M,如(11)所示。
$$ M = \left[ (1.72e-7)^{0.325} \cdot 0.016^{0.65} \cdot 0.0885^{0.35} \cdot 8^{0.67} \right] = 2.47 \times 10^{-4} $$
电磁体被划分为与电机极对数量相同的极对,遵循Ostovic[16]所示的方法。每个小型电磁铁由总匝数(47匝)的1/8组成,串联连接,并由恒定电流源(PWL)供电。另一个重要的简化是仅将鼓形部件声明为运动部件,因为期望的结果是转矩作为滑差速度的函数。该模型由图12a所示,而电流源和8个电磁铁由图12b所示。
最初的仿真采用恒定滑差进行处理,6.67转/秒(400 rpm)的速度。为了关联滑差 n、转矩 T和每极流量φac,共模拟了四种情况。其中两种情况下施加了不同的电流,resulting in the highest values for φac(0.17毫韦伯和0.14毫韦伯)。还进行了无电流施加的仿真,得到最低值,约为0.07毫韦伯;最后,进行了如图8c所示的去除下部电路的仿真,该设置在第三节-C中用于更好地解释转子拓扑结构。调节时间为8.0毫秒。
在转矩稳定后,通过图13所示的图像测量磁通量。
图13a显示了磁通量密度 |B| 和红色箭头表示一个电机磁极的永磁体极化方向。图13b显示了涡流行为以及有限元软件用于测量磁通量密度 B和 |J|峰值的两条线(0 − A)和(0 − J)。测量 φac需要使用(0 − A)线导出 |B| ,沿极面积分并将结果乘以极面积。这些结果如图14所示,其中给出了调节时间、达到的转矩以及测得的 φac之间的关系。
φac 使用(8)进行的计算与仿真(有限元分析)之间的比较如表VI所示。通过比较方法 ∆c(%)得出的差异似乎是一个很好的结果,表明该方法有助于预测电机行为并且具有适用性。这表明所仿真的模型消耗的磁能高于理论预期值,表明鼓轮厚度可能导致饱和,这一假设需通过原型的性能加以验证。变量 ∆s表示在400转/分钟滑差与零滑差相比时φac的减少量。这有助于确定电机磁路的尺寸,已知在400转/分时损耗约为15%。
汽车可变流量水泵与涡流磁耦合的概念验证
五、原型性能测量
所有测量均按照 ISO 9906:2012[17] 进行。用于测试原型的电机模拟了冷却液回路、液压阻力、工作温度,并测量重要变量,如输出流量、皮带轮速度和压差。为了测量滑差速度,一个霍尔传感器被固定在泵壳体上以测量联轴转子速度,如图15b所示,其中两个小磁体粘贴在磁耦合转子上。
第一次测试旨在确保原型的液压性能。为此,需要引入锁紧销以连接联轴转子和鼓轮。在相同环境条件下,可将结果与转矩和流量上限要求进行比较,从而确保通过磁耦合测得的任何性能均可与机械泵和原型进行对比。
装配已正确执行。
拆除锁紧销后,对第二组测试施加2.23A和4A电流到电磁铁。每次施加电流后,执行七个步骤,每一步均在动态稳定后记录转矩和滑差速度,分别如表V和表VI所示。
图16a显示了测试结果以及两条用于参考的额定扭矩曲线,这两条曲线代表了应用所需的最小和最大冷却液流量。通过每种输入转速下的滑差速度,我们可以更清楚地了解耦合器传递的转矩距离最大流量需求有多远。冷却液流量如图16b所示,其中由于残余扭矩产生的流量数值极低,因此未予显示。图17a清晰地展示了这种关系,显示了基于可用功率所达到的转矩和流量的相对百分比(原型机锁销曲线)与滑差速度的关系。图17b显示了名义性能与带锁紧销泵之间的关系。需要注意的是,在约4000转/分钟时,带耦合器的泵所表现出的性能低于名义性能,在5000转/分钟时流量大约减少了18%。该结果表明,这种性能差异更多地与原型的构造有关,而非磁耦合的应用所致。
最后一次测试显示了设备因电流变化而产生的行为,从而寻求控制流量泵的残余转矩以及关闭泵。完整的测试结果如图18所示,证明了预期的设备运行情况。该图显示了输出流量、电磁电流、泵速和输入转速,均稳定在约5000转/分。电流从3安培开始,逐渐降低至接近零。当电流达到零时,残余运动开始起作用,保持少量转矩,从而维持少量冷却液流量(15升/分钟)。当反转电磁铁电流信号时,泵被关闭。
六、原型机性能测量与仿真对比
通过获取性能数据,可以验证仿真中使用的简化模型的行为是否与原型的实际状况有良好的对应关系。图19显示了针对表V和表VI中测量的每个滑差速度的仿真结果。
图19a展示了电磁铁施加2.23A时的结果,而图19b展示了施加4.00A时的结果。记录了转矩值随滑差速度的变化情况。转矩稳定后(10.0ms)。数据如表VII所示,其中列出了测得的转矩(TP)与仿真转矩(TFEA)的关系。为了更好地进行性能对比,图20展示了表VII的数据图表,可以看出两者具有良好的行为一致性。当滑差速度大于3000 转/分时,模型表现出更多的饱和特性,限制了转矩的传递,而原型的性能结果则不同。由于主要关注的是改善电机在低滑差速度下的性能,该模型在行为预测方面表现良好,可作为后续工作的基础。
七、结论
本文介绍了为验证一种基于涡流传递转矩原理的耦合拓扑结构所执行的步骤。第一步是建立一个准则,以帮助表征所提出装置的性能及其初始限制。为此,采用了一种完全机械设计作为基准,从而为项目确定了几何限制。
这一初步限制对工作区域的内径产生了影响。基于此,可以确定第一个结构方案,并据此将方程计算结果与仿真模型及原型性能相关联。由此能够明确当前设备的局限性,同时验证电机启动及其运行模式的概念。此外,还建立了用于开发新方案和优化的方法。
从功能角度来看,该电机在转矩传递方面能够按预期进行控制,且具有良好的稳定性。三种控制模式均按预期工作。从性能角度来看,注意到上下气隙之间的关系导致磁体产生的大部分磁通量未被利用。很好。这在残余扭矩的低值中得到了体现。该假设是基于第四节中的仿真结果提出的。在未施加电流的情况下,考虑完整模型并在滑差速度为400转/分钟时,获得的转矩约为0.2牛·米。从图16a可以看出,实测的残余扭矩值在0.0至0.5牛·米之间,由绿色线条表示。将0.20牛·米与仅使用磁体仿真所得的结果0.65牛·米进行比较,扭矩传递几乎增加了两倍。另一个有趣之处在于,无需完全消除扭矩传递。可以设定停机循环期间将转矩保持在0.4牛·米以下,从而使系统流量保持相对较低。针对此情况的建议是增加下气隙的磁阻,并更好地利用电磁铁在电机停机期间产生的磁能,如图18所示的负电流周期测试中所证实的那样。
另一个重要方面是,本研究旨在增大为电磁铁预留的面积。本研究基于必要 φac随滑差速度变化的计算。通过这一确定,由于已知方程及其与装置行为的关系,便可以优化磁路的尺寸设计。
从图17b可以看出,还需要对液压性能进行分析,因为在输入转速5000转/分钟时,泵的效率比预期低18%,在7000转/分时低10%,从而提高了对增加流量的期望。需要记住的是,该测试是在未考虑磁耦合的情况下进行的,仅用于验证装置的液压性能。
该设备已在最大4.0A电流下进行测试,对应的电功率为48W。即使新方案消耗的电流增加一倍,所提出的设备最大功耗仍为96W,与CWA-400消耗的400W相比,仍可节省76%的电功率。图21展示了压差随达到的最大流量变化的对比情况。观察到变量泵在从CWA-400工作点消耗4.0A电流时的接近程度,而CWA-400消耗了35.5A电流。它也明显看出,要接近机械泵所达到的值(310.0升/分钟,1.54巴压差)仍面临巨大挑战。
研究表明,该技术主要应用于功耗使电动泵应用不可行的发动机中。这是首次尝试将所开发的工具进行关联的研究,旨在为更深入的分析提供基础。还需通过减少某些部件来简化其构造,因为原型重量为3.80千克,外径为95.4毫米,长度为110.3毫米。相比之下,CWA-400重2.5千克,直径为93.0毫米,长度为170.0毫米,比前者长约60.0毫米。
842

被折叠的 条评论
为什么被折叠?



