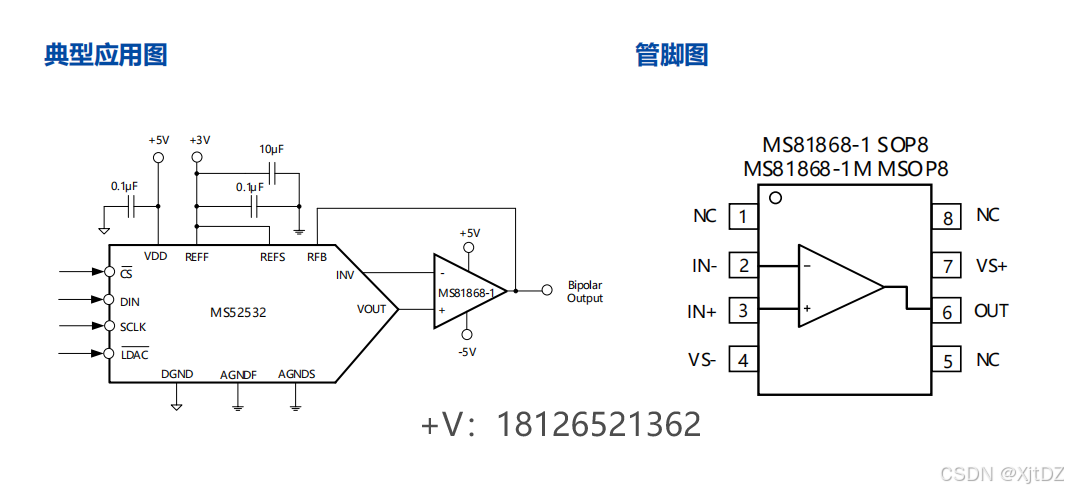
MS81868是一款高压高精度低噪声的运算放大器。其工作电压可以在单电源下从4V到36V或者双电源下从±2V到±18V。可兼容OP1177/OP2177/OP4177/ADA4077-1/ADA4077-2/ADA4077-4。
MS81868采用高压斩波技术来实现零温漂的特性。与同类产品相比,斩波频率谐波上的毛刺大幅度减小。该器件具有宽工作电压、高开环增益、高共模抑制比,优异的直流和交流精度,可以广泛的应用于在宽温范围内需要高精度测量的各种应用场景。
MS81868输入共模电压范围包括负电源轨,输出电压范围为轨到轨。工作温度范围为-40℃至+125℃。
主要特点
低失调电压:40μV (最大值)
低失调电压漂移:150nV/°C(最大值)
低噪声:9nV/√Hz; 0.18μVp-p
增益带宽积:2MHz
电源抑制比:150dB(典型值)
共模抑制比:145dB(典型值)
宽电源电压范围:±2V至 ±18V
输入包括负电源轨
输出轨到轨
集成EMI滤波器
应用
工业自动化
传感器信号调理
数据采集系统
医疗仪器
温度测量


被折叠的 条评论
为什么被折叠?



