空间索引(Spatial Indexing)
回忆下数据库最基本的操作:增删改查以及稍复杂些的比如连接操作,基本都需要先锁定数据位置,再执行操作。而定位这个步骤,如果没有index,基本都是O(n)的时间复杂度,这是一个非常“耗时”的操作。“找”这个操作就需要定位。注意这里的定位不再是指在存储器上的位置,而是在空间中的位置,这里的空间,是由数据的维度张成的空间。空间数据,也即是这些拥有多维度的数据。这是空间数据的一个比较延展性的说法。但通常,空间数据都focus on 几何类型数据,比如点,线,面,球等,当然这些点、线都是可以任意维度的。对于空间数据的搜索,我们需要空间索引spatial index来提升搜素效率(速度)。目前主流数据(SQL server,MySQL,PostgreSQL,etc)都已加入了对spatial data的支持,这其中最主要的就是数据类型和索引的支持。
R-tree
MBR
为了统一描述空间类型,比如点,线,面等,Guttman首先提出了MBR的概念,即Minimum Bounding Box。MBR的含义是用一个最小的矩形(通常默认矩形的边平行于坐标轴),来框住这个几何体。

R-tree
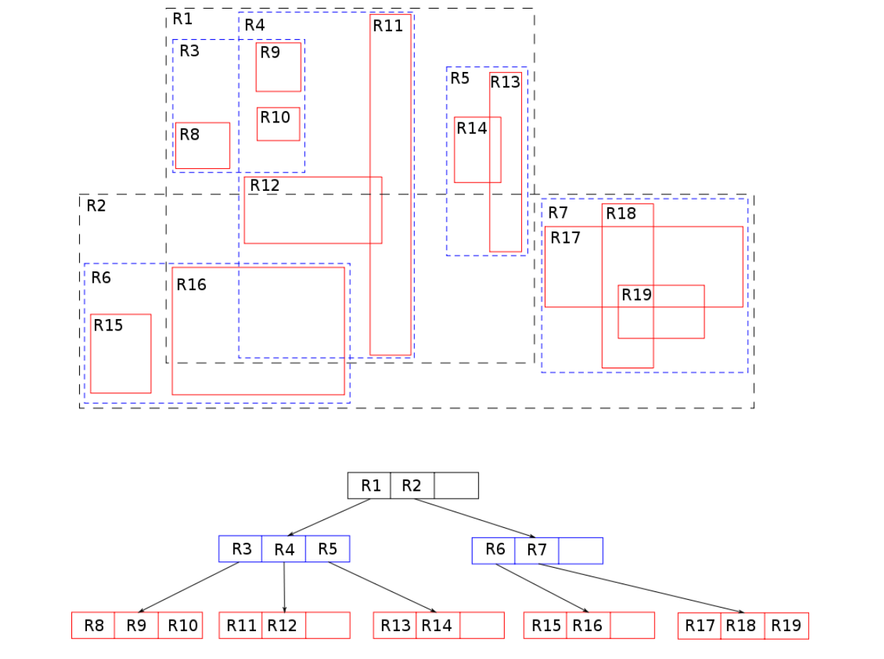
R-tree主要吸纳了B+tree的思想,对数据进行分割。

JTS生成R树索引
JTS提供了如下的空间数据类型,还提供了读取各种空间描述文件(WTK等),线简化,空间操作(求交,计算距离,计算外包矩形等),建立空间索引等多种算法。
参考这篇文章:https://blog.youkuaiyun.com/wk1134314305/article/details/76408181
引入依赖包:
// Gradle
compile group: 'com.vividsolutions', name: 'jts', version: '1.13'
// Maven
<dependency>
<groupId>com.vividsolutions</groupId>
<artifactId>jts</artifactId>
<version>1.13</version>
</dependency>
Geometry类:所有的空间数据类型,点,线,面,多点,环,多边形等等都是继承自Geometry类的。
Envelope类:该类就是描述一个空间几何对象的外包矩形,由max_x,max_y,min_x,min_y组成。
JTS常用的方法,以及R树索引基本使用:
package com.geotools.geotoolsdemo;
import com.vividsolutions.jts.geom.*;
import com.vividsolutions.jts

本文介绍了空间索引的重要性和R树的概念,详细阐述了Minimum Bounding Box(MBR)以及JTS库在生成R树索引中的应用。通过引入JTS依赖,可以利用其提供的空间数据类型和算法,进行空间数据的高效检索。
最低0.47元/天 解锁文章
1887

被折叠的 条评论
为什么被折叠?



