FC成环器内部真的是个环么
我们知道在FC流行的时代,控制器与硬盘之间的连接方式是FC-AL仲裁环。环上的所有节点手拉手连接起来,将数据在这个大环上传递,每个节点根据数据包的FCAL地址来判断是不是给自己,的是就收下,不是就继续往外扔,直到某个节点认领。
然而,如果盘数一增多,那么手拉手接力传数据的方式显然效率是很低的。而且FCAL环有个毛病就是必须按照一个方向传递,同时它还是个同步环,也就是环上同一时刻只有两个节点之间在互传数据,其他节点只起到接力的作用。这显然效率也很低,理论上完全可以做到环内任意两个点之间可以同时并行传输数据。但是FC协议刚出现的时候,那时候瓶颈其实还不在于FC传递上,而在于FC网络节点的性能自身。比如机械硬盘平均处理每个IO耗费10ms,而FCAL环路就算绕一大圈也不过几百微秒的时延,相比机械硬盘的慢速响应而言微不足道。但是随着FCAL环接入硬盘数量的不断增加,系统需要同时将指令发送给多个硬盘并行处理,并发请求数量上来之后,FCAL的同步特性就严重制约了并发度。
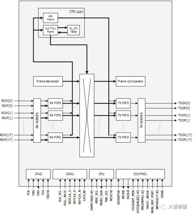
于是人们就在想能否让数据一条直达。当FC协议在传统存储系统中得到大量普及之后,业界做FC成环器的厂商比如当时的PMC-Sierra公司,就发明了一种直接交换而不用大家手拉手接力传递的成环芯片,其内部其实是个Crossbar交换电路了,只不过依然需要遵循FCAL的协议,也就是先仲裁,后传数据。

其内部的固件负责接收仲裁广播,并直接独立裁决,也就是不将这笔广播发送到FC环路上真的让大家参与仲裁,因为这样会非常慢。裁决模块会均衡的让所有人都有机会获得仲裁胜利。仲裁模块会直接返回仲裁成功结果给发起端,降低了时延,于是发起端直接开始传送数据,发起端节点并不知道该数据是怎么传递到目的的,它认为底层还是大家帮忙接力传过去的。而实际上,是由成环器芯片通过Crossbar电路直接交换到对端的。利用这种方式,既能保持对上层协议的不修改、对节点固件的不修改,还能够提升性能。

FC成环器并非简单地维持一个物理环形结构。为解决FC-AL仲裁环效率低下的问题,通过采用Crossbar交换电路实现数据直接交换,既保留了FCAL协议又提升了性能。
3145

被折叠的 条评论
为什么被折叠?



