为了满足生产的需要,零件图的一组视图应根据零件的功能及结构形状特征,采用合适的视图及表达方法。

科学合理地选择视图可以简化零件的表达方式,让零件图面更清晰简洁,更利于工人读图和加工。
对于完全对称的回转体零件,可以1至2个视图,就可以完全将零件的结构特征表达清楚。


图 1-1 轴承座
视图选择的要求
1)完全:零件各部分的结构、形状及其相对位置表达完全且唯一确定;
2)正确:视图之间的投影关系及表达方法要正确;
3)清晰:所画图形要清晰易懂。
视图选择的方法及步骤
3.1 分析零件
1)分析零件的几何形状、结构,要分清主要和次要特征;
2)分析零件的功能:零件的几何形状与其功能有密切关系,通过对零件的功能进行分析,选择合适的表达方法;
3)确定零件的加工方法:零件的形状特征,直接决定了零件的加工方法。
3.2 选择主视图
主视图的选择一般根据零件在加工过程中的装夹状态或者装配后的工作状态进行选择。

轴、盘类零件主视图一般根据其加工过程中的装夹状态进行选择,支架、壳体类零件主视图一般根据工作状态进行确定,主视图的投射方向要能够清晰地表达主要形体的形状特征。
3.3 选择其他视图
首先考虑表达主要形体的其他视图,再补全次要形体的视图。
在视图选择时应注意:
1)优先选用基本视图;
2)内外形的表达,内形复杂的可取全剖;内外形需兼顾,且不影响清楚表达时可采用局部剖切。
3)尽量不用虚线表达零件的轮廓线,但用少量虚线可节省视图数量而又不在虚线上标注尺寸时,可适当采用虚线;
方案比较
在多种视图方案中选择最优方案,选择原则为:
1)在将零件的结构特征表达清楚的基础上,视图数量越少越好;
2)避免不必要的细节重复;
轴类零件的视图选择
1)分析零件的结构特征
2)选择主视图
主视图的投射方向一般原则为,尽可能多的表达零件的内外形特征。
3)补充其它视图
可用局部放大图表示轴上局部的小特征。
可用移出断面图或剖视图表达轴上的键槽结构。
补充说明
1)断面图是用假想的剖切平面将物体从某处切断,只画出该剖切面与物体接触部分(剖面区域)的图形。
2)我们在绘制轴类零件图时,实心轴类零件一般不能采用全剖方式表达,如确实有必要展示轴内部局部某些细节特征时,可采用局部剖切的方法表达。
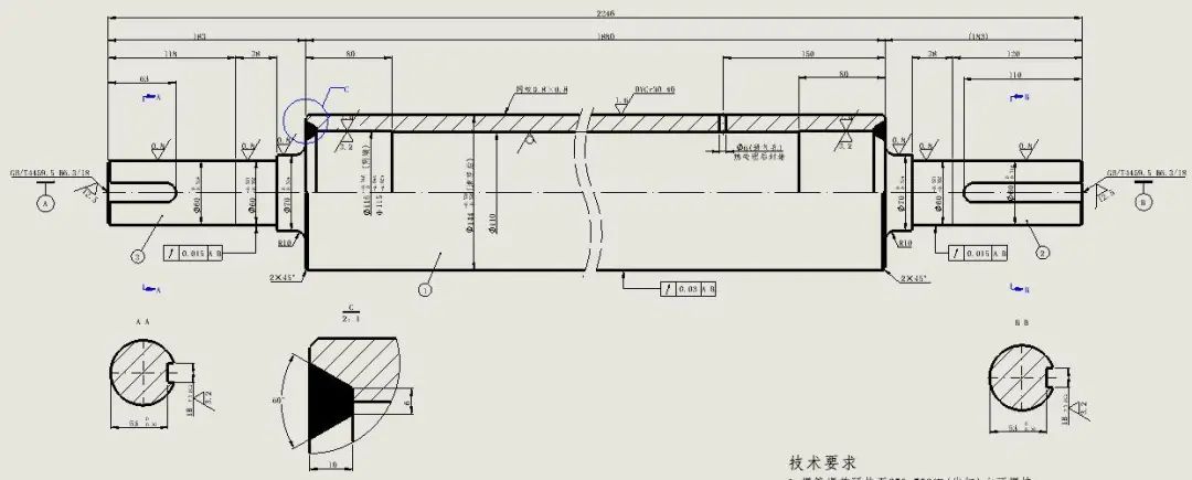
轴类零件绘制实例
如图6-1所示为长轴类零件,对该轴的几何特征进行分析,可看出,其形状为阶梯形回转体,并带有键槽。

图 6-1 轴类零件
轴类零件主视图一般按轴在加工过程中的装夹状态放置,即轴线水平放置。
轴上有键槽,主视图选择正对键槽的方向投射,这样轴上的主要结构特征在主视图中皆有所体现,该轴为焊接结构,为了表达轴内形特征,主视图采用半剖的表达方式,如图6-2所示。

图 6-2
采用局部放大图表示轴上筒体与轴头的焊缝,如图6-2所示。
采用移出断面图或剖视图表达轴上的键槽结构。
此外,轴端中心孔按国标规定,可用简化表示方法,不用画出具体细节,这样大大简化了该图的表达内容,图面清晰,便于读图。
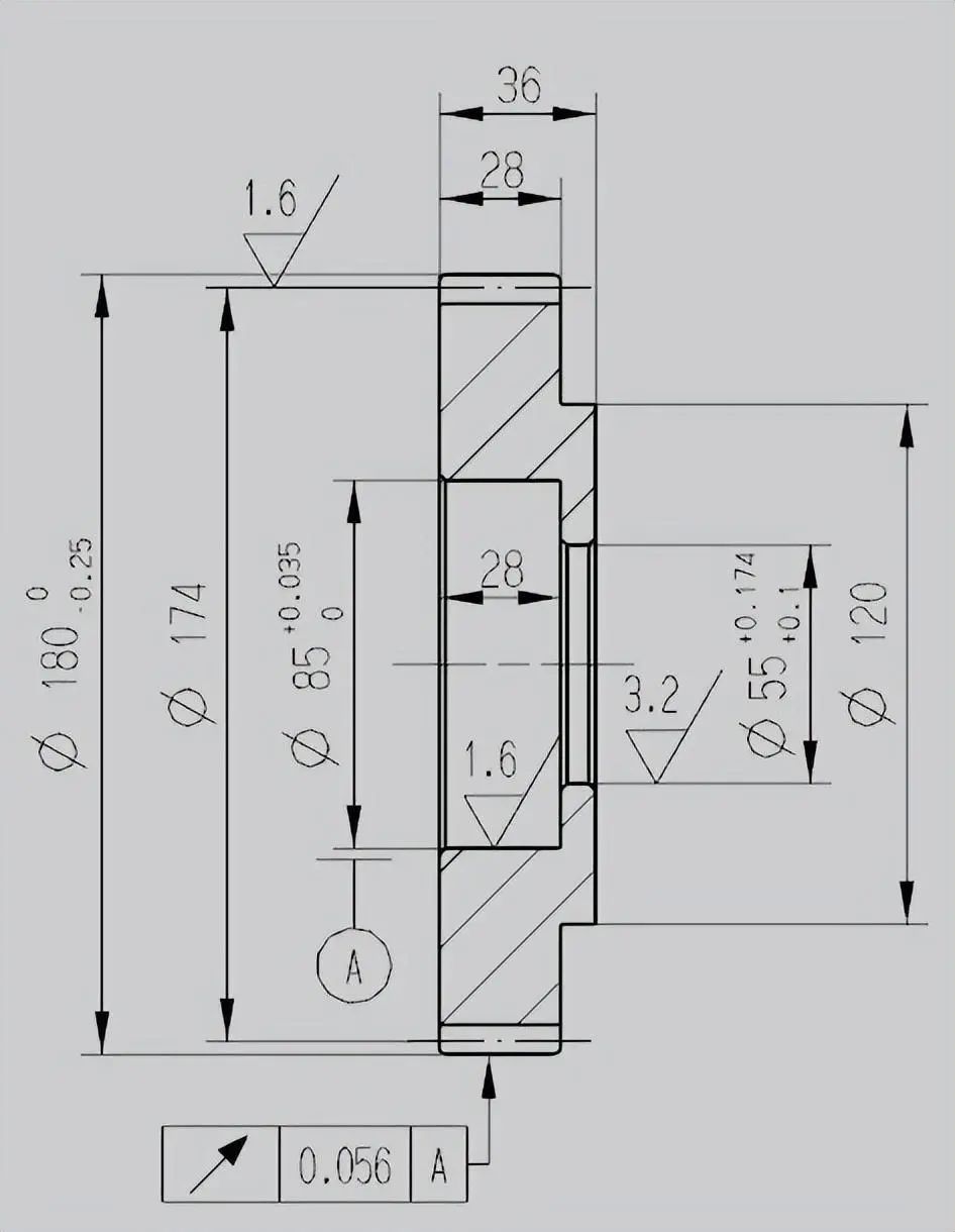
盘类零件绘制实例
盘类零件的绘制原则与轴类零件类似,大多也是根据零件加工过程中的装夹状态选择视图方向。
图7-1为一筒形齿轮结构,对该齿轮的几何特征进行分析,可看出,其形状为阶梯形回转体,内孔带有键槽。

图 7-1
盘类零件主视图一般按其在加工过程中的装夹状态放置,即轴线水平放置,由于盘类零件的内形特征一般比较多,因此多采用沿中心线的剖视图进行表达,如图7-2所示。

图 7-2
另外补充一个视图对键槽的尺寸进行表达即可。
其它类似零件可按照以上原则选择视图方案进行表达,这里不再赘述,仅分享一些典型零件的设计图样,仅供参考。


附录 1-2 轴承隔套


图 2-1 齿圈


附录 3-1 轴承透盖


附录 4-1 支座
3415

被折叠的 条评论
为什么被折叠?



