实验五 集成运算放的基本应用
一、实验目的
熟悉集成运算放大器主要参数的定义及表示方法。
掌握集成运算放大器的正确使用方法。
研究由集成运算放大器组成的比例、加法、减法等基本运算电路的功能。
二、实验原理
集成运算放大器是一种具有高电压放大倍数的直接耦合多级放大器。若在它的输出端和输入端之间加上反馈网络,则可实现不同的电路功能。例如,加入线性负反馈,可以实现放大功能以及加、减、微分、积分等模拟运算功能;加入非线性负反馈,可以实现对数、反对数、乘、除等模拟运算功能。
为了分析方便,通常把运算放大器视为理想器件,满足理想化条件的运放应具有无限大的开环电压增益、无限大的差模输入电阻、无限大的共模抑制比、无限大的开环带宽、零输出电阻以及零失调和漂移。
三、实验步骤
实验前要看清运放组件各管脚的位置,切忌正、负电源极性接反和输出端短路,否则将会损坏集成电路。
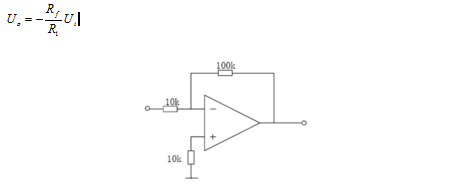
1 反相比例运算电路
电路如下图所示。对于理想运放,该电路的输出电压与输入电压之间的关系为


2 反相加法电路
电路如下图所示。输出电压与输入电压之间的关系为

3 减法器
电路如下图所示,当时,有如下关系式:

四 实验仪器和仪表
虚拟实验仪器及器材
双踪示波器 信号发生器 交流毫伏表 数字万用表
五 实验报告要求
整理实验数据,列表比较实测值与理论值。
分析产生误差的原因。
(1)反相比例运算电路

(2)反相加法电路
Rf=100k

(3)反相减法电路
Rf=100k

误差分析:输入电压的单位不一致,没有注意到集成运算放大器的正负接口等。
实验五介绍了集成运算放大器的基本应用,包括反相比例、反相加法和减法电路。实验目的是熟悉运放参数,掌握其使用,并通过实际操作理解其在模拟运算中的功能。实验中强调了理想运放的特性,并提醒注意电源极性和输出端短路等问题,同时提供了误差分析的示例,如输入电压单位不一致和接口混淆等。
1万+

被折叠的 条评论
为什么被折叠?



