✅作者简介:热爱科研的Matlab仿真开发者,擅长数据处理、建模仿真、程序设计、完整代码获取、论文复现及科研仿真。
🍎 往期回顾关注个人主页:Matlab科研工作室
🍊个人信条:格物致知,完整Matlab代码及仿真咨询内容私信。
🔥 内容介绍
永磁同步电机(PMSM)以其高效率、高功率密度、宽调速范围和良好的动态响应等优点,在现代工业、电动汽车、航空航天等领域得到广泛应用。为充分发挥PMSM的性能,精确的电气驱动系统模型是设计、控制和优化系统的关键。本文将深入探讨永磁同步电机电气驱动系统的建模方法,涵盖其基本原理、数学模型、控制策略以及在实际应用中的考量。
一、 永磁同步电机基本原理与结构
PMSM的核心是定子绕组和永磁体转子。定子绕组通电后产生旋转磁场,与转子永磁体的磁场相互作用,产生电磁转矩驱动转子旋转。根据转子永磁体的安装方式,PMSM可分为表贴式永磁同步电机(SPMSM)和内置式永磁同步电机(IPMSM)。SPMSM的永磁体直接贴附在转子表面,其d轴和q轴电感近似相等;而IPMSM的永磁体嵌入转子内部,利用磁阻效应,使得d轴和q轴电感不相等,从而产生磁阻转矩,进一步提升电机性能。
二、 永磁同步电机数学模型
准确的数学模型是构建电气驱动系统的基础。PMSM的数学模型通常在两相旋转d-q坐标系下建立,这能将时变参数转化为时不变参数,简化控制器的设计。


三、 永磁同步电机控制策略
基于PMSM的数学模型,可以设计多种控制策略以实现高性能驱动。其中,磁场定向控制(FOC)和直接转矩控制(DTC)是两种主流的控制方法。
1. 磁场定向控制(FOC):
FOC的核心思想是通过坐标变换将PMSM在三相交流下的复杂模型转化为d-q坐标系下的直流模型,从而实现对转矩和磁链的独立解耦控制。FOC通常包括以下环节:
- 电流环控制:
采用PI控制器分别控制d轴和q轴电流,实现对转矩和磁链的精确调节。
- 速度环控制:
采用PI控制器调节电机转速,其输出作为电流环的q轴电流给定。
- 坐标变换:
采用Clark变换和Park变换将三相电流电压转换为d-q轴分量,反向Park变换和反向Clark变换将d-q轴分量转换回三相。
- PWM逆变:
根据电压指令生成PWM信号,驱动逆变器为电机供电。
FOC具有控制精度高、动态响应快、调速范围广等优点,是目前应用最广泛的PMSM控制策略。
2. 直接转矩控制(DTC):
DTC是一种无电流环控制策略,其基本思想是直接根据转矩和磁链的误差,选择合适的电压矢量,直接控制逆变器的开关状态。DTC的特点是动态响应速度快,对电机参数变化不敏感,但转矩脉动和电流谐波较大。
除了FOC和DTC,还有一些先进的控制策略,如模型预测控制(MPC)、滑模控制(SMC)等,它们能够进一步提升PMSM的性能,应对复杂的工况。
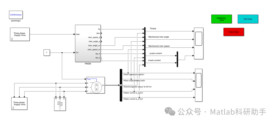
四、 电气驱动系统模型的仿真与实现
在实际工程中,永磁同步电机电气驱动系统模型的构建不仅仅局限于理论分析,更需要借助仿真工具进行验证和优化。MATLAB/Simulink、ANSYS Maxwell、Motor-CAD等软件提供了强大的建模和仿真功能,可以实现:
- 电机本体建模:
建立PMSM的等效电路模型、有限元模型,分析电磁特性。
- 逆变器建模:
建立三相桥式逆变器模型,考虑开关损耗、死区效应等。
- 传感器建模:
模拟电流、电压、速度、位置传感器,考虑测量误差和噪声。
- 控制器建模:
实现FOC、DTC等控制算法,并进行参数整定。
- 负载建模:
模拟不同类型的负载,如恒转矩负载、风机负载等。
通过仿真,可以在设计阶段评估系统的性能,预测潜在问题,优化控制参数,从而缩短开发周期,降低成本。
五、 结论
永磁同步电机电气驱动系统模型是实现高性能电机控制的基石。从深入理解PMSM的基本原理,到构建精确的数学模型,再到设计高效的控制策略,每一步都至关重要。随着电力电子技术、控制理论和计算能力的不断发展,PMSM电气驱动系统模型将更加完善,控制性能将进一步提升,其在各个领域的应用也将更加广泛和深入,为绿色能源和智能制造的未来发展贡献力量。
⛳️ 运行结果



🔗 参考文献
[1] 王伟,程明,张邦富,等.电流滞环型永磁同步电机驱动系统的相电流传感器容错控制[J].中国电机工程学报, 2012, 32(33):8.DOI:CNKI:SUN:ZGDC.0.2012-33-008.
[2] 王宝金.电动汽车永磁同步电机驱动及控制方法研究[D].哈尔滨工业大学,2010.DOI:10.7666/d.D267318.
[3] 赵小皓.直接驱动永磁同步电机控制策略仿真研究与实现[D].西南交通大学,2009.DOI:10.7666/d.y1572867.
📣 部分代码
🎈 部分理论引用网络文献,若有侵权联系博主删除
👇 关注我领取海量matlab电子书和数学建模资料
🏆团队擅长辅导定制多种科研领域MATLAB仿真,助力科研梦:
🌈 各类智能优化算法改进及应用
生产调度、经济调度、装配线调度、充电优化、车间调度、发车优化、水库调度、三维装箱、物流选址、货位优化、公交排班优化、充电桩布局优化、车间布局优化、集装箱船配载优化、水泵组合优化、解医疗资源分配优化、设施布局优化、可视域基站和无人机选址优化、背包问题、 风电场布局、时隙分配优化、 最佳分布式发电单元分配、多阶段管道维修、 工厂-中心-需求点三级选址问题、 应急生活物质配送中心选址、 基站选址、 道路灯柱布置、 枢纽节点部署、 输电线路台风监测装置、 集装箱调度、 机组优化、 投资优化组合、云服务器组合优化、 天线线性阵列分布优化、CVRP问题、VRPPD问题、多中心VRP问题、多层网络的VRP问题、多中心多车型的VRP问题、 动态VRP问题、双层车辆路径规划(2E-VRP)、充电车辆路径规划(EVRP)、油电混合车辆路径规划、混合流水车间问题、 订单拆分调度问题、 公交车的调度排班优化问题、航班摆渡车辆调度问题、选址路径规划问题、港口调度、港口岸桥调度、停机位分配、机场航班调度、泄漏源定位
🌈 机器学习和深度学习时序、回归、分类、聚类和降维
2.1 bp时序、回归预测和分类
2.2 ENS声神经网络时序、回归预测和分类
2.3 SVM/CNN-SVM/LSSVM/RVM支持向量机系列时序、回归预测和分类
2.4 CNN|TCN|GCN卷积神经网络系列时序、回归预测和分类
2.5 ELM/KELM/RELM/DELM极限学习机系列时序、回归预测和分类
2.6 GRU/Bi-GRU/CNN-GRU/CNN-BiGRU门控神经网络时序、回归预测和分类
2.7 ELMAN递归神经网络时序、回归\预测和分类
2.8 LSTM/BiLSTM/CNN-LSTM/CNN-BiLSTM/长短记忆神经网络系列时序、回归预测和分类
2.9 RBF径向基神经网络时序、回归预测和分类
2.10 DBN深度置信网络时序、回归预测和分类
2.11 FNN模糊神经网络时序、回归预测
2.12 RF随机森林时序、回归预测和分类
2.13 BLS宽度学习时序、回归预测和分类
2.14 PNN脉冲神经网络分类
2.15 模糊小波神经网络预测和分类
2.16 时序、回归预测和分类
2.17 时序、回归预测预测和分类
2.18 XGBOOST集成学习时序、回归预测预测和分类
2.19 Transform各类组合时序、回归预测预测和分类
方向涵盖风电预测、光伏预测、电池寿命预测、辐射源识别、交通流预测、负荷预测、股价预测、PM2.5浓度预测、电池健康状态预测、用电量预测、水体光学参数反演、NLOS信号识别、地铁停车精准预测、变压器故障诊断
🌈图像处理方面
图像识别、图像分割、图像检测、图像隐藏、图像配准、图像拼接、图像融合、图像增强、图像压缩感知
🌈 路径规划方面
旅行商问题(TSP)、车辆路径问题(VRP、MVRP、CVRP、VRPTW等)、无人机三维路径规划、无人机协同、无人机编队、机器人路径规划、栅格地图路径规划、多式联运运输问题、 充电车辆路径规划(EVRP)、 双层车辆路径规划(2E-VRP)、 油电混合车辆路径规划、 船舶航迹规划、 全路径规划规划、 仓储巡逻
🌈 无人机应用方面
无人机路径规划、无人机控制、无人机编队、无人机协同、无人机任务分配、无人机安全通信轨迹在线优化、车辆协同无人机路径规划
🌈 通信方面
传感器部署优化、通信协议优化、路由优化、目标定位优化、Dv-Hop定位优化、Leach协议优化、WSN覆盖优化、组播优化、RSSI定位优化、水声通信、通信上传下载分配
🌈 信号处理方面
信号识别、信号加密、信号去噪、信号增强、雷达信号处理、信号水印嵌入提取、肌电信号、脑电信号、信号配时优化、心电信号、DOA估计、编码译码、变分模态分解、管道泄漏、滤波器、数字信号处理+传输+分析+去噪、数字信号调制、误码率、信号估计、DTMF、信号检测
🌈电力系统方面
微电网优化、无功优化、配电网重构、储能配置、有序充电、MPPT优化、家庭用电
🌈 元胞自动机方面
交通流 人群疏散 病毒扩散 晶体生长 金属腐蚀
🌈 雷达方面
卡尔曼滤波跟踪、航迹关联、航迹融合、SOC估计、阵列优化、NLOS识别
🌈 车间调度
零等待流水车间调度问题NWFSP 、 置换流水车间调度问题PFSP、 混合流水车间调度问题HFSP 、零空闲流水车间调度问题NIFSP、分布式置换流水车间调度问题 DPFSP、阻塞流水车间调度问题BFSP
👇
4340

被折叠的 条评论
为什么被折叠?



