✅作者简介:热爱科研的Matlab仿真开发者,擅长数据处理、建模仿真、程序设计、完整代码获取、论文复现及科研仿真。
🍎 往期回顾关注个人主页:Matlab科研工作室
🍊个人信条:格物致知,完整Matlab代码及仿真咨询内容私信。
🔥 内容介绍
锂离子电池因其高能量密度、长循环寿命和低自放电率等优点,在电动汽车、储能系统等领域得到广泛应用。然而,在电池组中,由于个体电池之间制造工艺、材料差异以及服役环境等因素的影响,常常导致电池的荷电状态(SOC)不一致。这种不一致性会严重影响电池组的整体性能,包括可用容量减少、循环寿命缩短以及安全隐患增加。因此,电池均衡技术成为锂离子电池管理系统(BMS)中的关键环节。本文旨在探讨一种通过在电阻器上对高SOC电池进行放电,以实现电池组内所有电池SOC均一化的均衡策略。
1. 引言
随着电动化进程的加速和可再生能源的普及,锂离子电池组的需求量与日俱增。一个典型的锂离子电池组通常由多个单体电池通过串联和并联组合而成,以满足特定的电压和容量需求。在理想情况下,所有电池的特性应完全相同。然而,实际情况是,即使是同一批次的电池,其内阻、容量、自放电率等参数也存在细微差异。这些差异在电池组的充放电循环中会被逐渐放大,导致电池间的SOC不一致。
SOC不一致性带来的主要问题包括:
- 容量损失:
当电池组中的某个电池达到充电截止电压或放电截止电压时,即使其他电池仍有潜力,整个电池组也必须停止充放电,从而导致实际可用容量低于理论容量。
- 寿命缩短:
长期处于过充或过放状态的电池,其性能会迅速衰退,加速电池组的整体老化。
- 安全风险:
严重的不一致可能导致部分电池过充或过放,进而引发热失控等安全事故。
为了解决这些问题,电池均衡技术应运而生。电池均衡的目标是使电池组内所有单体电池的SOC保持一致,从而最大限度地发挥电池组的性能和延长其寿命。均衡技术主要分为两大类:被动均衡和主动均衡。本文将聚焦于一种被动均衡策略,即通过电阻放电的方式对高SOC电池进行均衡。
2. 电池组结构与均衡原理
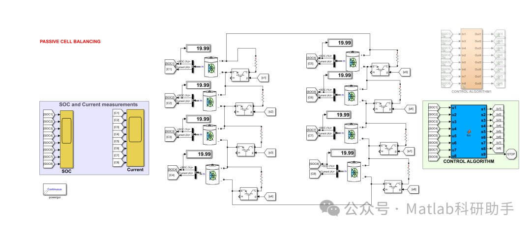
本文所研究的电池组结构为:由两个并联串组成,每个并联串包含四个串联电池。这意味着电池组共有八个单体电池,它们被配置成2P4S(两并四串)或4S2P(四串两并)的形式。为了便于理解,我们假设其配置为4串2并,即每个并联支路包含4个串联电池。
该均衡策略的核心思想是:监测电池组中所有单体电池的SOC。一旦发现某个电池的SOC显著高于其他电池,则通过一个并联在电池两端的放电电阻器对其进行放电。放电电流通过电阻器将多余的能量以热量的形式散发出去,从而降低该高SOC电池的电量,使其SOC逐渐向其他电池靠拢。这个过程持续进行,直到所有电池的SOC达到预设的均衡阈值以内。
3. 被动均衡策略的实现与挑战
3.1 均衡电路设计
实现电阻放电均衡通常需要以下组件:
- 电压/SOC检测模块:
精确测量每个单体电池的电压和估算SOC是均衡控制的前提。
- 开关器件:
通常采用MOSFET等功率半导体器件作为开关,控制放电电阻的接入与断开。
- 放电电阻:
用于消耗多余能量,其阻值需要根据电池电压和期望的放电电流进行设计。
- 控制单元:
通常由微控制器(MCU)实现,负责执行SOC估算、均衡策略判断和开关控制。
3.2 均衡控制逻辑
典型的均衡控制逻辑包括:
- 数据采集:
实时采集所有单体电池的电压、电流和温度等数据。
- SOC估算:
基于采集到的数据,利用开路电压法、安时积分法或卡尔曼滤波等算法精确估算每个电池的SOC。
- 均衡判断:
比较所有电池的SOC。如果最高SOC与最低SOC之间的差值超过预设阈值,或者某个电池的SOC高于平均SOC达到一定程度,则启动均衡。
- 均衡执行:
识别出高SOC电池,并通过控制开关器件,将放电电阻并联到该电池两端,使其开始放电。
- 均衡停止:
持续监测SOC变化,当所有电池的SOC达到均衡目标(例如,SOC差值小于某个阈值)时,停止放电。
3.3 挑战与局限性
尽管电阻放电均衡策略实现简单、成本较低,但其也存在一些固有的挑战和局限性:
- 能量损耗:
被动均衡的核心是将多余的能量通过电阻以热量形式散发掉,这意味着能量被白白浪费,降低了电池组的整体效率。对于大型电池组,这种能量损耗可能相当可观。
- 均衡速度慢:
放电电流通常较小,因此均衡过程相对缓慢。在快速充放电循环的应用中,被动均衡可能难以跟上电池SOC变化的节奏。
- 热管理:
放电电阻在工作时会产生热量。在空间有限的电池组中,需要仔细考虑散热问题,以避免局部过热影响电池性能和安全。
- 均衡精度:
达到理想的“所有电池SOC完全相等”是极其困难的,通常只能将SOC差值控制在一定范围内。
- 对电池健康状态的依赖:
如果电池组中存在老化严重、内阻过大的电池,被动均衡可能无法有效提升其性能,甚至可能加剧其退化。
4. 优化与改进
为了克服被动均衡的局限性,可以考虑以下优化方向:
- 优化放电电阻设计:
根据电池组的具体参数和均衡需求,选择合适的放电电阻值,以平衡均衡速度和能量损耗。
- 智能控制策略:
结合电池组的工作状态(充放电、静置),动态调整均衡策略。例如,在电池组空闲时进行均衡,以减少对正常运行的影响。
- 分段均衡:
对于大型电池组,可以考虑将电池组划分为多个子模块,进行分段均衡,提高均衡效率。
- 混合均衡:
将被动均衡与主动均衡(如基于电荷转移的均衡)相结合,可以实现优势互补。被动均衡处理小范围的SOC差异,主动均衡则处理较大差异,并能回收能量。
- 健康状态监测:
结合电池的健康状态(SOH)信息,对均衡策略进行调整。对于健康状况较差的电池,可以适当放宽均衡目标,避免过度均衡对其造成损害。
5. 结论
通过在电阻器上放电高SOC电池以实现所有电池SOC相等的均衡策略,是一种简单有效的被动均衡方法。它能够一定程度上缓解电池组内部的SOC不一致问题,从而提升电池组的可用容量和延长循环寿命。然而,该方法也存在能量损耗、均衡速度慢以及热管理等方面的挑战。在实际应用中,需要根据具体的电池组配置、应用场景和成本预算,综合考虑其优缺点,并结合智能控制策略和可能的混合均衡方案进行优化。随着电池管理系统技术的不断发展,未来将会出现更加高效、智能和节能的电池均衡解决方案。
⛳️ 运行结果


🔗 参考文献
[1] 马明慧,宋磊,吴延峰,等.基于最大SOC的串联锂电池组均衡策略研究[J].电子设计工程, 2024(11).DOI:10.14022/j.issn1674-6236.2024.11.036.
[2] WANG Yu-long,CAI Zhi-duan,XU Jing-yun,等.串联锂离子电池组电压巡检电路[J].电子设计工程, 2019(013):027.
[3] WANG Yu-long,CAI Zhi-duan,XU Jing-yun,等.串联锂离子电池组电压巡检电路[J].电子设计工程, 2019, 27(13):5.DOI:10.3969/j.issn.1674-6236.2019.13.031.
📣 部分代码
🎈 部分理论引用网络文献,若有侵权联系博主删除
👇 关注我领取海量matlab电子书和数学建模资料
🏆团队擅长辅导定制多种科研领域MATLAB仿真,助力科研梦:
🌈 各类智能优化算法改进及应用
生产调度、经济调度、装配线调度、充电优化、车间调度、发车优化、水库调度、三维装箱、物流选址、货位优化、公交排班优化、充电桩布局优化、车间布局优化、集装箱船配载优化、水泵组合优化、解医疗资源分配优化、设施布局优化、可视域基站和无人机选址优化、背包问题、 风电场布局、时隙分配优化、 最佳分布式发电单元分配、多阶段管道维修、 工厂-中心-需求点三级选址问题、 应急生活物质配送中心选址、 基站选址、 道路灯柱布置、 枢纽节点部署、 输电线路台风监测装置、 集装箱调度、 机组优化、 投资优化组合、云服务器组合优化、 天线线性阵列分布优化、CVRP问题、VRPPD问题、多中心VRP问题、多层网络的VRP问题、多中心多车型的VRP问题、 动态VRP问题、双层车辆路径规划(2E-VRP)、充电车辆路径规划(EVRP)、油电混合车辆路径规划、混合流水车间问题、 订单拆分调度问题、 公交车的调度排班优化问题、航班摆渡车辆调度问题、选址路径规划问题、港口调度、港口岸桥调度、停机位分配、机场航班调度、泄漏源定位
🌈 机器学习和深度学习时序、回归、分类、聚类和降维
2.1 bp时序、回归预测和分类
2.2 ENS声神经网络时序、回归预测和分类
2.3 SVM/CNN-SVM/LSSVM/RVM支持向量机系列时序、回归预测和分类
2.4 CNN|TCN|GCN卷积神经网络系列时序、回归预测和分类
2.5 ELM/KELM/RELM/DELM极限学习机系列时序、回归预测和分类
2.6 GRU/Bi-GRU/CNN-GRU/CNN-BiGRU门控神经网络时序、回归预测和分类
2.7 ELMAN递归神经网络时序、回归\预测和分类
2.8 LSTM/BiLSTM/CNN-LSTM/CNN-BiLSTM/长短记忆神经网络系列时序、回归预测和分类
2.9 RBF径向基神经网络时序、回归预测和分类
2.10 DBN深度置信网络时序、回归预测和分类
2.11 FNN模糊神经网络时序、回归预测
2.12 RF随机森林时序、回归预测和分类
2.13 BLS宽度学习时序、回归预测和分类
2.14 PNN脉冲神经网络分类
2.15 模糊小波神经网络预测和分类
2.16 时序、回归预测和分类
2.17 时序、回归预测预测和分类
2.18 XGBOOST集成学习时序、回归预测预测和分类
2.19 Transform各类组合时序、回归预测预测和分类
方向涵盖风电预测、光伏预测、电池寿命预测、辐射源识别、交通流预测、负荷预测、股价预测、PM2.5浓度预测、电池健康状态预测、用电量预测、水体光学参数反演、NLOS信号识别、地铁停车精准预测、变压器故障诊断
🌈图像处理方面
图像识别、图像分割、图像检测、图像隐藏、图像配准、图像拼接、图像融合、图像增强、图像压缩感知
🌈 路径规划方面
旅行商问题(TSP)、车辆路径问题(VRP、MVRP、CVRP、VRPTW等)、无人机三维路径规划、无人机协同、无人机编队、机器人路径规划、栅格地图路径规划、多式联运运输问题、 充电车辆路径规划(EVRP)、 双层车辆路径规划(2E-VRP)、 油电混合车辆路径规划、 船舶航迹规划、 全路径规划规划、 仓储巡逻
🌈 无人机应用方面
无人机路径规划、无人机控制、无人机编队、无人机协同、无人机任务分配、无人机安全通信轨迹在线优化、车辆协同无人机路径规划
🌈 通信方面
传感器部署优化、通信协议优化、路由优化、目标定位优化、Dv-Hop定位优化、Leach协议优化、WSN覆盖优化、组播优化、RSSI定位优化、水声通信、通信上传下载分配
🌈 信号处理方面
信号识别、信号加密、信号去噪、信号增强、雷达信号处理、信号水印嵌入提取、肌电信号、脑电信号、信号配时优化、心电信号、DOA估计、编码译码、变分模态分解、管道泄漏、滤波器、数字信号处理+传输+分析+去噪、数字信号调制、误码率、信号估计、DTMF、信号检测
🌈电力系统方面
微电网优化、无功优化、配电网重构、储能配置、有序充电、MPPT优化、家庭用电
🌈 元胞自动机方面
交通流 人群疏散 病毒扩散 晶体生长 金属腐蚀
🌈 雷达方面
卡尔曼滤波跟踪、航迹关联、航迹融合、SOC估计、阵列优化、NLOS识别
🌈 车间调度
零等待流水车间调度问题NWFSP 、 置换流水车间调度问题PFSP、 混合流水车间调度问题HFSP 、零空闲流水车间调度问题NIFSP、分布式置换流水车间调度问题 DPFSP、阻塞流水车间调度问题BFSP
👇
706

被折叠的 条评论
为什么被折叠?



