✅作者简介:热爱数据处理、建模、算法设计的Matlab仿真开发者。
🍎更多Matlab代码及仿真咨询内容点击 🔗:Matlab科研工作室
🍊个人信条:格物致知。
🔥 内容介绍
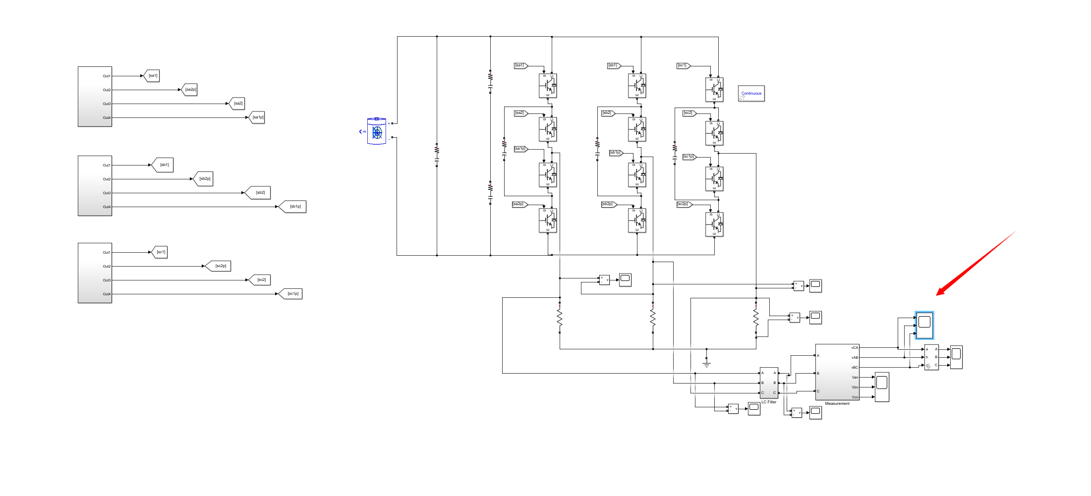
电池储能系统(BESS)作为实现可再生能源消纳、电网调峰填谷的核心设备,其功率变换环节的性能直接影响系统效率、可靠性与成本。多电平变换器通过输出阶梯波逼近正弦波,可降低开关损耗、减少谐波污染,同时降低对滤波元件的要求,成为中高压电池储能系统的优选方案。不同多电平变换器拓扑(如二极管钳位、飞跨电容、模块化多电平)在功率等级、电池均衡能力、扩展性等方面存在显著差异,需根据储能应用场景(如集中式储能、分布式储能、用户侧储能)的需求进行针对性选择。本文将系统分析典型多电平变换器拓扑的特性及其在电池储能中的应用适配性,为拓扑选型提供技术参考。
一、电池储能对多电平变换器的核心需求
电池储能系统的工作特性(如充放电模式、电池组串并联方式、功率等级)对多电平变换器提出了特定要求,这些要求是评估拓扑适用性的关键依据。
(一)基本性能需求
- 高压大容量适配:
集中式储能系统的电压等级通常为 10kV-35kV,功率等级达 MW 级,要求变换器具备高压直接并网能力,避免多级升压带来的效率损失。多电平变换器通过多个功率单元串联分压,可直接接入中高压电网,例如模块化多电平变换器(MMC)的单个子模块耐压 500V-1500V,通过数十个模块串联即可实现 10kV 并网。
- 低谐波与高效率:
- 电流总谐波畸变率(THD)需≤5%,以满足电网谐波标准(如 IEEE 519);
- 全负荷范围内效率≥95%,尤其是在部分负荷(20%-50%)下仍保持高效率,适应储能系统充放电功率波动大的特点。
- 电池均衡与容错能力:
- 电池组由大量单体串联组成,存在容量不一致性,要求变换器具备主动均衡功能(如通过子模块独立控制实现充放电电流差异化调节);
- 单个电池或功率单元故障时,系统需保持运行(降额或冗余切换),容错能力直接影响储能系统的可用性(要求≥99%)。
⛳️ 运行结果


🔗 参考文献
[1] 杨晓峰,孙浩,郑琼林.双调制波CPS-SPWM在模块组合多电平变换器的应用研究[J].电气传动, 2011, 41(10):6.DOI:10.3969/j.issn.1001-2095.2011.10.004.
[2] 常非,赵丽平.高压大容量五电平变换器在RPC中的应用[J].电力系统及其自动化学报, 2014, 26(9):6.DOI:10.3969/j.issn.1003-8930.2014.09.008.
🎈 部分理论引用网络文献,若有侵权联系博主删除
本主页优快云博客涵盖以下领域:
🌈 各类智能优化算法改进及应用
生产调度、经济调度、装配线调度、充电优化、车间调度、发车优化、水库调度、三维装箱、物流选址、货位优化、公交排班优化、充电桩布局优化、车间布局优化、集装箱船配载优化、水泵组合优化、解医疗资源分配优化、设施布局优化、可视域基站和无人机选址优化、背包问题、 风电场布局、时隙分配优化、 最佳分布式发电单元分配、多阶段管道维修、 工厂-中心-需求点三级选址问题、 应急生活物质配送中心选址、 基站选址、 道路灯柱布置、 枢纽节点部署、 输电线路台风监测装置、 集装箱调度、 机组优化、 投资优化组合、云服务器组合优化、 天线线性阵列分布优化、CVRP问题、VRPPD问题、多中心VRP问题、多层网络的VRP问题、多中心多车型的VRP问题、 动态VRP问题、双层车辆路径规划(2E-VRP)、充电车辆路径规划(EVRP)、油电混合车辆路径规划、混合流水车间问题、 订单拆分调度问题、 公交车的调度排班优化问题、航班摆渡车辆调度问题、选址路径规划问题、港口调度、港口岸桥调度、停机位分配、机场航班调度、泄漏源定位
🌈 机器学习和深度学习时序、回归、分类、聚类和降维
2.1 bp时序、回归预测和分类
2.2 ENS声神经网络时序、回归预测和分类
2.3 SVM/CNN-SVM/LSSVM/RVM支持向量机系列时序、回归预测和分类
2.4 CNN|TCN|GCN卷积神经网络系列时序、回归预测和分类
2.5 ELM/KELM/RELM/DELM极限学习机系列时序、回归预测和分类
2.6 GRU/Bi-GRU/CNN-GRU/CNN-BiGRU门控神经网络时序、回归预测和分类
2.7 ELMAN递归神经网络时序、回归\预测和分类
2.8 LSTM/BiLSTM/CNN-LSTM/CNN-BiLSTM/长短记忆神经网络系列时序、回归预测和分类
2.9 RBF径向基神经网络时序、回归预测和分类
1096

被折叠的 条评论
为什么被折叠?



