✅作者简介:热爱科研的Matlab仿真开发者,修心和技术同步精进,代码获取、论文复现及科研仿真合作可私信。
🍎个人主页:Matlab科研工作室
🍊个人信条:格物致知。
🔥 内容介绍
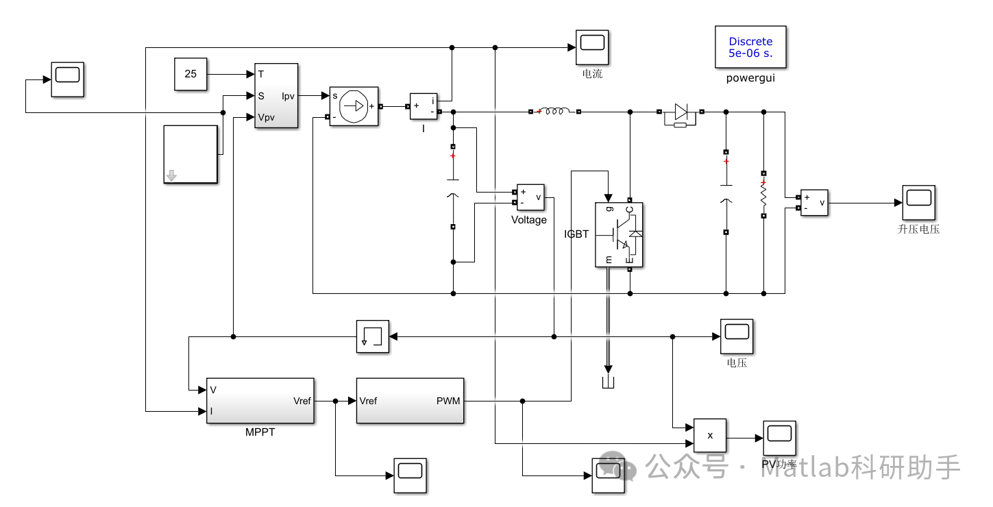
最大功率点跟踪(MPPT)控制器对于光伏(PV)系统至关重要,因为它可以确保系统在所有操作条件下都能从光伏阵列中提取最大功率。扰动观察法(P&O)是一种广泛使用的MPPT算法,因为它简单且易于实现。本文介绍了P&O MPPT控制器的Simulink仿真,并分析了其性能。
扰动观察法MPPT算法
P&O算法通过不断扰动光伏阵列的电压或电流并观察输出功率的变化来跟踪最大功率点。算法的流程如下:
-
初始化光伏阵列的电压或电流。
-
扰动光伏阵列的电压或电流(例如,增加或减少一个小值)。
-
测量扰动后的输出功率。
-
如果输出功率增加,则继续向同一方向扰动。
-
如果输出功率减少,则向相反方向扰动。
-
重复步骤2-5,直到输出功率不再增加。



P&O MPPT控制器是一种简单且有效的算法,用于跟踪光伏阵列的最大功率点。Simulink仿真结果表明,该控制器能够快速准确地跟踪最大功率点,并且在稳态条件下保持在最大功率点附近。P&O MPPT控制器是光伏系统中提高能量产出的实用解决方案。
⛳️ 运行结果




🔗 参考文献
🎈 部分理论引用网络文献,若有侵权联系博主删除
🎁 关注我领取海量matlab电子书和数学建模资料
👇 私信完整代码和数据获取及论文数模仿真定制
1 各类智能优化算法改进及应用
生产调度、经济调度、装配线调度、充电优化、车间调度、发车优化、水库调度、三维装箱、物流选址、货位优化、公交排班优化、充电桩布局优化、车间布局优化、集装箱船配载优化、水泵组合优化、解医疗资源分配优化、设施布局优化、可视域基站和无人机选址优化、背包问题、 风电场布局、时隙分配优化、 最佳分布式发电单元分配、多阶段管道维修、 工厂-中心-需求点三级选址问题、 应急生活物质配送中心选址、 基站选址、 道路灯柱布置、 枢纽节点部署、 输电线路台风监测装置、 集装箱船配载优化、 机组优化、 投资优化组合、云服务器组合优化、 天线线性阵列分布优化
2 机器学习和深度学习方面
2.1 bp时序、回归预测和分类
2.2 ENS声神经网络时序、回归预测和分类
2.3 SVM/CNN-SVM/LSSVM/RVM支持向量机系列时序、回归预测和分类
2.4 CNN/TCN卷积神经网络系列时序、回归预测和分类
2.5 ELM/KELM/RELM/DELM极限学习机系列时序、回归预测和分类
2.6 GRU/Bi-GRU/CNN-GRU/CNN-BiGRU门控神经网络时序、回归预测和分类
2.7 ELMAN递归神经网络时序、回归\预测和分类
2.8 LSTM/BiLSTM/CNN-LSTM/CNN-BiLSTM/长短记忆神经网络系列时序、回归预测和分类
2.9 RBF径向基神经网络时序、回归预测和分类
本文详细介绍了扰动观察法(P&O)在最大功率点跟踪(MPPT)控制器中的应用,通过Simulink仿真展示了P&OMPPT控制器的性能,强调了其在保证光伏系统高效能源输出方面的实用性。

7879

被折叠的 条评论
为什么被折叠?



