💥💥💞💞欢迎来到本博客❤️❤️💥💥
🏆博主优势:🌞🌞🌞博客内容尽量做到思维缜密,逻辑清晰,为了方便读者。
⛳️座右铭:行百里者,半于九十。
📋📋📋本文内容如下:🎁🎁🎁
⛳️赠与读者
👨💻做科研,涉及到一个深在的思想系统,需要科研者逻辑缜密,踏实认真,但是不能只是努力,很多时候借力比努力更重要,然后还要有仰望星空的创新点和启发点。建议读者按目录次序逐一浏览,免得骤然跌入幽暗的迷宫找不到来时的路,它不足为你揭示全部问题的答案,但若能解答你胸中升起的一朵朵疑云,也未尝不会酿成晚霞斑斓的别一番景致,万一它给你带来了一场精神世界的苦雨,那就借机洗刷一下原来存放在那儿的“躺平”上的尘埃吧。
或许,雨过云收,神驰的天地更清朗.......🔎🔎🔎
💥第一部分——内容介绍
基于DSP28035的数字控制LLC谐振变换器研究与设计
摘要:本文针对LLC谐振变换器在数字控制领域的应用需求,基于TI公司TMS320F28035数字信号处理器,设计了一套可量产的数字控制方案。系统涵盖软启动、电源状态机、硬件/软件保护机制,以及基于PI控制与2零3极补偿的电压/电流双闭环控制策略。通过变频PFM与Burst模式协同控制,实现宽负载范围下的高效稳定运行。结合Mathcad软件完成系统参数设计,并通过实验验证了控制策略的有效性。
1. 引言
LLC谐振变换器凭借其高频高效、软开关特性及宽输出范围优势,在通信电源、电动汽车充电等领域得到广泛应用。传统模拟控制存在参数调整困难、抗干扰能力弱等问题,而数字控制通过软件算法实现灵活控制,成为研究热点。DSP28035作为TI公司C2000系列高性能微控制器,集成12位ADC、增强型PWM(ePWM)模块及高速运算能力,非常适合LLC谐振变换器的数字控制实现。本文提出一种基于DSP28035的数字控制方案,重点研究电压/电流双闭环控制策略及变频PFM+Burst模式协同控制方法。
2. 系统总体设计
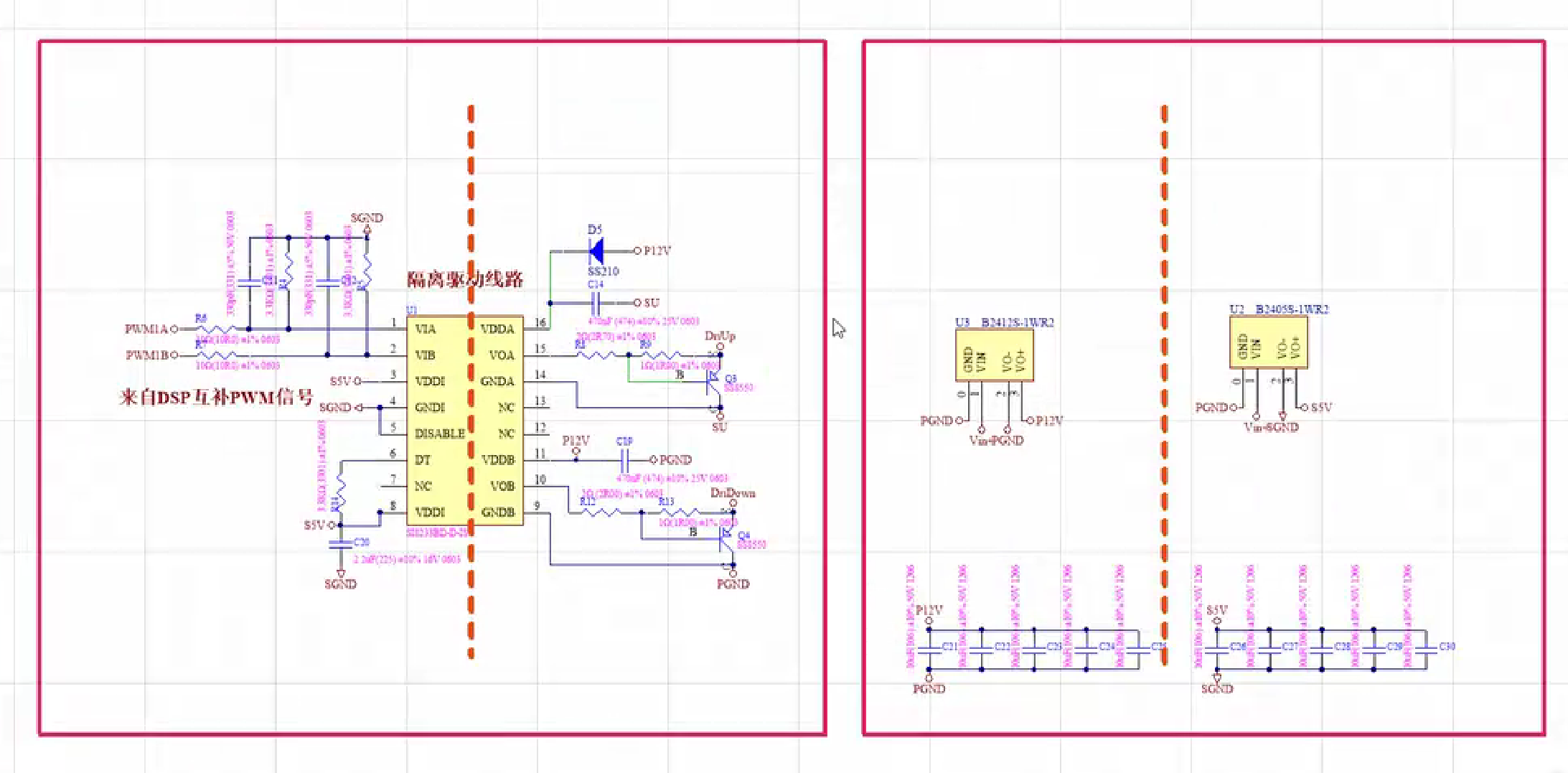
2.1 硬件架构
系统硬件由主功率电路、DSP控制电路、采样调理电路及保护电路四部分构成:
- 主功率电路:采用全桥LLC拓扑,包含输入整流滤波、谐振槽(Lr-Cr-Lm)、全桥逆变及输出整流滤波环节。
- DSP控制电路:以DSP28035为核心,配置时钟电路(60MHz)、复位电路及JTAG调试接口。
- 采样调理电路:采用霍尔传感器采集输出电压/电流,经RC滤波及运放调理后输入DSP的ADC模块。
- 保护电路:硬件保护包括过压(OV)、过流(OC)、欠压(UV)及短路保护,通过比较器电路直接关断PWM驱动信号;软件保护通过ADC采样值实时监测,触发故障标志位并进入保护状态机。
2.2 软件架构
软件采用模块化设计,主要功能模块包括:
- 初始化模块:完成系统时钟、GPIO、ePWM、ADC及中断向量表配置。
- 软启动模块:通过逐步增加PWM占空比,限制启动电流冲击。
- 状态机模块:定义待机、启动、正常运行、故障保护等状态,实现状态跳转逻辑。
- 中断服务模块:包含50ms低频中断(用于状态监控与参数更新)及5μs高频中断(实现采样与控制算法)。
- 控制算法模块:执行电压/电流双闭环计算及PFM+Burst模式切换逻辑。
3. 电压/电流双闭环控制策略
3.1 PI控制环路设计
电压环与电流环均采用增量式PI算法,避免积分饱和问题。电压环控制输出电压稳定,电流环实现恒流限流功能。双闭环竞争逻辑如下:
- 电压环计算:根据输出电压误差(Vref−Vout)计算期望频率fv,通过PI调节器输出周期量Tv。
- 电流环计算:根据输出电流误差(Iref−Iout)计算期望频率fi,通过PI调节器输出周期量Ti。
- 竞争输出:取Tv与Ti中的较小值(对应较高频率)作为主控周期量,实现“恒压优先、限流保护”特性。
3.2 2零3极补偿环路设计
为提升系统动态响应,在PI控制基础上引入2零3极补偿网络。补偿器传递函数为:

4. 变频PFM+Burst模式协同控制
4.1 变频PFM控制
在正常负载范围内,系统通过调节开关频率fsw(即PFM调制)实现输出电压稳定。当负载减轻时,fsw升高至谐振频率fr以上,进入感性区运行,降低开关损耗。
4.2 Burst模式控制
当负载极轻(如空载)时,变频PFM无法进一步降低损耗,此时切换至Burst模式:
- 触发条件:输出电压Vout超过阈值Vburst且持续时间tdelay超过设定值。
- 控制逻辑:关闭PWM输出,进入间歇工作状态,通过调整Burst周期(Tburst)与占空比(Dburst)调节平均输出功率。
- 退出条件:负载电流Iout超过阈值Iexit或输出电压Vout跌落至Vnormal以下。
4.3 模式切换平滑处理
为避免模式切换导致的输出电压波动,采用以下策略:
- 软切换:在PFM→Burst切换时,逐步降低PWM占空比至零,再关闭PWM;在Burst→PFM切换时,先开启PWM并设置初始占空比,再恢复频率控制。
- 滞后环控制:设置模式切换的电压/电流阈值带(如Vburst±ΔV),防止频繁切换。
5. Mathcad软件设计验证
利用Mathcad软件完成以下设计验证:
- 参数计算:根据LLC谐振槽参数(Lr,Cr,Lm)及输入/输出规格(Vin,Vout,Po),计算谐振频率fr、特征阻抗Zo及品质因数Q。
- 增益曲线绘制:基于基波分析法(FHA)绘制LLC增益曲线,确定变频PFM工作范围。
- 补偿网络优化:通过伯德图分析补偿前后系统相位裕度与增益裕度,迭代优化补偿参数。
- Burst模式效率分析:对比不同Burst占空比下的开关损耗与导通损耗,确定最优工作点。
6. 实验验证
搭建一台600W/48V输出LLC谐振变换器实验样机,关键参数如下:
- 输入电压:390VDC±10%
- 谐振参数:Lr=50μH,Cr=47nF,Lm=300μH
- 开关频率范围:50kHz~200kHz
- Burst模式频率:10Hz
实验结果表明:
- 动态响应:负载阶跃(50%→100%→50%)时,输出电压恢复时间≤2ms,超调量≤3%。
- 效率曲线:满载效率达96.5%,半载效率97.2%,空载损耗≤1.5W。
- 模式切换:PFM→Burst切换时输出电压波动≤0.5V,无过冲现象。
7. 结论
本文提出了一种基于DSP28035的LLC谐振变换器数字控制方案,通过电压/电流双闭环竞争控制与变频PFM+Burst模式协同控制,实现了宽负载范围内的高效稳定运行。实验结果验证了控制策略的正确性与有效性,该方案具有较高的工程应用价值。未来可进一步研究数字化补偿网络在线调整技术,以适应不同工况下的最优控制需求。
📚第二部分——运行结果







🎉第三部分——参考文献
文章中一些内容引自网络,会注明出处或引用为参考文献,难免有未尽之处,如有不妥,请随时联系删除。(文章内容仅供参考,具体效果以运行结果为准)
🌈第四部分——原理图+mathcad软件设计书
资料获取,更多粉丝福利,MATLAB|Simulink|Python资源获取

1021

被折叠的 条评论
为什么被折叠?



