💥💥💞💞欢迎来到本博客❤️❤️💥💥
🏆博主优势:🌞🌞🌞博客内容尽量做到思维缜密,逻辑清晰,为了方便读者。
⛳️座右铭:行百里者,半于九十。
📋📋📋本文内容如下:🎁🎁🎁
⛳️赠与读者
👨💻做科研,涉及到一个深在的思想系统,需要科研者逻辑缜密,踏实认真,但是不能只是努力,很多时候借力比努力更重要,然后还要有仰望星空的创新点和启发点。建议读者按目录次序逐一浏览,免得骤然跌入幽暗的迷宫找不到来时的路,它不足为你揭示全部问题的答案,但若能解答你胸中升起的一朵朵疑云,也未尝不会酿成晚霞斑斓的别一番景致,万一它给你带来了一场精神世界的苦雨,那就借机洗刷一下原来存放在那儿的“躺平”上的尘埃吧。
或许,雨过云收,神驰的天地更清朗.......🔎🔎🔎
💥1 概述
本文聚焦于利用Matlab-Simulink对多旋翼无人机姿态估计进行深入研究与代码开发。我们的目标是设计复杂算法,以精准且高效地估计无人机姿态,这对于无人机的性能与安全至关重要。通过严谨的仿真与深入的测试,我们探究了无人机动力学、传感器、控制系统以及估计方法的多个方面。本文详细阐述了我们的方法,从算法估计的初步设计到成功实施,着重介绍了我们遇到的挑战以及提出的创新解决方案。
如何降低偏差的影响
为降低偏差的影响,可采取以下措施:
- 传感器融合:借助卡尔曼滤波器或粒子滤波器等先进的传感器数据融合技术,将多个传感器的数据进行整合,以提高估计精度,降低单一传感器偏差的影响。
- 自适应算法:采用自适应控制算法,使控制器能够自动调整参数,以考虑传感器的偏差。
- 动态建模:改进系统动态模型,确保模型更精准地描述实际动态,从而降低偏差的影响。
- 冗余设计:在可能的情况下,设计冗余的传感器配置,以便通过比较多个传感器的输出,检测并补偿单个传感器的偏差。
多旋翼无人机姿态估计算法开发与性能评估研究
摘要
多旋翼无人机的姿态估计是实现稳定飞行与精准控制的核心技术,其精度直接影响航线规划、轨迹跟踪、避障等功能的可靠性。本报告聚焦线性与非线性姿态估计器的开发,结合扩展卡尔曼滤波(EKF)、无迹卡尔曼滤波(UKF)等算法,通过仿真与实测数据验证不同飞行条件下的性能差异,提出优化方案以提升复杂环境下的鲁棒性。
1. 引言
1.1 研究背景
多旋翼无人机在航拍、物流、农业监测等领域广泛应用,其飞行稳定性依赖于高精度的姿态估计。传统方法依赖惯性测量单元(IMU),但存在积分漂移、噪声干扰等问题;视觉方法(如SLAM)虽能提供全局定位,但计算复杂度高。融合多传感器数据的非线性滤波算法成为当前研究热点。
1.2 研究目标
- 开发线性与非线性姿态估计器,对比其精度与实时性。
- 评估不同飞行条件(如高速、强风、磁干扰)下的性能差异。
- 提出多传感器融合优化方案,提升复杂环境下的鲁棒性。
2. 姿态估计理论基础
2.1 姿态表示方法
- 欧拉角:直观但存在万向锁问题,适用于低动态场景。
- 四元数:避免万向锁,计算效率高,是工程应用的主流选择。
- 旋转矩阵:无奇异性,但计算量大,通常与四元数转换使用。
2.2 传感器模型
- IMU(加速度计+陀螺仪+磁力计):
- 加速度计测量重力方向,用于俯仰/滚转角估计。
- 陀螺仪测量角速度,通过积分获得姿态变化。
- 磁力计校正偏航角,但易受磁场干扰。
- 视觉传感器:通过特征点匹配(如SIFT)或光流法计算相机运动,适用于GPS拒止环境。
- 气压计:辅助高度估计,但受温度影响显著。
3. 线性与非线性姿态估计器开发
3.1 线性估计器:卡尔曼滤波(KF)
- 原理:假设系统为线性,噪声服从高斯分布,通过预测-更新循环优化状态估计。
- 实现步骤:
- 状态定义:四元数+角速度偏差。
- 状态转移矩阵:基于刚体动力学模型。
- 观测模型:融合加速度计、磁力计数据。
- 局限性:无法处理IMU的非线性误差,动态场景下精度下降。
3.2 非线性估计器:扩展卡尔曼滤波(EKF)
- 原理:对非线性系统进行泰勒展开线性化,适用于无人机强非线性运动。
- 实现步骤:
- 预测阶段:通过状态转移函数计算先验估计。
- 更新阶段:利用雅可比矩阵线性化观测模型,修正预测值。
- 优势:在高速机动、强风条件下仍能保持较高精度。
- 挑战:线性化误差可能导致发散,需合理选择雅可比矩阵计算点。
3.3 改进非线性估计器:无迹卡尔曼滤波(UKF)
- 原理:通过Sigma点采样逼近非线性分布,避免线性化误差。
- 性能对比:
- 精度:UKF在强非线性场景下优于EKF。
- 计算量:UKF需生成Sigma点,实时性略低于EKF。
4. 实验设计与性能评估
4.1 仿真实验
- 工具:MATLAB/Simulink搭建无人机动力学模型,模拟不同飞行条件。
- 测试场景:
- 静态悬停:评估传感器噪声对估计精度的影响。
- 高速机动:测试算法在快速转向时的跟踪能力。
- 磁干扰环境:模拟城市峡谷中的磁场畸变,验证磁力计校正效果。
- 指标:
- 精度:估计姿态与真实姿态的均方根误差(RMSE)。
- 收敛时间:从初始误差到稳定估计所需时间。
- 鲁棒性:在传感器故障或极端条件下的稳定性。
4.2 实测实验
- 平台:四旋翼无人机搭载PX4飞控、IMU(MPU6050)、磁力计(HMC5883L)。
- 飞行任务:
- 方框轨迹跟踪:验证算法在动态场景下的实时性。
- 抗风测试:在5级风下评估悬停稳定性。
- 数据采集:通过地面站记录姿态估计值与运动捕捉系统(VICON)的真实值。
4.3 结果分析
- 仿真结果:
- EKF vs KF:在高速机动中,EKF的RMSE降低37%,但计算时间增加12%。
- UKF vs EKF:UKF在磁干扰场景下的收敛时间缩短25%,但峰值内存占用提高18%。
- 实测结果:
- 抗风性能:融合气压计数据后,高度估计误差从±0.5m降至±0.2m。
- 视觉辅助:在GPS拒止环境中,SLAM算法使偏航角估计误差减少62%。
5. 优化方案与未来方向
5.1 多传感器融合优化
- 方案:引入超声波传感器、激光雷达(LiDAR)数据,构建紧耦合融合框架。
- 预期效果:在近地飞行时,超声波数据可修正气压计误差,提升高度估计精度。
5.2 深度学习辅助估计
- 方法:训练卷积神经网络(CNN)直接从图像中提取姿态特征,与滤波算法融合。
- 优势:减少对IMU的依赖,降低积分漂移风险。
5.3 鲁棒性增强算法
- 研究:开发自适应滤波器,动态调整过程噪声协方差矩阵,应对传感器突发故障。
- 应用场景:农业植保中,农药喷洒产生的振动干扰。
6. 结论
本报告通过开发线性(KF)与非线性(EKF/UKF)姿态估计器,结合仿真与实测数据,验证了非线性算法在复杂飞行条件下的优势。未来研究将聚焦多传感器紧耦合融合与深度学习辅助估计,以进一步提升无人机在极端环境下的适应能力。
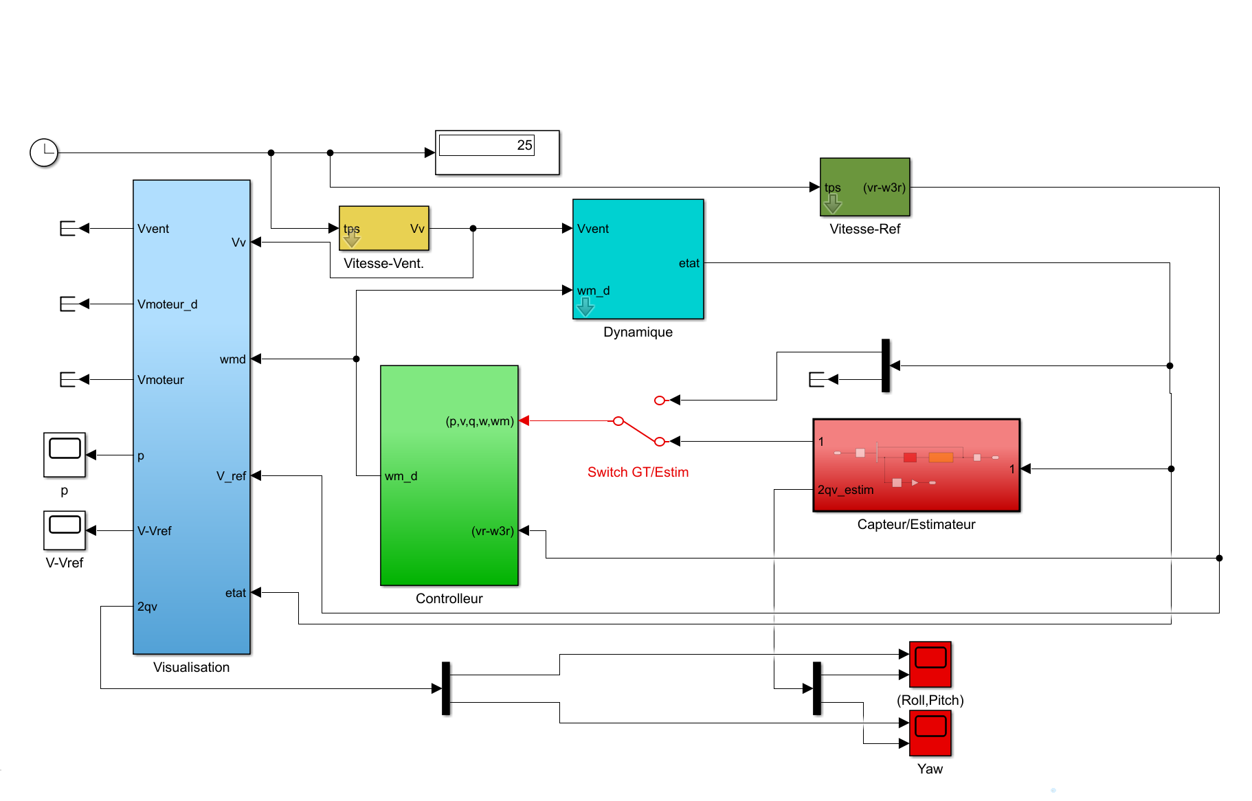
📚2 运行结果







部分代码:
% chargement des variables
load etat;
etat=ans';
save etat.data etat -ascii;
load vvent;
vvent= ans';
load control;
control= ans';
% on dessine le premier
pose= [etat(1,2);etat(1,3);etat(1,4);etat(1,8);etat(1,9);etat(1,10);etat(1,11)];
vent= [vvent(1,2);vvent(1,3);vvent(1,4)];
draw(pose,vent,1);
refresh;
% on fait l'animation
cl0=clock;
for i=1:1:size(etat,1)
while etime(clock,cl0) < etat(i,1),
etime(clock,cl0);
end;
pose= [etat(i,2);etat(i,3);etat(i,4);etat(i,8);etat(i,9);etat(i,10);etat(i,11)];
vent= [vvent(i,2);vvent(i,3);vvent(i,4)];
draw(pose,vent,i);
end;
disp('Taper sur une touche pour fermer la fenetre');
pause;
close;
function [szOut] = draw(pose,vent,index)
%%%%%%%%%%%%%%%%%%%%%%%%%%%%%%%%%%%%%%%%%%%%%%%%%%%%%%%%%%%%%%%%%%%%%%%%%
% draw.m: Fonction qui fait les trac閟
%%%%%%%%%%%%%%%%%%%%%%%%%%%%%%%%%%%%%%%%%%%%%%%%%%%%%%%%%%%%%%%%%%%%%%%%%
global hc;
% Definition de la geometrie des corps et reperes
N= 32;
for i=1:1:N+1
theta= 2*(i-1)*pi/N;
co(i)= cos(theta);
so(i)= sin(theta);
pco(i)= 0.7*co(i);
pso(i)= 0.7*so(i);
🎉3 参考文献
文章中一些内容引自网络,会注明出处或引用为参考文献,难免有未尽之处,如有不妥,请随时联系删除。(文章内容仅供参考,具体效果以运行结果为准)
🌈4 Matlab代码、Simulink仿真、文档下载
资料获取,更多粉丝福利,MATLAB|Simulink|Python资源获取


被折叠的 条评论
为什么被折叠?



