✅作者简介:热爱科研的Matlab仿真开发者,擅长数据处理、建模仿真、程序设计、完整代码获取、论文复现及科研仿真。
🍎 往期回顾关注个人主页:Matlab科研工作室
🍊个人信条:格物致知,完整Matlab代码及仿真咨询内容私信。
🔥 内容介绍
永磁同步电机(PMSM)因其高效率、高功率密度和宽调速范围等优点,在工业和电动汽车等领域得到广泛应用。为了更好地理解和控制PMSM,建立精确的仿真模型至关重要。本文旨在探讨基于模型参考自适应(MRAS)的PMSM仿真模型,并分析其在参数估计和系统性能优化方面的应用。
引言
随着电力电子技术和控制理论的快速发展,永磁同步电机在现代工业中的地位日益凸显。然而,PMSM的精确建模面临诸多挑战,例如电机参数对温度、磁饱和等因素的敏感性,以及在实际运行中难以精确获取所有参数。传统的建模方法往往依赖于电机的标称参数,这在一定程度上限制了仿真模型的准确性和鲁棒性。
为了解决这些问题,模型参考自适应技术被引入到PMSM的建模和控制中。MRAS的核心思想是构建一个可调模型,并通过比较可调模型与参考模型之间的误差来在线调整可调模型的参数,使其性能逼近参考模型。这种方法在不完全依赖精确先验知识的情况下,能够有效地估计电机参数,从而提高仿真模型的准确性。
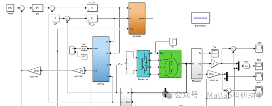
基于MRAS的PMSM仿真模型
基于MRAS的PMSM仿真模型通常由以下几个部分组成:参考模型、可调模型、自适应律和参数估计器。
-
参考模型: 参考模型通常是基于PMSM的数学方程建立的,其参数被认为是已知的或可信的。它可以是一个简化模型,也可以是一个更复杂的、考虑了非线性效应的模型。参考模型的输出(如电流、转速或磁链)被视为系统的理想响应。
-
可调模型: 可调模型也基于PMSM的数学方程建立,但其部分或全部参数是可调的。这些可调参数通常是电机在实际运行中难以精确测量的参数,例如定子电阻、电感或永磁体磁链。
-
误差信号: 误差信号是参考模型输出与可调模型输出之间的差异。这个误差信号是自适应律调整可调模型参数的基础。
-
自适应律: 自适应律根据误差信号来更新可调模型的参数。常用的自适应律包括Lyapunov稳定性理论、梯度下降法和滑模控制等。自适应律的设计目标是确保误差信号收敛到零,从而使可调模型的参数逼近真实值。
-
参数估计器: 参数估计器是自适应律的具体实现,它根据自适应律的规则计算参数的更新量,并将其反馈给可调模型。
MRAS在PMSM仿真中的应用
MRAS技术在PMSM仿真模型中具有广泛的应用,主要体现在以下几个方面:
-
在线参数估计: MRAS能够实时估计PMSM的参数,例如定子电阻、d/q轴电感和永磁体磁链等。这些参数的精确估计对于提高控制系统的性能至关重要。例如,在矢量控制中,准确的电机参数能够保证磁场定向的精确性,从而提高转矩控制的精度。
-
鲁棒性增强: 由于MRAS可以根据实际运行情况在线调整参数,因此基于MRAS的仿真模型对电机参数的变化具有较强的鲁棒性。这意味着即使电机参数在运行过程中发生变化(如由于温度升高导致电阻变化),仿真模型仍然能够保持较高的准确性。
-
故障诊断: 通过监测MRAS估计的电机参数,可以及时发现电机内部可能存在的故障。例如,如果某个参数的估计值异常偏离其正常范围,可能预示着电机绕组短路或永磁体退磁等故障。
-
无传感器控制: 在某些应用中,由于成本或空间限制,无法安装转速或位置传感器。MRAS可以结合观测器,实现无传感器控制。通过估计转子位置和转速,MRAS可以为控制系统提供必要的反馈信息,从而实现无传感器运行。
MRAS的优点与挑战
优点:
- 在线适应性:
能够实时跟踪电机参数的变化,提高模型的准确性。
- 鲁棒性强:
对电机参数的不确定性和外部干扰具有较好的抵抗能力。
- 无需精确先验知识:
在某些情况下,可以不需要精确的电机参数即可启动。
挑战:
- 稳定性分析:
MRAS系统的稳定性分析通常较为复杂,需要仔细设计自适应律以确保系统的收敛性。
- 计算复杂度:
实时参数估计需要一定的计算资源,这对于嵌入式系统可能是一个挑战。
- 初始值选择:
自适应律的收敛速度和准确性可能受到初始参数选择的影响。
结论
基于模型参考自适应的PMSM仿真模型为永磁同步电机的建模、控制和故障诊断提供了一种有效的方法。通过在线估计电机参数,MRAS能够显著提高仿真模型的准确性和鲁棒性,从而为PMSM的优化设计和运行提供了有力支持。尽管MRAS技术仍面临一些挑战,但随着理论研究和技术应用的不断深入,其在PMSM领域的应用前景将更加广阔。未来,可以进一步研究MRAS与其他先进控制方法的结合,以实现更优异的PMSM控制性能。
⛳️ 运行结果



🔗 参考文献
[1] 敬华兵,廖力清.基于模型参考自适应方法的无速度传感器永磁同步电机控制[J].机车电传动, 2007(1):4.DOI:10.3969/j.issn.1000-128X.2007.01.011.
[2] 董圣英,孙淑红.基于SVPWM的永磁同步电机控制系统建模与仿真[J].现代电子技术, 2010, 33(18):4.DOI:CNKI:SUN:XDDJ.0.2010-18-061.
[3] 郑俊.基于DSP的永磁同步直线电机伺服系统的设计与研究[D].广东工业大学,2012.DOI:10.7666/d.y2097971.
📣 部分代码
🎈 部分理论引用网络文献,若有侵权联系博主删除
👇 关注我领取海量matlab电子书和数学建模资料
🏆团队擅长辅导定制多种科研领域MATLAB仿真,助力科研梦:
🌈 各类智能优化算法改进及应用
生产调度、经济调度、装配线调度、充电优化、车间调度、发车优化、水库调度、三维装箱、物流选址、货位优化、公交排班优化、充电桩布局优化、车间布局优化、集装箱船配载优化、水泵组合优化、解医疗资源分配优化、设施布局优化、可视域基站和无人机选址优化、背包问题、 风电场布局、时隙分配优化、 最佳分布式发电单元分配、多阶段管道维修、 工厂-中心-需求点三级选址问题、 应急生活物质配送中心选址、 基站选址、 道路灯柱布置、 枢纽节点部署、 输电线路台风监测装置、 集装箱调度、 机组优化、 投资优化组合、云服务器组合优化、 天线线性阵列分布优化、CVRP问题、VRPPD问题、多中心VRP问题、多层网络的VRP问题、多中心多车型的VRP问题、 动态VRP问题、双层车辆路径规划(2E-VRP)、充电车辆路径规划(EVRP)、油电混合车辆路径规划、混合流水车间问题、 订单拆分调度问题、 公交车的调度排班优化问题、航班摆渡车辆调度问题、选址路径规划问题、港口调度、港口岸桥调度、停机位分配、机场航班调度、泄漏源定位
🌈 机器学习和深度学习时序、回归、分类、聚类和降维
2.1 bp时序、回归预测和分类
2.2 ENS声神经网络时序、回归预测和分类
2.3 SVM/CNN-SVM/LSSVM/RVM支持向量机系列时序、回归预测和分类
2.4 CNN|TCN|GCN卷积神经网络系列时序、回归预测和分类
2.5 ELM/KELM/RELM/DELM极限学习机系列时序、回归预测和分类
2.6 GRU/Bi-GRU/CNN-GRU/CNN-BiGRU门控神经网络时序、回归预测和分类
2.7 ELMAN递归神经网络时序、回归\预测和分类
2.8 LSTM/BiLSTM/CNN-LSTM/CNN-BiLSTM/长短记忆神经网络系列时序、回归预测和分类
2.9 RBF径向基神经网络时序、回归预测和分类
2.10 DBN深度置信网络时序、回归预测和分类
2.11 FNN模糊神经网络时序、回归预测
2.12 RF随机森林时序、回归预测和分类
2.13 BLS宽度学习时序、回归预测和分类
2.14 PNN脉冲神经网络分类
2.15 模糊小波神经网络预测和分类
2.16 时序、回归预测和分类
2.17 时序、回归预测预测和分类
2.18 XGBOOST集成学习时序、回归预测预测和分类
2.19 Transform各类组合时序、回归预测预测和分类
方向涵盖风电预测、光伏预测、电池寿命预测、辐射源识别、交通流预测、负荷预测、股价预测、PM2.5浓度预测、电池健康状态预测、用电量预测、水体光学参数反演、NLOS信号识别、地铁停车精准预测、变压器故障诊断
🌈图像处理方面
图像识别、图像分割、图像检测、图像隐藏、图像配准、图像拼接、图像融合、图像增强、图像压缩感知
🌈 路径规划方面
旅行商问题(TSP)、车辆路径问题(VRP、MVRP、CVRP、VRPTW等)、无人机三维路径规划、无人机协同、无人机编队、机器人路径规划、栅格地图路径规划、多式联运运输问题、 充电车辆路径规划(EVRP)、 双层车辆路径规划(2E-VRP)、 油电混合车辆路径规划、 船舶航迹规划、 全路径规划规划、 仓储巡逻
🌈 无人机应用方面
无人机路径规划、无人机控制、无人机编队、无人机协同、无人机任务分配、无人机安全通信轨迹在线优化、车辆协同无人机路径规划
🌈 通信方面
传感器部署优化、通信协议优化、路由优化、目标定位优化、Dv-Hop定位优化、Leach协议优化、WSN覆盖优化、组播优化、RSSI定位优化、水声通信、通信上传下载分配
🌈 信号处理方面
信号识别、信号加密、信号去噪、信号增强、雷达信号处理、信号水印嵌入提取、肌电信号、脑电信号、信号配时优化、心电信号、DOA估计、编码译码、变分模态分解、管道泄漏、滤波器、数字信号处理+传输+分析+去噪、数字信号调制、误码率、信号估计、DTMF、信号检测
🌈电力系统方面
微电网优化、无功优化、配电网重构、储能配置、有序充电、MPPT优化、家庭用电
🌈 元胞自动机方面
交通流 人群疏散 病毒扩散 晶体生长 金属腐蚀
🌈 雷达方面
卡尔曼滤波跟踪、航迹关联、航迹融合、SOC估计、阵列优化、NLOS识别
🌈 车间调度
零等待流水车间调度问题NWFSP 、 置换流水车间调度问题PFSP、 混合流水车间调度问题HFSP 、零空闲流水车间调度问题NIFSP、分布式置换流水车间调度问题 DPFSP、阻塞流水车间调度问题BFSP
👇
556

被折叠的 条评论
为什么被折叠?



