STM32 ADC和DMA简单总结
1.简介
使用野火开发板F429IGT6
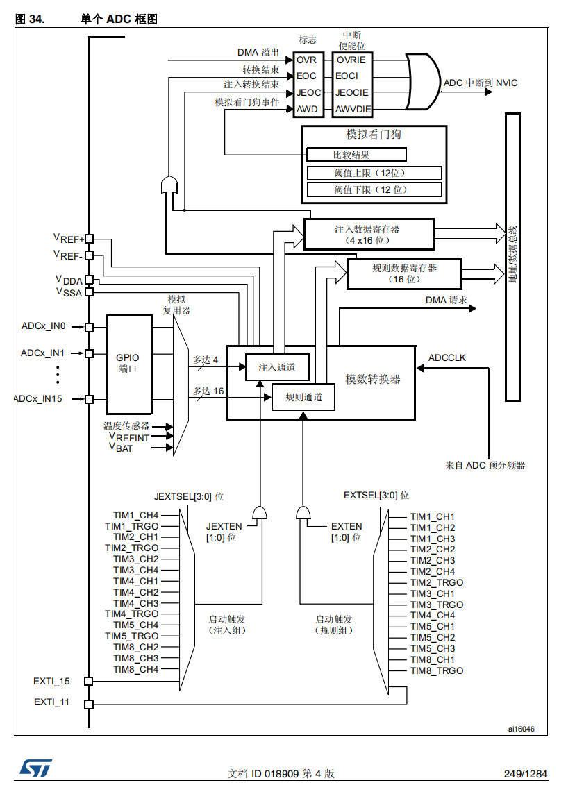
ADC框图

![[外链图片转存失败,源站可能有防盗链机制,建议将图片保存下来直接上传(img-hcRJQP6A-1656898707918)(https://raw.githubusercontent.com/Master-4869/pictures/main/image-20220702105905661.png)]](https://i-blog.csdnimg.cn/blog_migrate/e76813604bba108f345752581dad5e02.png)
ADC主要的选项配置有
- 时钟的分频配置,这个决定了ADC的时钟速度,
- 采样时钟数量,采样的时间长一点会更准,整个一个采样的周期是采样时间加上转换时间,如果使用12位的就需要加上12个时钟的转换时间,这样3个采样时间加上12个转换时间,整个采样周期就是15个周期
- 数据对齐的方式为左对齐还是右对齐,因为数据寄存器的宽度是16位的,采样的精度只能12位
- 扫描模式是同一个ADC开启多个通道,是否要轮流转换每个通道
- 连续采样是ADC是否要一直采样转换还是触发一次就停止转换
- EOC是转换结束标志
- 可以配置ADC的触发是软件触发还是硬件触发
- rank可以配置各个通道的转换先后顺序
- ADC可以分为规则转换通道和注入转换通道,一般用的就是规则转换通道
ADC还可以配置为多重采样的模式,一共有3个ADC,可以轮流来采样转换同一个通道,这样在第一个ADC转换的时候第二个可以紧接着采样,可以提升ADC的采样率。
![[外链图片转存失败,源站可能有防盗链机制,建议将图片保存下来直接上传(img-2GFsNAoN-1656898707918)(https://raw.githubusercontent.com/Master-4869/pictures/main/image-20220702111226199.png)]](https://i-blog.csdnimg.cn/blog_migrate/7bc45e6c9401e1b1633e92c632cb03e0.png)
将3个ADC的相同通道选中,在ADC1的模式中选择三重采样。配置DMA以ADC1为主,其他ADC不需要配置,每个ADC都要打开循环检测模式。


DMA的配置主要有
- 数据传输的方向,分为存储器到存储器,外设到存储器,存储器到外设
- 传输的模式是循环传输还是只传输一次
- 传输数据的宽度
- 传输时外设寄存器的地址和存储器的地址要不要递增,注意每次递增的地址的大小是和设置的数据宽度相同的
如果使用FIFO的话可以设置突发模式等
2.代码
使用cubemx6.6.0
MDK5.34
2.1多通道DMA
/* USER CODE BEGIN Header */
/**
******************************************************************************
* @file adc.c
* @brief This file provides code for the configuration
* of the ADC instances.
******************************************************************************
* @attention
*
* Copyright (c) 2022 STMicroelectronics.
* All rights reserved.
*
* This software is licensed under terms that can be found in the LICENSE file
* in the root directory of this software component.
* If no LICENSE file comes with this software, it is provided AS-IS.
*
******************************************************************************
*/
/* USER CODE END Header */
/* Includes ------------------------------------------------------------------*/
#include "adc.h"
/* USER CODE BEGIN 0 */
/* USER CODE END 0 */
ADC_HandleTypeDef hadc1;
DMA_HandleTypeDef hdma_adc1;
/* ADC1 init function */
void MX_ADC1_Init(void)
{
/* USER CODE BEGIN ADC1_Init 0 */
/* USER CODE END ADC1_Init 0 */
ADC_ChannelConfTypeDef sConfig = {
0};
/* USER CODE BEGIN ADC1_Init 1 */
/* USER CODE END ADC1_Init 1 */
/** Configure the global features of the ADC (Clock, Resolution, Data Alignment and number of conversion)
*/
hadc1.Instance = ADC1;
hadc1.Init.ClockPrescaler = ADC_CLOCK_SYNC_PCLK_DIV4;
hadc1.Init.Resolution = ADC_RESOLUTION_12B;
hadc1.Init.ScanConvMode = ENABLE;
hadc1.Init.ContinuousConvMode = ENABLE;
hadc1.Init.DiscontinuousConvMode = DISABLE;
hadc1.Init.ExternalTrigConvEdge = ADC_EXTERNALTRIGCONVEDGE_NONE;
hadc1.Init.ExternalTrigConv = ADC_SOFTWARE_START;
hadc1.Init.DataAlign = ADC_DATAALIGN_RIGHT;
hadc1.Init.NbrOfConversion = 3;
hadc1.Init.DMAContinuousRequests = ENABLE;
hadc1.Init.EOCSelection = ADC_EOC_SINGLE_CONV;
if (HAL_ADC_Init(&hadc1) != HAL_OK)
{
Error_Handler();
}
/** Configure for the selected ADC regular channel its corresponding rank in the sequencer and its sample time.
*/
sConfig.Channel = ADC_CHANNEL_13;
sConfig.Rank = 1;
sConfig.SamplingTime = ADC_SAMPLETIME_3CYCLES;
if (HAL_ADC_ConfigChannel(&hadc1, &sConfig) != HAL_OK)
{
Error_Handler();
}
/** Configure for the selected ADC regular channel its corresponding rank in the sequencer and its sample time.
*/
sConfig.Channel = ADC_CHANNEL_4;
sConfig.Rank = 2;
if (HAL_ADC_ConfigChannel(&hadc1, &sConfig) != HAL_OK)
{
Error_Handler();
}
/** Configure for the selected ADC regular channel its corresponding rank in the sequencer and its sample time.
*/
sConfig.Channel = ADC_CHANNEL_6;
sConfig.Rank = 3;
if (HAL_ADC_ConfigChannel(&hadc1, &sConfig) != HAL_OK)
{
Error_Handler();
}
/* USER CODE BEGIN ADC1_Init 2 */
/* USER CODE END ADC1_Init 2 */
}
void HAL_ADC_MspInit(ADC_HandleTypeDef* adcHandle)
{
GPIO_InitTypeDef GPIO_InitStruct = {
0};
if(adcHandle->Instance==ADC1)
{
/* USER CODE BEGIN ADC1_MspInit 0 */
/* USER CODE END ADC1_MspInit 0 */
/* ADC1 clock enable */
__HAL_RCC_ADC1_CLK_ENABLE();
__HAL_RCC_GPIOC_CLK_ENABLE();
__HAL_RCC_GPIOA_CLK_ENABLE();
/**ADC1 GPIO Configuration
PC3 ------> ADC1_IN13
PA4 ------> ADC1_IN4
PA6 ------> ADC1_IN6
*/
GPIO_InitStruct.Pin = GPIO_PIN_3;
GPIO_InitStruct.Mode = GPIO_MODE_ANALOG;
GPIO_InitStruct.Pull = GPIO_NOPULL;
HAL_GPIO_Init(GPIOC, &GPIO_InitStruct);
GPIO_InitStruct.Pin = GPIO_PIN_4|GPIO_PIN_6;
GPIO_InitStruct.Mode = GPIO_MODE_ANALOG;
GPIO_InitStruct.Pull = GPIO_NOPULL;
HAL_GPIO_Init(GPIOA, &GPIO_InitStruct);
/* ADC1 DMA Init */
/* ADC1 Init */
hdma_adc1.Instance = DMA2_Stream0;
hdma_adc1.Init.Channel = DMA_CHANNEL_0;
hdma_adc1.Init.Direction = DMA_PERIPH_TO_MEMORY;
hdma_adc1.Init.PeriphInc = DMA_PINC_DISABLE;
hdma_adc1.Init.MemInc = DMA_MINC_ENABLE;
hdma_adc1.Init.PeriphDataAlignment = DMA_PDATAALIGN_HALFWORD;
hdma_adc1.Init.MemDataAlignment = DMA_MDATAALIGN_HALFWORD;
hdma_adc1.Init.Mode = DMA_CIRCULAR;
hdma_adc1.Init.Priority = DMA_PRIORITY_LOW;
hdma_adc1.Init.FIFOMode = DMA_FIFOMODE_DISABLE;
if (HAL_DMA_Init(&hdma_adc1) != HAL_OK)
{
Error_Handler();
}
__HAL_LINKDMA(adcHandle,DMA_Handle,hdma_adc1);
/* USER CODE BEGIN ADC1_MspInit 1 */
/* USER CODE END ADC1_MspInit 1 */
}
}
void HAL_ADC_MspDeInit(ADC_HandleTypeDef* adcHandle)
{
if(adcHandle->Instance==ADC1)
{
/* USER CODE BEGIN ADC1_MspDeInit 0 */
/* USER CODE END ADC1_MspDeInit 0 */
/* Peripheral clock disable */
__HAL_RCC_ADC1_CLK_DISABLE();
/**ADC1 GPIO Configuration
PC3 ------> ADC1_IN13
PA4 ------> ADC1_IN4
PA6 ------> ADC1_IN6
*/
HAL_GPIO_DeInit(GPIOC, GPIO_PIN_3);
HAL_GPIO_DeInit(GPIOA, GPIO_PIN_4|GPIO_PIN_6);
/* ADC1 DMA DeInit */
HAL_DMA_DeInit(adcHandle->DMA_Handle);
/* USER CODE BEGIN ADC1_MspDeInit 1 */
/* USER CODE END ADC1_MspDeInit 1 */

最低0.47元/天 解锁文章
1976

被折叠的 条评论
为什么被折叠?



