💥💥💥💥💥💥💥💥💞💞💞💞💞💞💞💞💞Matlab武动乾坤博客之家💞💞💞💞💞💞💞💞💞💥💥💥💥💥💥💥💥
🚀🚀🚀🚀🚀🚀🚀🚀🚀🚀🚤🚤🚤🚤🚤🚤🚤🚤🚤🚤🚤🚤🚤🚤🚤🚤🚤🚤🚤🚤🚀🚀🚀🚀🚀🚀🚀🚀🚀🚀

🔊博主简介:985研究生,Matlab领域科研开发者;
🚅座右铭:行百里者,半于九十。
🏆代码获取方式:
优快云 Matlab武动乾坤—代码获取方式
更多Matlab信号处理仿真内容点击👇
①Matlab信号处理(进阶版)
⛳️关注优快云 Matlab武动乾坤,更多资源等你来!!
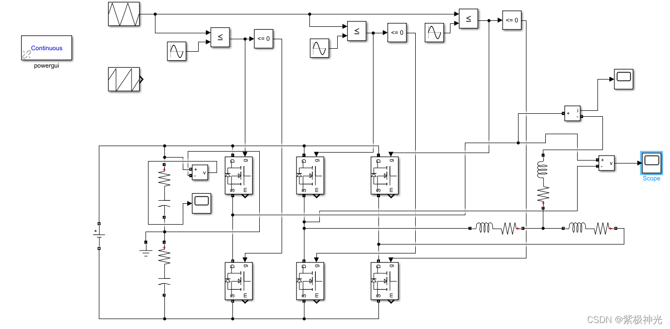
⛄一、BP神经网络三相逆变器故障诊断简介
针对三相桥式逆变电路为研究对象,建立了仿真模型,并对逆变器主电路开关器件的开路故障进行仿
真,提出了基于BP神经网络的故障诊断方法,确定了网络的结构和参数,并以此训练网络.仿真试验结果表明,该神经网络具有很好的故障识别能力,所选择的基于BP神经网络的三相逆变器故障诊断系统是可行的。
电力电子技术广泛应用于国防军事和工业生产.电力电子设备一旦发生故障,可能造成装置或系统的损坏甚至威胁人身安全;因此,对电力电子设备进行故障检测和诊断非常有意义。由于电力电子器件的过载能力小,损坏速度快,且故障信息仅存在于发生故障后到停电之前的数十毫秒以内,所以需要动态监视,在线诊断.目前,人们只能从输出波形来诊断它是否有故障,以及何种故障,现已有多种方法用于电力电子电路的故障诊断.利用BP网络来诊断无功发生器中逆变器主回路元件开路故障;采用傅里叶分析方法实现了对三相变流器主电路的故障诊断;提出了采用小波分析和神经网络诊断电力电子
装置故障诊断的方法。在此则以三相桥式逆变电路为例,研究应用BP神经网络进行故障诊断的方法。
⛄二、部分源代码
load T1
load T2
load T3
load T4
% wt=cwt(x,wname)使用wname指定的解析小波来计算cwt。
% wname的有效选项是“morse”、“amor”和“bump”,它们分别指定morse、Morlet(Gabor)和bump小波。
% 如果不指定wname,则wname默认为“morse”。
wt1=cwt(T1(1:1100,1));
wt2=cwt(T2(1:1100,1));
wt3=cwt(T3(1:1100,1));
wt4=cwt(T4(1:1100,1));
p=[wt1 wt2 wt3 wt4];
p=real§;
class=[ones(1100,1);ones(1100,1)*2;ones(1100,1)*3;ones(1100,1)*4];
%创建BP网络
%特征值归一化
[input,minI,maxI] = premnmx§ ;
%构造输出矩阵
s = length( class) ;
output = zeros( s , 4 ) ;
for i = 1 : s
output( i , class( i ) ) = 1 ;
end
%创建神经网络
net = newff( minmax(input) , [10 4] ); %, { ‘logsig’ ‘purelin’ } , ‘traingdx’ ) ;
%设置训练参数
net.trainparam.show = 50 ;
net.trainparam.epochs = 500 ;
net.trainparam.goal = 0.03 ;
net.trainParam.lr = 0.01 ;
%开始训练
net = train( net, input , output’ ) ;
disp(‘TRAIN OK.’)
save bpnet net;
load bpnet
%测试数据归一化
testInput = tramnmx ( p, minI, maxI ) ;
%仿真
Y = sim( net , testInput ) ;
%统计识别正确率
[s1 , s2] = size( Y ) ;
hitNum = 0 ;
for i = 1 : s2
[m , Index] = max( Y( : , i ) ) ;
if( Index == class(i) )
hitNum = hitNum + 1 ;
end
end
fprintf(‘识别率是 %3.3f%%’,100 * hitNum / s2 );
%% 测试
load T1_WRONG.mat
load bpnet
wt1=cwt(T1_WRONG(1:1100,1));
testInput = tramnmx (wt1, minI, maxI ) ;
testInput=real(testInput);
%仿真
Y = sim( net , testInput ) ;
%统计识别正确率
[s1 , s2] = size( Y ) ;
hitNum = 0 ;
for i = 1 : s2
[m , Index] = max( Y( : , i ) ) ;
end
if Index1
disp(‘故障T1’);
end
if Index2
disp(‘故障T2’);
end
if Index3
disp(‘故障T3’);
end
if Index4
disp(‘故障T4’);
end
⛄三、运行结果




⛄四、matlab版本及参考文献
1 matlab版本
2014a
2 参考文献
[1]罗耀华,从静.基于matlab BP神经网络的三相逆变器故障诊断[J].应用科技.2010年6月.
3 备注
简介此部分摘自互联网,仅供参考,若侵权,联系删除
🍅 仿真咨询
1 各类智能优化算法改进及应用
生产调度、经济调度、装配线调度、充电优化、车间调度、发车优化、水库调度、三维装箱、物流选址、货位优化、公交排班优化、充电桩布局优化、车间布局优化、集装箱船配载优化、水泵组合优化、解医疗资源分配优化、设施布局优化、可视域基站和无人机选址优化
2 机器学习和深度学习方面
卷积神经网络(CNN)、LSTM、支持向量机(SVM)、最小二乘支持向量机(LSSVM)、极限学习机(ELM)、核极限学习机(KELM)、BP、RBF、宽度学习、DBN、RF、RBF、DELM、XGBOOST、TCN实现风电预测、光伏预测、电池寿命预测、辐射源识别、交通流预测、负荷预测、股价预测、PM2.5浓度预测、电池健康状态预测、水体光学参数反演、NLOS信号识别、地铁停车精准预测、变压器故障诊断
3 图像处理方面
图像识别、图像分割、图像检测、图像隐藏、图像配准、图像拼接、图像融合、图像增强、图像压缩感知
4 路径规划方面
旅行商问题(TSP)、车辆路径问题(VRP、MVRP、CVRP、VRPTW等)、无人机三维路径规划、无人机协同、无人机编队、机器人路径规划、栅格地图路径规划、多式联运运输问题、车辆协同无人机路径规划、天线线性阵列分布优化、车间布局优化
5 无人机应用方面
无人机路径规划、无人机控制、无人机编队、无人机协同、无人机任务分配
6 无线传感器定位及布局方面
传感器部署优化、通信协议优化、路由优化、目标定位优化、Dv-Hop定位优化、Leach协议优化、WSN覆盖优化、组播优化、RSSI定位优化
7 信号处理方面
信号识别、信号加密、信号去噪、信号增强、雷达信号处理、信号水印嵌入提取、肌电信号、脑电信号、信号配时优化
8 电力系统方面
微电网优化、无功优化、配电网重构、储能配置
9 元胞自动机方面
交通流 人群疏散 病毒扩散 晶体生长
10 雷达方面
卡尔曼滤波跟踪、航迹关联、航迹融合
本文介绍了如何使用Matlab建立三相桥式逆变器的仿真模型,并通过BP神经网络进行主电路开关器件开路故障的诊断。实验结果显示,该神经网络在故障识别上表现出良好的性能。
325

被折叠的 条评论
为什么被折叠?



