
一、产品概述
HPS700A-M是一款高性能的压力传感器,专为需要精确测量压力与温度的应用场景设计。该传感器集成了MEMS(微机电系统)技术和24位ADC(模数转换器),能够输出高精度的数字化压力与温度数据。
HPS700A-M通过I²C接口与外部微控制器(MCU)通信,使得数据采集与处理变得简单高效。其小巧的尺寸(3.8 × 3.6 × 1.15mm)和宽广的工作温度范围(-40℃至+85℃),使其非常适合便携式设备、工业监控以及户外探险设备等领域。
二、核心优势
高精度:采用24位ADC和高精度补偿算法,确保压力与温度测量的准确性。
低功耗:待机电流小于0.1μA,平均工作电流随OSR可调,有助于延长设备续航。
宽工作温度范围:支持-40℃至+85℃的工作环境,适应多种应用场景。
灵活的接口与通信:I²C接口兼容标准协议,便于与各种MCU集成,同时支持多设备地址选择。
自动化与智能化:自动上电初始化、内部数据补偿等功能,减轻外部MCU的负担,提升系统整体性能。
小型化设计:紧凑的尺寸和轻量级的封装,便于在便携式设备和空间受限的应用中部署。
高可靠性:内置多种保护机制,确保设备在恶劣环境下的稳定运行和长期使用。
三、功能参数
1、电气参数

封装图
▪ 工作电压:1.8V至3.6V,支持多种低功耗系统设计
▪ 待机电流:小于0.1μA,有助于延长设备的电池寿命
▪ 平均工作电流:根据过采样率(OSR)的不同,从2.9μA(OSR=128)到91.8μA(OSR=4096)不等,在每秒进行一次转换的条件下测量。温度测量的平均工作电流略低于压力测量
▪ 转换时间:转换时间取决于OSR值,从2.1ms(OSR=128)到131.1ms(OSR=4096)不等。较高的OSR值能提供更精确的测量结果,但会增加转换时间和功耗
2、测量范围与精度

温压测量图
▪ 压力测量范围:0Kpa至1600Kpa,满足从低压到高压的广泛测量需求
▪ 绝对精度:在0Kpa至700Kpa范围内,从-20℃至60℃时,压力绝对精度为±2.0Kpa;相对精度为±1.5Kpa
▪ 温度测量范围:-40℃至+85℃,覆盖大多数应用环境
▪ 温度绝对精度:在+25℃时为±0.5℃,在0℃至+60℃范围内为±2.0℃
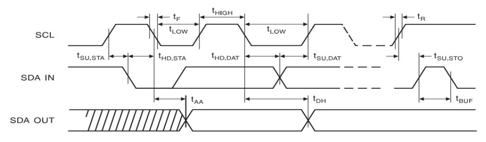
3、接口与通信

接口图
▪ 接口:采用I²C接口,支持标准I²C协议,方便与外部MCU进行通信
▪ I²C时序:支持最高400kHz的时钟频率,具有较快的通信速度
▪ 设备地址:根据CSB引脚的状态,设备地址可选为0xEE/0xEF(CSB=0)或0xEC/0xED(CSB=1),便于在多设备系统中区分不同的传感器。
4、其他特性

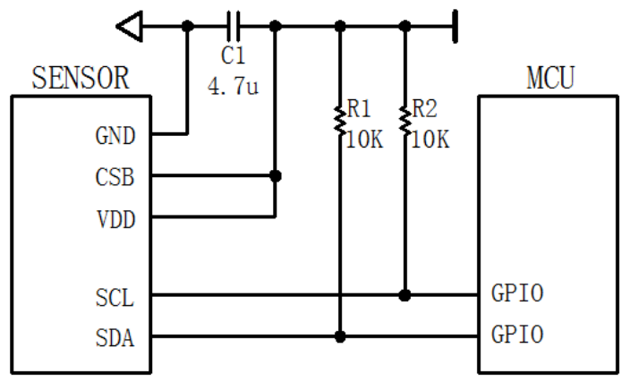
应用框图
▪ 自动上电初始化:上电后自动执行初始化序列,完成后进入休眠状态,以降低功耗
▪ 数据补偿:内部集成数据补偿算法,无需外部MCU进行复杂的数据处理
▪ 内部NVM:128字节非易失性存储器(NVM),用于存储校准数据,确保测量的准确性
▪ 保护机制:具有过压保护、电源反接保护等安全特性,确保设备在恶劣环境下的稳定运行
四、应用场景
主要应用场景有移动高度计/气压计、工业压力和温度传感器系统、探险和运动手表、气象站设备、压力、温度数据记录仪。

428






