1 特性
● 无需大尺寸输出隔直电容
以0V电位为参考输出;
出色的低频表现:
● 静态电流:3.6mA(PVDD=3.6V, Output=floating)
● 关断电流:0.1uA
● 单端或差分输入
内置输入电阻减少外部元器件数量
系统噪声性能优良
● THD+N仅为:0.014%(3.6V,32ohm,20mW)
● 功率输出:33mW(PVDD=3.6V,RL=32Ω,THD+N=1%)
● 单电源供电:2.5V-5.2V
● 增益可选:-6/0/3/6 dB
● 保护功能:过热/欠压异常保护功能
● 无铅封装,QFN16
2 说明
● HT4832是一款无需输出隔直电容的立体声耳机放大器。
● HT4832支持差分和单端的模拟信号输入,并具备4种增益设置。
● HT4832在3.6V供电下,THD+N=1%,32ohm负载时能提供33mW的输出。其具有低至0.014%的THD+N。
● HT4832能在2.5V-5.2V电源条件下工作,具有过热保护和欠压保护等功能。
● HT4832的关断电流低至0.1μA。
3 应用范围
● 蓝牙耳机
● 音响
● CD/MP3
● 智能手机
● 平板/笔记本电脑
● 便携式游戏机
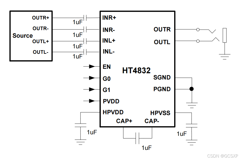
4 应用电路

5 管脚配置


HT4832立体声耳机放大器特性及应用
379

被折叠的 条评论
为什么被折叠?



