RC电路耦合、相移、滤波、微分
所谓RC电路,就是电阻R和电容C组成的一种分压电路。如下图1所示:输入电压加于RC串联电路两端,输出电压取自于电阻R或电容 C。由于电容的特殊性质,对下图 (a)和 (b)不同的输出电压取法,呈现出不同的频率特性。
由此 RC电路在电子电路中作为信号的一种传输电路,根据需要的不同,在电路中实现了耦合、相移、滤波等功能,并且在阶跃电压作用下,还能实现波形的转换、产生等功能。所以,看起来非常简单的 RC电路,在电子电路中随处可见,有必要对它的基本应用加以讨论。

基本RC电路
1、RC耦合电路
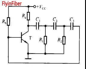
RC耦合电路即阻容耦合电路, 是多级放大器级间耦合方式的基本形式. 如下图 2所示为两级放大器, 第一级的输出电压就是通过如下图 3所示的 RC阻容耦合电路加到第二级上的,其中C = C2, R 为 R5 与 rbe2 + ( 1+β) R6 的并联, Ui就是第一级的空载输出电压, Uo就是第二级的输入电压. 实际上整个放大器的输入耦合电路、输出耦合电路都是一个输出电压取自于电阻的如图3所示的 RC耦合电路. 对这种耦合电路输出电压可表示为:

当传输信号的频率很高时,即:f>fL时:Uo=Ui,即第二级得到的输入电压等于第一级的输出电压,耦合电容相当于通路.即这种情况下,RC耦合电路将被传输的信号无衰减地、且无相移地由上级耦合到下级.
当被传输信号的频率降低到f=fL时:输出电压的大小等于输入电压大小的1/√2且相位超前45度.由通频 带的概念,这就是下界频率.由上可见,RC电路作为耦合电路,能否将被传送的信号顺利地耦合下去,完全由被传送信号频率和RC电路的参数比较后决定的.一般来说,RC电路的时间τ=RC远大于被传送信号的周期T,即被传输信号的频率远大于由电路参数决定的下界频率时,这种RC耦合电路中的电容相当于通路


两级放大电路
RC耦合电路
2、RC相移电路
RC电路作为二端传输网络,若输出电压取自于电阻,则输出电压的相位超前;若输出电压取自于电容,则输出电压的相位落后.这种超前或落后最大可达90度,但此时输出电压的幅值也趋近于0.一般在电路中,使之信号通过RC电路,
既有一定的相移,又有一定的电压幅值,这样RC电路就成了一个相移电路.在电 路中,根据需要的不同,将若干节RC电路串联去实现对某一频率的信号进行一定角度的相位移动.图4是一个RC相移式正弦波振荡器电路.
三节RC相移电路在振荡电路中既是正反馈网络,又是选频网络,合理选其电路参数,对某一频率的信号通过RC相移电路,使之每一节的平均相移为60度,总相移为180度,从而满足振荡平衡条件,对这一频率的信号发生振荡.
3、滤波电路
滤波电路是一种能使有用频率信号顺利通过,而对无用频率信号起抑制和衰减作用的电子电路.由于电容阻低频通高频的基本性质,滤波电路的基本组成部分仍是一个RC电路,当输出电压取自于电阻时,它就 是一个高通滤波器;
当输出电压取自于电容时,它就是一个低通滤波器.为了隔断负载对RC电路的影响,常将RC电路和集成运放组合起来组成有源滤波器,如图5所示为一阶有源低通滤波器电路.将图中的R和C 的位置互换,即得到一阶有源高通滤波器.为了使被抑制的频率成分在截止频率以外衰减更快,可以将几节 RC电路串联使用,而得到高阶有源滤波器,也可将不同性质的RC电路相互串并联使用,得到所谓带通滤波器和带阻滤波器等.

RC相移震荡电路

一般低通滤器
4、微分电路
前面三个问题讨论的是不同频率的正弦信号通过RC电路时,电路所反映出的性质.当电路中信号电压发生阶跃变化时,由于电容的充放电的性质,使之被传输的信号发生另一种变化,这就微分电路和积分电路.
微分电路
所谓微分电路仍是一节RC电路,输出电压取之于电阻R.当输入电压为阶跃变化的矩形脉冲时,且RC电路的充放电时间常数τ=RC<TK(脉冲宽度)时,能将输入的矩形脉冲变成宽度为τ的尖脉冲.如图6所示,由于时间常数远小于脉冲宽度,脉冲上升沿来到时,电容通过电阻R充电,很快充满,电路中的电流变为零,输出电压变为零,由此在R上得到一个与上升沿相对应的正的尖脉冲.
当脉冲下降沿来到时,电容通过电阻R反向放电,同理放电过程很快,在电阻R上得到一个与下降沿对应的负的尖脉冲.由于通过电容的电流为:


微分电路将矩形脉冲变成尖脉冲
RC电路由电阻R和电容C组成,广泛应用于电子电路中,实现耦合、相移、滤波和微分功能。在耦合电路中,RC电路允许信号无衰减传输;在相移电路中,RC电路产生相位移;滤波电路根据电容位置提供高通或低通特性;微分电路则将阶跃信号转化为尖脉冲。
1749

被折叠的 条评论
为什么被折叠?



