💥💥💞💞欢迎来到本博客❤️❤️💥💥
🏆博主优势:🌞🌞🌞博客内容尽量做到思维缜密,逻辑清晰,为了方便读者。
⛳️座右铭:行百里者,半于九十。
📋📋📋本文内容如下:🎁🎁🎁
⛳️赠与读者
👨💻做科研,涉及到一个深在的思想系统,需要科研者逻辑缜密,踏实认真,但是不能只是努力,很多时候借力比努力更重要,然后还要有仰望星空的创新点和启发点。建议读者按目录次序逐一浏览,免得骤然跌入幽暗的迷宫找不到来时的路,它不足为你揭示全部问题的答案,但若能解答你胸中升起的一朵朵疑云,也未尝不会酿成晚霞斑斓的别一番景致,万一它给你带来了一场精神世界的苦雨,那就借机洗刷一下原来存放在那儿的“躺平”上的尘埃吧。
或许,雨过云收,神驰的天地更清朗.......🔎🔎🔎
💥第一部分——内容介绍
T型三电平逆变器DPWM调制-载波生成优化开关频率(最小开关频率)仿真研究
摘要:本文聚焦于T型三电平逆变器的DPWM调制技术,深入探讨基于载波生成的最小开关损耗调制策略。通过理论分析不同钳位模式与零序分量注入的关系,以及在不同功率因数条件下的应用效果,结合仿真验证该策略在全调制度全功率因数工况下实现最小化开关损耗的可行性,为T型三电平逆变器的高效运行提供理论支持与实践参考。
关键词:T型三电平逆变器;DPWM调制;载波生成;最小开关损耗;仿真研究
一、引言
随着新能源领域的快速发展,逆变器作为电能转换的关键设备,其效率与性能备受关注。T型三电平逆变器凭借其功率损耗均匀、运行效率高、成本低等优势,在大功率、轻量化、小型化应用场景中占据重要地位。然而,开关损耗作为影响逆变器效率的关键因素之一,如何有效降低开关损耗成为当前研究的热点。DPWM(Discontinuous Pulse Width Modulation)调制技术通过使其中一相钳位无开关动作,减少开关次数,进而降低开关损耗,为提高逆变器效率提供了有效途径。而基于载波生成的最小开关损耗调制策略,因其易于工业实现,在全调制度全功率因数工况下展现出良好的应用前景。本文旨在深入研究该策略,并通过仿真验证其有效性。
二、DPWM调制技术原理
2.1 DPWM基本原理
DPWM调制技术的核心思想是在每个PWM周期内,使逆变器的其中一相钳位在特定电平(如零电平或直流母线电压),在该钳位区间内,该相开关器件保持全开或全关状态,不进行开关动作,从而减少开关次数,降低开关损耗。例如,在三相逆变器中,通过合理设计调制策略,可使每相在输出电压的正负半周各有60°区间不动作,且不动作区间超前电压峰值30°,有效减少开关动作次数。
2.2 钳位模式与限制条件
DPWM调制波需要满足一定的限制条件,这导致钳位模式有所限制。不同的钳位模式对应不同的开关状态组合和输出电压波形。例如,在传统SVPWM将矢量图分为6个扇区的基础上,DPWM进一步细分为12个扇区,通过固定选用零矢量V0(000)或V7(111),控制桥臂的不动作区间。不同扇区的选择会影响钳位模式,进而影响开关损耗和输出性能。同时,调制波的幅值和相位也需满足特定条件,以避免出现过调制现象,保证输出电压波形的质量。
2.3 零序分量注入实现DPWM方法
根据钳位区间和钳位模式,注入相应的零序分量电压即可实现相应的DPWM方法。零序分量电压的注入可以改变三相调制波的形状,从而控制钳位区间的位置和宽度。例如,为实现DPWM0调制,需在原始三相参考电压上叠加特定的零序分量(如三次谐波),形成新的调制波。通过线性变换调整零序分量,可精确控制钳位区间,使其满足设计要求。不同的DPWM方法对应不同的零序分量注入方式和钳位模式,通过合理选择和设计,可以在不同工况下实现最优的开关损耗降低效果。
三、基于载波生成的最小开关损耗调制策略
3.1 传统DPWM方法的局限性
传统DPWM方法通常仅适用于单一工况,在不同调制度或功率因数条件下,其开关损耗降低效果可能不理想。例如,某些DPWM方法在高功率因数工况下能有效降低开关损耗,但在低功率因数或感性、容性负载条件下,开关损耗可能增加,甚至影响输出电压波形的质量。此外,传统DPWM方法的实现往往较为复杂,需要精确的矢量控制和复杂的算法,增加了工业实现的难度和成本。
3.2 载波实现方法的优势
相比于空间矢量合成方法,载波实现方法由于容易实现在工业中更受欢迎。载波实现方法通过将调制波与载波进行比较,生成PWM信号,控制开关器件的通断。这种方法具有实现简单、易于数字化控制、对硬件要求低等优点。在T型三电平逆变器中,采用载波实现DPWM调制,可以方便地调整载波的频率、幅值和相位,实现不同的钳位模式和开关频率优化。同时,载波实现方法可以与现有的数字信号处理器(DSP)或现场可编程门阵列(FPGA)等控制芯片良好兼容,便于工业生产和应用。
3.3 全调制度全功率因数工况下的最小化开关损耗
最小开关损耗调制策略旨在实现在全调制度全功率因数工况下最小化开关损耗。通过综合考虑调制度、功率因数、负载特性等因素,动态调整DPWM的钳位模式和零序分量注入,使逆变器在不同工况下都能保持较低的开关损耗。例如,在高调制度(M>0.8)且功率因数接近1的工况下,采用DPWM0调制,其加权总谐波畸变(WTHD0)优于SVPWM,开关损耗可降低至连续调制(CPWM)如SVPWM的0.567倍;在低调制区或感性、容性负载条件下,通过调整钳位模式和零序分量注入,避免谐波增加,同时保持较低的开关损耗。
四、仿真研究
4.1 仿真模型搭建
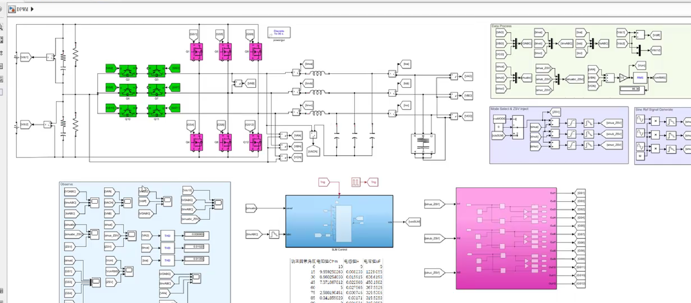
为了验证基于载波生成的最小开关损耗调制策略的有效性,搭建T型三电平逆变器的仿真模型。仿真模型采用MATLAB/Simulink软件,主要包括主电路模块、控制模块和测量模块。主电路模块包括直流电源、T型三电平逆变器、滤波器和负载;控制模块采用基于载波生成的DPWM调制策略,根据不同的调制度和功率因数条件,动态调整钳位模式和零序分量注入;测量模块用于测量逆变器的输出电压、电流、开关损耗等参数。
4.2 仿真参数设置
设置仿真参数如下:直流电源电压为800V,输出交流电压频率为50Hz,额定功率为320kW。调制度M从0.2到1.0变化,功率因数从0到1变化,分别模拟不同工况下的逆变器运行情况。载波频率设置为10kHz,通过调整载波的幅值和相位,实现不同的DPWM调制模式。
4.3 仿真结果分析
4.3.1 开关损耗对比
在不同调制度和功率因数条件下,对比采用基于载波生成的最小开关损耗调制策略与传统SVPWM调制策略的开关损耗。仿真结果表明,在全调制度全功率因数工况下,基于载波生成的最小开关损耗调制策略的开关损耗明显低于传统SVPWM调制策略。例如,在320kW光伏逆变器中,DPWM0的开关损耗比CPWM降低约43%,结温下降13°C(从141°C降至128°C),有效提高了逆变器的效率和可靠性。
4.3.2 输出电压波形质量
分析不同调制策略下逆变器的输出电压波形质量,主要考察总谐波畸变率(THD)。仿真结果显示,在高调制度(M>0.8)且功率因数接近1的工况下,DPWM0调制的WTHD0优于SVPWM;在低调制区或感性、容性负载条件下,通过合理调整钳位模式和零序分量注入,DPWM调制的输出电压波形质量也能满足要求,THD值在合理范围内。
4.3.3 动态性能分析
测试逆变器在负载突变、调制度变化等动态工况下的性能。仿真结果表明,基于载波生成的最小开关损耗调制策略结合PI控制器,能实现快速电压调节,具有良好的动态响应特性。在负载突变时,输出电压能够迅速恢复到稳定值,且超调量较小;在调制度变化时,开关损耗能够及时调整,保持较低水平。
五、结论
本文深入研究了T型三电平逆变器的DPWM调制技术,重点探讨了基于载波生成的最小开关损耗调制策略。通过理论分析不同钳位模式与零序分量注入的关系,以及在不同功率因数条件下的应用效果,结合仿真验证了该策略在全调制度全功率因数工况下实现最小化开关损耗的可行性。仿真结果表明,基于载波生成的最小开关损耗调制策略能够有效降低T型三电平逆变器的开关损耗,提高逆变器的效率和可靠性,同时保持良好的输出电压波形质量和动态性能。该策略易于工业实现,具有广阔的应用前景,为T型三电平逆变器的高效运行提供了重要的理论支持和实践参考。
📚第二部分——运行结果








🎉第三部分——参考文献
文章中一些内容引自网络,会注明出处或引用为参考文献,难免有未尽之处,如有不妥,请随时联系删除。(文章内容仅供参考,具体效果以运行结果为准)
🌈第四部分——Matlab代码、Simulink仿真实现
资料获取,更多粉丝福利,MATLAB|Simulink|Python资源获取

60

被折叠的 条评论
为什么被折叠?



