fuZion
Overview

fuZion is the novel combination of resistive force sensing technology and capacitive proximity sensing in a single cohesive sensor and electronic architecture. By utilizing the same screen printed electrodes,
materials, and print layers it is possible to sample both projected capacitive detection and resistive force sensing simultaneously on multiple nodes with a single electronic circuit and IC.
fuZion utilizes the strengths of both technologies to achieve a seamless integration enhancing existing HMI use cases and enabling new and novel opportunities for HMI developers.
fuZion goes above on and beyond to help you solve your HMIchallenges.

fuZion是电阻式力敏技术与电容式近距离传感技术的结合
单一传感器和电子结构,通过使用相同的丝网印刷电极,材料和打印层可以对投影电容检测和电阻力进行采样
利用单个电子电路和集成电路在多个节点上同时进行传感。
fuZion利用这两种技术的优势实现无缝集成
为HMI开发人员提供新的机会。
fuZion可以帮助您解决HMI挑战。
General Specification
• Capacitive sensing from 30mm on a single sensor or 100mm on multiple sensors.
• Force sensing from 20g to 1Kg
• Driven by the Cypress PSoC 4 MCU utilizing Cypress capsense technology
• Sampling rates of 100KHz or better
通用规格
•单个传感器30毫米或多个传感器100毫米的电容感应。
•从20g到1Kg的力感应范围
•由Cypress PSoC 4 MCU驱动,采用Cypress capsense技术
•100KHz或更高的采样率
Electronic requirements:
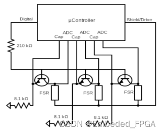
Each fuZion system requires one ADC and one Capsense pin per sensor plus one digital and one Shield/Drive line (see below for a typical circuit schematic)
电路要求:
每个fuZion系统需要一个ADC和一个电容传感引脚,外加一个数字和一个
屏蔽/驱动线(典型电路示意图如下)
fuZion Demo Kit Summary
fuZion makes use of Cypress Capsense technology in order to combine proximity capacitive sensing with FSR technology seamlessly in one sensor. The system uses the CY8CKIT-042 Development Kit with the
PSoC 4 44-TQFP MCU, sampling capacitive and FSR values at 188.235 kHz.
The Demo Unit is powered by the PSoc board, which in turn has a micro-USB output which powers the board at 3.3volts.
There are three independent sensors each of which can measure Capsense and FSR values consecutively. Orange LEDs light up to indicate the Capsense values, with the first one turning on at about 10mm from the given sensor and the last approximately at contact. The green force LEDs will start to light at approximately 60g and more LEDs will light at 85g and 135g, these switch points are adjustable in the software.
The system is constantly sampling Capsense values, then begins alternating with FSR sampling when the capsense passes a threshold value. This alternating sampling allows each sensor to operate
independently of each other and output either capsense or FSR values to the LEDs.
The system uses three dedicated capsense pins and three separate dedicated ADC pins. When the system is in FSR or capsense mode the opposing pins are undriven and not in use. This is necessary as
capsense requires dedicated pins for its operation. A transistor switches on in FSR mode to connect the ADC pin and comparator resistor to the sensor in order to obtain FSR readings.
fuZion演示套件摘要
fuZion采用cyprescapsense技术,将近距离电容传感技术与电容传感技术结合FSR技术无缝集成在一个传感器中。系统使用CY8CKIT-042开发工具包和PSoC 4 44-TQFP MCU,188.235 kHz时的电容和FSR值采样。
演示单元由PSoc板供电,PSoc板又有一个micro-USB输出,为电路板电压为3.3伏。
有三个独立的传感器,每个传感器都可以连续测量Capsense和FSR值。
橙色LED亮起以指示Capsense值,第一个LED在距离给定传感器约10毫米时点亮,最后一个大约在接触点点亮。绿色压力指示灯将在约60g下点亮,将在85g和135g下点亮更多LED,这些开关点阀值门槛可在软件中调节。
系统不断采样Capsense值,然后在通过阈值后切换到FSR模式。这种交替采样允许每个传感器彼此独立工作,并向LED输出capsense或FSR值。
系统使用三个专用的capsense引脚和三个单独的专用ADC引脚。当系统处于FSR或capsense模式时,相对的引脚不被驱动且未被使用。专用的电容脚是必要的,因为capsense的操作需要专用引脚。晶体管在FSR模式下切换为打开以连接
ADC引脚和比较器电阻连接到传感器,从而获得FSR读数。
1178

被折叠的 条评论
为什么被折叠?



