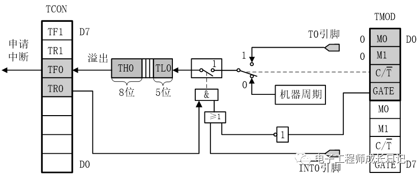
1、方式0
方式0为13位计数,由TL0的低5位(高3位未用)和TH0的8位组成。TL0的低5位溢出时向TH0进位,TH0溢出时,置位TCON中的TF0标志,向CPU发出中断请求。

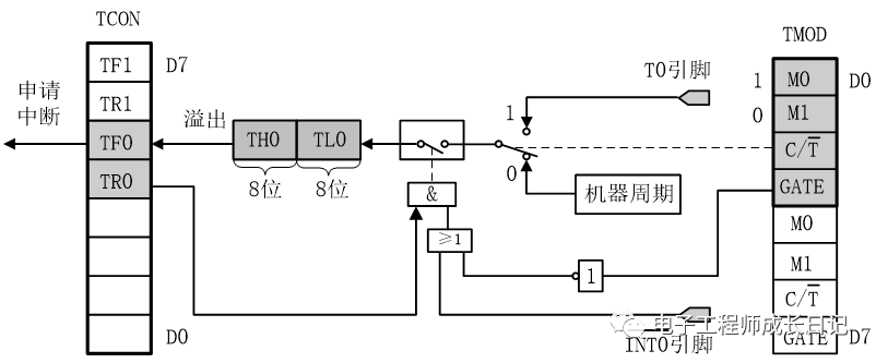
2、方式1
方式1的计数位数是16位,由TL0作为低8位、TH0作为高8位,组成了16位加1计数器 。

3、方式2
方式2为自动重装初值的8位计数方式。

4、方式3
方式3只适用于定时/计数器T0,定时器T1处于方式3时相当于TR1=0,停止计数。
工作方式3将T0分成为两个独立的8位计数器TL0和TH0。

本文介绍了T0定时器的四种工作模式:方式0的13位计数、方式1的16位加1计数、方式2的自动重装初值8位计数和方式3的独立8位计数器。重点讲解了计数机制和中断处理。
1、方式0
方式0为13位计数,由TL0的低5位(高3位未用)和TH0的8位组成。TL0的低5位溢出时向TH0进位,TH0溢出时,置位TCON中的TF0标志,向CPU发出中断请求。

2、方式1
方式1的计数位数是16位,由TL0作为低8位、TH0作为高8位,组成了16位加1计数器 。

3、方式2
方式2为自动重装初值的8位计数方式。

4、方式3
方式3只适用于定时/计数器T0,定时器T1处于方式3时相当于TR1=0,停止计数。
工作方式3将T0分成为两个独立的8位计数器TL0和TH0。

5745
5530

被折叠的 条评论
为什么被折叠?