基于实例的Solidworks简明教程--Vol.2

狙击步枪零件建模实战教程
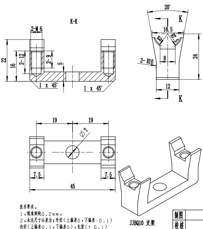
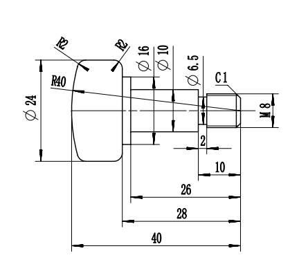
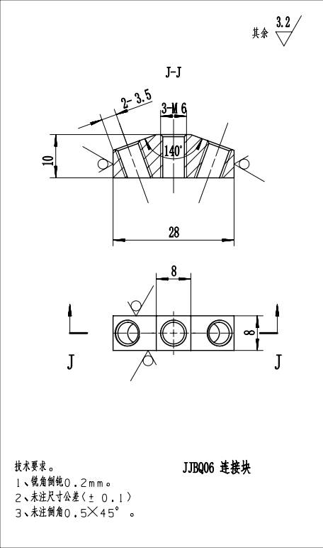
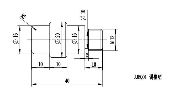
本文详细介绍了狙击步枪零件的建模过程,包括异型孔的处理、直螺纹孔、旋转实体、装饰螺纹线等技术,以及草图绘制、线性阵列和关联性建模等高级技巧。
评论
成就一亿技术人!
拼手气红包6.0元
还能输入1000个字符
 
红包 添加红包
表情包 插入表情
 条评论被折叠 查看
添加红包

请填写红包祝福语或标题

红包个数最小为10个

红包金额最低5元

当前余额3.43前往充值 >
需支付:10.00
成就一亿技术人!
领取后你会自动成为博主和红包主的粉丝 规则
hope_wisdom
发出的红包
实付
使用余额支付
点击重新获取
扫码支付
钱包余额 0

抵扣说明:

1.余额是钱包充值的虚拟货币,按照1:1的比例进行支付金额的抵扣。
2.余额无法直接购买下载,可以购买VIP、付费专栏及课程。

余额充值