摘要:根据继电保护快速性的要求,提出了通过光纤探头采集配网开关柜故障时产生的弧光放电,再通过保护单元来实现快速的切除开关柜内部故障这一切入点,研究快速切除开关柜柜内短路故障的新型配电弧光保护装置,可以保护配网运维人员人身和开关柜及柜内设备的安全,当现场柜体中因短路故障产生弧光时,能够做到快速判断、切断电源,减少停电范围,提高供电效率,降低现场调试及维护工作量,缩短设备检修及恢复供电时间,提高供电可靠性。
关键词:配电;弧光保护;装置;研究
- 导言
长期以来,人们对中低压母线的保护一直不够重视,没有保护来快速切除配电站所内部发生的故障,往往使故障发展扩大造成开关设备被严重烧毁,有的甚至发展成“火烧连营”的事故。同时,变电站的变压器由于遭受外部短路电流冲击造成内部损伤的事故也逐年增加,这些配网事故如果处理不当易被扩大发展为输电网或变电设备事故,造成重大的经济损失。究其原因大多是因为配电站所没有装设的中低压母线保护,不能快速切除故障造成的。所以,为了保证上级变电站主变及配网开关柜母线开关设备的安全运行,根据继电保护快速性的要求,迫切需要研发快速切除配电开关柜柜内故障的快速保护技术。
- 研究内容
2.1总体思路
为有效减少电弧损伤,国外对各种燃弧持续时间进行试验并得出对设备造成的损害程度,开关柜可以承受的电弧燃烧时间为100ms,电弧光产生后,其危害程度取决于电弧电流及切除时间,电弧产生的能量与I2t成指数规律快速上升。由于弧光故障在断路器动作前,故障短路电弧是一直在燃烧的,只有在短时间内切除故障才能使设备不遭受损害。若总切除时间大于100ms,轻则设备局部烧损,重则造成开关柜爆炸以及人员伤亡。
目前,国内尚无用于配电开关柜母线的保护装置,而用于变电站中、低压母线的保护主要有三种,一种为变压器后备过流保护,典型的保护动作时间1.2s~2.0s;一种为采用馈线过流保护闭锁变压器过流保护,典型的保护动作时间为300ms~500ms;另一种为采用环流原理的高阻抗母线差动保护,典型的保护动作时间为30ms~50ms,考虑到断路器的分闸时间,切除故障时间大于100ms。均不满足小于100ms的工作要求。
从实际应用情况来看,现有的保护方案是显然不能满足快速切除母线故障或保护覆盖范围要求的,变压器后备过流保护动作时间过长,不能起到有效的保护作用,高阻抗母线差动保护范围受CT安装位置的限制,接线复杂,CT要求高,不能保护到发生故障几率较高的电缆室电缆接头处的故障,且总体造价昂贵。迫切需要采用一种新型中压母线保护系统,以解决目前实际运行中由于中低压母线发生故障几率较高、延迟切除故障导致故障发展、扩大,从而造成的巨大的经济损失的问题。
配电弧光保护装置圆满的解决了这一问题,该装置根据检测到的电弧光信号,在短时间内(<7ms保护动作出口)即可切除母线(及馈线)故障,可有效防止35kV和10kV母线和断路器故障引起主变压器损坏事故的发生,保障设备及人员安全,降低损失,现已应用于电力相关行业。
2.2装置构成
配电弧光保护装置是一种快速可靠的中低压母线保护装置,它采用检测弧光和过流双判据原理,具有原理简单、动作可靠迅速、对变电站一次设备无特殊要求、适应于各种运行方式、且在各种运行方式下保护不需要切换等优点,为目前发电厂、变电站、工业及商业配电系统380V~35kV中低压母线保护理想的解决方案。配电弧光保护装置是在长期电气自动化产品设计研发的基础上,吸收国外技术理念研制的新一代智能型弧光保护产品。主要包括弧光保护主单元、弧光采集单元、馈线保护和弧光传感器等四个单元,分别介绍如下:2.2.1弧光保护主单元
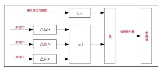
主单元包含有电流检测和断路器失灵保护,它通过检测短路电流和来自弧光传感器的动作信息,并对收集的数据进行处理、判断,发出跳闸信号以切除故障。该装置只要在同时检测到弧光和过流时才发出跳闸指令。在进线断路器未能动作切除故障时,它将启动断路器失灵保护逻辑,发出跳闸指令给上游断路器切除故障。此外,主单元根据采集单元传送来的弧光传感器的动作信息,提供弧光故障点的定位及报警信息。主单元接入若干弧光采集单元,并且可以支持RS485、以太网等多种接口方式,支持Profibus、ModBus、CAN、IEC103、IEC104等多种通讯规约。
2.2.2弧光采集单元
每个采集单元可接入8个弧光传感器。采集单元的地址通过面板进行设定。当系统发生弧光故障时,采集单元收集来自弧光传感器的动作信息并传送给主单元,在主单元上显示采集单元和弧光传感器的地址编号,有利于及时检修和排除故障。
2.2.3馈线采集单元
该单元作为馈线型弧光保护的单元独立使用,每个单元可提供3个弧光采集输入,采用探头方式采集弧光,当馈线柜中发生弧光时跳开该馈线柜中的断路器。
2.2.4弧光传感器
弧光传感器安装在开关柜各间隔室中,可实现对由简单到各种复杂接线中、低压开关柜提供有选择性的保护。弧光传感器作为光感应元件,将检测在发生弧光故障时突然增加的光强,并将光信号转换成电流信号传送给采集单元。
2.3装置功能
配电弧光保护装置是一种快速可靠的中低压母线保护装置,它采用检测弧光和过流双判据原理,具有原理简单、动作可靠迅速、对配电站一次设备无特殊要求、适应于各种运行方式、且在各种运行方式下保护不需要切换等优点,为目前电力系统380V~35kV中低压母线保护提供了理想的解决方案,实现了对配网开关设备的弧光故障的监测与保护,保证了电网的安全稳定运行;有效的增强了对变压器、配电开关柜等设备的防护措施,消除了弧光产生故障可能对设备和人身产生的安全隐患:
1)全数字化设计,整定参数时无需拨码开关及电位器等机械元件,精度高,无振动、磨损等隐患。
2)弧光信号可在采集单元之间串行传输,从而使监测点的数量可任意增加,且大大减少了传输光纤的成本。
3)动作判据可设,动作判据可设置为弧光加电流或仅弧光。
4)弧光探头330度大角度采集弧光信号,保证动作的准确性和可靠性。
5)定时发送光秒脉冲信号,检测光纤回路是否有破损及断开等故障隐患。
3.应用情况
基于该研究成果,在石家庄奥北公元小区开闭所安装了14套配电弧光保护装置,目前该配电弧光保护装置运行稳定可靠。配电站开关柜弧光保护系统的投入使用,消除了弧光产生故障可能对设备和人身产生的安全隐患,保护运维人员人身和开关柜及柜内设备的安全,可实现快速切除开关柜本体故障,能在开关柜耐受燃弧时间以内切除故障,从根本上限制故障电弧,将大限度地限制弧光故障对开关设备的损坏,并降低对配网运维人员的伤害。限制开关设备的损坏,即阻断了故障发展的可能性,从而可避免上级变电站主变压器长时间遭受短路电流的冲击而损坏。配电弧光保护装置有效的限制了弧光短路故障损坏开关设备及上级变压器,为电力企业节省了对设备的大量维护费用,各方面提升生产现场的作业水平,达到安全生产的目的。
4.安科瑞 ARB5系列弧光保护的原理及系统组成
弧光保护装置通过弧光+电流突变量双重判据或弧光单判据启动保护,其动作时间为
弧光单判据动作时间≤7ms;
弧光+电流双判据时间≤20ms。

ARB5系列弧光保护装置由ARB5-M主控单元、ARB5-E扩展单元、ARB5-S弧光探头、弧光光纤以及尾纤等配件构成。
型号
5.结语
配电弧光保护装置为中低压母线提供了一个理想的防护解决方案,可以保护运维人员人身和开关柜及柜内设备的安全,当现场柜体中产生弧光时,能够做到快速判断、切断电源,减少停电范围,保证了电网的安全稳定运行,有效的增强了对变压器、配电开关柜等设备的防护措施,提升了安全生产管理水平、社会和经济效益及效果显著,具备良好的应用效果和推广前景。
参考文献:
[1]王代远,朱庆洋,李云玲.新型配电弧光保护装置的研究和应用
[2]李从飞;陈凡,鲁雅斌,田伟.DPR360ARC弧光保护系统设计[J];电力系统保护与控制;2010年12期
[3]徐东晟,邱志人.快速灭弧开关在中压开关柜上的应用[J];科技与企业;2012年24期
[4]安科瑞企业微电网设计与应用手册2020.06版.
[5]安科瑞用户变电站变配电监控解决方案2021.10
343

被折叠的 条评论
为什么被折叠?



