0:概述
随着社会经济的飞速发展,社会电气化程度不断提高,用电安全成为重要研究课题。常见的相与相间发生短路可以产生很大电流,可采用开关保护,而发生人体触电、线路老化而导致的电流泄露产生的火灾以及设备的接地故障都是由于漏电流所造成,漏电流一般都在30mA-3A,这些值很小,传统开关无法进行保护,所以必须采用剩余电流动作保护装置。
1:剩余电流继电器应用介绍
剩余电流继电器是由剩余电流互感器来检测剩余电流,并在规定条件下,当剩余电流达到或超过给定值时,使电器的一个或多个电气输出电路中的触点产生开闭动作的开关电器。
下面介绍三种常见的漏电情况。
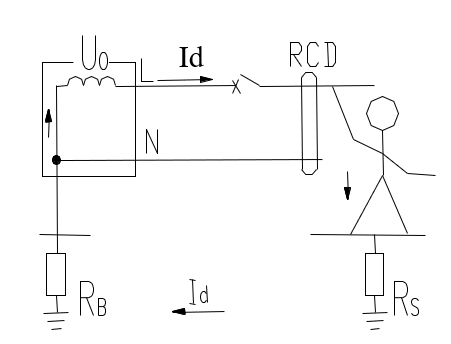
1、防直接接触电击必须采用I△n≤30mA的高灵敏度的RCD。

2、防间接接触电击可采用I△n大于30mA的中灵敏度的RCD。

3、防火RCD需采用4极或2极RCD。

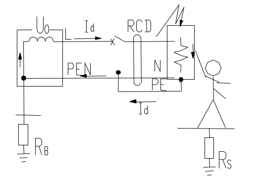
对于IT系统,按规定采用剩余电流继电器。为防止系统绝缘降低和作为二次故障后备保护,依据接线型式,采用类似 TT 或 TN 系统的保护措施。首先应采用绝缘监视装置,预测一次故障。

最低0.47元/天 解锁文章
3165

被折叠的 条评论
为什么被折叠?



